Fórum témák
» Több friss téma |
Fórum » Akkumulátor töltő
Valóban, és elnézést hogy elkerülte a figyelmemet...
Ismételten köszönöm a segítségedet, eggyel kevesebb problémával kell megküzdenem.
Szia !
A töltőáramot lehet "normálisan" szabályozni ? (a kapcsolás - tirisztorvezérlés - egyszerűsége miatt kérdezem, mert a trafó nélküli változat nekem se működött)
Szerintem elfogatható nem lehet összehasonlitani a proli007-féle automata töltökkel
(en megepitettem az UAA145-el is es az egyszerubbet is KIVALOAK!!)ez inkább egy szimpla fioktakaritó automata töltö
Köszi ! Tulajdonképpen az a cél, hogy a régi strapabíró töltőket fel lehet kicsit tuningolni, kevés munkával és szinte "ingyen".
Udv mindenkinek!
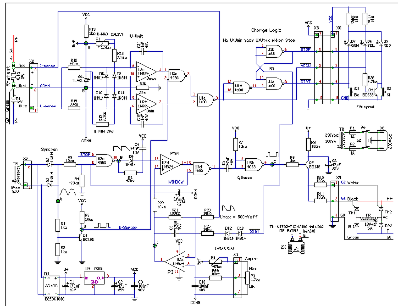
Vegre kesz lett az akkumulator toltom(mellekelt kapcsolas,szerintem sokan ismeritek),van egy aksim ami most kb10,3V ezzel szerettem volna kiprobalni es beallitani a toltot,de mikor rateszem az aksit a toltore nem tortenik semmi,a shunt ellenalason 0V-ot merek tehat nem tolt semmit,szerintem,csak a sarga led vilagit.A nyomogombok mukodnek,ki gomb piros led vilagit,be gomb zold led vilagit. Valaki tudna nekem segiteni hogy hol lehet a hiba,vagy hogy hol milyen ertek kell legyen hogy jol mukodjon a kapcsolas? A segitseget elore is koszonom!
Hello! Először azt kell tisztázni, hogy ha megnyomod a piros vagy a zöld gombot, akkor a megfelelő Led jelzése úgy marad-e. Mert azt írod, csak a sárga világít. És ha leveszed az aksit a sárga kialszik-e.
Hello!Ha elveszem az aksit akkor a sarga led kialszik es csak a piros vilagit,de ha az aksi rajta van a tolton akkor folyamatosan vilagit a sarga led es az led amelyiket "megnyomom" es egve is marad.
Akkor eddig rendben van a dolog. Az áramszabályzó poti maximális állása mellett, meg kellene mérni az U2a IC lábain a feszültségeket. (Természetesen a GND ponthoz képest.)
A hozzászólás módosítva: Nov 9, 2014
Igazából itt is jó értékek vannak (azt levonva, hogy nincs áram és ezért ki van akadva a szabályzó). A továbbiakhoz ténylegesen szkópra lenne szükség, mert itt már impulzus jelek vannak. Ellenőrizni kellene az A-B-C-D pontokon a feszültséget.
De esetleg mérd meg műszerrel, hátha abból is rájövök mi a gond. Nem tudom melyik terv alapján dolgoztál, mert az eredeti rajzon a kábelezésnél többek között elrajzoltam a tirisztor Gate bekötését. Azt is ellenőrizni kellene. És a tirisztorok Gate-katód helyett is be lehet kötni egy-egy Led-et, aminek világítani kellene. (X3 1-3 és 2-3-ra. Katódok a 3-ason.) Továbbá meg lehetne mérni az U3 be és kimenti feszültségeit.
Szkopom az nincs,de muszerrel megmertem amit kertel:
A=6.2V B=930mV C=0.8mV(tobszor ellenoriztem) D=590mV A tirisztorok a kapcsolasi rajz szerint jol vannak bekotve,kiprobaltam a ledet,de nem vettem ki a tirisztorokat(ez baj?),de nem vilagit a led,es mellekelem a beultetesi rajzot,ez utan epitettem meg.
- Az nem volt jó, hogy a tirisztor is bent volt, mert annak nyitófeszültsége 1V a Led-é meg biztos hogy több. De amúgy mindegy, mert ha a C ponton csak 0,8mV a feszültség, akkor nincsenek is gyújtóimpulzusok. Mivel a periódusidő 10ms és a gyújtójelnek 0,5ms hosszúnak kellene lenni, a műszer által mutatott feszültség 0,5ms/9,5ms*5V=263mV vagy kicsivel kisebb lesz, mert a tranyó terheli a kimentet.
- A B pont feszültsége is cseppet kicsinek tűnik, a D meg megfelelőnek. meg kellene mérni az U3 és U2d többi lábát is. A hozzászólás módosítva: Nov 9, 2014
U2/5lab=0V
6lab=-420mV 7lab=3.79V 8=3.2V 9=400mV 12=3.77V 13=1.86V 14=2.7V U3/3,5,6,11lab=4.98V 12lab=4.43V 13lab=1.3V Remelem hogy nem hagytam ki semmit,koszonom hogy tegitesz
Szkóp nélkül így elég nehézkes.
- De az a fura, hogy mintha a U3d 12-13 bemenetén lennének impulzusok, a kimenete a 11-es meg fixen a tápon van. Nincs ott valami zárlat a U3d 11-es és a +5V között? - Aztán meg nem ehhez a "témához tartozik", de ha az U2 9-es lábán +400mV van, akkor a 8-as kimenetének közel nullán kellene lenni, nem 3,2V-on. - De tekerd le az áramszabályzó potit, és mérd meg az U2a és U2d ki és bemeneteit.
Huuu,elnezest En voltam a vak!Zarlat volt az U3d 13-as laba es GNDkozt,mostmar van toltes es a shunt is szepen melegszik.
Mar csak be kell allitani a potikkal a max feszultseget es aramot,ebben tudnal segiteni? Koszonom!
Akkor az már valami, mert ez a kapcsolás "első rúgásra" szokott indulni, ha megfelelően van elkészítve.
- A P3 poti tetején a P2-vel kb. 500mV-ot kell beállítani. (X1 1-3 pontja.) - A maximális feszültséget pedig old. úgy lehet beállítani, hogy nem kapcsolod be a töltést a gombbal, és az aksi helyett labortápot teszel rá. Beállítod P1 potival, hogy 14,5V felett aludjon el a sárga. Ekkor 9V alatt és 14,5V felett is elalszik. A hozzászólás módosítva: Nov 9, 2014
Igen,olvastam itt a forumon hogy "elso rugasra"indul,csak hat En neztem el,pedig tobszor atneztem a nyakot megsem lattam a zarlatot,de mar tokeletesem mukodik hala neked!
Megegyszer koszonom a segitseget!
Üdv Mindenkinek!
Ami fentebb található automata töltő áramkör, Sprintlayout tett fel ezen a lapon, arról szeretnék kérdezni. A kérdésem az lenne, hogy megodható-e ez a kapcsolás 6V-os akkuhoz is? Elég az értékeket felezni, vagy van más megoldás is rá? Tetszik az egyszerűsége és elég is volna ennyi, csak emellett kellene egy, ami ugyan ezt tudja, csak 6V-ra. Előre köszönöm!
Hello! Nem lett volna egyszerűbb egy link, mint körbeírni, és a többiek meg találgassanak kedvükre?
A hozzászólás módosítva: Nov 9, 2014
Üdv!
Jogos a letolás, nem gondolkodtam előtte. Itt a töltő rajz Elnézést, szégyellem magam, mindenki helyett!
Hello! A válasz igen! Csak mivel a trafó feszültsége kisebb lesz, másik stabi kell, és át kell számolgatni az áramkör némely részét.
Hello Proli007! Mar csak egy kerdesem van(vagyis ketto,de a masikat kesobb teszem fel).
Szoval,ha ezzel a toltovel feltoltok egy lemerult aksit 14.5V-ig,ugyebar akkor kikapcsol a toltes es ha jol tudom ezutan az aksi feszultsege visszaesik,es az a kerdes hogy ilyenkor majd meg kell nyomjam a toltes gombot ujra,vagy hagyhatom ugy,kesz a toltes?Csak azert kerdeztem ezt,mert lattam olyan kapcsolast ahol a tolto ujra bekapcsol ha visszaesik a feszultseg(elnezest ha hulyeseget irtam)
Köszönöm a választ! A trafó ugyanaz lenne és az "agyából" készítenék kettőt 12 és 6V-os változatra.
Hello! Ha feltöltötte, akkor kikapcsolja a töltést. Nem kapcsolja vissza. Gyenge aksinál célszerű azt játszani, hogy ekkor csökkentett (pld. 1/3-al) töltőárammal még egyszer elindítani a töltést. Ugyan is ha nagy az aksi belsőellenállása, akkor a töltőáram azon feszültséget ejtve meghaladhatja a töltési végfeszültséget, így a töltés leáll, mielőtt fel lenne töltve.
De feltöltött állapotban minimális a töltő fogyasztása (nincs 1mA), nem fogja meríteni az aksit.
Ha nincs a trafón megcsapolás, amit kapcsolsz, akkor az nem jó. Mert itt a töltőáramot csak a belsőellenállások korlátozzák.
Ertem,Koszonom a segitseget!(a masik kerdes mar nem aktualis,meg van oldva
)
Eddig nincs olyanom, így valószínű két külön töltőt építek akkor. Meglátjuk mi lesz belőle.
Üdv Mindenkinek!
MAX713-al építek töltőt egy 18V-os csavrozóhoz. Az adatlap 18. ábráján két LED bekötése szerepel. A kérdés az, hogy miért eröltetik a V+ on való átvívést, amikor ki van kötve, hogy a belső regulátornak az R1-el be kell állítani 5mA-20mA áramot. Arrol semmit sem ír, hogy a LED áramát bele kellene ebbe számolni. (FASTCHG) A FASTCHG lábat a tokon belül a BATT- ra húzza, nem a testre. Kérdés, hogy lehet-e a LED-et a DC IN re kötni V+ helyett? (Úgyszint a power ledet is direkt tápra. A plusz egy ellenállás nem számít)
Sziasztok!
Egy fázisvágásos akkumulátor töltőt szeretnék építeni 600V-os LiFePo akkumulátorpakkhoz mikrokontrollerrel. A tirisztoros fázisvágásos módszer az akkumulátorok erősen kapacitív jellege miatt nem járható út sajnos, úgy hogy valamilyen mosfetes megoldáson gondolkozok (trailing edge dimmer). Találtam egy kapcsolást, de nem tudom mennyire működőképes az ötlet. Ha egy fázison működne a dolog, akkor megépíteném 3 fázisra. Esetleg a tirisztor kioltásos módszerével próbálkozhatnék még, de ahogy a szakirodalomban olvastam, ez jóval bonyolultabb áramkört és tervezést igényel. Valakinek van tapasztalata hasonló témában? Bármilyen ötletet, észrevételt szívesen fogadok. Köszönöm előre is! A hozzászólás módosítva: Nov 14, 2014
|
Bejelentkezés
Hirdetés |












