Fórum témák
» Több friss téma |
Fórum » Akkumulátor töltő
Hali!
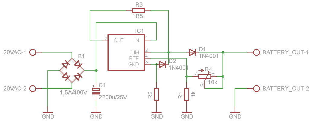
Mekkora árammal szokás tölteni egy ekkora akksit? 300mA elég/sok/kevés? Összedobtam egy rajzot, így jó lesz? Az R2 értéke mekkora legyen?
Szia!
Idézet: „Nem lekapcsolni kell hanem inkább a töltőfeszültséget visszavenni ~13.8V-ra amit standby töltéshez javasolnak.” Igazad is lenne, ha nem vennénk figyelembe a kérdező felkészültségét! Mert aki ilyen kérdést feltesz annak nem elég azt mondani, hogy menj el vegyél egy gazdaságos töltőt és hagyd rajta ameddig akarod! Első töltésnél tönkre fogja tenni! Az pedig hogy a töltés befejezését minek nevezzük csak részletkérdés! kissanyi-nak! Idézet: „Magamban elmorfondíroztam azon, hogy miért is kell lekapcsolni a töltést az akkumulátorról?” Nyugodtan morfondírozz el, de lehetőleg magadban! Ha megnézed a weblap címét rájössz, hogy nem profielektronika, hanem Hobbiektronika!!! a címe! Ide sok olyan fiatal jár akinek még elektronikai alapképzése sincs! Segítségért jönnek ide, és az a legkevesebb, ha reagál az ember a hozzászólásaikra segíteni próbáljon! Azzal, hogy leírja az ember mit ne csináljon, még nem fogja tudni mit csináljon!
Köszönöm. Helyettem is szóltál! :eljen:
Szia!
R2=U(5-2)/Itöltő U(5-2)=0.45V a katalógusból! A 300mA-rel lehet tölteni, de elég lassan fog feltöltődni! Persze, ha készenléti akksinak kell, ez nem gond! A feszültséget 13,5-13.8V-ra érdemes beállítani! Találtam az akksidról egy kis adatlapot, csak sajnos rosszul olvasható!
Az R2=U(5-2)/Itöltő képlettel nem az R3 értékét számolom?
De!
Igazad van, elírtam! Köszi, hogy javítottál!
Sziastok saját házi készítésű aksitőltő receptje!
1. számítógépbontóból venni tápot még pedig az AT tipusu is bőven megteszi. 2. Ampermérőt szereltem le a tönkrement tőltőről és kőtőttem ösze a táppal. 3. ezt 2x használtam böven jóvólt mainapig megvan de szerencsére nem kellet hozányulnom már vagy fél éve!
De akkor vajon milyen értékű legyen az R2?
Ha 300mA-rel szeretnéd tölteni jó az 1.5 ohm!
És mit töltöttél fel egy +12V-ot szolgáltató táppal?
Ok, az értem
, de nem a kimeneten lévő R3-at kérdezem, hanem a GND-re kötöt R2-őt.
Minek számozni az ellenállásokat, ha nem veszi figyelembe az ember!
Én 220ohmot raknék bele!
Oké, töltés közben, hogyan tudok informálódni arról, hogy hogy áll a töltés? Egy ampermérőn keresztül töltöm az akksit és ha egy bizonyos érték alá csöken az áram akkor lekapcsolom?
Ha az akku eléri a beállított feszültséget, lecsökken az áram!
Sziasztok! Van egy érdekes jelenség!Lemerült az Alfában a zselés akksink.Feltöltöttük.Pár napig minden oké volt,de aztán beültem az autóba és minden nullázódott a műszerfalon.A dátum,minden olyan ami nullázódik amikor kiveszik az akksit.Pedig nem volt kivéve az akksi!!!Nem értem mi történhetett!Tudja valaki a választ?köszönöm!
nem vettem ki az akksit,ültem benne,de elindult,csak nehezebben.Rövidzárlat okozhatta?
Rögtön amikor beültél, vagy indítózás után vetted észre? Mert az indítózás miatt leeshetett annyira a feszültség, hogy reseteltek a cuccok.
Az akku egyébként valami hiba folytán merült le? Mennyi idős? Idézet: „Bocsi nem a kérdésre válaszolsz,akkor hogyan segítsek...?” Az sem teszi épp egyértelművé a kérdést, hogy rosszul használod az írásjeleket...
Ebben a mondatban:
A merülés után közvetlen,nem is ültél benne csak most? a vesszőnek nem az után szó után kell állnia, hanem a benne szó után. Valamint ebben a mondatban: Tehát a feltöltés előtt,nem láttad a műszer falat? Ez a mondat így egész más értelmű, mintha nem lenne az előtt szó után vessző!
Feltöltés után mentem vele :45km-en állt a km óra,most meg 15km-en áll.Tehát valamikor lenullázott.De az akksit nem vettem ki.Ja,és januárt mutat,november helyett.rem.érthetően írtam...
De mitől merült le? Csak úgy nem szokott egy akku állásában lemerülni! Szerintem simán végelgyengülése van.
Hát ez az mitől?Azt hallottam egy akku kb.öt évet bír...ezt jól hallottam?
köszike az eddigi válaszokat!
Nagy átlagban öt évet birnak, tehát szerintem a tiédnek is vége.
Mondjuk ez már elkezd érződni előbb is, mert nem úgy teker az önindító mint ahogyan kellene. Aztán most jött a hideg idő, és egyrészt nehezebb a motort indítani, másrészt az akku a hidegben kevesebb energiát ad le(a jó akku is), és így egykettőre kibukott a hiba.
Szia !!
Egy kicsi OFF, de az lenne a kérdésem, hogy ha lerajzolok egy tápot, segítesz nekem hogy hogyan kell bekötni az általad készített akkutöltőt ? ( a Tiédhez sokkal kevesebb alkatrész kell mint amit a szlovák lapból mellékeltél..) Köszi ! Üdv.: sector99
Sziasztok!Az akksi teljesen felmondta a szolgálatot
![]() Cserélni kell!Sajnos ma reggel már nem indult el,ezt már tölteni sem érdemes! )
Ezt azért úgy érdemes kipróbálni, hogy levenni róla a madzagokat, feltölteni és éjszakára hagyni állni. Reggel visszatenni a madzagokat, és ha nem indul, akkor az akku kukás. Ha indul, akkor meg az autó meríti le. De öt éves akkunál szinte biztos, hogy az akku halott.
Sziasztok!
Ha kocsiaksitöltön gondolkoztok, bevált módszer biztositéknak használni egy elektromágneses rellét, az autók nagyámpáit ami kapcsólja fel. Ha zárlat lesz,azonnal kikapcsol a tőltés, ha szétvetted, ujraindul. Beszerezhetitek ezt bármilyen autóalkatrészüzletben. Én probáltam és nagyon bevált. Ha érdekel, elküldőm a rajzát. Sziasztok! |
Bejelentkezés
Hirdetés |






, de nem a kimeneten lévő R3-at kérdezem, hanem a GND-re kötöt R2-őt.
köszike az eddigi válaszokat! 
