Fórum témák
» Több friss téma |
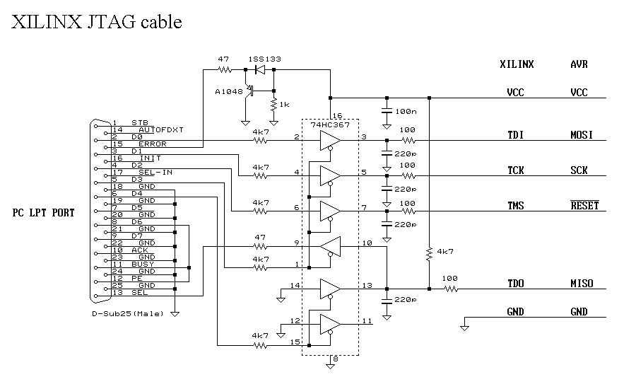
Segítenél a továbiakban a program betöltésének menetében a Xilinx-be ,megépítettem a honlapjukon közzétett programozót .
Ebben nem sokat tudok segiteni, mert vagy harom eve nem programoztam CPLD-t. (Az FPGA-kat meg sajat programozoval programozom.) Az biztos, hogy az impact-tal kell csinalni, ahogy bbatka is mondotta volt. Mar nem emlekszem a reszletekre, de nagyjabol kiir mindent.
De csak nem valaszoltal, hogy HONNAN (= milyen internet cimrol) toltotted le az eOscope forrasat.
Innen .Bővebben: Link
Ertelek. Nos, en is innen toltottem le annakidejen, es most is pont ugyanazt az eoscope_develop.zip file-t lehet leszedni. Te viszont .rar file-t emlegettel, amit ezen a weblapon nem latok. Ez a .zip file viszont hibatlan, jo benne a forras, egyetlen hiba nelkul szintetizalja le a Xilinx tool.
Leszedtem újra a fájlt és elsőre sikeresen lefordította a progi . Ezekszerint rosszul emlékeztem
. Az lehetséges,hogy a program Xilinxbe töltése után az Ic melegszik ? - mert addig nem tette , és ha törlöm az Ic-t akkor megint hideg !
Ez logikus, mert beégetés előtt nem volt benne létrehozott áramkör. Ezek szerint sikerült az égetés?
Szia ! Nem tudom ,hogy sikerült -e , mert a kijelzőn csak fügőleges csíkok vannak sűrű tömött sorba ,igy nem látom az eredményt .Bajlodom az avr-el . Bascom alol ISP-n töltöttem fel a HEX-a filét , be is tölti a program szerint "verify ok ", de szerintem nem !
Nem maradt ki a kijelzo reset? En most egy sima 2x16-os LCD-nel tapasztaltam csikozast, mikor nem volt resetelve.
Hi ! Nem hiszem ,HEX-a fájlt töltöttem be , ami a projecthez volt a neten .
Üdv!
A dsPIC-nél ha jól láttam 1 MHz a mintavételi frekvencia. A vizsgált jel frekvenciája mennyivel lehet ennél magasabb (tapasztalat)? Köszi
Inkább mennyire lehet alacsonyabb...
Ha 1 megával mintavételezel, akkor egy 100kHz-es jel 10 képpontból fog összeállni.
1Msps esetén max 500 kHz lehet az alapsávi jel frekvenciája.
Nem alapsávi esetben végzett mintavételezés esetén 1Msps esetén ideális ADC esetén mondjuk GHz-eket is lehetne mintavételezni, ha a sávszélessége 500k alatt van. Erre lennék kíváncsi hogy ezt meddig bírja a dsPIC, mert a mintavételező jeltartójának kell bírnia az 1 MHz feletti részt, maga a mintavételezési sebesség nem változik
ez lemaradt:
például 50 Msps ADC vel lehet mintavételezni a 88-108 megás rádiósávot ha az sávszűrve van, és a ADC analóg mintatartója (kapcsolók, meg egy kapac) bírja a 108 megát
A dsPIC mintavételező jeltartóját akarod külön kezelni? Azt hogy fogod csinálni?
Hello.
Nem akarom külön kezelni. Azt szeretném megtudni hogy az hány MHz-ig működik megfelelően, mert akkor az ADC-t is addig lehet használni, függetlenül az 1 Msps-es korláttól.
Szerintem felesleges utána nyomozni. A katalógus adatok általában 10bitesre 1.1MSPS adnak meg. A motorvezérlős verziók kb. 2MSPS-t.
Miért lenne felesleges?
Pont az lenne a lényege, hogy ne kelljen drága ADC-ket venni, hanem a dsPIC beépített 1 Msps ADC-jét használni 1 MHz felett is. Egyébként még azon is gondolkoztam, hogy a PIC ADC bemenete elé kellene rakni egy mintatartót (mondjuk egy gyors FET meg egy kondi), és akkor nem számítana a PIC.
Szia krixmix
Szia krixmix Előző hozzászólásodat idézve Senki?? Nem csoda, hogy senki, mivel felvetésed elolvasása után én is csak ámultam s bámultam, mivel úgy tűnik átvitt értelemben ezzel egy perpetum mobile problémát, szeretnél megoldani. Szeretném megérteni a gondolatmenetedet ezért a legelső kérdésem, az lenne, hogy mi az a sokat emlegetett mintatartó s mi célt szolgál. Ezt még azzal is megtetézted hogyha az AD elé is egy ilyent tennél akkor a PIC sem lenne lényeges. Várom válaszodat üdv jano36
A mintatarto (helyesen mintavevo tarto) az A/D konverterek vilagaban alapfogalom. Egy olyan aramkor, ami a mert feszultsegbol mintat vesz, azaz egy kondenzatorban tarolja a merendo feszultseget a konverzio idejere. Ez fontos, mert ha az A/D konverzio kozben megvaltozna a mért feszultseg, akkor rossz erteket merne az A/D.
Ettol fuggetlenul mostmar en is kivancsi lennek krixmix elmeletere, mert nem igazan ertem. Hogyan akarsz 1MSPS A/D-val 500kHz-nel nagyobb osszetevoju jelet merni? Udv, Andor
Ha periódikus a jel, és elég periódus a rendelkezésedre áll, akkor a triggertől a periódusidő végéig picit késleltetve minden periódusban veszel egy mintát, majd a következő periódusban még egy picivel nagyobb késleltetéssel, és így tovább, elvileg kirajzolható a jel, de ez sem egyszerű.
Bár az így rajzolt kép használhatósága eléggé kérdéses.
Hello!
Az úgy volt, hogy a 40-es évek környékén a Nyquist meg a Shannon bácsi kitalálta ezt az egész mintavételezést Namármost a Nyquist-Shannon mintavételezési tétel értelmében egy mintavett jel akkor állítható vissza mintáiból (vagyis akkor lesz értelmes a mintavételezés),ha a mintavételi frekvencia a jel sávszélességének 2szeresénél nagyobb. Ez azt jelenti a dsPIC 1Msps mintavételi frekvenciája esetén, hogy maximálisan 500kHz sávszélességű jelet tud mintavételezni. (Mivel nem létezik ideális aluláteresztő, ezért lineáris interpoláció esetén periódusonként 10 mintát ajánlott venni, vagy sinc interpoláció esetén legaláb 4 mintát. ) Tehát a feldolgozni kívánt jel lehet 500 kHznél magasabb frekvenciájú is ,de a sávszélességének 500kHz-nél kisebbnek kell lennie. Ugyanakkor az ADC mintatartójánaktudnia kell ennek jelnek a legmagasabb frekvenciáján működnie. Ezt az egész folyamatot egyébként úgy hívják, hogy az n.-edik Nyquist zónában történő mintavételezés Bővebben: Bővebben: Link
Köszönöm a válaszodat, de a kérdésemre krixmixtől szerettem volna választ kapni. Ugyanis Ő a PIC mintavételező és tartó áramkörébe szeretne belenyúlni, ami ugye nem lehetséges, mivel a tároló kondenzátor (a mintatartó) az IC-n belül van és a töltő és kisütő áramkör szintén. Végezetül idézve "Egyébként még azon is gondolkoztam, hogy a PIC ADC bemenete elé kellene rakni egy mintatartót (mondjuk egy gyors FET meg egy kondi)" és ekkor merült fel bennem a kérdés, hogy egyáltalán tudja e mi az a mintatartó vagy csak hallott róla. Hiszen ha az ADC elé bármilyen gyors mintavételezőt is tesz attól a konverzió még nem lesz gyorsabb, Sőt működni sem fog mivel a valódi tartónak nem lesz ideje feltöltődni. Még mindig várom a választ, hogy az ADC elé telepített mintatartótól miért lesz gyorsabb (sűrűbb) a mintavételezés
Dudus: igen, ismerem az emlitett eljarast, meg egy masik hasonlot is, de az is csak periodikus jelekre mukodik. Ezen felul emlited a triggert, ami igen lenyeges resze az altalad emlitett elmeletnek (es a masiknak is), krixmix viszont csak altalaban beszelt mintavetelezesrol. Az igy rajzolt kep hasznalhatosagat en nem kerdojeleznem meg, hasznalok ilyen szkopot, nincs vele semmi baj.
jano36: bocs, gondoltam, hogy nem kellene belebeszelnem, csak ugy irtal, mint aki tenyleg nem tudja, hogy mi az a mintatarto. krixmix: alulmintavetelezes, az mas. Errol eddig nem beszeltel. Azert azt tegyuk hozza, hogy az igy mintavetelezett jel eseten nem tudod megkulonboztetni az alapsavi es a letukrozott jelet egymastol. Szoval ez nem egeszen az, hogy 50 megaval mintavetelezzuk a 108 megas jelet.
Hy.
A külső mintatartó esetén sem lesz gyorsabb a mintavételi sebesség (1Msps), de így magasabb frekvenciákig tud hiteles mintát venni a jelből
Pedig pont az aululmintavételezésről beszéltem. Pont azért kell sávkorlátozotnak lennie a jelnek, hogy a mintavétel által okozott periodikus spektrumáthelyezés ne okozzon átlapolódást különböző frekvenciasávok között.
Tehát a sávkorlátozott jel esetén csak abban a sávban lévő jel fog alapsávra lekeverdni. Egyébként említettem hogy 1Msps-->max500kHz sávszél. Ugyanez FM-rádió 108-88=20MHz sávszél --> 50 Msps
Igen, említettem, hogy periodikusnak kell lennie, de ha valami miatt nem az , semmi garancia, hogy látni fogod.
Én is használtam ilyet GHz-es tartományban, de tudni kell, milyen jelet mérsz vele.
Hali!
Ok, igazad van, de az elso kerdes, amit feltettel, ez volt: Idézet: „A dsPIC-nél ha jól láttam 1 MHz a mintavételi frekvencia. A vizsgált jel frekvenciája mennyivel lehet ennél magasabb (tapasztalat)?” Szerintem ebbol senki nem arra gondol, amirol vegulis szo van. Mert te gyakorlatilag az analog resz (input buffer, MPX, S&H) szavszelessegere vagy kivancsi. Mondjuk igy mar ertem, hogy a kulso S&H-val hogyan javitanal a helyzeten. Udv, Andor
Elkészült a control panelem. Csatoltam egy LED villogtató programot amivel teszteltem. Az összes lábon fél másodpercenként váltogatja az állapotot. A beégetést egy házilag készült soros portos ICD2-vel végeztem. Természetesen a 3,3V-os táplálást külön tápról kapta.
A korábban feltett kapcsolási rajztól eltérően 10Mhz-es kvarcot tettem rá így most 40MIPS sebességen jár a dsPIC. A panel ebben a formában általánosan mindenféle célra használható. Néhány kép a panelről. A dsPIC lábtávolsága 0.4mm. |
Bejelentkezés
Hirdetés |





. Az lehetséges,hogy a program Xilinxbe töltése után az Ic melegszik ? - mert addig nem tette , és ha törlöm az Ic-t akkor megint hideg !



