Fórum témák
» Több friss téma |
Fórum » Áramkör zárása logikai jellel
Témaindító: kontakthiba, idő: Máj 29, 2012
Témakörök:
Sziasztok!
Azt szeretném megoldani, hogy logikai jelszinttel tudjak egy külső áramkört nyitni/zárni. Fontos, hogy a polaritás ne számítson, és legalább 100mA -t tudjon kapcsolni. Továbbá nem akarok relét se használni, mert az nagy, sokat fogyaszt, és még több alkatrész kell hozzá. (Egy kis elemes cucc lesz.) A cél egy fényképezőgép távkioldása időközönként, mikrokontrollerről, de nem tudom, milyen fényképező lesz rajta, csak azt, hogy gombnyomást kell szimulálni. Mit javasoltok erre?
Azert vannak piciny Reed relek amiket pl a PIC maga tud mukodtetni. DIP rele
Hello, 5V-on 10mA, lehet ennél egyszerűbben?
Ez jónak tűnik, meg pici is, de kicsit húzós 1000 Ft -ért. Macsek71 féle CD4016 szimpatikusabb a 40 Ft -os árával.
és mi lesz a 100mA-rel?
Na, így bízzon az ember bennetek! Ha legközelebb atomreaktor-szabályzó építésével bíznak meg, alaposabban utánanézek, mit ajánlanak mások.
![]() Nem tudom, hogy működik egy ilyen multiplexer ic, azt hittem, az is olyasmi, mint egy kapcsoló, azaz "összeköt" két vezetéket egy input függvényében. De eszerint nem. Akkor mégis marad reed relés megoldás. Mondjuk tény, hogy a sima relé is megteszi talán, esetleg van valami picike abból is. A reed relének nem kell dióda meg semmi? Abban nem tekercs húzza össze a kapcsolót?
Össze összeköt HA a feszültség szintek az ő táp tartományában vannak,(és valamely ponton egymással közösek), valamint a kapcsolandó áram nem lépi túl a megengedett terhelhetőségét...Talán ha nem ragaszkodsz a polaritásfüggetlenséghez egy darlingtonba kötött optocsatoló ,de ez is csak kompromisszumokkal (a kapcsolt jel sosem lesz ideálisan összekötve,és csak egy bizonyos feszültség felett működik jól (a 3V nem biztos hogy bele tartozik) Így ha üzembiztosat akarsz marad a reed cső (bár ezek töbsége sem szereti szerintem a 100mA-t) de inkább a sima relé.
Más kérdés hogy szerintem a fényképező nem is igényli a 100mA kapcsolását,különösen egy apró buborék gombbal vezérelt fajták..
Szia!
A fényképezőgép miatt még eszembe jutott egy dolog:a sebesség! Nem tudom milyen alkalmazás lesz, de a reléknek is van kapcsolási idejük ( bár a reed tudtommal gyorsnak számít!), de egy fényképezőgép 1/1000 s-os záridejéhez képest már nem biztos, tehát ilyen szempontból is nézz körül ! Steve
Hello!
Az egyezred expozíciós időhöz a relé meghúzásnak nem sok köze van. A relé meghúzás késleltetése, az expozíció végrehajtását fogja késleltetni, legfeljebb 10..20ms-al. De egy mai gépen ez a probléma olyan komoly, mint a difizár a csigán. üdv! proli007
Szia!
Azért gondolom problémának, mert például egy lövés hatására felrobbanó izzó vagy egy egy beültetőgép fényképezéséhez gond lehet a 10-20 ms késleltetés! Tudom, hogy extrémek a példák, de mivel automata a vezérlés, akár ez is lehet a feladat és ilyen megközelítésben szerintem nem elhanyagolható egy relé késleltetése ! Idézet: „e egy mai gépen ez a probléma olyan komoly, mint a difizár a csigán.” Ezt nem értem: pont a mai ( és régebbi!) gépek 1/1000 s-os záridejének biztosításánál lehet gond, hogy 2 gép szinkronizálása esetén az egyik már régen befejezte a fényképezést, amikor a másik még el se kezdte ( pl. a relék szórása miatt!! ) ! Steve
Nem, itt nem fontos a sebesség, egy olyan géphez kell, ami egy léptető motort mozgat, vár, fotóz, és ezt sokszor.
Már tervben van olyasmi, amit írtál (gyors események fotózására, mint leeső vízcsepp, ugró szöcske, stb...), de ott nem is relével fogom megoldani, hanem valami gyorsabb módszerrel.
OK! Steve
Régi telefonmodem kártyáról ingyen bányászható 3 - 5 voltos relé
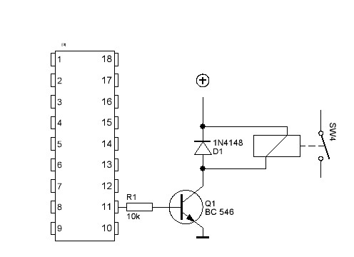
! Abban is logikai szint húzta meg , no meg azért 1 paralel dióda nem árt a tekerccsel záróirányba bekötni !
Igazából arra jutottam, hogy talán nem is kell ehhez relé, mert szinte biztos, hogy egy DSLR gépet fognak meghajtani az áramkörömmel, az ilyeneknek pedig a elég jól megvan itt a távkioldási módja:
http://www.doc-diy.net/photo/remote_pinout/ Eszerint eljárva 99%, hogy menni fog a dolog.
Ha sor kerül rá, atomreaktor szabályzásban állok rendelkezésedre!
(profil) |
Bejelentkezés
Hirdetés |






! Abban is logikai szint húzta meg , no meg azért 1 paralel dióda nem árt a tekerccsel záróirányba bekötni !
(profil) 




