Fórum témák
» Több friss téma |
Fórum » Autóelektronika
Témaindító: sufni-tunning, idő: Ápr 19, 2008
Témakörök:
Idézet: „A termosztát kinyit,” Ez esetben a kérdés inkább az, hogy lezár-e. Csináld meg a testeléses próbát, utána többet tudunk. Milyen autóról is van szó?
Gondolom ha kinyit, akkor előtte le is zárt.
Meg ugye bekapcsol a ventilátorom emelt fordulatnál pár perc után... Szóval fűtés van, ventilátor bekapcsol -> víz meleg. A testeléses dologból kiindulva, ha simán összezárom a gombán a 2 vezetéket, akkor mozdulnia kellene a mutatónak. Na majd holnap kiderül...
Tudja-e valaki a CA94AG11K665 tipusu fényszoró-irányjelző-ablaktörlő kapcsolón lévő számok jelentését?
Arra gondolok hogy pontosan mi a számok jelentése? A 30-as az +.De mi a többi ? Ez Ford Escort kapcsolója. Előre is köszi
Még mindig nem tudjuk a tipust. Általában a gombán csak 1 vezeték van, azt kell letestelni.
Sorold, miket látsz rajta, és megpróbáljuk.
Itt vannak: 49,31,58,54,56a,56b,55 ezek a fénysz. kapcsolóján vannak.
49: irányjelzö
31:test 58: helyzetjelzö 56a: táv. fény 56b: tompitott 54, 55: ?? (egyik valoszinüleg a fényszóró tápja, az csak gyújtással megy a Fordon) Nem jó a kapcsolo?
Az elején a ventilátor bekapcsolása nem sokat jelent. A termosztát ha állandóan átengedi a vizet, a ventilátor kb. ugyanakkor fog bekapcsolni akkor is. Ezt inkább úgy lehet eldönteni, hogy ha hidegen beindítod, akkor az üzemi hőmérséklet eléréséig a hűtőradiátornak nem szabad a motorral együtt melegednie, hanem hidegnek kell maradnia - esetleg kicsit langyosodhat a befolyó csőnél.
A kapcsolo az jó,csak az előző tulaj egy kicsit beletúrt a dolgokba,és nem volt helyzetlámpám.
Most már ki tudom keresni a szálakat a számok ismeretében. Köszi Ákos70!
Sziasztok!
Szerintetek hogyan tudnék autóban használható ultrahangos térérzékelős riasztót építeni a legegyszerűbben ? Lehetőleg AVR segítségével megoldva, ahhoz nagyjából értek. Maga a riasztó már megvan, csak az érzékelő modul kéne. A riasztó aktiválható sok mindennel, csak programozás kérdése. ( Nyitás, zárás, jelszintek ) EZ és a vevő része elég teljesítményű egy autóba szerintetek ? Valahogy majd szeretném az érzékenységét is állítani ( poti pl. ) de ez még ráér, elöbb meg kéne értenem a működését. Vagy jobban járok ha veszek valami gyárit ? Ha igen tudtok példát ? ( Lehet hogy az előbb rossz helyen tettem föl a kérdést, bocsi ) Köszi előre is
Ahhoz nem kell nagyon szétszedni, egyik tipusbaja annak a kapcsolonak (van neki még egy).
Lefeszegeted a forgokapcsolo után lévö kupakot, aztán ovatosan lehuzod a forgokapcsolot (van alatta 2 rugos pöcök, azokra vigyázz) és ezután meglátod az érintkezöket. Megcsiszolod, összerakod, örülsz. Ki se kell szerelni a kapcsolot.
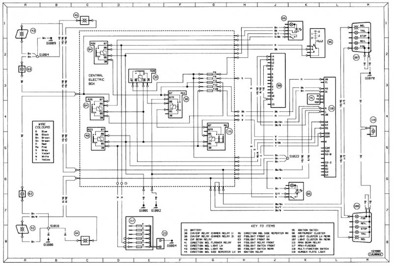
Itt a rajz. De valóban ez tipushiba az Escorton. És úgy javítható ahogy akos70 leírta. Bár nekem nem sikerűlt
Raktam egy külön kapcsolót, és így örűlök. A másik tipushibája az már macerásabb.
Sziasztok!
Van egy autóm, a márkát itt nemszeretném reklámozni, nem is akarom . Szóval van ez az autó és nincsen benne olyan hőmérő ami a víz hőmérsékletét méri ami azért kár mert néha-néha azért jólenne odapillantani . Én erre a problémára egy egyszerű kb. 5 LED-ből álló hőmérőre, vagy LM3914-es IC-vel felépített hőmérő "modulra" gondoltam.Kérlek benneteket, hogy segítsetek! Köszönöm előre is!
Azt már megtaláltam és "örülök".Csak a kapcsoloban 2 drótot fel kell cserélnem,mert ezt a kapcsolot már valaki piszkálta. Első pozicioban a tompitott kapcsol(direktben),
a másodikban pedig a helyzet is bekapcsol(ilyenkor kapcsol a relé). Szerintem a forgokapcsolobol kijövő 2 drotot ami az 58-ra illetve 56a-ra megy,megprobálom felcserélni. 1 probát megér.
Köszönöm a rajzot!
Egy külön kapcsolót épitettél be? Nekem van olyan is,ezzel direktben kapcsolhatom a tomp.fényt. Mi a másik tipushiba?
Én a mellékelt rajzot alkalmaznám, egyszerű és olcsó! Csak a dióda szigetelését kellene medoldani. Szerintem zsugorcsővel meg lehetne oldani.
Hali!
Ezt a linket nézegettem és őszintén megmondom h nemsokat vettem le belőle . Ketten összetudnánk valamit hozni?Nekem ez a kapcsolás max. 110-120 °C-ig mérne a minimum az nemolyan fontos
Az érintkezöpárokat ki lehet huzni a helyükröl, és megcserélni egymással. A másik verzio az, hogy szétpattintod a kapcsolot, és átforrasztod, megcseréled a vezetékpárokat a nyákon. Az elsö egyszerübb, ha a vezeték enged annyit.
A másik: bevillan a fénykürt, pl. indexeléskor. Elég gyakori hiba.
Szia!
Adok még egy kis rajzot, hát ha hasznát veszed még a későbbiekben. Van egy relétáblás fotóm is, csak az évjáratonként változik. VIM
Hali!
Pontosabban melyik alapkapcsolásra gondoltál?
Az autó típusa Fiat punto 1 (1995). A testeléses dolog bejött, mert teljesen kileng a mérőóra! Furcsa, mert a hőgomba ellenállása csökken a meleg vizes pohárban, de úgy látszik mégis rossz. Mindegy, örülök, hogy megvan a hiba. Amúgy 2db hőgombám van, az egyikre 1 vezeték megy, a másikra pedig 2 szál. A javítási könyv a 2 szálast említi vízhőfokmérő gombának és az unix oldalán is ez szerepel "hőgomba órának" névvel... Ez a szívótorokban van az injektor alatt, de vízben, mert kicsavarva folyik a víz. Ezt nem mertem letestelni, hanem a másikat, ami a blokba van becsavarva a generátor fölött. Ehhez tényleg 1 szál megy, de a biztonság kedvéért egy 10 amperes biztosítékon át testeltem. A mutató kilenget a maximumig, egy 100ohm-os ellenálláson át, pedig 1-3-ig. Örülök, hogy az órám jó és csak gombát kell vennem.
A másik 2 szálas hőgomba úgy gondolom, hogy az ECU-nak adhat infót a motorhőmérsékletről. Azért az elég gáz, hogy a javítási könyv nem pontos. Semmi fotó, csak alig kivehető rajzok. Ez se olyan már, mint régen volt...
SZiasztok
Akkumulátorbol kúszóáramot szeretnék mérni,vagyis megtudni hogy lemeriti e valami az akkumulátort. Az akkumulátor negatív pólusa és a test közé kötött izzó miért villog,és hogy ez rendellenes e vagy sem? Hogy tudhatom meg hogy zárlatos e az akkumulátor,ki tudom ezt mérni valahogy? Segitségeteket előre is köszönöm.
Igen, a vezérlönek szokott lenni 2 drotos gombája, az oráé legtöbbször egyvezetékes. 1-2ezer Ft-ért valoszinüleg kapsz olyan gombát.
Köss egy multimétert a izzo helyére, azzal mérj áramerösséget. Nem tudom hány wattos izzot használtál, probának az se rossz, csak pontos értéket nem fogsz megtudni. Mindenesetre ha világit (vagy villog), akkor valoszinüleg nagyobb a fogyasztás, mint ami lehetne.
Szerintem azért villog mert áram folyik rajta. Ha ki van kapcsolva minden fogyasztó, akkor rendellenes. De ezek szerint valami meríti, mert különben miért akarnád tudni, hogy meríti-e valami. Vegyél ki minden biztosítékot, egyenként rakd vissza, és megtudod, hogy melyik ág szívja.
Csak ha nem jár úgy, mint haver egy Grande Puntoval, hogy az összes biztosítékot kiszedte, motortérben a 60A-es főbiztosítékot is, meg a motortéri csatlakozókat is széthúzta, generátorról is leszedte a drótokat, és még mindig folyt 200mA...
A villogás oka lehet az autorádio órája is.Engem egy alkalommal ez vezetett félre,de aztán levettem az előlapot,és megszünt a villogás.
|
Bejelentkezés
Hirdetés |




Meg ugye bekapcsol a ventilátorom emelt fordulatnál pár perc után... Szóval fűtés van, ventilátor bekapcsol -> víz meleg.
Raktam egy külön kapcsolót, és így örűlök. A másik tipushibája az már macerásabb. 
ami azért kár mert néha-néha azért jólenne odapillantani 






