Fórum témák

» Több friss téma
Fórum » Autóriasztó és központi zár
 
Témaindító: hzsolt77, idő: Jan 15, 2006
Témakörök:
Lapozás: OK   157 / 168
(#) pisti1968 válasza Inhouse hozzászólására (») Nov 9, 2020 /
 
Arra emlékszem,hogy a képen piros hyíllal jelzett két vezeték az összevolt forrasztva,és volt egy relé is bekötve.
(#) Inhouse válasza pisti1968 hozzászólására (») Nov 9, 2020 /
 
Ha biztosra akarsz menni, bele kellene nézni. A XLS-ből adott kp zár vezérlő vezetékeket visszakövetni, hogy hova mennek. Ha 2 egyforma relére (ott a COM érintkezőkre), akkor ott meg kell nézni, hogy a maradék NO és NC érintkezők ki vannak-e vezetve és ha igen, melyik színeken.
(#) pisti1968 válasza Inhouse hozzászólására (») Nov 9, 2020 /
 
Egy ilyen relé volt még bekötve.
(#) pisti1968 válasza Inhouse hozzászólására (») Nov 9, 2020 /
 
Az biztos ,hogy a lila és a sárga/kék összevolt forrasztva ,sárga/piros nyitószál, sárga/fekete zárószál. Szürke, narancs, fehér, sárga/szürke nem volt sehova kötve.
(#) pisti1968 válasza pisti1968 hozzászólására (») Nov 9, 2020 /
 
A relének a pirossal jelzett csatlakozója testre volt kötve ez is biztos.
(#) Inhouse válasza pisti1968 hozzászólására (») Nov 9, 2020 /
 
Ez a kp zárhoz volt, egy spec relé. Kösd vissza ahogy volt és kész.
Nem láttam még ilyet, a bekötését nem találtam, de én azt mondanám, hogy a test jelre test, a + jelre +12V, a 2-3 a nyitó/záró és a motorok mennek az m1, m2 pontra. Multiméter szakadásvizsgálóval ki lehet mérni. Alapból nagy valószínűséggel a test van zárva az m1, m2 pontokkal, ha nem, akkor a + van ugyanide.
Közben megtaláltam, ez (98031) egy komplett kp zár vezérlő!
A hozzászólás módosítva: Nov 9, 2020
(#) pisti1968 válasza Inhouse hozzászólására (») Nov 10, 2020 /
 
A + csatlakozásra a relén nem volt kötve semmi, erre is emlékszem. A 4 számú kapcsoló az mi akar lenni azzal nem találkoztam ?
(#) pisti1968 válasza Inhouse hozzászólására (») Nov 10, 2020 /
 
Központizár vezérlőt sem találtam benne, csak ezt a riasztót.
(#) Inhouse válasza pisti1968 hozzászólására (») Nov 10, 2020 /
 
Ha a pluszra nem volt semmi kötve, akkor lennie kell még egy vezérlőnek, akkor ez minek?
A 4-es egy kézi működtetésű nyitó/záró gomb az utastérben.
Elég kócos ez még...
(#) pisti1968 válasza Inhouse hozzászólására (») Nov 10, 2020 /
 
Sajnos valóban elég kócos. A 2 első ajtóban 5 vezetékes motor van ,a 2 hátsó ajtóban 2 vezetékes. Az első 5 vezetékes motor szálaiból sem volt mindegyik bekötve, ( a piros az tuti nem ) erre is tisztán emlékszem . A vezérlőt nem találtam. Mikrokapcsolót találtam már az sem volt bekötve ,a 4-es kapcsoló az nincs, de gondolom ezek nem létfontosságúak.
(#) pisti1968 válasza Inhouse hozzászólására (») Nov 10, 2020 /
 
Vezérlő a műszerfal alatt biztos nincs, mert nemrég a fűtést csináltam, és ahhoz ki kell venni az egész műszerfalat.
(#) pisti1968 válasza Inhouse hozzászólására (») Nov 10, 2020 /
 
És az is biztos,hogy a relé 1M csatlakozására volt kötve 4 szál kék vezeték, a 2M csatlakozóra 4 szál szürke vezeték. Ezek ha jól gondolom a központizár motorok vezetékei.
(#) Inhouse válasza pisti1968 hozzászólására (») Nov 10, 2020 /
 
Idézet:
„A 2 első ajtóban 5 vezetékes motor van ,a 2 hátsó ajtóban 2 vezetékes.”
Ez így normális.
Idézet:
„Az első 5 vezetékes motor szálaiból sem volt mindegyik bekötve,”
Akkor az csak távirányítóval mehetett, kulccsal, ajtózárgombbal nem (mechanikailag billentve)
Idézet:
„Mikrokapcsolót találtam már az sem volt bekötve ,a 4-es kapcsoló az nincs, de gondolom ezek nem létfontosságúak.”
Ezek csak kiegészítők, enélkül is működik.
Idézet:
„És az is biztos,hogy a relé 1M csatlakozására volt kötve 4 szál kék vezeték, a 2M csatlakozóra 4 szál szürke vezeték. Ezek ha jól gondolom a központizár motorok vezetékei.”
Ez így van. De ha nem volt a + jelűre rákötve a +12V, akkor nem működhetett. Mivel sarus, le is csúszhatott.
Egy kicsit már az is ködös, hogy miben volt ez amikor működött, láttad-e működni, mi is lett csinálva, mibe megy most, mi van eddig meg...
A hozzászólás módosítva: Nov 10, 2020
(#) pisti1968 válasza Inhouse hozzászólására (») Nov 10, 2020 /
 
Saját autómban Audi 80 működött valóban csak távirányító működtette. Kiszereltem ( amit már nagyon bánom ) rendbe akartam tenni a vezetékeket mert nagy volt a zűrzavar ,de sajnos amikor visszaszereltem már nem működött, mert valamit elcsesztem. Az lehet,hogy már maga a vezérlő is elromlott,mert valamit nem jól kötöttem vissza ? Azt miként lehetne megtudni,hogy egyáltalán van-e vezérlés a nyitó/záró szálakon ?
(#) Inhouse válasza pisti1968 hozzászólására (») Nov 10, 2020 /
 
Melyiken? A 98031-es relén? Vagy a Piranha riasztón?
Amikor még jó volt, biztosan kapott +12V-ot a + jelű pontra. Ez vagy nem lett visszadugva, vagy az ufók működtették utána.
A relét be kell kötni a rajz szerint (ehhez már több és megbízhatóbb leírás van, mint a riasztóhoz). Testet kell kapcsolni felváltva a 2-3 pontra és nyitni/zárnia kell, nem tudom, melyik, melyik. Elég egy 5 vezetékes motor a próbára, meg a test, meg +12V. Ha a motort mozgatod, érezned kell, hogy átbillen és azt is húzza, vagy tolja.
A riasztónál csak az XLS fájlból lehet kiindulni. Abból az nem látszik, hogy relés-e a kimenet, vagy tranzisztoros. De, pl. egy LED-del (előtét ellenállással), vagy egy kis autós izzóval kipróbálható. Az egyik vége +12V, a másik valamelyik kimenetre, ha kapcsol, akkor fel fog villanni.
A hozzászólás módosítva: Nov 10, 2020
(#) pisti1968 válasza Inhouse hozzászólására (») Nov 10, 2020 /
 
Rendben értem, és nagyon köszönöm a segítséget !
(#) Inhouse válasza pisti1968 hozzászólására (») Nov 10, 2020 /
 
Ha izzóval tesztelsz, akkor max 12V 1,2W-osat használj (rizsszem izzó)! Vagy inkább LED-eset.
(#) pisti1968 válasza Inhouse hozzászólására (») Nov 10, 2020 /
 
Újból megnéztem a relé + csatlakozónak nincs-e lecsúszott vezetéke ,de nem találtam és emlékezetem szerint nem is volt rajta, bármilyen hihetetlen de ez 100%-ék. Nekem az 5 vezetékes központizár színek piros, kék, szürke, fehér, lila. A relén így voltak test jel=testelve 1M= csatlakozására volt kötve 4 szál kék vezeték, a 2M= csatlakozóra 4 szál szürke vezeték, 2= lila, 3= fehér.
(#) Inhouse válasza pisti1968 hozzászólására (») Nov 10, 2020 /
 
A színek nem az univerzális szerintiek. Én nem tudom, hogyan működhetett volna, ha a motorok nem kaphattak +12V-ot. A kp zár vezérlés úgy működik, hogy van két relé 2 váltó érintkezővel. Mindkettő NO +12V, a NC test. A COM-ok közé vannak kötve a motorok, alapból testen mindkét kivezetés. Ha az egyik relé húz meg, egyik irányban, a ha a másik irányban indulnak a motorok a fordított polaritás miatt.
(#) pisti1968 válasza Inhouse hozzászólására (») Nov 11, 2020 /
 
Én teljes mértékben hiszek neked, mert látom nem kezdő vagy a szakmában. Először megpróbálom kideríteni, hogy maga a riasztó működőképes-e.
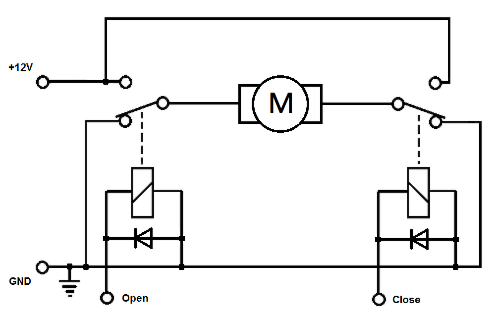
(#) Inhouse válasza pisti1968 hozzászólására (») Nov 11, 2020 / 1
 
Így néz ki a relés vezérlés. Az elektronika annyit tesz hozzá, hogy impulzust ad csak a relékre, éppen amelyikre kell. Valamint a motorokban levő mikrokapcsoló által adott pozíció alapján kezeli ezt.
Ha egy ilyen kapcsolás nem kap pluszt, nem tud motort vezérelni, mert a motorok nem fognak működni. Hacsak nincs még közte és a motorok között még valami (feleslegesen).

kpzár.png
    
(#) pisti1968 válasza Inhouse hozzászólására (») Nov 11, 2020 /
 
Ezek után ha jó tanítványod vagyok ,akkor relé nélkül nem működhet a központi zár. A központizár motor szálai, és a relére bekötött vezetékek ha jól vannak bekötve, akkor még a 2-3 szálakra kell kötni a riasztóból kijövő nyitó-záró szálakat. Jelen esetben nekem a lilára, és a ( barna helyett ) a szürkére. Ezek után már működni fog, vagy van még valami teendő ?
(#) pisti1968 válasza Inhouse hozzászólására (») Nov 11, 2020 /
 
"Hacsak nincs még közte és a motorok között még valami (feleslegesen)."

Emlékszem arra is, hogy voltak áthidalások a vezetékek között,de azt már nem tudom melyik hova.
(#) Inhouse válasza pisti1968 hozzászólására (») Nov 12, 2020 / 1
 
Ennek a relés megoldásnak valahol a motorok előtt léteznie kell. Van ahol ez a riasztóban van, van ahol az autó gyári vezetékes kp zár vezérlőjében, van ahol egy külső relés megoldásban. Aztán ezeket vezérli a távirányítós eszköz. Nem látom értelmét egy külső kp zár vezérlőnek (98031), ha relés (6 szál, 2 váltó érintkező) lenne a riasztó kp zár kimenete, mivel nem működött zárra, gombra. Mondjuk ennek a kp zár vezérlőnek sem volt értelme, ha zárra nem működött, elég lett volna 2 normál 5 lábú autós relé.
A közte és a motorok között levő valaminél egy újabb eszközre gondoltam, nem átkötésekre.
1. Nem tudjuk pontosan milyen kimenete is van a riasztódnak. Egyedül arra a házi XLS-re támaszkodhatunk. Azt sem tudom, hogy ellenőrizted-e, hogy 100%-ban egyezik-e a tieddel? Vannak-e nem jelölt vezetékek? Esetleg belenézhetnél, hogy a kp zár vezérlő kimeneti szálak milyen alkatrészre mennek a panelen, de mintha ezt már írtam volna.
2. Én nem látom, ez hogyan is volt kötve, hogyan működött. Az biztos, hogy nem működhetett úgy, ahogy most vázolva van, valami nem stimmel...mint ahogy nem is működik még.
3. Legalább a LED-es, vagy kis izzós próbát csináld már meg, hogy lássuk testet kapcsol-e felváltva a 2 vezérlő kimeneten a riasztó!
(#) pisti1968 válasza Inhouse hozzászólására (») Nov 12, 2020 /
 
Nagyon köszönöm a segítségedet ! Tudom nehéz idegfeszítő feladat, így egy hozzáértőnek magyarázni a dolgokat, egy mondhatni tanulónak. Én is így vagyok ezzel, amikor egy 2 vagy 4 ütemű motor működését ( főleg a szelepvezérlést ) próbálom elmagyarázni, egy laikusnak. Az XLS nem 100%-ban egyezik a riasztóval, igen vannak nem jelölt vezetékek.
(#) Inhouse válasza pisti1968 hozzászólására (») Nov 12, 2020 /
 
Akkor az sajnos nem vehető biztosra. Fura, hogy a Piranha beszerelői leírások ennyire ritkák.
(#) pisti1968 válasza Inhouse hozzászólására (») Nov 12, 2020 /
 
Itt látható az eltérés az XLS ábra, és a riasztó vezetékei között ami hasonlít, de nem pont ugyanaz. Arra biztosan emlékszem ,hogy a nyíllal jelzett két vezeték ( lila-sárga/kék ) össze volt forrasztva.

Névtelen.jpg
    
(#) pisti1968 válasza Inhouse hozzászólására (») Nov 12, 2020 /
 
Ezen a képen amit küldtél ott világos, hogy a lila és a szürke összekötődik, és negatív vagy pozitív kapcsolást kap. Ha jól látom ?
(#) Inhouse válasza pisti1968 hozzászólására (») Nov 12, 2020 /
 
A bekarikázott szerintem inkább lila, mint kék. A kék a másik csatlakozóban a 7. a zöld és a barna között. Írd már le a színeket a képre, mert soknál nem egyértelmű, illetve csak az egyik látszik a kétszínűből. Lehet, hogy mégis egyezik az én rajzommal?
Az én rajzomon ott a 2 relé 2 váltója, 6 vezeték, balról jobbra: NO1, NO2, NC1, NC2, COM1, COM2
A lila, de a kék összekötése a lila-sárgával eléggé értelmetlen lenne, eszerint a rajz szerint.

Idézet:
„Ezen a képen amit küldtél ott világos, hogy a lila és a szürke összekötődik, és negatív vagy pozitív kapcsolást kap.”
Ennél a bekötésnél nem a motorokat vezérli közvetlenül, hanem egy negatív, vagy pozitív élre induló kp zár vezérlőt. A 2 COM szálat köti össze ezekkel, így a 2 NO szálon felváltva jelenik meg impulzusként (nyitás/zárás), ami rá lett kötve.
A hozzászólás módosítva: Nov 12, 2020
(#) pisti1968 válasza Inhouse hozzászólására (») Nov 12, 2020 /
 
10 pólusú csatlakozó: 1: Árnyékolt Fehér, 2:Sárga/Fekete, 3:Sárga/Kék, 4:Szürke, 5:Narancs, 6:Fehér, 7:Sárga/Piros,8: Sárga/szürke, 9:Lila, 10:Árnyékolt Piros

12 pólusú csatlakozó: 1: Piros/fekete, 2:Sárga, 3iros/fekete,4: Sárga,5: Zöld, 6:Zöld, 7:Kék, 8:Barna,9: Fehér/Világos Kék,10: Fekete, 11:Fehér/Világos kék, 12:Zöld/Sárga

Ami 100%-ék biztos,hogy a 10 pólusú csatlakozónál: Sárga/Fekete= Záró, Sárga/Piros= nyitó, Sárga/Kék és a Lila össze forrasztva.

A 12 pólusú csatlakozónál: Piros/Fekete 12V, Sárgák az irányjelzőre, Zöldek a gyújtótrafó, Kék =sehova, Barna= sehova, Fehér/Kék= sziréna Fekete=test, Fehér/Kék=test Zöld/Sárga=sehova
Következő: »»   157 / 168
Bejelentkezés

Belépés

Hirdetés
XDT.hu
Az oldalon sütiket használunk a helyes működéshez. Bővebb információt az adatvédelmi szabályzatban olvashatsz. Megértettem