Fórum témák
» Több friss téma |
Nekem STK500 van, a tavir.hu-n rendeltem vagy két éve. Kifogástalanul működik AVR Studio-val.
Az a jó az STK500-ban is, hogy régebben rágugliztam és majdnem annyiféle kapcsolást találtam ugyanezen a néven ahány oldalt megnyitottam, de legalább 3-4 félét biztos, amik között több apróbb eltérés is volt. Úgy vagyok vele hogy ha már így felidegesített ez az eléggé káoszra emlékeztető téma, akkor inkább építenék egyet mintsem vennék. Csak hogy továbbra se legyen annyira egyszerű a dolog...
Sziasztok! Tudom, hogy ez már off de én mióta ATMEL procikat használok (elég ritkán, de pl. az alkatrész teszterhez kellett) ezeket alkalmazom. Eddig minden problémát sikerült megoldani, illetve minden általam használt procit sikerült programozni. Hozzáteszem inkább PIC-es vagyok. A fusebit doctor gondolom egyértelmű, a másik meg egy USB ASP.
A hozzászólás módosítva: Nov 27, 2015
Az USB ASP Neked felismeri a Mega328-at ?
A hozzászólás módosítva: Nov 27, 2015
És az milyen és honnét? Csak azért kérdem mert ha pl. beírom az ebay keresőjébe hogy USBASP, akkor elindul 235Ft-tól, és tart a végtelenségig oldalakon keresztül. A legtöbbről semmi infó, amelyiknél meg fel vannak sorolva az égethető AVR-ek ott a 328 pont nincs a listában.
Aukciós oldalon vettem, de most is fent van (legalábbis legutóbb mikor ránéztem fent volt). Ez itt nem a reklám helye, de ha megkeresel privátban elküldöm az eladó elérhetőségét.
Igen, a 328 nem szerepel a listában, de kis trükkel beletehető. Én a NET-ről szedtem le hogy hogyan.
Köszönöm a segitséget,mihelyt lesz egy kis időm,felprogramozok egy atmega8 -as procit és kipróbálom a fusebit doctort.Majd jelentem hogy mire jutottam.
Üdv.
Sziasztok!
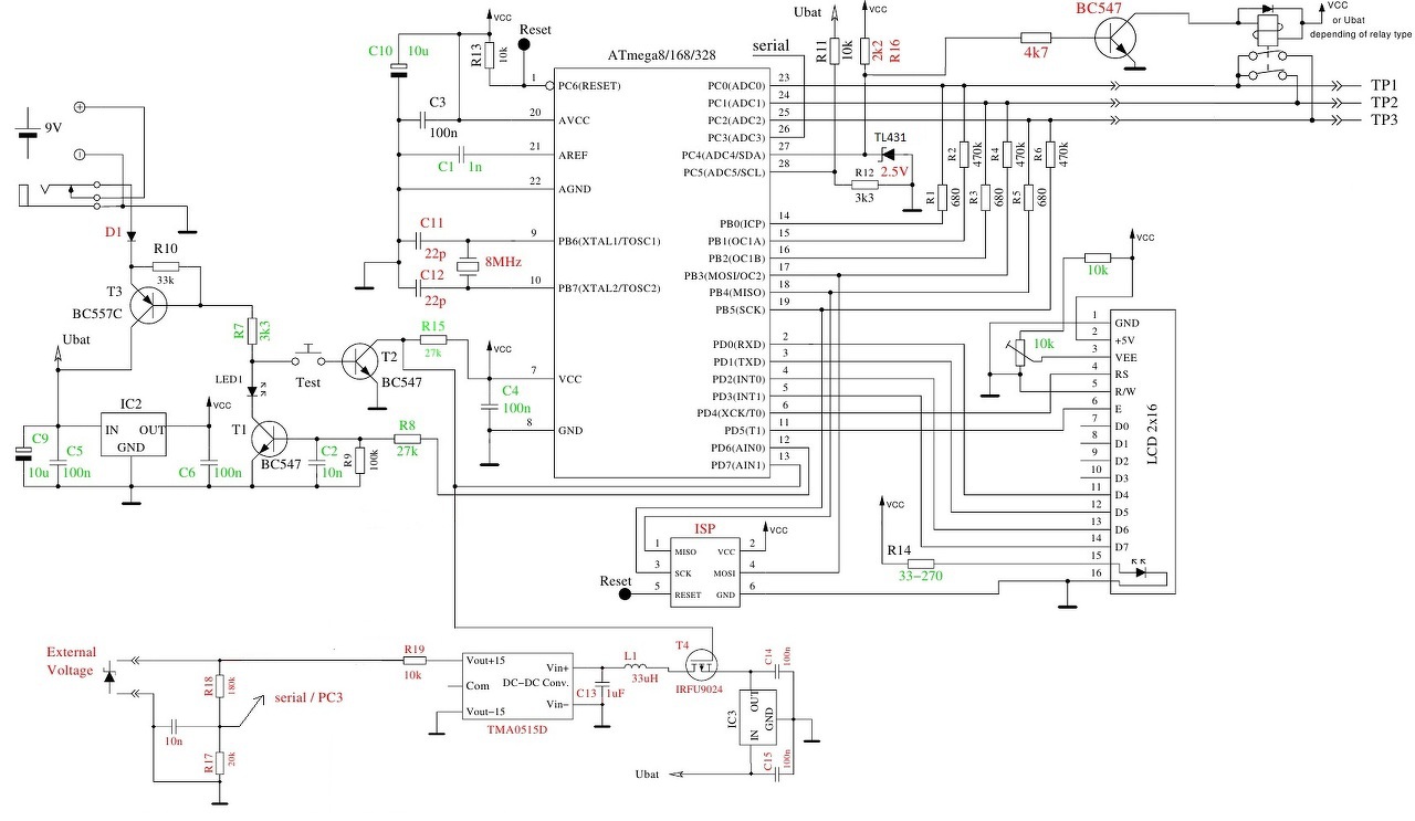
Ezt a kapcsolást szeretném megépíteni, de nem találtam hozzá nyáktervet. Létezik itt az oldalon? Köszi A hozzászólás módosítva: Dec 1, 2015
Van nagyon sok,használd a keresőt vagy olvass vissza jó pár oldalt.
Nem ajánlom! Én is ilyennel kezdtem és megfizettem a tanulópénzt. Bár a listájában volt a 328, de gondjai voltak a felismeréssel, az in-circuit programozással és az Arduino Software egyáltalán nem ismerte fel az égetőt.
Végül az "avrcircuit" AVR-ISP égetőjét választottam, amivel azóta is gond nélkül dolgozom.
Előbb utóbb kell majd valami, de hogy melyik?
Most megnézegettem nagyjából ezt az LPT-s szenvedményt, az összes funkció működik benne csak nem jól. Két dolog működik benne hibátlanul, a feszmérés és a pwm generátor, utóbbinál annyi a kitöltés amennyit kiír. A kondimérés egy nagyságrendet csal, ellenállást néhányszor 10k-ig jól mér, felette szakadásnak mutatja, a generátor kiírja hogy 2MHz-en megy közbe 300kHz körül, stb. Megmértem az oszcit, néhány Hz-et tér el a 8 megától, szóval a program ment bele rosszul ahogy az elején is látszott.Utólag mégiscsak csináltam egy konvertert bele, hogy elég legyen 1db lion cella tápnak. Az aktuális akkufeszt meg meg tudja mérni a műszer saját magának, csak a mérőpontra kell kapcsolni egy nyomógombbal.
Az biztos, hogy nem fogsz tudni tovább lépni egy megbízható programozó nélkül....
Mindenki a saját "lovát" dicséri, én továbbra is tartom a véleményem. Azt csak úgy nagyon halkan kérdezem, hogy ugye a panel teljesen tiszta, többször átmosott, gyantamentes ? A hozzászólás módosítva: Dec 2, 2015
Jogos, amit írsz és nem dicsérem a saját "lovamat". Biztos, hogy kissé macerás az általam használt programozó, de mint írtam én inkább PIC-el foglalkozom és ez volt a legolcsóbb AVR-es piacon, ugyanakkor megtanultam a nyűgjeit és ha nagy ritkán kell, nekem megfelel.
Ezek jó hírek! Egy dolog lehet még hibás, a fuse biteknél a 8-cal való osztás be lehet kapcsolva. Ha be tudod olvasni a fuse biteket, akkor megmondom, hogy be van-e kapcsolva. Ilyenkor a 8MHz-es kristályból készít 1MHz-es órajelet. Ezért lehet jó a fesz. mérés, és a kitöltési tényező, mert azoknak nem sok köze van a rendszer órajeléhez!
Programozóból én inkább drágábbat ajánlanék (Zombee-tól vehető), ha megunod az AVR-t, biztosan el tudod adni jó pénzért, vagy rokonságba elajándékozni, stb. Míg ezeket a néhány 100Ft-os égetőket nem (jó, nem nagy veszteség), plusz nehezebb is bekonfigurálni őket, sokan panaszkodnak rá.
Nem hiszem el. Működik.
Az volt a baj, hogy a javasolt fuse bit beállítások mellett alapból bekapcsolja a ckdiv8-at, bár szerintem annak csak belső órajelnél van jelentősége külsőnél nincs. Végső elkeseredésemben átállítottam a külső kvarcot belső oszcira, és kivettem a pipát a ckdiv8 mellől. Nem írt hibát az ellenőrzés után, és már az indulásnál látszott hogy meg van táltosodva a szoftver. Lefuttattam az öntesztet, kipróbáltam minden funkciót, néztem vele tranyót, fetet, diódát, kondit, mértem feszt, stb. A freki generátor ahogy néztem 1%-on belül van a szkópomon kiírthoz képest, szóval minden klappol. Mintha az ESR mérésnél lenne olyan 10% hiba, de ez nem érdekel mert azt úgysem használom, arra ott az analóg. Az mindenesetre tanulságos volt hogy ha az STK200-al írtam akkor maradt benne hiba, mindig hozzárakott 100µF-ot a kondik értékéhez, meg a nagy értékű ellenállást is kondinak mérte. A 4db ellenállásos módszer viszont jó lett. Köszönöm mindenkinek a segítséget, morgo-nak külön köszönet a privát segítségért és a hex-ért.
Gratula
Az. Ha nem folyna az orrom meg nem kaparna a torkom akkor még vidámabb lenne.
Köszi. Korai volt az öröm mert csak az egyik jó, a másik szerintem megelégelte a sok próbálkozást. Azon is működik minden, meg pontos is, de az 1-es mérőponttal nem akar 2µF alatt kondit mérni. Mondjuk az önteszt kondi része sem úgy fut le rajta mint a másikon, hogy elkéri a 100 nanót és villog vele néhányat. Ez amikor ráteszem önteszt közben a 100 nanót akkor épphogy kivillan hogy 98nF és már lép is tovább, majd amikor végzett a teszttel és elkezd mérni akkor kiírja a 100 nanóra hogy 330uF.
![]() Ha megmérem a 100 nanót a 2-3 között akkor ott 100nF, de ha az 1-3 között vagy az 1-2 között akkor vagy nincs alkatrész, vagy 2-300µF-nak méri. Elindultam az 1-3 között 6800µF-tól lefele, mérte mindet pontosan 2,2µF-ig. Az 1µF-ot már újra 2,2µF-nak, majd attól lefele káosz. Az a fura hogy egyébként minden funkció jó, az oszci néhány Hz híján 8MHz-en megy, a generátora pontos, az alkatrészek mérése is csak ez a hiba érdekes...
Bevallom, hogy nincs ötletem, hátha majd mások...Bocs, de a panel tisztaságára nem reagáltál...tiszta ???
Nálam akkor volt ilyen bizonytalan a mérés, amikor még gyantamaradványok voltak rajta. Nézd át még egyszer (századszorra is...) a panelt, főleg a mérőpontokhoz kapcsolódó részeket. A másik, hogy vissza tudod olvasni a hex-et és össze tudod hasonlítani a beégetendővel ?
Szia! Próbáltad a jó panel mikrokontrollerét áttenni a rosszul működő panelba? (persze ha DIP tokos csak akkor lehetséges). Szerintem az 1-es tesztlábhoz tartozó port hibás.
Nincs kedvem áttenni mert be vannak forrasztva (nem szándékoztam onnan soha az életben kivenni, ezért nem vettem hozzá foglalatot). Ha hibás lenne a port akkor mást sem mérne, de ellenállást, félvezetőt mér, illetve a kondit is 2,2µF felett, csak alatta nem.
Viszont emlékeimben fura adatok jöttek elő amiket az önteszt közben kiírt, ezért megnéztem a 2,5V-os referenciát. Mindkettőben halott (tudván hogy hol vettem ez már meg sem lep), abban is amelyik hibátlanul működik. A referencia fesz 50mV körül van mindkettőn, tehát bármihez is használja működik anélkül is (hacsak nincs a láb ilyenkor belül a földre húzva). Amikor összeraktam őket akkor megmértem, mindegyiken megvolt a 2,5V, menet közben haltak meg (ha meghaltak), nem bírták azt a kemény 1,1mA-es terhelést. A bemeneteket megnéztem, a mérőkaromtól az AVR lábakig szépen mérhetőek a 470k-k és a 680ohmok is mindkettőn ugyanúgy.Szerintem az lesz hogy szétbontom az egészet, és tervezek nekik normális nyákot (ahogy már az elején kellett volna), aminél nem megy át húszezer vonal az SMD-k alatt, meg amibe bele tudok tenni egy lábas TL431-et.
Úgy látszik hogy ez is olyan mint én, jót tesz neki az éjszakai alvás.
Hozzá sem nyúltam csak ma bekapcsoltam és most ez is jó. ![]() A generátor 2MHz-e csak 30Hz-el tér el ami nagyon jó, bár azt nem tudom hogy a szkóp frekimérője mennyire pontos.
Gratulálok.
Végső soron ez egy roppant egyszerű áramkör, de a NYÁK jósága alapfeltétel a jó működéshez. Én 3db-ot csináltam eddig, ebből egyet elajándékoztam (az ATMEGA 8-as volt), egy most is használatban van, egy meg tartalék (utóbbi 2db ATMEGA 328). Amit én tapasztaltam, hogy ellenállás és kondenzátor mérésnél elég pontos, de nagyobb (Henri értékű) induktivitás mérésnél pontatlan, sőt egészen vad értékeket is tud mérni. Az összehasonlítási alapom egy UNI-T UT50D gyári műszer.
Az enyém is kifogástalanul működik ATMEGA 328-al. Én még kiegészítettem frekvenciaméréssel 1GHz-ig.
Azért arra még rá kellene fejleszteni, hogy reggel a kávét is behozza az ágyba.
Itt sem a nyákokkal volt a gond, hanem normális égető meg tapasztalat híján annyit gyötörtem (írtam, majd töröltem és újraírtam) hogy megelégelte. Induktivitásmérésre nem az igazi arra ott az LCM, bár ez is kiírja a kilencvenvalahány uH-re hogy 0,09mH.
Nekem a kiegészítők közül csak a zener mérés lesz pluszban, egy 34063-as DC-DC konverterrel, amiből kettő van a másik a 3,7V-os lion-ból csinál neki 9V-os tápot. Egy régi mega8-as van még nekem is, de ha sikerül törölni meg írni akkor lesz belőle egy STK500. Olyan lendületbe jöttem hogy az LCM2-met is felújítom, csak fogalmam sincs mivel mérjem meg a bele való pontos induktivitást. Bontottam egy I magos tekercset, valahol 80-100uH körül lehet. Az LCM2-mel mérve 98uH, egy LCM3-al mérve 103uH, ha rezonanciába hozom egy ismert értékű kondival és a digit szkópon nézem az amplitúdót (2 ujjas vobler ) akkor 88uH. |
Bejelentkezés
Hirdetés |






Most megnézegettem nagyjából ezt az LPT-s szenvedményt, az összes funkció működik benne csak nem jól. Két dolog működik benne hibátlanul, a feszmérés és a pwm generátor, utóbbinál annyi a kitöltés amennyit kiír. A kondimérés egy nagyságrendet csal, ellenállást néhányszor 10k-ig jól mér, felette szakadásnak mutatja, a generátor kiírja hogy 2MHz-en megy közbe 300kHz körül, stb. Megmértem az oszcit, néhány Hz-et tér el a 8 megától, szóval a program ment bele rosszul ahogy az elején is látszott.
Mindenki a saját "lovát" dicséri, én továbbra is tartom a véleményem. Azt csak úgy nagyon halkan kérdezem, hogy ugye a panel teljesen tiszta, többször átmosott, gyantamentes ? 
Az volt a baj, hogy a javasolt fuse bit beállítások mellett alapból bekapcsolja a ckdiv8-at, bár szerintem annak csak belső órajelnél van jelentősége külsőnél nincs. Végső elkeseredésemben átállítottam a külső kvarcot belső oszcira, és kivettem a pipát a ckdiv8 mellől. Nem írt hibát az ellenőrzés után, és már az indulásnál látszott hogy meg van táltosodva a szoftver.
A referencia fesz 50mV körül van mindkettőn, tehát bármihez is használja működik anélkül is (hacsak nincs a láb ilyenkor belül a földre húzva). Amikor összeraktam őket akkor megmértem, mindegyiken megvolt a 2,5V, menet közben haltak meg (ha meghaltak), nem bírták azt a kemény 1,1mA-es terhelést. 

Végső soron ez egy roppant egyszerű áramkör, de a NYÁK jósága alapfeltétel a jó működéshez. Én 3db-ot csináltam eddig, ebből egyet elajándékoztam (az ATMEGA 8-as volt), egy most is használatban van, egy meg tartalék (utóbbi 2db ATMEGA 328). Amit én tapasztaltam, hogy ellenállás és kondenzátor mérésnél elég pontos, de nagyobb (Henri értékű) induktivitás mérésnél pontatlan, sőt egészen vad értékeket is tud mérni. Az összehasonlítási alapom egy
Nekem a kiegészítők közül csak a zener mérés lesz pluszban, egy 34063-as DC-DC konverterrel, amiből kettő van a másik a 3,7V-os lion-ból csinál neki 9V-os tápot.





