Fórum témák
» Több friss téma |
WinAVR / GCC alapszabályok: 1. Ha ISR-ben használsz globális változót, az legyen "volatile" 2. Soha ne érjen véget a main() függvény 3. UART/USART hibák 99,9% a rossz órajel miatt van 4. Kerüld el a -O0 optimalizációs beállítást minden áron 5. Ha nem jó a _delay időzítése, akkor túllépted a 65ms-et, vagy rossz az optimalizációs beállítás 6. Ha a PORTC-n nem működik valami, kapcsold ki a JTAG-et Bővebben: AVR-libc FAQ
Sziasztok.
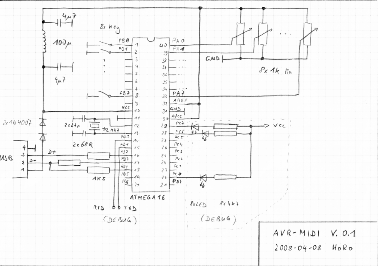
Egy USB-midi controllert építenék.(Erről az oldalról) A bal képen lévő áramkört építeném ami a jobb oldali-nak a debug része nélkül épűl fel. A kérdésem: Mivel a debug része nem érdekel, (nem is értek hozzá) meg lehet oldani hogy azok a portok is fel legyenek használva, mondjuk potméterekhez?(persze a programban átírva) Köszi előre is. Szép napot.
Nem!
Sajnos ADC csak az PORT.A van kiépítve. A többi portok csak digitális I/O ként használhatók.
További ADC csatornákat pl. ilyen bővítőkkel tudsz kiépíteni:
ADC128D818 12-Bit, 8-Channel
Nem értem, hogy akkor most 16 vagy 32 pozíció kellene neked, de ha elég 16, akkor ilyesmi nem lenne jó?
Bővebben: Link Nem tudom persze mechanikailag mennyire masszív (mennyi a mechanikus élettartama). Nekem egy hasonló volt egy szerkezetben, működött vagy 10 évig, de azt nem sűrűn kapcsolgatták.
2db ilyennel már akár 16*16 pozíciót is be állíthatsz!
Értem és köszi.
Sajnos ez a belépő projektem AVR-rel, és esélyem sem lenne olyanra felprogramozni hogy kezeljen matrixokat, vagy bővítőket. Sőt a kapcsoláshoz is biztos lennének kérdéseim.(talán évek múlva). Akkor a Port C-t, ha úgy állítom be mint a port B-t(Ctrl+C meg Ctrl +V majdnem) akkor oda rakhatok gombokat, igaz?
vagyis... hát.. hogyismondjam, miután újranéztem a pinout-ot, lehet hogy kezdek hülyeségeket írni.
..egyszer még magamévá teszem.
Látom, erről a projectről van szó:
MIDI vezérlő AVR-el (V-USB-MIDI) Igen a PORTC még szabad. Tehetsz rá gombokat. A programot kevéssel kel bővíteni, ebben még itt is segítünk. 2 jó tanács a gombokkal párhuzamosan rakjál 100n kerámia kondikat. Ez csökkenti a Prelezést! És a VCC – GND közé is kel a 100n kerámia! (Ezeket a kezdők szeretik le spórolni!) És az eredeti kapcsoláson levő 4,7µF 100uH 4,7µF AVCC – AREF Szűrést is beépíteném. A hozzászólás módosítva: Jan 27, 2015
Szerintem ez túlzás. Az AVR-ben 1 ADC van, azért tudsz 8 csatornát kezelni, mert belső analóg multiplexere is van.
Egy pár 8 csatornás analóg multiplexerrel (HCF4051BE) simán képes vagy 8x8=64 potmétert is kiolvasni. Csak győzzed megjegyezni, hogy melyik mit csinál.
Volt ott egy „pl.” = Például megjegyzés!
Ez nem zárta ki további lehetőségeket! Ha van javaslatod, akkor Mucsa-nak segíts!
Ez sajnos nem jo, ez nem bir ki semmit - már probáltam - 10x körbetekered és meghal.
És a forgatógombnak muszáj skála? Tehát hogy mutassa, most épp hol áll a motor? Ezt csak azért kérdem, mert ha csak kamerát forgatsz jobbra-balra akkor teljesen mindegy hol áll az enkóder, azt csak tekered. Mint a mai hifi-k tekerői. Persze azt a kontroller mindig tudja hol áll a motor.
Muszáj, mert pontosan ott van a lényeg, hogy be vannak állitva bizonyos poziciok, ahova forditani kell a kart, amin kamera (stb) van, és ezt kell gyakran ismételni, anélkül, hogy a kezelö okvetlenül látná a kar mozgását vagy a kamera képét. Ö csak kaphatja a jelzést, mondjuk menj a 12. poziciora és kész.
(Ha kevés ilyen pozicio van akkor a nyomogombos megoldás tökéletes, ha sok van az ember elgondolkodik (mint most én), hogy másként is lehetne.). Közben már találtam egy 32 polusu enkodert, kiváncsi leszek mibe kerül (BGE20-32).
Helló.
Hűha ez a 64 poti nagy távlatokat nyitott elém, de egyelőre nem ugrok egyből a mélyvízbe. Hirtelen az is eszembe jutott hogy akkor másik AVR-t használni ....majd. Köszi a segítséget, ha kéznél lesz mindenem(mostanában rendeltem) akkor szépen kikísérletezem a C portos gombokkal való bővítést. Köszi a tanácsokat is,megfogadom.
Ha már beszerzésnél tartasz?
Ezt is ajánlom az AREF szűrésére: INDUCTOR, SHIELDED, 100UH + pár tantál 20V 4.7uF, 100n elkót is keres. A hozzászólás módosítva: Jan 28, 2015
Igen, erre gondoltam hogy a tanácsokat megfogadom, berakom a lespórolt alkatrészeket.
A tekercsnek meg EZT néztem ki, igaz nem olyan előkelő mint amit linkeltél, de remélem megteszi, mivel elvileg nélküle is megy, nameg a lényeg hogy amit lehet a helyi boltban venném meg. Köszi, hogy itt elég sok útravalót kapok.
Szia!
És ha az enkóder mellé 2*7szegmensen kiírod a pozíciót, amit egy gombal tudsz elküldeni?
Ez a jelenlegi állapot, de még mindig gondolkodni kell, hogy mikor hova (számra) tekerje. Ha a korábbi példánál maradunk akkor könnyü a 12. poziciora menni, de már nem olyan könnyü ( ha nincs leirva vagy nem diktálja valaki) pl egy ilyen szekvenst rendszeresen és gyorsan végigcsinálni:
8-12-11-3 stb. A kezelö azt szeretné, hogy a pulton megjejölje a poziciokat az adott feladathoz, és utánna csak ezek között forgassa a szerkezetet. Azt hiszem, ha nem lesz 32 polusu enkoder, akkor maradok a nyomogomboknál. Kb. Igy kellene kinézni: panel
Ne viccelj már!
Meg akarod duplázni a párhuzamosan kapcsolt Pot méterek számát! És azt 370mA –rel akarod meghajtani? Akkor inkább felejtsd el a tekercset a szűrőkörből! Első Játéknak jó lesz, még az sem biztos, hogy az USB-s táplálás bírni fogja? Milyen Potikat vettél 1K? Ha párhuzamosan 1K/16db=0.062K + AVR =??A
Hoppácska. Erre nem gondoltam. Jaj de jó hogy szóltál előre.
Tehát akkor a gomb/potira ne rakjak semmit, és az Aref,VCC, avcc körre sem, ha jól értem. Végülis ezek nélkül is működőképesnek írták akik megépítették. Potikat még nem vettem, de 1K-ra gondoltam. Köszi.
Ha bele törődsz a kb. 10%-os ADC mérés hibahatárba akkor ne szenvedj szűréssel!
(Tulajdonképpen csak rontanál a tápfesz stabilitásán azokkal a kicsi 370mA-es tekercsekkel!) Én inkább átpasszollak (nehéz eset vagy!), itt van 1 szintén kezdő gyerek Analóg Fesz mérés témában: Hőmérséklet mérés Beszéld meg vele a tapasztalatait!(Miért is küzd 1C°-os mérés hibával?) ![]() (Csak szerintem a hang technikában nem kedvelik a zajforrások beszűrődését! (pl.50Hz brumm?) A hozzászólás módosítva: Jan 29, 2015
Rendben köszi. Hirtelen elégnek tűnik ennyi útravaló, és ha lesz konkrét elakadásom, akkor kérdezek.
Ez a kontroller, igazából nem hangtechnika(csak ahhoz van használva). Ez csak egy usb-s eszköz, amin ha eltekerek 1 potit akkor az tekeredik a zeneprogramban. Zay ilyen értelemben nem zavar, ami zavarna az a késés lenne, meg a pontatlanság, de erről nincs infóm egyelőre. Köszi mindenkinek a segítséget. Szép napot!
Hacsak nem az építés öröme miatt csinálod,minimális plusz költséggel ennél sokkal komolyabb eszközöket tudsz venni:
Bővebben: Link
Köszi a tippet. Tényleg olcsók a cuccok ott.
Természetesen az építés öröme miatt csinálom és mint bevezető az AVR világába.
Itt 1 jobban kidolgozott MIDI project:
MIDI DJ CJ CONTROLLER 2.0 USB
Kérdeztem a léptetömotoros topikon, de lehet, hogy itt kellett volna. Az Atmelnek vannak standard rutinjai a léptetömotorok vezérlésére - fokozatos gyorsulás meg lassulás. Sajnos csak a számomra érthetetlen C verzio van meg. Hátha van valakinek ilyesmi ASM-ben? Egyelöre még nem kell, de jo volna egy kicsit tanulmányozni, hátha egyszer majd kell.
Aaron Garber-neki voltak jó motoros programjai asm-ben a neten.Keress rá,hátha még megtalálod.
Bővebben: Link
Kösz ezt ismerem, s gyakran olvasgatom.
Sziasztok!
Hogy tudok egy 16bites számból két 8bitest csinálni? |
Bejelentkezés
Hirdetés |









