Fórum témák
» Több friss téma |
Fórum » CDI gyújtás elektronika Honda xl 500-hoz
Témaindító: super.moto, idő: Márc 3, 2008
Témakörök:
Igy tanul az emberfia.
Gratula a sikerhez!
Szia! A 4 ütemű cdi.zip fájlodhoz volna esetleg egy részletesebb beültetési rajzod? Előre is köszönet
Nagyon megköszönném, ha meg volna jelölve, hogy mit hova mert egy kicsit sötét vagyok hozzá
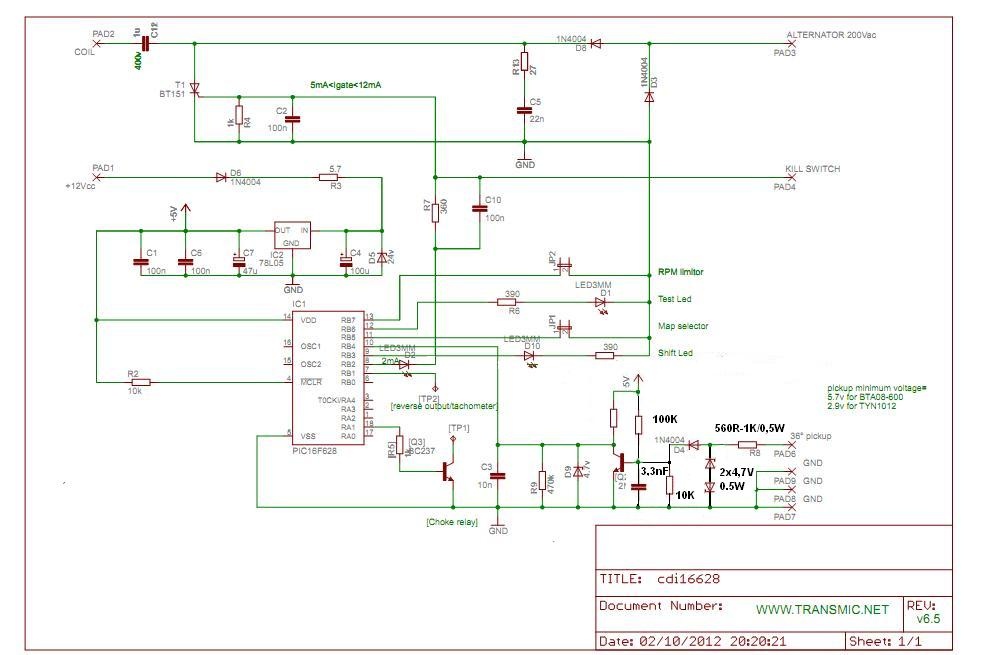
Bocs hogy megkérdezem (lehet hogy volt már emlitve csak nem láttam) ez a kapcsolás honnan ered ? Saját tervezés, vagy ???
Itt találtam a harmadik oldalon. Nyemi szerzeménye. Látszik is rajta, hogy jócskán van hozzá érzéke. De én sajnos nem vagyok ilyen és a beültetésnél elakadtam.
Sziasztok. szeretnék kérni töletek egy CDI bekötési rajzot a generátorrol végig vezetve . köszönöm
hello mindenki!remélem tudvalakisegiteni mert én öszintén hülyevagyok az elektronikai dolgokhoz...akadt egy kis problémám az xl 500-asommal, méghozzá hogy nincs szikra.igy szereztem ugyhogy még kisebb az esélye annak hogy magamtól kitaláljam miis a gond.edig anyit sikerült kideritenem hogy a tekercsekről érkezik áram méghozzá 6 volt.jeladót olvastam hogy valami szkópal kéne nézni de lövésem sincs hogy miis az.esetleg tudja valaki hogy az aksinak van-e szerepe vagy nemkell neki az a kis plussz áram?továbbá szkópon kivül mivel tudnám letesztelni a jeladóm és a cdi dobozom?csak ha lehet közemberek nyelvén fogalmazzatok mert lehet minden válasz csak több kérdést halmozna fel XD.elöreis köszönöm a segitséget!!
Szia!
yamaha sr 125 4T hez jó ez a gyujtás? így nézne ki a gyujtás válaszodat előre is köszi. üdv:Józsi
Üdv, ezt mikrokontrolleres gyújtást szeretném megépíteni a simsonomra az ott található valamelyik kétütemű programmal beégetve. A bajom csak az hogy a jeladónál mért van két tekercs? Két különböző foknál van egy-egy nos akkor az egyik lenne a 36foknál elhelyezendő jeladó a másik meg a 12 foknál? Csak az a bajom hogy nemtudom honnan szerezzek ilyen jeladót vagy hogyan készítsek:S De egyelőre annyival is megelégednék hogy ez a gyújtás működőképes és nem fake-e!
CDI XT600
Szia Janimester
A lényeg a lenkeréken levő ív hosszában rejlik. A kezdete BTDC 36° a vége 12° van. A 36°a PIC érzékeli. A 12°a tirisztort nyitja. De mint tudjuk a Babetta lendkeréken nincs Ív csak egy kis mágnes amin a negatív és pozitív impulzus között csak Kb. 5° különbség van(Nem 24°). Ezért maga a kapcsolás csak korlátozottan alkalmazható. Avagy minden használható impulzus csak a PIC-ket fogja vezérelni az meg a tirisztort. Mert elméletileg a konstruktőr úgy alkottam meg a kapcsolást hogy ha valami gabesz történik a PIC-kel a motor üzemképes maradjon!!! 12° ív vég közvetlenül vezérli a tirisztort. A hozzászólás módosítva: Nov 18, 2012
A lényeg a 12° bemenet nem kell neked. De a babetta eredeti impulzus tekercsét holtpont előtt (BTDC) 36° kell majd állítani.
De ha a PIC megsérül nem lesz gyújtásod. Üdv nyemi
Értem , így már minden tiszta
Építettem egy külön tirisztoros egységet is ami most van a motorba ha netán megadná magát ez akkor csak átdugdosom azzal nem lesz probléma És esetleg a jeladónál láttam hogy ha "rossz" pólus (mármint az elektronika számára mondjuk fordított kell) érkezik előbb a jeladóhoz akkor nem lehet jó a dolog, ez majd nem fog galibát okozni?
De. Pont fordítva kell az impulzus a PIC-nek. A citromsárga vezeték a testre, a fehér a bemenetre(36°-ra).
De ha így építed meg (linkelt rajz) akkor használhatod eredetiben ![]() Citromsárga-bemenet(36°), Fehér-test. Sőt mindenfajta impulzus tekercsre jó kéne legyen. ![]() Üdv nyemi
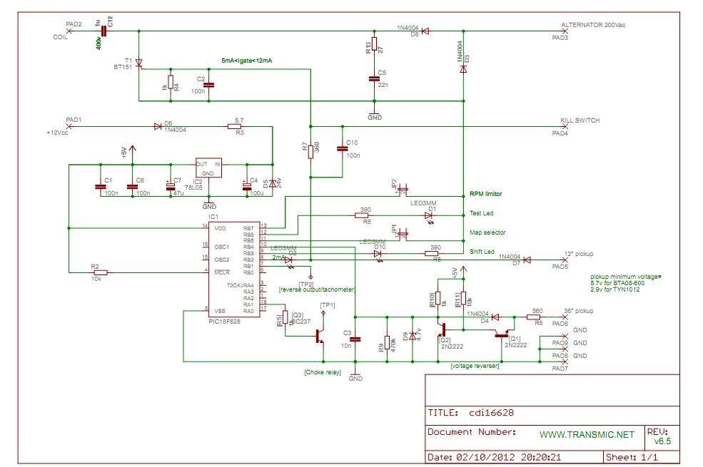
Én ezt szeretném összehozni SR125-höz:
Bővebben: Link Két felfogótekercses ez a moci is. Gondolom menni fog ha csak az egyiket használom, mert a kapcsolás csak egyet kezel. Amit nem értek az az, hogy honnan a 300V AC a generátorról. Van 5letetek?
Értem köszi, egyébként a jeladóm egy kivezetéses tehát a másik fele testelve van :S
hello en is epitettem a honda xl 125 osomhoz cdi gyujtast nagyon egyszeru es ep ezert kevesebb a hiba lehetoseg de ennek ellenere nagyon jol mukodik es univerzalis babettan is ki lett probalva szoval egyarant mukodik 2 es 4 utemu motoron probaljatok ki olcso es jo . esetleg tuning gyujtasnak is megteszi mert nincs benne semmi fele korlat szoval porog amig a motor engedi . jeladokent babettas gyujtas jeladot hasznaltam de barmien mas jelado is megteszi . sok szerencset a megepiteshez
alkatresz lista : S5-leallito gomb D1-BY299 TH1-BT152 C3-400V 1mF (folia,bipolaris) az alkatreszeket egy kis dobozba helyeztem el a tirisztorra egy kis hutot tettem szethuzhato csatlakozo es vegul az egeszet beontottem gyantaval (gyantapisztoj feher rud megy bele) ha kihul a gyanta eleg massziv dolog es vizalo
Csak ég és föld a különbség ez és az között amit én építettem ezt tegyük hozzá
Ez nem szabályoz előgyújtást hanem fix.
igen nem szabalyoz mivel azt a motoron levo jelado magnes mehanizmusa vegzi
nem a legkomplikaltabb de le lett tesztelve es kifogastalanul mukodik neha az egyszerubb jobb itt egy kem a jelado magnesrol rugok vannak benne es a centrifugalis ero hatasara allit elogyujtast
amugy meg nem kerdeztem a velemenyed ugy h nyugodtan tartsd meg magadnak
Sziasztok! Honda mtx 125mociról volna szó. A problémám az vele hogy multiméterrel mértem a jel adó tekercset , már nem emlékszem pontosan az elenálás 200óhm körüli volt. A gyújtótekercs ellenállása 2.4óhm. Cdi ből, van hozzá 2db, de egyikkel sem csinál semmit . A trafót megpróbálom megszikráztatni laposelemmel , avezeték lekötése után ami ugye a cdi-ről él, hátha trafó hibás. Nem tudok elindulni a hibakereséssel . Tud valaki segíteni ? Előre is köszönöm
Szia ! Az általad közölt kapcsolást én egy Honda 125mtx cross gondolnám . Beépíthető?
Idézet: „A trafót megpróbálom megszikráztatni laposelemmel” Meddő gondolat! Meg se nyikkan 4,5 voltról, ha az üzemi feszültsége 200-300 volt! Elég nehéz pár alkatrésszel CDi-t, és a hozzá való trafót tesztelni! Egy oszcilloszkóp jól jöhet ilyen esetben, de gondolom nemigen akad! Mondjuk a működési elv, kapcsolás pontos ismerete sem egy hátrány. Abból már lehet okoskodni, hogy hol, mit, és hogyan kellene mérni! Ne érts félre, de ezt megtanítani én nem akarom neked, mert a kereteimen túlmutat..ráadásul 2 hét múlva megint jönni fog egy új páciens, és kezdhetnénk előröl az egészet! 3 lehetőséged maradt: -cserélgetsz mindent míg jó nem lesz, -megtanulod a működését, és az elektromosságot annyira hogy MÉRNI tudj a hibakereséshez, plusz műszerek beszerzése, -elviszed a vasat egy szerelőhöz... A hozzászólás módosítva: Szept 4, 2016
Idézet: „Meddő gondolat! Meg se nyikkan 4,5 voltról, ha az üzemi feszültsége 200-300 volt!” Ez így igaz. De annyit még hozzá tennék, hogy egy CDI gyújtótrafó primerje tényleg 4-6Voltos feszültségre készült, hogy ha 400 voltos impulzust megkapja nagy áram és mágneses tér alakuljon ki. Hogy miért nem bírod akkor 4,5Voltos elemmel kipróbálni(?). Azért mert a menetszám áttételi aránya azonban kicsi, pontosan 1:50 -1:100 max (MSD!) között változik. Ezért hiába is kötnél rá primer tekercsre 4,5Voltot a szekunderen akkor is csak 400-450Volt jelenne meg. |
Bejelentkezés
Hirdetés |




Gratula a sikerhez! 










