Fórum témák

» Több friss téma
Fórum » CDI gyújtáselektronika
 
Témaindító: rudolf992, idő: Feb 24, 2008
Témakörök:
Lapozás: OK   17 / 17
(#) ujvarla hozzászólása Máj 24, 2025 /
 

KYMCO KXR szikra hiányos

Segítséget kérek! Nincs jártasságom quad szerelésben,de megkértek, hogy be tudnám-e indítani ismerősöm KYMCO KXR 250 motorját. Ránézve hiányzó CDI(?) és gyujtáskulcs várt. Kutakodtam a neten, lett egy CDI, de a vezetékek szinei nem egyeztek. Az indítási próba: gyujtószikra hiány. Lehet, hogy a csatit átkellene rendezni? Valaki tudna ötletet adni- hogyan és merre?
(#) szikorapéter válasza ujvarla hozzászólására (») Máj 25, 2025 /
 
Szia, ez egy quad, kéne milyen erőforrás hajtja, első körben azt kell kideríteni, utána jöhet milyen CDI vagy elektronika megy rá és meglátjuk a többit.
(#) uniman válasza ujvarla hozzászólására (») Máj 25, 2025 / 1
 
Hol a képek a CDI-kről?
SM-je (service manual) elérhető a neten...
A hozzászólás módosítva: Máj 25, 2025

Ignition.JPG
    
(#) ujvarla válasza szikorapéter hozzászólására (») Máj 25, 2025 /
 
Köszönöm, hogy itt vagy! Szevasz. A motor kymco kxr 250-es. Próbálok egy fényképet készíteni a jobb oldaláról, ahonnan a fesszabályzóhoz jön ki a vezeték. Gondolom a színei fontosak.
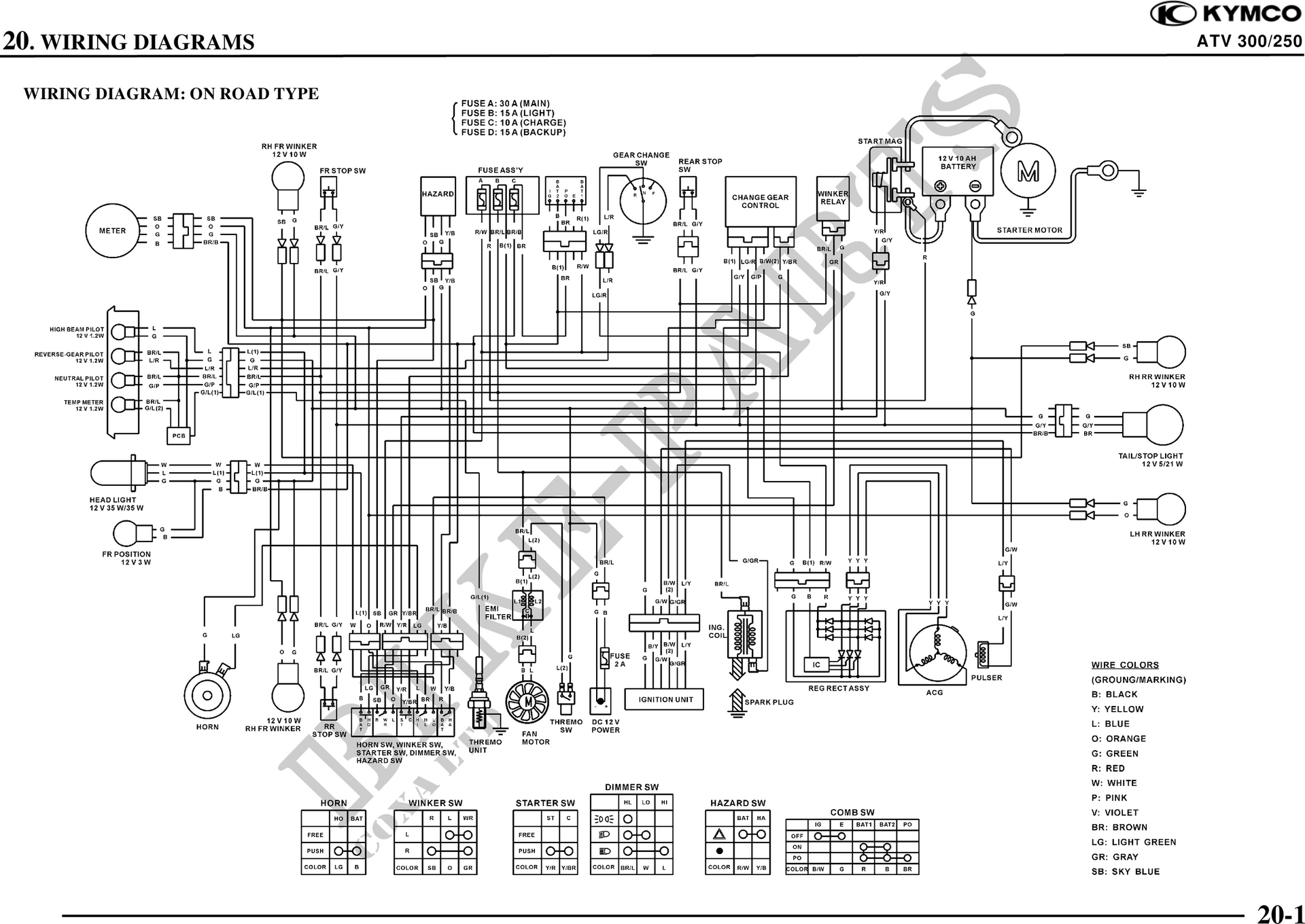
(#) ujvarla válasza uniman hozzászólására (») Máj 25, 2025 /
 
Helló! Köszönöm a képeket. Egész másképpen néz ki, mint amit én szereztem. Nekem ez a kapcsrajz van meg.

0249.png
    
Következő: »»   17 / 17
Bejelentkezés

Belépés

Hirdetés
XDT.hu
Az oldalon sütiket használunk a helyes működéshez. Bővebb információt az adatvédelmi szabályzatban olvashatsz. Megértettem