Fórum témák
» Több friss téma |
Fórum » Crystal radio - detektoros rádió
Ahogy Pucuka kolléga mondja, a csatolt rezgőkör lehet megoldás, de akkor a hangolás elég nehézkes. Ami nálam bevált: A L2 tekerccsel sorba kötni egy, az L1 tekercsnél nagyobb induktivitású tekercset, meg egy forgókondenzátort, így az antennakör is rezonanciába hozható a vételi frekvencián ekkor az érzékenység, meg a szelektivitás is megjavul. Sajnos, a tekercs induktivitását átlagos amatőr körülmények között csak próbálgatással lehet meghatározni. Annyi biztos, hogy nagyobb kell legyen mint a másik hangolt köré, mivel a forgókondezátorral sorba kapcsolódik az antenna kapacitása.
Láttam olyan megoldást - feltételezem a rezgőkör terhelésének a csökkentése érdekében - hogy a hallgatóval sorba kötnek egy kondenzátorral áthidalt 10-100 kohm értékű ellenállást. Ennek az lehet a filozófiája, hogy a hallgató impedanciája hangfrekvenciákon jóval nagyobb, mint az egyenáramú ellenállása, így az egyenáramú ellenállást megemelik ilyesmi értékre, hogy ne terhelje fölöslegesen a rezgőkört.
Szia!
Ezt én is tapasztaltam, hogy Hosszú hullámon kb 5 helyen lehet fogni a Kossuth adását. Akár detektoros -akár szuper készüléken , de a spektrumanalizátor is mutatja 1 rezgőkör esetén is. persze a diódás fejjel.....? Megnéztem a Miskolci 1116kHz Dankó Rádió Miskolc, 15 kW -----harmonikus lehetőségeit is ...(mivel Miskolci vagyok ) 124kHz en ,159,4 kHz, 223,2kHz n megjelenik.Ha előfeszitett diódás a detektoros. Pedig ezt a 3 t kéne hallani --esetleg --- a 3ik kétséges...-jó terjedés? 153 Radio Antena Satelor Románia, Brassó, Botfalu, 200 kW 225 Polskie Radio Jedynka Lengyelország, Bydgoszcz, Solec Kujawski, 1000 kW 270 ČRo Radiožurnál Csehország, RKS Topolná, 50 kW Nagyon régen az" analóg korszakból " erre nem emlékszem....
Alighanem hosszúhullámon az oszcillátor felharmonikusai keverték ki a kf frekvenciát a miskolci adóval.
Vele nekem is meggyűlt a bajom, itt az Újdiósgyőri Főtér környékén a magamcsinálta aktív vevőantennán (mini whip) durva keresztmodulációt okoz. Másik érdekesség, hogy az autórádióm az a adótoronytól olyan 50-60 m-re a Szinva parton zavarmentesen veszi a solti Kossuth-ot, meg Kassát 702 kHz-en. Elnézést, ha nagyon off voltam.
Szia!
Annyi a probléma ----detektorossal . persze 3 féle dolgot irtam .......
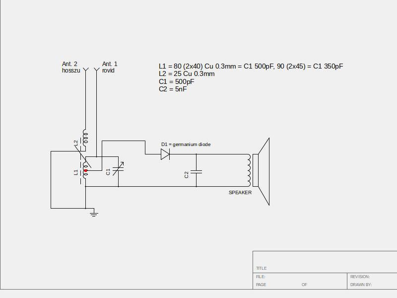
Ma volt egy rokonom és beszélt a detektoros rádióról. "hogy senki sem tudja már mi az" Elővettem a keretantennást, bevittem a konyhába hat szól Pest. Na most ő is akar egyet. Mondtam megcsinálom, 1 gond a dióda, majd kitalálok valamit. 2. a huzal. kb. 40 méter huzal kell. Gondoltam veszek LAN kábelt 5 - 6 m és szétszedem abban 8 ér van és azokat egymás után cinezem. De kérdés jó e lenne úgy vagy nagy lenne a vesztesség? Vagy esetleg valamilyen audiokábelt használjak?
A hozzászólás módosítva: Nov 2, 2019
Szia!
A valódi , kereantenák Litze huzalból készültek. Manapság sima zománcozott tekercselő huzallal láttam ilyet.(mágneskapcsoló tekercs ból ) Működik ezzel is. --meg amit felhoztál az UTP . Arra nincs válasz mennyivel lessz rosszabb ---csak ha össze tudod hasonlitani. Diódának Ge dióda -tranzisztor (MP, AF 106 , stb ) Ha sima fülessel használnád (32 Ohm) --egy hálózati trafó 220/6v-12v vmi kisrádióból. Jó kisérletezést hozzá. !
Valamikor régen ('60-as évek) nem volt litze huzalom, viszont a nagybátyámtól kaptam (rádió, TV szerelő) hibás malomkerék tekercseket (TV nagyfesz). Abban 0,1 mm-es zománcszigetelésű huzal volt. Tízet összetekertem, és megvolt a litze. Ha tudsz szerezni vékony tekercselő huzalt....
Diódát tudnék adni, csak merre laksz? Én Vác közelében.
A meglévőben is van trafó bár 500 ohmos a fejhallgató és nálam is zománcozott huzal van.Régi germánium dióda és jól működik.
A dióda helyére jó lesz Schottky dióda (BAT42) is, bár ez nemigen szokott a fiókban lenni.
A keretantenna jó zománcozott huzalból is, az UTP kábel erei a szigetelés miatt több helyet foglalnak, de az is megfelel. Legalább kisebb lesz az önkapacitása, bár ennek nincs túl nagy jelentősége. Jobb lenne litzéből, de ha nincs, hát nincs, beszerezni sem könnyű.
Hallgatonak piezzo csipogo is jó , persze kell mellé egy parszor 10 kiloohmos ellenállás párhuzamosan.
Valamikori kristály fejhallgató nehéz lenne beszerezni, dinamikus nagy ohmos fülest ugyan így nem könnyű és drága. Tehát legjobb megoldás a piezzo csipogó , kisebb impedanciás füles + "csengő reduktor/egyébb kis táptrafó" illesztőbtrafó se egyszerűbb . Válogatni kell melyik ad ki jobb eredményt , hangosabb jelet ? 24 - 220 voltos KR kis reléből CuZ bontható. Csipogok: ilyesmi: Link ilyesmi2: Link A hozzászólás módosítva: Nov 3, 2019
Ezek csipogók, nem hangszórók(szélessávú)! Egy, rezonáns frekvencián adnak ki csak értékelhető érzékenységet, így közvetlenül használva elég pocsék hangminőséget adnának. Minimum csillapítani kellene mechanikailag, hogy a 3-4kHz éles mechanikai rezonancia eltűnjön, talán úgy használható lehetne...
Régen használtam piezó hangszórót, órából vettem ki és jó volt, most vettem a boltba de nem olyanok egyszerűen nem is olyan hangos nem tudom, kisebb is. Régi telefon dinamikus 250 ohmos hangszórója jobb. Esetleg keretantennásnál egy trafót közbeiktatni amilyenem a jelenlegi is.
Sziasztok!
Miféle rá/behatás kellhet, hogy a detektoros rádió világvevővé váljon? Komolyan! Ma reggel 8 körül v. 30 állomást fogtam KH-n ! Meg talán olyat is aminek nem is kellene ott lennie Szlovén Magyar Rádiót ! ? ? ? De már nem jön csak a Kossuth ..... a szomszédban (a fal tuloldalán ) számitógépes fiatalember lakik. A hozzászólás módosítva: Nov 15, 2019
Most már valószínűleg újra megszólalnak... A középhullám már csak ilyen; nappal sokkal rosszabb a terjedés, mint éjszaka, vagy az esti és reggeli órákban.
Igazi világvevő sosem lesz. Csakis az antenna jelből él, ami kevés, de amikor kezd sötétedni kezd az élet is érdekessé válni, használj hullámcsapdát és ne direkt legyen rákötve az antenna, hanem e induktív módon. Különben működik RH-n is csak a szelektivitása nulla.
Az a rá/behatást úgy hívják, hogy terjedés.
Az esti, és reggeli órákban jobb a terjedés, mert a lemenő/feljövő napsugarai jelentősen befolyásolják a légkör felső régiójának elektromos állapotát, viszonylag könnyen létrejönnek tükröző felületek.
Íme egy rajz a középhullám éjjel és nappal, ez amcsi rajz náluk 50KW az adók.
Sziasztok!
köszi.......de ilyen terjedést --"ennyire erőset " az elmúlt 20 évben nem tapasztaltam .
Ezt detektoroson fogtad vagy világvevőn? Különben megy HH és RH is a detektoros csak HH nem tudom mekkora antenna kel, megy e a 30 méteres? RH biztos megy de mondom szelektivitás 0. Egy kapcsolóval bírod kapcsolnia tekercs kivezetéseit. Különben ahogy így irkálunk gondolkodóba ejt csináljak e? De minek? HH is van még jócskán élet.
Szia!
Detektoros -keretantennással.Az enyém is HH--KH tartományú + elem/akku töltő. 2 nap alatt feltölti a 9v s akkut.---még egy 2db s fehérled csik is működik róla. A 7 emeletről nem tudnék antennát -hová kiengedni----nincs szemközti ház. Régebben műanyag damil volt az egyik "fához kikötve?" --csúzlival vasanya kilőve.--- A damil közepén lévő kulcskarikához húztam az antennámat---kb 10 m volt. De kivágták a fát.
Hallod az nem semmi, és mekkora mérete a léceknek és hány menet van? Nekem 2x1m lécen van 14 menet egymástól kb 5mm-re 250pF forgóval megy a KH.
Idézet: „Az enyém is HH--KH tartományú + elem/akku töltő. 2 nap alatt feltölti a 9v s akkut.---még egy 2db s fehérled csik is működik róla. ” Ez azért már nem detektoros. Detektorosban nincs semmiféle aktív elem. Ha erősítőt kapcsolsz hozzá, Pláne hálózathoz is hozzákapcsolod a "töltővel", már nem lehet tudni, hogy hol detektálódik a vett jeled, honnan kerül az áramkörbe, és a "detektoros" is sokkal érzékenyebb lesz.
Tényleg próbálkozott valaki HH detektorossal? Érdemes bele vágni? RH ment de szelektivitás = 0, bar 2 adó néha bejött Kína és Törökország. .
Nem azt írta, hogy elemet/akkut használ a detektoroshoz, hanem azt, hogy a detektoros vevője feltölti az akkut, akkora energiát szolgáltat.
Éppenséggel lehet próbálkozni, de abban a sávban magyar nyelvű adó nincs, Legközelebb Brassó van, nem tudom magyar nyelven sugároz-e.
A HH sávban elég kevés adó van, távolsági vételre ne nagyon számíts, mert szinte kizárólag földfelszíni terjedés van, a nagy távolságokhoz meg már elég magas a frekvencia, a többutas terjedéshez meg alacsony. Bár néha lehet fogni Warsót 280 kHz -en, de nem detektorossal.
Elnézést, félreértettem. De ha sok "sallangot" kapcsol a detektorosra, jelentősen megváltoztatja az antenna viszonyokat, ami meglehet jó irányba befolyásolja az érzékenységet.
Szia !
Nálam is ilyen cseréplécen van a kh kb 5-8mm re . A hosszuhullámó kiegészitő tekercs a külső /bevágott részen egymásra tekerve . (hirtelen ötlet , s úgy maradt ! ) A sallangok külön külön értendőek. Használaton kivül , kipróbáltam az ötleteimet. A ledek kb 10mW al világitanak. Bár nem értem mitől , nincs akkora adó a környéken .Mint térerő indikátor -ahol jó a fény ,ott meghalgatom --mi van ,hallható ? álltalában adó /adás van ----meg 50--100HZ brum!
Szia!
Már megszünt a romániai magyar nyelvű adás. ----régóta demokrácia van. Utóljára Ceausescu nyomta el ezzel a magyyarokat.....
Brum lehet valamilyen készüléktől, pc-től vagy mástól. lehet ép az a brum adja az áramot. És hány voltot kapsz, feszültség többszörözöd ? Abból még lehet rádió aktív elemekkel melyet a HH tekercs hajt meg egy hartley vagy visszacsatolt. A külső nagy tekercs is hangolva van? Azért hosszú hullámon még Újvidéken is bejön 3 adó. Az nem semmi nálam itt a ferritantennával szól pár adó az E Nikola Tesla tjuneron. http://radiomap.eu/rs/novi-sad
Szia!
A HH tekercs csak ha be van kapcsolva , akkor hangolt -amúgy szabadon lóg a vége . A X emeletes épületben csak brumm van...... A feszültség többszörözés nem --igazán.Ez inkább áramtöbbszörözés ? De azért a 8V DC előfordul. A kimenő trafó -100V-s hangfalból. --8 Ohm kimenetre. Ehhez szoktam minden mást hozzákötni. A tekercs melletti számok a menetszám sima zománchuzalból. A hozzászólás módosítva: Nov 17, 2019
|
Bejelentkezés
Hirdetés |













