Fórum témák
» Több friss téma |
Nem tudom, hogy neked milyen gázkazánod van (baj-e neki a tápfesz ki-be kapcsolgatása), de nekem így van megcsinálva (FÉG C-24 cirkó és Celsius P V30 vegyes):
A vegyes kazánon van egy merülőhüvelyes termosztát és egy keringető szivattyú a visszatérő ágban. Minkét készülék előremenőjében (a találkozási pont előtt) van egy-egy rugós visszacsapó szelep azért, hogy ha valamelyik készülék fűt, ne melegítse feleslegesen a másikat. A termosztát egyik érintkezőjére a keringetőszivattyú fázisa van kapcsolva, a másikra meg a gázkazán megszakított fázisa. Így megoldható automatikusan, hogy ha megy a vegyestüzeléses, ne menjen a cirkó. Ha árt a gázkazánnak a ki-be kapcsolgatás, akkor a termosztáttal lehet kapcsolgatni a szobatermosztát vezetékét is... A hozzászólás módosítva: Nov 27, 2013
köszönöm a válaszod.nem árt a kazánnak a tápfesz ki be kapcsolgatás.
Egy rajzot tudnál erről csinálni amit leírtál? Nagyon megköszönném. És még egy kérdés a merülőhüvelyes termosztát helyett a csőtermosztát jó?
Szerintem a merülőhüvelyes pontosabb.
Eleve a kazán hőmérőcsonkjára van téve így gyorsabban reagál, mintha a lassabban felmelegedő fűtéscsőre lenne téve egy csőtermosztát. A hőmérőnek meg ki lett alakítva egy hely, közvetlen az előremenő kazáncsonk felett. Majd holnap megpróbálom lerajzolni.
Ez a bekötés jó lenne szerintetek?
a hőfok csak hasraütés szerü tehát nem az a lényege A hozzászólás módosítva: Nov 29, 2013
Szia! Van ITT egy leírás egyszerű relés vezérlésről és a hozzá tartozó kapcsolási rajzokról. Neked nem kell hozzá minden kivezetését felhasználni csak az egyik szivattyút (SZ1) a csőtermosztáttal (T1) és a szobatermosztátot (T2) a "Kazán"-nal. Ha nem akarod, hogy a két szivattyú együtt menjen, akkor a bal oldali relé kazánköri záró kontaktusát nem kell kialakítani.
Köszönöm.
relé nélkül nem lehet valahogy megoldani? kenderice:Ha árt a gázkazánnak a ki-be kapcsolgatás, akkor a termosztáttal lehet kapcsolgatni a szobatermosztát vezetékét is... ezt hogy érti ? vagyi sértem de akkor a keringetőt mi vezérli rájöttem a rajzomon a hibára mert ha a keringetőről kötök egy fázist a kazánra akkor ugyis bekapcsol a gáz ha megy a vegyes
Ezt a kapcsolást lehetne még "ragozni", hogy mit és hogy lehetne vele kapcsolgatni de ahhoz, hogy felváltva működjön a két kazán, relézni kellene a műveleteket. Ha azt akarod, hogy a vegyes kazán szivattyúja ne menjen ha a gázos működik, akkor a gázkazánt vezérlő relé (amit a szobatermosztát kapcsol) egy nyugalmi helyzetben záró kontaktusát kell felhasználni a vegyes tüzelésű szivattyújával sorba kötve. Szerintem Te a vegyes tüzelésűt részesíted előnyben és a gázt kisegítésként. Ha ez így van akkor azt javaslom, hogy a szobatermosztát kapcsolja a vegyes tüzelésű szivattyúját és határozz meg egy időszakot amikor a vegyes tüzelésű már nem dolgozik és kapcsoló órával indítsd a gáztüzelésűt amíg be nem gyújtasz a vegyesbe. A szobatermosztát záró kontaktusa kinn maradhat a gázkazánnál addig amíg a kapcsolóóra nem kapcsolja be azt, vagy fordítva. Csőtermosztátot pedig NE bimetálos jellegűt alkalmazzál, hanem gőztenziósat, ami lényegesen érzékenyebb.
A hozzászólás módosítva: Nov 29, 2013
Én így csinálnám meg. Ha a vegyestüzelésű kazánban van melegvíz, a gázkazán nem tud megindulni és folyamatosan megy a keringető szivattyú. Ha nincs benne melegvíz, a szobatermosztát be tudja kapcsolni a gázkazánt.
Ez a rajz teljesen jó, nekem is így van megcsinálva.
Semmiféle relé nem kell. Mondjuk én egy kicsit megbonyolítottam az enyémet úgy, hogy egy villanyszerelési dobozban központosítottam az egészet. Tettem bele mindkét kazánhoz visszajelző lámpákat (hogy lássam éppen melyik üzemel) és egy termosztátot kikerülő kapcsolást direkt a vegyestüzeléses szivattyújához biztos-ami-biztos okból. Idézet: „akkor azt javaslom, hogy a szobatermosztát kapcsolja a vegyes tüzelésű szivattyúját” Ez így nagyon veszélyes, nem kéne megcsinálni. Mert mi van akkor, ha a szobatermosztát már nem kér meleget, de még vígan ég a tűz a kazánban? Idézet: „mi van akkor, ha a szobatermosztát már nem kér meleget, de még vígan ég a tűz a kazánban?” Tapasztalatom szerint ilyenkor hívják azt, aki ért a fűtésvezérléshez.
Szia! Kissé elkavarodtunk a dolgokban. A vegyes tüzelésű megoldás NEM szivattyús fűtés és előírásszerűen nyitott a rendszere. A szivattyút mint kisegítő lehetőséget a víz mielőbbi megfordítására építik be és hogy a maradék hőt le lehessen vele keringetni amit már a gravitációs nem tud hatékonyan. A végére pedig odaírtam, hogy "vagy fordítva", mert nem mindegy, hogy melyik fűtést részesítik előnyben a másikkal szemben. A "Bakman" megoldása teljesen jó és Ő is két relével oldotta meg. A Weboldalon szereplő "kazánvezérlő" egy lehetséges megoldása lett volna felszínre hozva és mindenki úgy köti be az abban talált rajzok alapján ahogy tetszik neki, mert elég mobil megoldású a két relével.
na valaki nem tud egy működő egyszerű rajzot dobni?1keringeto van egy merulo termosztat egy szobatermosztat és egy rele.
Idézet: „A szivattyút mint kisegítő lehetőséget a víz mielőbbi megfordítására építik be és hogy a maradék hőt le lehessen vele keringetni amit már a gravitációs nem tud hatékonyan.” Azt azért tegyük hozzá, hogy ma már szinte senki sem készít gravitációs fűtést.
Robi, amit csináltál rajzot tökéletesen jó, nekem pont ugyanígy van megoldva.
A relé felesleges, csak hibaforrás, nélküle is meg lehet csinálni. Amúgy a rendszered gravitációs, vagy nem?
Igazad van de az emberek ragaszkodnak a "régi jól bevált dolgokhoz" és nem akarnak tőlük megválni, főleg ha az nagy bontással és nem kevés költséggel jár. Először is szemlélet váltás szükséges, majd sok pénz és egy jó adag elszántság ennek a kivitelezéséhez a gazda részéről. Egy szivattyú beépítése is gondot okoz néhol a költségvetésben de, hogy modernebbnek tudhatja a tulaj a fűtését, beépítget egy két hasznosabb dolgot a vegyes rendszerébe, talán egy gázkazán is bekerül de valahogy érdektelenné válik annak fenntartása és rendszerbeli megfelelő illesztése, mert lehet, hogy sk. megcsinálja.
zárt rendszerről van szó nem gravitációs.
na összedobtam egy vezérlést relével. az előzővel az a bajom ha nem veszem le a termosztátot mikor vegyessel fűtök menni fog a gáz is. így relével pedig elviekben nem. ha jól látom a dolgokat A hozzászólás módosítva: Nov 30, 2013
Ebben az állásban a gázkazán tápfeszültségét kapcsolgatod. Jó az neki?
Most is úgy van mert a termosztát a kazán fázisát szakítja meg.
azaz egy konnektorba van dugva a keringető meg a gázkazán és ha a termosztát kapcsol indul is mind a kettő egyszerre csak ha vegyessel tűzelek jelenleg kazánt ki kell kapcsolnom termosztátot meg felhuzni és igy indul a keringető
A kazántermosztát gyakorlatilag egy váltókapcsoló. Ha az egyik (beállított érték alatt zárt) pólusára kötöd a gázkazánt, akkor az addig üzemel, amíg a termosztát a melegedő víz hatására nem kapcsol.
Ha a termosztát kapcsol, akkor megszakítja a gázkazánhoz menő fázist, egyben zárja a másik pólust, amelyre a kazán keringetője van kötve. Így nem tud üzemelni a gázkazán, ha megy a vegyes. Ennél egyszerűbb vezérlés nem is kell. Minek ide a relé??? Ha nem akarod a gázkazán egész áramellátását kapcsolgatni, akkor helyette szakítsd meg a szobatermosztáthoz menő vezetéket, ezzel mintegy sorba kötve a kazán-, és a szobatermosztátot. A hozzászólás módosítva: Nov 30, 2013
nem tudnál egy ilyen gyors rajzot összedobni.mert pl ha megy a vegyes meg a keringető mert kapcsolt a kazán termosztát,akkor ha megy a gázkazán mi fogja inditani a keringetőt?le kell huznom a termosztátot hogy nyitva legyen mert különben megy a gáz is.
vagy nem értem amit írsz A hozzászólás módosítva: Nov 30, 2013
Amit először rajzoltál, az pont jó. A kazántermosztát vagy-vagy kapcsoló. Vagy a vegyes keringetője kap áramot, vagy a gázkazán. Egyszerre a kettő nem mehet.
Ha a vegyesben kialszik a tűz, akkor visszakapcsol a gázra.
Értelek csak az a baj egy keringető van.
azért kellene a relé ha lenne két keringető akkor elhagynám a relét mert akkor a vegyes termosztátja kapcsolná a két rendszert az előbb nem adtam fázist a kazánnak meg a keringetőnek )) A hozzászólás módosítva: Nov 30, 2013
Nem teljesen jó így neked, de ez is egy szivattyús vegyes és gázkazán bekötés.
Gázüzemben le kell kapcsolni a szobatermosztát magas hőfok kapcsolást. Nem automata átállás, de a szelepeket is át kell manuálisan állítani az egy szivattyú miatt. Idézet: „Azt azért tegyük hozzá, hogy ma már szinte senki sem készít gravitációs fűtést.” Soha nem készítenék gravitációs módon nem működő fűtést. ![]() Volt egy időszak, amikor rosszul értelmezett anyagtakarékosságból kisujj vastagságú csövekkel szereltek. Később nagyon drágán még vékonyabb rézcsövekkel kezdtek szerelni. Vegyestüzelésű rendszerben, akár nyitott, akár zárt (mert ilyen is van), felelőtlenség csupán az áramellátás biztonságára bízni a fűtést. Még akkor is, ha szünetmentest raktam be, mint már sok helyen. Az én fűtésem 2"-os csővel kezdődik. ![]() De nincs is szünetmentesem. (Illetve van a pincében, műhelyben, itt-ott 10-11 db még) A hozzászólás módosítva: Nov 30, 2013
Azok a fűtésszerelők, akikkel kapcsolatban vagyok, egyik sem készít gravitációs fűtést. Cserébe a rendszerbe lehet puffertartályt tenni, amibe csak akkor megy a melegvíz, ha a lakás már nem kér meleget (szobatermosztát), de a vegyestüzelésű kazánabn még vígan ég a tűz. Valamilyen lopótechinkaként emlegetik, ennek működését nem teljesen értem. A rendszert ki lehet egészíteni gázkazánnal, ami addig nem indul meg, amíg a vegyestüzelésűben vagy a pufferban van melegvíz. Természetesen mindez azt jelenti, hogy kell áram, anélkül nem megy. Viszont, ha van vészhűtő a vegyestüzelésű kazánon, nagy baj nem lehet. Ez is rejt magában kockázatot, de sokkal komfortosabb egy ilyen fűtési rendszer.
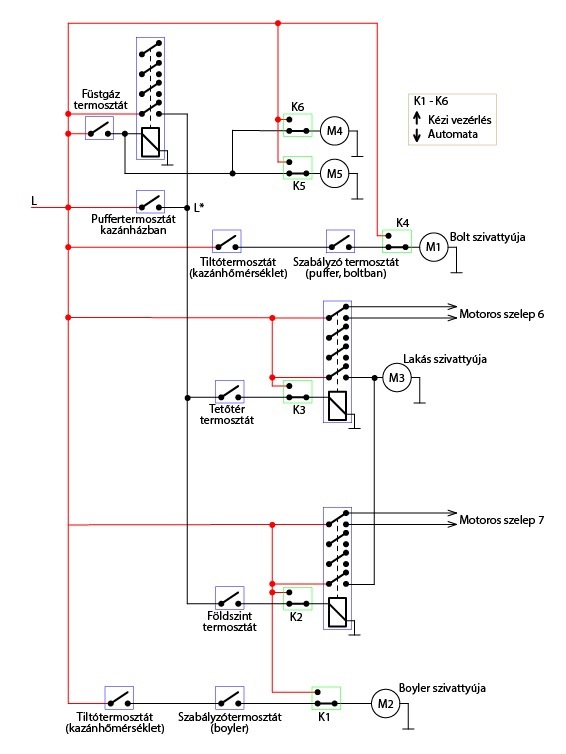
Mellékletben egy példa a kicsit bonyolultabb vezérlésre. A ház két részre osztva, két szobatermosztáttal. A rendszerben van hőtároló puffer, padlófűtés, radiátor és egy gázkazán is. Persze olyan fűtésszerelő is kell, aki tudja mit csinál. Felénk már csak ilyeneket építenek. A második: Egy helyről van fűtve egy lakás, egy bolt és egy boyler. A lakás prioritást élvez. A rendszerben van puffertartály is. Plusz mindent át lehet kapcsolni kézi vezérlésre is, külön-külön. ezeket lehetetlen megcsinálni gravitációs rendszerrel.
Miért nem ezzel kezdted? Én abból indultam ki, hogy a gázkészülékben is van egy beépített szivattyú.
Egy szivattyú esetében nem lehet automatikusra megcsinálni. Talán ha lenne a rendszerben egy motoros váltószelep vagy egy másik szivattyú.
Én mondtam,hogy egy szivattyú van.
ha kettő lenne akkor megszakitanám a termosztátot és kész,nem kellene reléÉs ha ugy megcsinálom relével ahogy van? Mert van mind a két kazánnál beépitve visszacsapó szelep az előremenőben. És pl.ha elkezdek fűteni a vegyessel előtte termosztátot lejebb veszem akkor leáll a gáz és ha már a vegyes felfűtött a relé ugyis letiltja a gázt és akkor ha visszahül utána indul csak el a gáz és a visszacsapó szelep meg zár nyit magától. A hozzászólás módosítva: Dec 3, 2013
Csak az a baj, hogy a szivattyú mindkét kazánon át fogja forgatni a vizet. Ez nem túl hatékony...
tudom csak sajnos most nincs keret venni még egy jó minőségű szivattyút.
|
Bejelentkezés
Hirdetés |








)) 




