Fórum témák
» Több friss téma |
Fórum » Csöves erősítő készítése
Ne feledd betartani a fórum viselkedési szabályait, és a topik megmaradásának feltételeit. [link]
A téma átmenetileg fagyasztva lett, hozzászólni nem tudsz!
Nincs mit!
Itt egy bővebb leírás a 100V-os rendszerről!
Ha az idők során a link meghalna: csatoltam a hivatkozott weboldalt .pdf-ben. Itt nem a pénzről van szó! Egy: a rendszered monó marad, kettő: a 100V-os rendszert "információközlésre, tájékoztatásra" találták ki, tehát a cél a beszéd érthetőségének biztosítása volt (típusosan iskolák...) csupán. Így a HiFi szintet valószínűleg sosem éred el vele. Ezért nem biztos hogy megéri ezreket adni a kimenőtrafóért, de Te tudod. Azt is meg kell jegyezzem, még nem találkoztam átalakított 100V-os rendszerrel, lehet hogy nagyon szépen szól!!! De egy cucc csak monóban!Persze biztos vagyunk itt jópáran, akik szívesen megkaparintanánk egy ilyet, az alaktrészei jók lehetnek még "rendes" csöves erősítő építéséhez.
Ez egy "rendes" csöves erősítő, csupán a kimenője 100 Ohmra illeszt, nem négy, vagy 8 ohmra! Érdemes áttekerni, vagy kicserélni a kimőt!
Pl van egy cikk az elektroncső.hu-n egy stereo erősítőről, ami két arab APX 100-ból készült! Sőt olyat is hallottam, hogy valaki bújtatva rátekert még néhány menetet a kimenőre, így lett egy 8 ohmos kimenete, ami szólt is, bár csak zenekari célokat szolgált, HIFI-ben valószínűleg már nem állná meg a helyét, ámbár egy új kimenővel több, mibt valószínű, hogy igen! De! Kinek kell Hifiben 2-szer több , mint 100 W? Mert hogy az APX 140-150 W leadására is képes! Eygébként valamelyik 2002-es, vagy 2001-es Rádiotechnikában van egy komplett hypersil kimentrafó építési leírása APX 100 hoz!
ÜDv van egy mono rádióm csöves van rajta bemenet is 3DBcsővan bene bocsi 4 az egyik arádió részén nem lehetne valahogy átalakitani sztereónak ?? Meg olyan elképzelhető hogy a Számitógép bezavarja az erölködőt ??
Itt is leírom:
- összeszedettebb gondolatokat kéne leírnod - nem kellene kapkodni írásnál - senki sem szereti bogarászni órákig az értelmetlenül összehalandzsázott hozzászólásokat, inkább továbblapoznak, és senki sem segít... ez a célod? - a nem topik témájához illő kérdéseket ne itt vesd fel (jelen esetben a számítógépes zavarást)!
Na ismét én!
Szerintetek utánépíthető ez a beag csöves hangszererősítő a rajz alapján ?Ez gyári kibocsájtású rajz lehet??Egy decemberi koncerten hallottam a hangját,ami igen meg győző volt!!A zenekaromban elkelne valami csöves motyó!A hallásom átlagos de a dobom mellett krákogó píví gitárkombó igen fárasztó tud lenni!!!(az tranyós)
Szia!
Ez nyílván nem a gyári kiadású kapcsolás, de attól még lehet jó!(nem néztem át annyira...) Nekem megvan az eredeti gyári kapcsolás, ha komolyan érdekel, akkor szkennelem! Végülis meg lehet építeni, ha be tudod szerezni az eredeti trafóit, vagy vannak hasonló paraméterűid, vagy tekersz! De! Milyen zenét játszatok? Milyen hangszerhez kellene a csöves erősítő? ( ha jól vettem ki gitárhoz! - ezek a tranyós Peaveyk tényleg elég krágogó recsegő valamik ) Akkor viszont már ne ezt a BEAG-ot építsd meg, hanem valami direkte gitárspecifikus dolgot! Amiben 3 sávos EQ van, és gitárszintű bemenetet képes fogadni. De azt ugye tudod, hogy az építés, ha midnent megveszel, trafókat is, akkor minimum 60-80 ezer! Ezt a BEAG-ot, ha mákod van, be tudod szerezni 20-30 ért, és az már nagyon sok érte, csak az a baj, hogy ma már nagyon ritkák! Nem tudodom mennyire vagy jártas az aleketronikában, főleg a csöves technikában, de azt tudnod, kell, hogy itt az azonnali halált okozó több száz voltos feszültség mindennapos dolog ! Szóval nagyon kell vigyázni, és figyelni! De egyébként megépíthető, az alkatrészek beszerezhetők, és ha működik, pláne ha jól szól, az igen nagy öröm tud lenni! Bár én javasolnám, hoyg ne egy 60 Wattossal kezdj, hanem valami kisebb "gyakorló" erősítővel, aztán jöhet a "nagy" ha már kitaapasztaltad a dolgokt!(megjegyzem próbára egy 10-15 Wattos csöves cucc bőven elég, bár egy gitáros ismerősömnek a 8 Wattos csöves cucca koncertre is elég volt , de az 1 (!) Wattos Hughes&Kettner Cream Machine még éppen elég votl próbára, viszont a 15 Wattos kombót már nem si lehetett kihajtani anniyra hangos volt! ) Ha komolyan gondolod , akkor szívesen segítek Neked, kapcsolási rajzokkal, meg hogy mi kb hogyan fog "szólni", bár én is még csak egy kis 5Wattos gyakorló cuccot építettem! Üdv : Kócos
Egyébként pl a Vaterán renegeteg jó állapotú egykori NDK, NSZK erősítők vannak, amik kiválóan szólnak, és nem is kérnek értük sokat! Néhány darab:
Dynacord eminent II VOX AC 30 copy És egy régi Echolette Nem az építéstől akarlak eltántorítani, csak néha érdemes mérlegelni, hogy egy régi, használt, de "gyári" készülék jobban megérné, mint az építés
Szia kocos!
A zenekarral rockzenét játszunk,közte néhány black sabbath,ramones.és régi metallica Csöves erősítőkkel még nem foglalkoztam,De jópár tranzisztorosat építettem. Akkor az a meglátásod hogy venni kellene egy "öreg" gyárit,és ha szükséges felújítani?
Szia!
Csak akkor ez a meglátásom, hogy ha nem vagy nagyon jártas az elektronikában, fém-és famunkában, és ha nem "örömből" építenél, hanem azért, hoyg legyen egy csöves a zenekarban! De mondom, nem akarlak lebeszélni az építésről, mert nagyon jól szól egy csöves cucc, és hát az "ezt én építettem" érzés is benne van ! De ha csak kell egy csöves, akkor érdemes venni egyet, ugyanis ugyanezt a minősget kétszer annyiból tudnád kihozni ha Te építed, mint pl az átalam linkelt gyári készülékek! A 3 felsorolt zenekar 3 soundot is jelent, a Black Sabbath egyértelműen Laney, a RAMONES sztem Marschall, a Metallica, meg inkább Mesa-s Ha veszel egy olyan régi cuccot, akkor ahhoz előfok mindenféleképpen kell! Ha csak nem használtok külön pedálokat a torzításhoz! Lehet az lenne a legtutibb, hogy vesztek egy cucct, és előfokot építetek, mondjuk egy két csatornásat egy tiszta és egy torz csatival , ami kijön kb 10 ből max, de ha "kukáztok" egy két alkatrészt, akkor olcsóban! De ez nem úgy fog kinézni, hoyg ma összerakom, holnap meg zúzok! El lehet vele pepecselni egy ideig! (én pl már a negyedik módosítást hajtom végre a csöves fejemen, d emég mindig nem úgy szól, ahogy szeretném ) Bár ha konkrét "szabásmintát" követtek, akkor nem lehet nagy gond, max egy kis zaj .. De 50-60 körül ki lehet fogni ilyen öreg cumókat, és csak egy torzító kell elé, esetleg egy két tér- és modulációs effekt, és mehet a rakkenroll ![]() Üdv . Kócos Ja , azt elfelejtettem, hogy lehet hogy az lenne az ésszerű megoldás, hogy egy Rack-es előfokot építetek ( itt le lehet koppintani az ENGL-t, Mesa-t, hasonló nagy neveket ), ezzel megismeritek a csöves technikát, kitapasztaltok egy két dolgot, építetek mögé egy FET-es vagy tranyós véget! És ha már midnne OK, akkor bele lehet kezdeni egy végfok, vagy egy komplett fej építésébe!
Hát úgyérzem belemerülök a csöves elméletbe!!
Egy csöves cuccal a gitárnak gitár hangja van!(pedig én csak dobolok) Érzékeny hangszóróval valóban elég lehet 10-20 w egy kiskoncertre(nagy koncert még egy darabig nem lesz )Szívesen fogadnék valami kiforrot megbízható,bevált erősítő rajzot (elő vég) tanulmányozásra,számolgatásra,megépítésre! JAAA van itthon egy "budapest " rádióm 2db el84-essel a végén,rákötök valami konzerv muzsikát kisérletnek! Estefele benézek. szia!
A régi motyókkal mindig vigyázni kell! Nemrég kaptam az apósomtól egy csöves végfokot ami 1 régi orosz magnóbol lett kibontva. Komplett cucc volt, 6p14p végcsővel és 1 6n2p előcsővel. Szólt is, meg jó is volt. Hallgattuk egy darabig, majd elmentek. Mire kikisértük őket és visszaértünk már füstölt a hálózati trafója, pedig nem volt zárlatos sehol. Talán a puffer elkók lehettek túl öregek. Az biztos viszont, hogy sokáig kellett szellőztetni utána.
Ok segítek szívesen, ha mással nem is tudok, de kapcsolási rajzzal, csak úgy nagyjából írd körül, hogy milyen hangzást szeretnétek? (tiszta, "kráncs" , "hi-gain" ), mert ha pl van egy külső torzító pedál, akkor elég egy tiszta is ( bár a csöves torzítás szebb )
ha nem sajnálod szétbarmolni a rádiót, akkro abból kiveheted a végfokot,é s a trafókat, és máris van egy 10-15 Wos végfokod A viszonylag könnyen utánépíthető dolgok azok pl a Marschall JCM 800-asai, de ezek csak torzítani tudnak, illetve egy némelyikben van egy egyzserű tiszta csati is, vagy ha nincs, akkor gitárban vissza kell venni a hangerőt Hangszóróban meg csakis a celestion, Eminence, esetleg Jensen jöhet szóba, bár nekem kifejezetten tetszenek a régi NDK-s RFT hangszórók, amikkel a Vermonákat szerelték! [Nézz be a www.hangmester.hu csöves gitárerősítő építés topikba, és kezdd el nézegetni az elejétől! Vannak nagyon jó dolgok ( és persze hülyeségek is ), de Gregorius, Isa, Zoltán, Exp hozzászólásai mindig korrektek!]
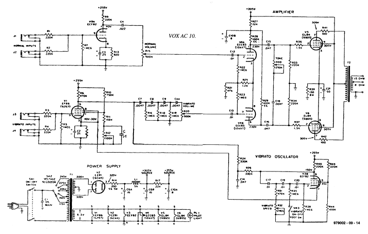
"Elrettentsének" itt van néhány kapcsolási rajz ! Marschall Plexi ( a klasszikus Marschall erősítő ) Mesa&Boogie Dual Rectifier (metál sound) SÉ Vox AC 10, 30 (Brit hangzás )
Most jön a Vox, sajnos kicsit nagy, de elég rossz minőség
Kimenőtrafó helyett hogy lehet kondenzátorral kicsatolni a hangot? Mit kell módosítani egy erősítőn ehhez?
Az igazat megvallva, egy eredetileg kimenőtrafóval tervezett erősítőből szerintem sehogy. A trafó nem kicsatol, hanem impedanciaillesztést végez. Viszont vannak ún. OTL kapcsolások, amibe eredetileg sem kell kimenőtrafó, ha ez a fő lényeg neked. Sok ilyet találni a neten.
Bővebben: Link Bővebben: Link Bővebben: Link Bővebben: Link És még a google képekben rákeresve sok mást is találni.. Eredetileg nekem is tetszett a megoldás, de gyakorlatilag könnyebb egy egyszerű kimenőtrafósat építeni.. Üdv!
Lehet hogy kedvet kaptam tőletek, "csövezni"
Erről mi a véleményetek? "Kiollóztam" hozzá az Elektorból a cikket... Az részletesebb.
Én is építettem hibridet. ECC83-mal és BD245-BD246-tal az is nagyon szépen szólt. Annak sokkal egyszerűbb volt a felépítése mint ennek.
----kÓCOSNAK------
A gitárosunkal egyetértésben egy telt,vastag hangzás kelllene,amely kicsit sem karcos,és szépen betölti a teret,de ne legyen tompa sem.(ezt jól kitaláltuk )Van mindenféle pedál,de a csöves torzító az tényleg egyedi. Elöljáróban valami ilyesfajta végfokozat rajz trafóadatokkal kellene. Esetleg előfoké is. (majd két riasztás közt tanulmányozom a csövek lélektanát a munkahelyen :yes: )
sziasztok az lenne a kérdésem hogy van nekem egy csöves erölködőm ilyen csövekel :ECH81,EBF89,ECL86
Mono. Ez elé be tudok kötni egy 2x30wattos erősítőt persze a 2x30wattos hangszórókimenetére . Válaszokat előre is köszönöm .
Ez kérdés akart lenni? A csöves erősítő attól, hogy csöves, még erősítő marad, és egy erősítőt egy másik kimenetére kötni nagyon nem kéne. Ezt komolyan gondoltad?
Nem nagyon értek acsöves erősitőkhöz akkor eszt el is felejtem gondolom akkor előerősítőnek se lehetne használni !!!!szerintem Köszi agyors választ
Előerősítőt lehet építeni, csöveset is! De az egészen más..
Meg tudja valaki mondani hogy előfokban az ECC85 9-es lábát hová kell kötni? Esetleg testre?
A 9-es csak egy árnyékoló lemez a két trióda között az áthallás csökkentése, szerintem testre kell közni, de ha nem kötöd sehova, az sem nagy gond (ECC82 is megvan nélküle).
Ecc 82-nél nincs árnyékolás a 9-es láb az a két fűtőszál közép. Asszem 85-nél lehúzom testre árnyékolásnak. mert ez egyik csőfél a jobb, a másik a bal oldara dolgozik. A hálózati fóldet csöves erősítőnél (fadobozos) csak a hálózati trafó vasára kell kötni? Vagy kell egyáltalán?
Akkor valami 6L6-os, vagy El34-es végfok kellene Nektek, sztem 50 Watt max bőven elég! 2 db 6L6 (6P3SZ) az max 30 Watott tud, ha jól emlékszem, a 6L6GC, az többet, de drágább! 2db El34, az max 50-60 W! Nekem jobban tetszik a 6L6 hangja, sztem melegebb! El84-gyel midnenféleképpen karcos "agresszívabb" tónusú hangot kapsz! (nekem legalábbis ez a tapasztalatom)
Sztem, ha mindenféleképpen valami gyári kapcsolást akartok, akkor csináljatok egy Marschall plexit, vagy egy JCM 800-ast cakompakk, ezzel szép kerek torzított hangot kaptok ( de csak nagy hangerőn, ha nem hajtod ki, nem torzít rendesen!! ). Vagy nézek Neked végfok rajzot
Mesa Boogie 50/50 dual csöves végfok egyik csatornája! Ez kipréseli a két 6L6-ból az 50 Wattot, bár sztem kicsit túlzás, max GC-ből, de egy elég egyszerű, négy csőből kihozható kapcsolás!
Költségvetés saccperkábéra : 2db ECC83 :800-2300Ft / db 2db 6L6 (6P3SZ) : 1500-3000 Ft / db Táptrafó : 5000 (használt) - 10-15 ezer (gyári) Ft Kimenő trafó : 10000-20000 Ft , hacsak nem akarsz tekerni ellenállások, forrléc, kondik, egyébb alkatrészek : max egy 10-es Dobozolás egyéni igények szerint, de pl 2U magas Rack dobozok 5 ezertől kezdődnek De ha mindent jó áron szerzel be, esetleg hazsnált alkatrészeket is felhazsnálsz, max 40-ből kijössz, vagy még kevesebből |
Bejelentkezés
Hirdetés |


De egy cucc csak monóban!

)




)

