Fórum témák
» Több friss téma |
Fórum » Csöves erősítő készítése
Ne feledd betartani a fórum viselkedési szabályait, és a topik megmaradásának feltételeit. [link]
A téma átmenetileg fagyasztva lett, hozzászólni nem tudsz!
jól működő (jól tervezett) kapcsolás esetén nincs rá szükség én vagy 15 éve sehová se raktam, ha egy kapcsolás anélkül nem jó, az már nem is erősítő ![]() regards,
nekem ott 1M-1nF van! Nélküle gerjedékenyebb egy kcisit, de a hangbannem hallottam különbséget
Igazából lehet a búgás gerjedés is, de Kócosnak is ultrafrekvenciás gerjedése volt, ezen kell segíteni a a 22pF-es kondinak. Holnap megépítem Veled párhuzamosan a Müszi-féle kapcsolást, és teszt alá vesszük.
Próbálj a trióda rácsra rátenni egy 470pF-es kondit, ez lehet 50V-os is. Aztán számolj be róla, mi történt.
Ricsi egy adott kapcsolást épít meg. Ha ott benne van a kondi, akkor a tervezővel kell az alkalmazást illetően megállapodni.
A Müszi féle kapcsolástól jutottam el addig amit most használok. Azt építettem át kicsit. Pluszba tettem bele hidegítő kondikat meg átfogó visszacsatolást és az alkatrész értékeken is változtattam. Akkor használtam a 22p-t. Most nem lehet mert akkor egy oszcillátort kapok.
AZ EL84 ebből a szempontból is sokkal jobb választás. A PCL-t (és az ECL-t) már túl "jóra" sikeredett csinálni (az ECL(PCL)82-est kellett neki leiskoláznia. Azért nem mindenben sikerült.
Némiképp ismerős ez is, nem?
Semmi korrekció, csak az elején egy passzív magashang vágó.
Igen. Nagyon hasonló az enyémhez. Most egy kis gondban vagyok mert annó 4 ohmra tekertem a kimenőket de csak 8ohmos hangfalat tudtam szerezni. vidi dc2050. Így nem tudom levenni csak a fele teljesítményt. Át fogom tekerni a kimenőket. Szerintem amúgy se volt tökéletes még 4 ohmra se hiába volt jó az áttétel. A primer 2000-es menetszám szerintem kevés. Emiatt szerintem kevesebb a mély, nem mintha nem lenne elég
de ha már a hangfalak miatt át kell tekernem akkor már 3000-re veszem a primert és ennek 25-öd részére a szekundert. Jó lesz így 8ohmnál?
Imi65,akkor holnap már kész is leszel a PCL-el?
Kiváncsi leszek,a tied mit fog csinálni. Kerámia kondi nem jó oda? Akkor mitől gerjedhet ennyire,ha nem a kondi miatt?940uf pufferem van az anódon.
Na, fussunk neki még1x
Tehát : 5200/1,2x8, és ez gyök alatt.
Elkészült a sztereo kivezérlésmérőm panelja, amit az elektroncső.hu-n láttam EM80-assal. Holnap próbálom.
Sajna a nyák nem a szokott minőség lett. Tintapatront kéne cserélni a nyomtatóban. nem bírja a sok utántöltést.
Igen, ezt tervezem. A trióda rácsára szerintem jó a kerámiakondi is, párhuzamosan a rácslevezetővel.
Nem mondtam, hogy nem a kondi miatt. Holnap ezt is kipróbálom. Mikor hevenyészetten összedobtam a múltkor, nem gerjedt. Mikor levettem róla a hanggenerátort, azonnal gerjedni kezdett. Az anódok közötti 22pF nem volt rajta. Ha ráakasztottam a CD-játszót, akkor is megszűnt a gerjedés. Ez egyébként legalább 30kHz-en történt. Ekkor azonban nem hallgattam meg, csak a képernyőn láttam, hogy mikor van, és mikor nincs. A trióda rácsára rátett 470pF-es hidegítés viszont megszüntette üres bemenet esetén is a gerjedést. Ez a CD kis kimenőellenállása miatt nem okozott magas esést.
A képleted alapján 23,3 jött ki áttételnek. A primer menetszám jó lessz 3000 körül?
Szerintem tök mindegy. Én biztos, hogy szilíciummal egyenirányítanám az áramot. Jobban pufferelhető, kissebb hely. Bár, a kivezérlésmérőnek lehet, hogy beaktiválom az AZ1-esemet. Az tetszik nekem. Jól mutatna a doboz közepén.
Szerintem a félvezetős a jobb de a csöves ízlésesebb
CSő is lehet dióda Idézet: „csöves ízlésesebb” hátrány: külön fűtés kell neki szerintem
Attól függ, honnan nézzük. A csöves diódát fűteni kell, azonfelül nagyságrendekkel nagyobb a feszültségesés, mint félvezetős esetén. Viszont sokkal lágyabban nyit (sokkal nagyobb a folyási szög), szemben a félvezető dióda nagy csúcsáramokat létrehozó kis folyási szögével. Régen ez fokozottabb probléma volt, mert nem álltak rendelkezésre túl nagy kapacitások (jellemzően 16-50 mikróF). Az audiómágusok azt állítják, hogy a legjobb megoldás: csöves egyenirányító+fojtó
Külön fűtés meg szimmetrikus táptafó pl:2x250v
Hmmm, köszönöm a válaszokat, akkor maradnék a diódás egyenirányításnál.
:worship:
Én a 6P14P SE-t biztos hogy csöves egyenirányítással csinálom,EZ81-el.
Szerintem nem probláma a szimmetrikus trafó,(próbára van is rádióból) fűtőtekercs meg úgyis van a trafón. üdv
Én azt hiszem "benéztem" a dolgot. 6X5G-t sikerült szereznem, 2 db-ot, viszont az adatlap szerint csak 70mA lehet a max. áramfelvét...
Nekem pedig 2x90mA-re lenne szükségem. Végülis nem olyan nagy a "baj", terveztem leágazást Si diódás egyenirányítóhoz is.
Nemmuszály szimmetrikus táptrafó, példa a rajzon, nálam kifogástalanul működik.
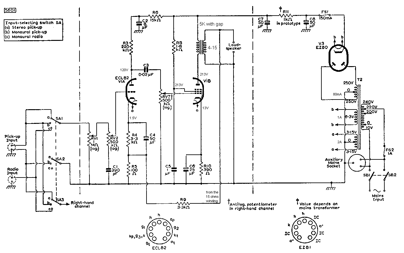
Az EZ80-as fűtése neekem a többi cső fűtéséről megy. Sztereó változathoz is jó. ezt ma rajzoltam le/át. elrettentésül teszem fel, hová is lehet(ett annó) fejleszteni ;-D (nem garantált hogy mindent tökéletesen láttam át )regards,
Ez az, én is valami ilyesmire emlékeztem. Ezt a tervezési filozófiát nagyon utálom.
Nézegettem csöves kapcsolásokat és azt láttam, hogy az újabb csöves rádiókban szelén egyenirányító a tévékben szilicium egyenirányító dióda van a cső élettartam rovására
De azért így is elég sokáig elmentek. Akkor nem törődtek ezzel mert ha tönkrement a cső akkor bementek a keravillba vagy ramovillba ahol fiókból kivették a megfelelő csövet. Olcsón meg lehetett venni nem úgy mint most. Tehát vagy csöves egyenirányító vagy félvezetős egyenirányító késleltetővel hogy csövünk hosszú életű legyen! |
Bejelentkezés
Hirdetés |


én vagy 15 éve sehová se raktam, ha egy kapcsolás anélkül nem jó, az már nem is erősítő 

Sajna a nyák nem a szokott minőség lett. Tintapatront kéne cserélni a nyomtatóban.
nem bírja a sok utántöltést.




