Fórum témák
» Több friss téma |
Fórum » Csöves erősítő készítése
Ne feledd betartani a fórum viselkedési szabályait, és a topik megmaradásának feltételeit. [link]
A téma átmenetileg fagyasztva lett, hozzászólni nem tudsz!
Szia !
Még mindig azt mondom Tudom, tapasztalat.De mint az előzőekben irtam, igazából akkor tudnád mi is ez valójában ha látnád. Szkóp, hanggenerátor,és mérni-mérni.... Műszer nélkül is lehet épiteni dolgokat, a csöves cuccot is be lehet lőni "fülre", de jobb ha van egy egyszerűbb műszerpark. Üdv! Luki
Szkóp, színusz, háromszög, és főként négyszögjel, és mindent tudsz az erősítő minőségéről.
Hiszek neked, de még nem vettem rá magam, hogy felcipeljem a rokonhoz. Igazából abban reménykedem, hogyha megkapja az alumínium sasszit, akkor megszűnik a dolog.
Oszcilloszkópot meg talán összerakok egyet, hangra biztos jó lesz. Szereztem DG 7 113-as csövet. Apropó, nincs valakinek egy egyszerű kapcsolása hozzá? (A Rózsa könyvben lévő meg van nekem is, de feleslegesen bonyolultnak tartom arra a néhány khz-re amihez kéne.) Esetleg ez jó hozzá?
Gratulálok hozzá! Örülök a sikerednek. Az EL84 PP már alkalmas hangosabb zenehallgatásra még érzéketlenebb hangfallal is.
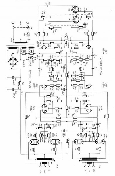
Sziasztok! Új vagyok ebben a topicban , szeretném kikérni a véleményeteket ezzel az erősítővel kapcsolatba , érdemes e megépíteni .
Hát azért egy kivezérlésjelző és egy oszcilloszkóp nem egy lapon említhető dolgok! A kivez jelző egy "becslő" áramköri részlet, az oszcilloszkóp meg egy mérőeszköz. A pontosságuk nagyon messze áll egymástól! A saját építésű szkóppal is lesz egy olyan problémád, hogy másik "etalon"szkóp nélkül nem lehet beállítani, és így a pontossága hagy némi kívánnivalót maga után! Utána a mérési eredményeiről honnan fogod tudni, hogy mennyire pontosak?
Jó kis erősítő lehet ez, de attól is függ ez, hogy mihez illetve mire szeretnéd használni. Nem tudom mennyire vagy gyakorlott a csöves technikában, de ez kezdő erősítőnek kicsit bonyolult lehet! De nem lebeszélni akarlak, csak érdemes ezen elgondolkodni.
Szia!
Köszi! Kissé drága, de valóbban " fertőző". Meglepő volt a mélyátvitele szkópon is néztem négyszögjellel száz Hz-en nem látszott tető esés ilyet tranzisztorosnál nem láttam.
Persze, tudom ,hogy a kettő nem ugyanaz. Szkóp van elérhető közelségben hitelesítéshez, csak nem saját. Azért tettem fel így a dolgot, mert mindkettőt meg szeretném építeni és nyilván az egyszerűbbel kezdeném. Csöves erősítő mellett egy ilyen kivezérlésjelző nagyon tuti lenne és nem feltétlenül kerülne többe, mint két varázsszem (mondjuk trafó nélkül, azt tekerek). Már adtak ötletet a szkópépítés házilag topicban.
még megvannak az alsó épületben, a 14 éves koromból származó általam építeni kezdett oszcilloszkóp roncsai... soha nem készült el ...
Szia!
Jól meghajtja a 86db/ m -es hangfalat visaton hangszórókból készítettem vagy 12 éve. Szerintem érdemesebb jobb,de még megfizethető hangszórókat használni hosszabb távon igazolódik, a sal-ról rossz a véleményem, de ez kicsit más fórum lenne, de a hifi fontos része.
[OFF]Én azért befejeztem, abban is DG7-113 volt. A meghajtását EF184-esek, ill. E88CC végezte, és ez utóbbi volt az Y erősítőben is. A fűrész ECF80-assal volt felépítve. Nemrég került elő a '80-as években tartaléknak vásárolt pár db ECF is, melyből Djhans fog majd valamit alkotni.
Valóban nem érkezett még válasz. Köszönöm!
Gondolom a kapcsolási rajza már nincs meg...
Esetleg jobb felbontásban fel tudod tenni? Nem olvashatóak az alkatrész értékek.
[OFF]De- nagyrészt megvan, megpróbálok rákeresni.
A tápján viszont sokat alakítottam, mert egy rádió hálózati trafót tettem bele.
Hát valahogy akkoriban a szkóp éhség miatt én is így kezdtem, de abból sem lett természetesen semmi, az egy-két nehezen beszerezhető alkatrész és az állandó időhiány miatt. Azóta el is ajándékoztam a DG-s csövet, a többi alkatrész meg erősítőkben végezte!
Itt van, a '69-es Évkönyvből való.
Köszi a rajzot, átnézem. Közben kadaristtól is kaptam egyet. Ahhoz van minden itthon, de végignézem ezt is.
Most éppen azon fáradozom, hogy ezt a "KIT"-et végre összeépítsem
Szép kitt , majd ha kész megmutatod !
Nagyon szépek azok a panelok, de a trafók sem kutyák! Fleta művei?
Hát persze, hogy Fleta kezemunkáját dícsérik
Sajnos kicsit bele kellett "barmolnom", mert az elméletet néha nem igazolja a gyakorlat...
Szia !
Igen , megpróbálom feltenni jobb felbontásba. Gábor
Szia!
Nem kapcsolod ki az átméretezést!
Sziasztok!
Bocs az off-ért, egy kis piacfelmérést szeretnék tartani. Érdekel valakit új PL 508 -as cső? 9db-om van ebből 5-től szívesen megválok. Irányár 1500Ft/db. Olyanok jelentkezését várom, akiknek van megfelelő csőmérőjük, mert párba kéne válogatni őket. Van rengeteg új PCF 82-eseim is, az apróhirdetések között megtalálható.
[OFF]Az 1-est nyugodtan vedd el az elejéről, és még akkor is marad a probléma, hogy nem tudsz további példányokat beszerezni, nem nagyon láttam a börzén sem. 1 garnitúrára meg nem építünk erősítőt, mert mi van, ha tényleg nem tudunk beszerezni később belőle? Akkor már inkább a PL500, abból még van elég. PCF82-esből (meg a többi PCF-ből is) van bőven, de nem nagyon szoktuk őket használni a 9V körüli fűtőfesze miatt. Akkor már valami Szovjet kettőstrióda.
|
Bejelentkezés
Hirdetés |









