Fórum témák
» Több friss téma |
Ez nem bonyolítás, hanem egyszerűsítés: nem kell a (nem létező) következő sorba léptetni a kurzort.
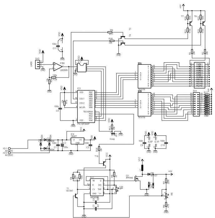
Végül is elkészült ez a hőmérő, baromi egyszerű, és elsőre ahogy kell megy: Bővebben: Link
Sziasztok!
Ezt a hőmérőt én is megépítettem. Nagyon pontos, egyszerű kapcsolás. De van egy kijelzőm, amin nem indul el a kijelzés, ha szaggatom a tápot, néha látom a kijelzett értékeket. Nem tudom, talán rossz a kijelző ?
Szerintem a kijelző lehet rossz. A minap vettem én is két kijelzőt, ami állítólag jó, megkaptam, és egyikkel sem ment.
Szia!
Ezt sajnálattal hallom, de számomra az a furcsa, hogy a telefonban az utolsó percig jó volt. És tulajdonképp, működik is, meg nem is. Olyan mintha, nem indulna el a kijelző. Ez olyan fajta, hogy a lábak az üveglapon, fixen vannak rögzítve. Ami meg működik, azon egy kis segédlapon vannak az érintkezők kétoldalt. Lehet, hogy csak utóbbi jó nekünk?
Nem hiszem, hogy csak az a jó, nézd a szerző is olyat használt amiben nincs "segédáramkör" Bővebben: Link
Sziasztok! Meg szeretném csinalni a Vicsys által felrakott digitális hőmérőt pic 16F84A-val
de gondom támadt a forráskód módositásánál. MPLAB-al probalkoztam de nem sikerült. Egy olyan hex file-t generált, amelyik nem is hasonlít az eredetire. Minden sorba ezt irta:":1000B000FF3FFF3FFF3FFF3FFF3FFF3FFF3FFF3F50" . Tudnátok estetleg ajánlani egy programot amivel egyszerüen át lehet tenni az asm-t hex-be, és el tudnátok nagyjából magyarázni hogy kell? Most probálkoztam ilyesmivel először. Segítségeteket előre is köszönöm!
Sziasztok!
Van egy kis gondom egy kapcsolási rajzzal! Szeretnék építeni egy nixie csöves hőmérőt PIC-el. Találtam is rá korábban egy kapcsolási rajzot, ezt le is mentettem, viszont akkor nem vettem észre, hogy a rajzon az IC7 típusa nincs feltüntetve, közben pedig a weblap ahonnan letöltöttem megszűnt. Tippeltem egy A/D converter ic-re (ADC0831), sikerült is beszereznem, viszont ezzel nem mutat valós értékeket, illetve "melegedés" hatására visszafele számol. Ha valakinek lenne még tippje azt megköszönném, mert én már minden ötletből kifogytam....
Végszükség esetén a PIC programjából ki ehet silabizálni, hogy az RA0, RA1, RA2 lábakon mi történik, s a beolvasott értéket hogy dolgozza fel.
Egyébként az adatlap és a mellékelt ábrád szerint hibásan kötötted be az ADC-t, mert az 1-es láb a Chip Select, amit a PIC-re kellene kötni, az 5-ös láb pedig a referencia, amit a +5 V-ra akartál kötni.
Megcsináltam így is, de semmi nem változik a leírtakhoz képest.
Mi az, hogy "így is"? Tudod már egyáltalán, hogy a PIC RA0, RA1, RA2 lábai közül melyiknek mi a szerepe, vagy csak vaktában kötötted össze az ADC 1-es (és a többi) lábával?
Tudod-e már, hogy azt, hogy a PIC hány bites adatot vár? Lehet, hogy balra kell shiftelni a bejövő adatot. De ez csak a programból derül ki.
Mellékelem a programot is. Megmondom őszintén én nem sokat értek a program írásához, viszont egyik munkatársam valamilyen szinten érti a programozási dolgokat, de sajnos Ő sem jött rá.
Amúgy köszi, hogy megpróbálsz segíteni! (tudom, hogy a kapcsolási rajzon 16F84 szerepel, viszont a program 16F628-ra van írva...)
Üdv, mindenkinek!
Én szeretnék épiten egy digitális hőmérőt. És én nekem ez a nokia kijelzős megtetszett: http://www.ivica-novakovic.from.hr/Nokia%20Lcd%20Termometar.htm Ez a kapcsolás jól működik? És néztem az oldal alján a pic-be égetendő hex-et, az jó hex mert csak pár kilobájt.
Kösz a segitséget.
Frankón néz ki a tiéd. Gratula! Idézet: Mostmár csak azt kellene tudni, hogy nálad melyikkel van megépítve a kapcsolás.„tudom, hogy a kapcsolási rajzon 16F84 szerepel, viszont a program 16F628-ra van írva...” Ha PIC16F628A szerepel az áramkörben, akkor a programból hiányzik egy olyan beállítás, ami letiltja az analóg bemeneteket (az adatlap szerint bekapcsoláskor a CMCON regiszter CM<2:0> bitjei 000-ba állnak be. Neked viszont a CM<2:0> = 111 volna a nyerő kombináció. Tehát kellene a program elejére (TRISA beállításával kezdődnek a végrehajtandó utasítások) egy CMCON = 7 beállítás. Az ADC bekötése a reggel említett elkötéstől eltekintve jó. (A programlista szerint RA0 a CLK, RA1 a DATA, RA2 pedig a CS jel. Temprec harmadik utasítása (low cs) után illene várni valamennyit! (mondjuk 20 us?) Az SHIN függvény pontos használatának módját a fordító dokumentációjában kell ellenőrizni.
Hello! Engem érdekelne az Atmega8-al elkészített megoldásod. Hol érhető el? Köszönöm.
Háj! Az LM35CZ-nek mennyi a kimeneti feszültsége akkor, amikor a legkevesebb hőt méri? (-50C?)
Miért nem tölzöd le az adatlapját a datasheet ről ?
A - ok méréséhez már negatív segédtáp is kell !
De ez CZ. Hát ha tudnám mit kellene néznem az adatlapban, jó is lenne, azért kérdem
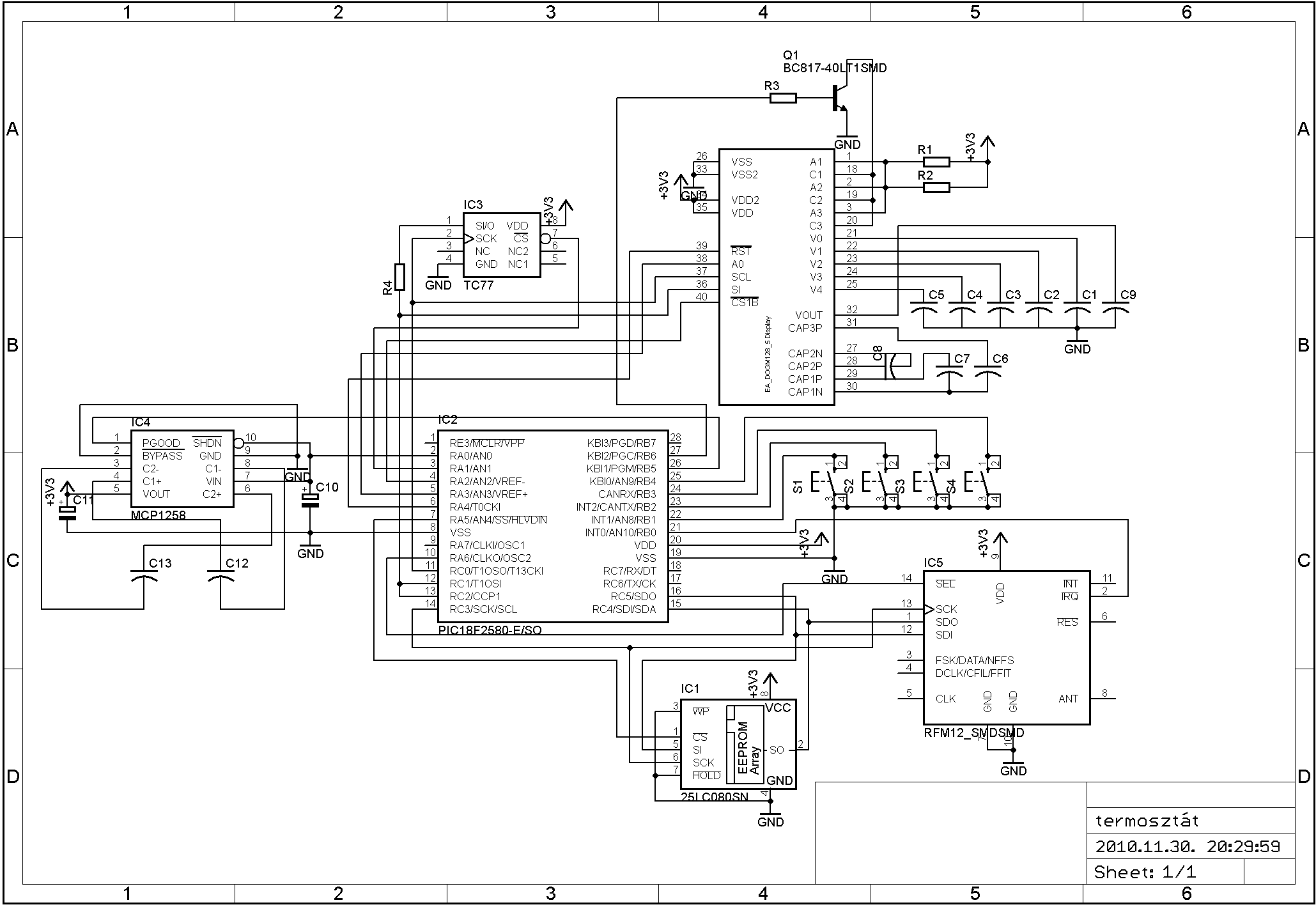
Szeretnék használni egy TC77 típusú hőmérséklet érzékelőt, viszont az áramkörön több SPI buszos alkatrész lenne (kijelző, EEPROM, RF chip). A hőmérőhöz össze kell kötni az SDI és SDO lábakat. A kérdésem az lenne, hogy így fel tudom fűzni egy buszra az összes buszos alkatrészt és nem okoz problémát az összekötés, vagy a hőmérőt külön kell kezelni?
Szia!
Ne kösd össze a két vezetéket. Ha megfelelő a gyári beállítás: folyamatos konverzió és nincs shutdown, akkor elegendő az SDI vonalat bekötni, az SDO-ra nincs szükség. (Természetesen /CS és CLK azért kell )
A készülék elemes lenne, így fontos a minimális energiafelhasználás, tehát szükség van a hőmérőbe írni is.
Hello!
Melyik PIC-el építetted meg? 12F629-el szeretném, már abba programoztam egy párat, de soha nem mentettem le a hex file-t a gépemre. Most is programoznék egyet, és az oldal készítője átírta a letöltést, mert kivette a 12F629-es hex filet, és csak a 12F675-ös van ott. Az meg szerintem nem jó oda. Szóval ha van a 629-eshez hex-ed akkor kérlek tedd ide fel.
Szia!
Két dolog jut eszembe, amellyel próbálkoznék. Az egyik az, hogy egy külön portlábat használva ellenálláson keresztül kapcsolódunk az SDI vonalra. Miután beolvastuk a hőmérséklet adatot, a portlábon keresztül magas szintre húzzuk az SDI vonalat addig, amíg ki nem küldtük a két bájtnyi konfigurációs szót. Utána a portláb lehet bemenet, így nem lassítva tovább a kommunikáció sebességét (Hi-Z). A másik lehetőség, hogy az SDI, SDO vonalat ellenállással kötjük össze és a konfigurációs szót az SDO vonalon küldjük ki. Előnye, hogy nem kell külön portláb, hátránya, hogy az ellenállás és a vezeték szórt kapacitása egy RC tagot alkot, mely az időállandó függvényében csökkenti a kommunikáció maximális sebességét és mivel nem lehet leválasztani az ellenállást, ezért minden SPI eszköz sebességére, mely a buszra kapcsolódik hatással van. Halkan jegyzem meg, nem próbáltam ki ezeket a megoldásokat, így garanciát nem tudok vállalni, mindenesetre először ezekkel próbálkoznék.
Sajna ez már nem lehetséges...
Köszönöm a tippeket. Egyenlőre úgy fogom kipróbálni, hogy csak a hőmérő kommunikációs lábával sorosan kötök egy ellenállást. Ezen az SPI buszon van még a kijelző, viszont ennek csak bemenete van, így ezzel a megoldással remélem nem kell csökkenteni a kijelzőnek küldendő adat sebességét.
Sziasztok,egy kérdésem lenne,nagy különbség lehet a ds1821 és a ds1820 hőmérő szenzor között?
A vicsys féle nagy pontosságú hőmérőt építettem meg,de meg van "makkanva" -001.50fok van rajta a 1820-as érzékelővel,és meg sem mozdul. |
Bejelentkezés
Hirdetés |




? 








