Fórum témák
» Több friss téma |
Fórum » Egytranzisztoros erősítők (Zen)
Valami nem stimmel akkor mert nekem bőven van mély, discozenén is, jók a basszusok. Elég nagy a be és kimenő kondid ? Hogyhogy a fet nem melegszik ? Mennyi a felvett áramod ?
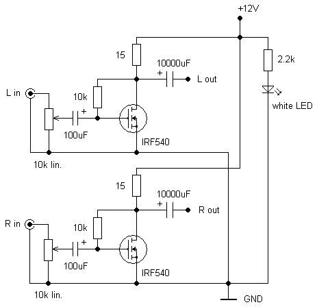
A kapcsolásod szerint építettem. 100 mikró és 10000mikró.
A felvett áram 0.8-1 amper. A FET kézmeleg. Lehet, ha menne órákig felmenne 40-45 fokra is.
Hm. Akkor nem tudom... talán a hangfalad nem olyan jó mélyben ?
Ez simán lehet, mert ez egy musiccenter egyutas hangszórója....
!Sajnos ezt viszont nem tudom kiszűrni, csak úgy, hogy építek egy tutiszuper erősítőt, mondjuk LM1875, és összehasonlítom.... de ez milyenmá'?
Ja, akkor tényleg. Nekem nagy és jó minőségű két utas bassreflex 120w-os álló hangfalam van.
Javaslom szerezz nagyobb hangfalat. Sokkal többet számít egy jó hangfal mint az erősítő. Nagyon jó hangfalakkal még egy sima ic, pl. tda1552, 1554, 1558,stb. is nagyon jól szól.
Na visszacsináltam, csak így a legjobb. Ha tényleg igaz kd mester elmélete a jó torzításról, akkor ennek csak olyan van, ami megszépíti a hangot. Mint a triódás SE erősítőknek is. Valódi hangszereken és énekhangon zavarbaejtően élő hangja van.
Végülis tegnap kipróbáltam egy még szarabb hangfallal.
Illetve érdekes volt, mert emez a magasakat jobban kidomborította, az enyém meg inkább térhatást adott testesen. Aztán rákötöttük mindkettőt(6 ohm + 4 ohm) párhuzamosan a teljes hangzás érdekében. Miután bemelegedett, egész jó kezdett lenni, de összehasonlítási alapom sajnos még mindíg nincs.Megépítem majd wartovski 2 fetesét, meg egy lm1875-öt és megnézem. (Mert amúgy szimpi a koncept.)
Kipróbáltam a kis kondit lecseréltem, egy bipolárra, és azt tapasztaltam, hogy nagyon lefojtotta.
15 ohm helyett, meg az ízzó(12V/21W) válik be inkább. be lehetne illeszteni a családi életbe, egy bútorszerű házzal, mondjuk mint csészemelegítő a kávéfőző mellé, vagy tea-melegentartó. A kis izzó meg mint egy stilizált tábortűz....
Nem tudom. De talán jobbak a kisebb feszültségű, nagyobb áramú típusok. De hát ki kell próbálni, az mindíg a legjobb megoldás...
Én is próbálgattam már a bemeneten többféle kondit, pl. mkt 6,8µF-t is, de nem tetszett. Az elkóval jobb, szerintem a minél jobb átjárhatósága a fontos. Design-on én is gondolkodtam már, pl. egy agymenésem az az lenne hogy két szál csillogó sárgaréz virág lenne az erősítő, a szirmok a hűtés, a virág közepén az ízzó, a szárában futnak a vezetékek le egy vázába, amiben a többi cucc van... elég elvont lenne...
Hát igen... kemény dolgok ezek.
Így néz ki a cucc nálam a mindennapi használatban, meg a hangfalak, ezekkel már nagyon szépen szól.
Nos, most azt vettem észre további tesztek során, hogyelég nagy hangerővel, az izzó diszkólámpaként viselkedik, alig észrevehető fényerőingadozásokat produkál. Ez mitől lehet?
A hangszóró 4 ohm 20W, a táp 11,97V. Áram 1,1A
Nyugalomban az összes áram az ízzón folyik át egyenáramként. Amikor jelet kap, akkor modulálja ezt az egyenáramot, így annak egy része hangfrekvenciás váltóárammá alakul, ami már átjut a 10000µF-os kondin és kimegy a hangsugárzóra. Vagyis zenei csúcsokban a hangsugárzó mintegy elvesz áramot az ízzótól.
Unatkoztam... ezért megrajzoltam a mostani teljes (sztereó, potival, mindennel ) kapcsolási rajzot kétféleképpen is.
Elkészítettem a ZEN erősítő "kocsiba való" változatát. A 2 FET PP módban működik, így AB osztályú beállításban is működhet. 1A nyugalmi áramot vesz fel, amely egy bizonyos teljesítmény felett meredeken emelkedik. Számításom szerint komolyabb hűtéssel kb. 100W leadására lenne képes.
Elöl-hátul transzformátoros csatolás ? És hogy szól ?
Lesz egy kis időm elkészítem a rajzot. A bemenő trafó egy rádiós ébresztőórából származik. Ezt az egyet találtam primer oldali középmegcsapolással. A két FET földelt S-ű kapcsolásban működik, a kimenő trafó pedig egy 1-1:3,5 áttételű 250W-os kimenőtrafó. A bemenő trafó a magas hangokat elég durván levágja, úgyhogy valószínű száműzve lesz a kapcsolásból, helyére tranzisztoros, vagy IC-s fázisfordítót rakok.
Megépítettem, ez működik én nagyon szépen szól, de ugye feszültséget nem erősít. Majd megy elé még egy opamp erősíteni.
Hy! Azt szeretném kérdezni, hogyha a végére nem 10000µF-es kondenzátort teszek, hanem 4700µF-osat akkor ez változtat valami?
Majdnem olyan jó azzal is, nekem is korábban akkora volt.
Kösz szépen! Ma vettem meg az alkatrészeket holnap majd összerakom, és kipróbálom...
Ez elé akár egy ECC86-os előerősítő fokozat is mehetne. 6V anódfeszültség már elég neki.
Hy! Ha az izzó ( a fojtó ) 12 V / 40 W-os teljesítményű, akkor az nagy baj ? Mert nincs itthon csak ilyen......
Egyáltalán nem baj, viszont akkor nagyobb teljesítményfelvétellel kell számolnod, vagyis nagyobb hűtőbordára kell raknod a FET-eket. Az erősítési tényezője kisebb lesz, viszont a hangminősége nagy valószínűséggel javulni fog.
|
Bejelentkezés
Hirdetés |




!















