Fórum témák
» Több friss téma |
Toroiddal fel lehet menni gond nélkül 400Hz-ig biztosan, de valszeg még feljebb. A hatásfok akkor se lesz jobb 70% körüli értéknél. Én arra szavaznék, hogy be kell tenni 1 másik akkut 1 relével, ami csak akkor köti őket sorba amikor kell a 24V. (így volt a régi Csepelekben is, csak ott alapban volt 24V, indításnál párhuzamosan tette őket 1 relé mert az indítómotor 12V-os volt)
A FET -et hogy lehet megcsinálni hogy feszültséget csökentsen
Hogy képzelted el a vezérlést? Analóg vagy PWM?
Ha már FET-nél tartunk akkor miért nem csinálnak áteresztő FET-es stabilizárort?
Olyan mint az áteresztő tranzisztoros csak FET-el. Én még ilyen kapcsolást nem láttam.
Én se nagyon láttam még áteresztő tranyó helyett FET-et,(kivéve PWM step down konverter) de olyat már igen ahol szinuszos jellel volt meghajtva és az működött.(DC-AC inverter)
anyira nemértek a FET hez kérdeztem hogy nem e lehetne használni szabályozásra mert már mondták hogy ventilátorhoz készitetek szabályozót
Szerintem, ha ventit akarsz vele szabályozni akkor a legjobb a PWM szabályzás.
nem ventit szeretnék vele szabályozni hanem égőt de nem nagyon értek hozzá nem tudom mi az a pwm szabályozás
[link=http://www.solorb.com/elect/solarcirc/pwm1/]http://www.solorb.com/elect/solarcirc/pwm1/[/link]
[link=http://www.nomad.ee/micros/pwm555.html]http://www.nomad.ee/micros/pwm555.html[/link] http://torolt_link6/webtartalom/kapcsolasok/pwmdc/motor-pwm.pdf A PWM jel tulajdonképpen egy négyszögjel sorozat. A lényeg az, hogy a PWM jel kitöltési tényezőjével arányos a terhelésen átfolyó áram nagysága. Használata azért előnyösebb az analóg szabályzókhoz képest mivel egy tranzisztort (FET) a két véghezetében dolgoztatunk. Vagy nyitva vagy zárva van. Ezáltal kisebb a hővé alakuló teljesítmény veszteség is.
ezzek jók csak nekem 40 volt ból kel kis feszültséget csinálni
"Impulzus szélesség moduláció" magyarul. a lényeg az hogy 30-40KHz-es négyszögjellel(esetleg többel) kell szaggatni a fogysztó tápját. És a négyszögjel kitöltési tényezőjével kell variálni. tehát ha 50% a kitöltési tényező akkor a fogyasztón fele akkora áram fog átfolyni. ha 10%-os akkor csak nagyon rövidek az impulzusom, ha 90% akkor tovább tartja nyitva a MOSFET-et az áramkör.
És ugye nem 220-as izzót akarsz szabályozni mert az teljesen más tészta.
Oda valami DC-Dc konverter kéne.
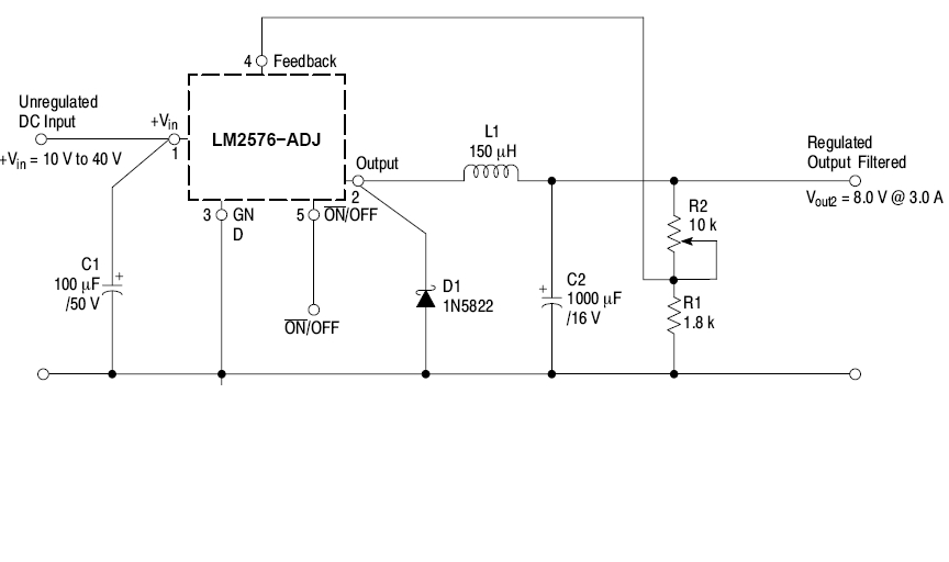
pl.: LM2574 És az adatlapja 21. oldalán vagy egy kapcsolás amivel a kimenő feszt szépen be lehet állítani. max 0.5A-t tud. Ha 12V és 5W kell akkor az 0.41A. Pont elég.
az igaz de egy kicsit drágálottam az ic nek az árát csak azért hogy 1 égőhöz használjam nemtudom de 3000 nem drága egy kicsit
Hát szerintem ha meg veszel külön külön mindent és nagy nehezen megépíted akkor kb ugyan ott vagy.
az lehet hogy az ára közelit de az esőtől hogy védjem meg az ic-t meg FEt van ithol gondoltam hátha van valakinek valami ötlete vagy kapcsolása rá
Ötletem az lenne. nem muszály pont azzal az IC-vel. Jól használható a TL494-es IC is. ez jóval olcsóbb de itt több külső alkatrész kell.
De ha neki egy 12V 5W-s égőhőz kell csak akkor PWM szabályzással szerintem meg lehetne oldani.
Vagy nincs igazam?
minden jó ötletet és rajzot szivesen fogadok
dehogy nem! akár 100W-os izzóhoz is lehet PWM szab.-ot csinálni, sőt annál csak az ajánlott.
nem ragaszkodom a 12 volt 5w hoz tőlem 12 től lehet kevessebb is mert a 6 voltos kerékpárizzó is nagyon jó fényt add most a sima biciglibe egy 6 voltos halogén égő van és király a fénye nekem az is jó ha ahoz le tudom csökenteni a feszt
akár mekkorára le lehet csökkenteni a fesz. sőt még növelni is, de az már egy másik történet.
SZERETNÉM MEGKÉRDEZNI HOGY EBBEN A KAPCSOLÁSI RAJZBAN FONTOS E AZ L1 TEKERCS SZÜKSÉGES E BEÉPITENI ÉS HA KIHAGYNÁM MI TÖRTÉNNE
Ha L1-et kihagyod akkor nem működik! Mivel az a lényege az egésznek.
Idézet: „Ha L1-et kihagyod akkor nem működik!” Kivétel, ha C2-t is kihagyod Ápropó Speki, legközelebb tömörítsd a képet mielött feltolod, 1.27M kissé sok! Leszedni is, meg tárolni is. THX |
Bejelentkezés
Hirdetés |










