Fórum témák
» Több friss téma |
Fórum » Elektroncső-vizsgáló berendezés
Témaindító: bakos13gab, idő: Júl 12, 2012
Témakörök:
Szia Lee! Elnézésed kérem, de nem találom a rajzot. Végig túrtam 33 oldalt, de lehet, hogy elsiklottam felette. Feltennéd a linkjét légy szíves?
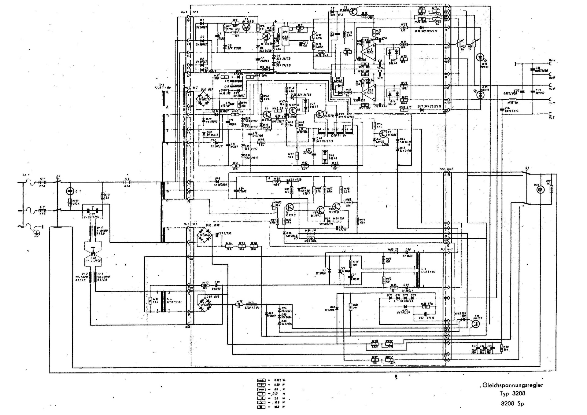
Gyenge minőségű rajz, de a lényeg ott van. Az RFT gyártotta sok éve ezt a tápegységet, remekül működik, sok mindenre használható. Időnként van belőle eladó...
Van róla rajzom de az azon lévő értékek a kisebb feszültségű változathoz valók, elvileg azok a jó értékek amik a nyákterven vannak, ezen 400V-os kondik vannak szóval a bejövő feszültséggel az alatt kell maradni, a fetek pedig 500V-osak. A nyákon van két zéner, oda is írtam hogy azok nem kellenek bele. A segédtápot alacsony feszültség (50-60V) esetén le lehet venni a 2db zénerrel a fő tápból, ekkor nem kell külön segédtáp, nagy feszültségen viszont kell, olyan 15-25V DC körüli feszültség kell a stab IC táplálásához. A hűtése egy nagyobb méretű CPU hűtő, amin ha maxon pörög a ventilátor akkor olyan 150W-ot biztonságosan el tud disszipálni a 3db FET, amik ha nem egy alomból valók akkor érdemes őket összeválogatni, hogy minél egyformább legyen az árameloszlás rajtuk. A nyákterven IRFP240 van de ugye az nem jó mert az csak 200V-os, legalább 500V-os fetek kellenek bele, nekem STW20NK50Z-k vannak benne amiket még régebben itt vettem az apróban jelképes (70Ft) áron.
Sziasztok! Köszönöm mindkét választ. A LAY filet itthon nem tudom megnyitni, holnap férek hozzá a tervhez. Közben nezegettem, hogyan kell munkaegyenest szerkeszteni. Rájöttem, ha van gyári csöves nagyfesz tápom, a mérésekhez ezt lenne célszerű használni. Így kiveszem a raktárból és megoldom valahogy a transzportot a másodlagos lakhelyemre.
Amit még találtam: A triódák tesztelésére néhány youtube videon alkalmazták azt is, hogy kalibrált anód és katód ellenállás mellett az anód feszültséget mérte a kolléga a meghajtás függvényében. Szándékosan keresett egy használt csövet és a differencia jól mérhető volt. Utána ráfűtött az ECC83 ra 9 voltttal, és úgymond égetett a katódon. Az a mondás, hogy a használt csöveket ebayen így adják el, mert utána egy ideig hozza a paramétereket a régi cső is. Találtam továbbá egy ötvenes években írt cikket. Ezek szerint DC erősítőknél a fűtés feszültség minimális kompenzálásával állították be az együtt futást. Ugye a csö fűtése sorba kötve, majd az egyik félhez párhuzamos ellenállás bekötésével a katód hőmérséklet állítható. Kis értékű eltérés esetén az együttfutás mérőműszekek esetében biztosítható volt. Megkeresem és becsatolom a linkeket. Tegnap éjjel telefonoztam, most meg nem találom a videót a PC-n.
Szia Lee! Meg tudtam nyitni a filet. Ezen a gépen van spint. Jó látom, hogy ebből kettő darabra van szükségem: egy az anódhoz, és egy kisebb teljesítményű a G2-höz? Jól megtervezett holmi. Miért van benne 3 potméter? Jól látom hogy fólia oldal felől van a nyák? Köszönöm!
Közben megjött egy rakat cső is. A hozzászólás módosítva: Ápr 7, 2024
Nem kell belőle kettő, mert nem hiszem, hogy az anódnál magasabb tápra szeretnéd kötni a g2-t. Azt vagy ugyanoda kötöd, vagy egy az anódfeszből leosztott feszültségre. A három poti azért van, mert egyikkel állítod a feszültséget durvábban, a másikkal finomabban, a harmadikkal pedig az áramkorlátot. Az áramkorlátot úgy kell méretezni, hogy ha a maximálisra állított áramnál rövidre zárod a táp kimenetét akkor se essen baja. Mondjuk 350V esetén olyan 3-400mA legyen a maximum, azt még el tudja fűteni, rövid ideig mindenképpen. A nyák egy szabályos nyák, az alkatrész oldalon a furatszerelt alkatrészek vannak, a fóliaoldalon pedig az SMD alkatrészek, ahogy általában az lenni szokott.
Megérkezett a tápegység. Lassan indulnak mérések. Először ezt kell kalibrálnom.
Üdv!
Az lenne a kérdésem tungsram ecc82 csövek között találkozott már bárki rácsáramossal? Alapból nem találkoztam eddig kis csövek között ilyennel, nem volt jellemző. Most legalább 3-4 db jött egymás után a héten, persze ismeretlen előéletű csövek, már kezdtem gyanakodni arra hogy a műszer nem jó (l3-3), 15 uA állásban egy idő után 3-4-5 re felmegy, érzékeny arra hogy a csövet finoman mozgatom, ilyenkor van hogy kiakad a mutató és a negatív rácsfeszültség le is esik, persze nem mindegyik csőnél. A műszert teszteltem oly módon hogy egy ismert értékű ellenállást raktam a katód, és a g1 közé cső nélkül, hajszál pontosan annyi áram szivárog aminek kell. Viszont mikor a fenti jelenség beáll, mutató kiakad, vagy épp van rácsáram, akkor ha az anódfeszültségen leveszem, vele párhuzamosan megszűnik a rácsáram is.
Könnyen lehet a lábaknál hajszálrepedés, és már elkezdtek gázosodni, meglehet, a getteren még nem látszik.
Ha elveszed az anódfeszültséget, mitől lenne rácsáram? A katód, és a rács is ugyanazon a potenciálon van, mert nincs katódáram se.
Sziasztok!
Időnként kerül hozzám orosz l3-3 cső teszter amiknek általában ugyanazok a gyermekbetegségei ennyi idő után, rendbe teszem őket. Nem rég kaptam egy fiatal példányt, 86-os gyártás, mellékelek két képet, sok alkatrész itt már jobb minőségű viszont a precíz tekert söntöket leváltották erre sok ellenállásra. Mi a véleményetek van ez olyan jó minta régi? Vagy ez csak költségcsökkentés? Szkeptikus vagyok
Ami gyári, áltakában elég jó. Mindig meglepődök a szovjet technikán. Szerették a huzalozást.
Mindkettő gyári, mire gondolsz?
Igen szerették a spagetti tésztát rendesen, a legjobb mikor minden fehér, vagy rózsaszín A hozzászólás módosítva: Aug 28, 2024
Valószínűleg a késői verzióba is válogatták az ellenállásokat. Nem biztos, hogy a tekert sönt pontosabb.
Értem, és a teljesítmény, illetve melegedésre vajon melyik értéke változik jobban?
A tekercselt ellenállásnak lehet észrevehető mértékű induktivitása...
- Kivéve, ha figyeltek rá, hogy minimális legyen. - Statikus, vagy csak lassan változó üzem esetén nincs jelentősége. - Ha a csővizsgáló dinamikus paramétert is néz (pl. határfrekvencia, oszcilláció), akkor viszont fontos szempont.
Szerintem, nem kéne azokon az ellenállásokon számottevő melegedésnek lenni, de a fémréteg értéke biztosan kevesebbet változik mint a fémrétegé, 0,5W-os méretben 20ppm kontra 200ppm.
Más. Mi a becsületes nevük azoknak a kulcsos vagy karos vagy nyelves kapcsolóknak vagy nyomógombnak ami a képen van? Kéne ilyet vennem egy másik műszerbe de szerintem ilyet manapság már senki nem gyárt.
Ilyeneket régen telefontechnikában használtunk, és kulcsnak hívtuk.
Valószínűleg kallódik néhányunknál a fiókban, de fontos lenne az érintkező elrendezés. A hozzászólás módosítva: Aug 29, 2024
Idézet: „de a fémréteg értéke biztosan kevesebbet változik mint a fémrétegé,” Az idézett mondatrészt kevésbé tudom értelmezni, mint az idézett mondatrészt...
Szia!
Mik a tipikus "gyerekbetegségei" ezeknek? Mikkel találkozol leggyakrabban?
Mellékeltem egy képet, nem jó szót használtam igazából mert újan valószínű jó volt, de 30-40-50 év az nem kis idő, a képen keretezett olaj-papír kondik katasztrofálisan rosszak.
Mikor hozzám került a az oszcillátorán 450 mV feszültségét beállítottam egy óra múlva már egy voltnál járt, ahogy az 1.4 kHz es freki is mászott. Ha valaki jobban tudja ezeknek a kondiknak a típusát írja le, lehet én tudom rosszul, no ezek cserélve lettek stiroflex kondikra minden nagyon szépen beállt. Most bekapcsolom, fél órát várok, minden ott van ahol hagytam, a mutató beáll a kalibrálás jelre. De ezek a kondenzátorok jelen vannak a táp körben is, hidegítő kondi stb, mindet ki kell vágni, volt hogy az anódfeszültségem is mászott, kondik cseréje után stabil lett az is. Készüléktől függ még mi baja lehet, hagyományos söntöknél szokás hogy a forrasztás helyén a piros festék alatt megszakadhatnak, igazából ahány évjárat annyi verzió. Sorolhatnám, de ha az ember egyszer végig megy rajt, meghálálja a készülék... A hozzászólás módosítva: Aug 29, 2024
Ha nekem lenne ilyenem azzal kezdeném, hogy mérés nélkül cserélném az összes elkót és a többi kondit is, az oroszok ezekkel nem álltak a helyzet magaslatán. A csöveik jók, de kondik, relék, kapcsolók az nagyjából a vicc kategória. És ahogy írod is, a forrasztáshoz használtak valami olyan szert ami néha megeszi az alkatrész lábát tőben.
Lokátorban volt jó móka az ilyen mert semmi nem látszott belőle, soklábú késleltető művonal lábai a csőszegecsekben, a szegecs belsejében meg tőben elrohadva az alkatrészláb.
Az a vicc hogy egy ennél régebbi teszterben, direkt egyesével kiszedtem a 450 voltos elkókat, esr, és szivárgó áramot is mértem a névleges feszültségen és jók voltak.... Teljesen meglepett, nagy a szórás mint írtam a készülékek között, olyan is volt ami 70-es gyártás volt és semmihez nem kellett nyúlni mindene jó volt...
A barna csillám kondijaik nagyon jó minőségűek azokhoz nem kell nyúlni A hozzászólás módosítva: Aug 29, 2024
Én csak azt nem értem, hogy az a rengeteg méter kábel a készülékben nem okoz oszcillációt.
Angolul "leaf switch"-nek hívják. Magyarra "levél kapcsoló"-nak lehetne fordítani amire bár hoz találatot a google, de a felhozatal rendkívül szegényes.
Ebl21 bemérésSziasztokEgy amatörnek hangzó kérdésem van, Ismerkedem a csöves vilàggal, bemértem kisérletezés céljàból pàr darab nekem egyszerű csövet(ecc85, el84), kezdem érteni mit hogyan, de eljutottam az ebl21 hez, és nem tudom, hogy mit kezdjek a d1-d2 kivezetéssel?
Dióda. Leginkább, ha a Pentoda rész jó akkor használd. Demodulalasra vagy agc re. Ha csak erősítő lesz akkor még nem is nagyon kell.
Tracer 3 kitSziasztok! Megrendeltem Hollandiából a tracer 3 kitet. Már úton van. Jelentkezem, hogy működik. Felajánlom a lehetőséget elektroncső bemérésre. Nyilván drága holmi. Egyedül úgysem tudnám kihasználni.Bővebben: LinkA hozzászólás módosítva: Okt 10, 2024
Bővebben: Link Bocsanat. Most vettem eszre, hogy a link nem jo. Egyebkent a megrendelesnel semmi gond nem volt. Jo a kommunikacio, es regisztralt csomagban jon. Ami gond lehet, hogy alkalmas szamitogepet kell neznem, ami valoszinu egy regebbi PC lesz.
Szia, nekem utracer 6 van, ha valamibe kell segíteni majd csak szólj nyugodtam
|
Bejelentkezés
Hirdetés |






a PC-n. 










