Fórum témák
» Több friss téma |
- Ez a felület kizárólag, az elektronikában kezdők kérdéseinek van fenntartva és nem elfelejtve, hogy hobbielektronika a fórumunk!
- Ami tehát azt jelenti, hogy a nagymama bevásárlását nem itt beszéljük meg, ill. ez nem üzenőfal! - Kerülendő az olyan kérdés, amit egy másik meglévő (több mint 17000 van), témában kellene kitárgyalni! - És végül büntetés terhe mellett kerülendő az MSN és egyéb szleng, a magyar helyesírás mellőzése, beleértve a mondateleji nagybetűket is!
Szia!
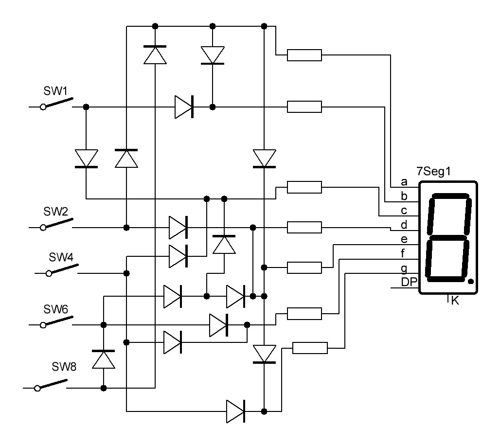
Mellékeltem az IC mentes megoldás alap kapcsolását. SW1 hatására 1 jelenik meg a kijelzőn SW2=2, SW4=4, SW6=6, SW8=8. Én ebben a formában sosem építettem meg, de így átnézve jónak tűnik. Másik megoldás az IC-s: Fogsz egy 4543 IC-t és az igazság táblázata alapján adsz magas vagy alacsony szintet az 2-3-4-5 lábaknak. Pl.: 0001 - 1; 0010 - 2; 0100 - 4 stb. A lábkiosztásokra figyelj oda! Mert 2-3-4-5 az C-B-D-A viszont az igazság tábla DCBA formában adja meg a logikai szinteket. Azért ezt az IC-t mondom mert ennek a 6-os lábon megtudod mondani, hogy közös anódos vagy közös katódos kijelzőt használsz. Remélem tudtam segíteni! Én sem vagyok jártas páka forgató. Azt azért elárulhatnád, hogy milyen kapcsolásba kell.
Mármint elkészíteni helyetted a nyáktervet?
Neeem.Azt nem tudtam kigobozni a szövegből hogyha nem akarok rá fotoellenállást akkor mi helyett rakjak mit és mit lehet elhagyni és ezt kéne lerajzolni egy kapcsolásban.Ha tudjátok akkor jó lenne eagle .sch-ban
Itt már megkaptad a választ.
R3 R4 kimarad a 4-es láb meg megy a 8-hoz.
Kezdőként szeretném megkérdezni, hogy a tranzisztor bekötésénél ebben a cikkben a Bővebben: Link a második ábra R2-es ellenállása miért van bekötve.
Előre is köszönöm
Jó köszi ezt elnéztem...
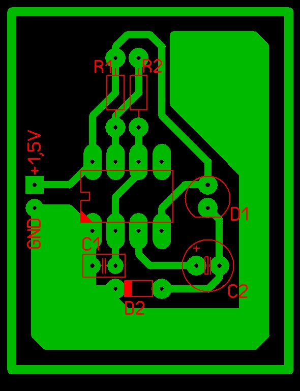
Nem használom az Eagle-t. Viszont itt egy lehetséges nyák rajz. Ezt még variálhatod ahogy akarod.
Sziasztok, ma kaptam egy PS-t a gyereknek, de nincs meg hozzá az AV kábel, na kinéztem netről a pinoutot, Bővebben: Link és a TV-t a 6-os lábra kötöttem, a hang egyértelmű, van kép meg hang, de a kép fekete fehér, és kissé zavaros, mit rontottam el? Ha tudtok segítsetek, a gyerek nagyon játszana.
Hello!
"Elképzelhető az, hogy egy dióda vissza enged pár mV-ot?" Rossz a kérdés.. Hogyan, mi módon mérted, mekkora feszültség mellett, mekkora terhelésen.. - Mert a dióda közel sem ideális elem, tehát nyitó irányban nem rövidzár, záróirányban meg nem szakadás. - Záróirányú áram nyilván feszültség és hőfokfüggő, értéke a katalógusban (ha igaz). - Ha egy digi műszerrel mértél valamekkora zárófeszültség mellett pár mV-ot, akkor ezt a mV egy 10Mohm-os ellenálláson esett. Tehát ha pld. 5mV-ot mértél, akkor a dióda záróirányú árama 500pA volt.. üdv! proli007
Igen digit. műszerrel mértem és 50-80 mV között mértem.
De közben rájöttem, hogy máshol van a hiba. Arra, hogy hol még nem tudom csak azt, hogy nem a diódák a ludasak.
Köszönöm a választ, még tanulok
Köszi.a layout nekem is jobban bejön de az eagle vel jó kapcsolást csinálni
Nem mind1 sajnos, hogy PAL vagy NTSC a konzol. Vagy ez vagy próbáld meg RCA-ra kötni.
[off]
Kinek mi. Én nagyon utáltam ezért választottam az sPlan+SprintLayout párost.
Köszönöm,ezek tényleg jók lesznek,már csak egy kapcsolást kell találnom valamelyikkel.
Koszonom szepen
. Nagyon sokat segitettel , nekem ez az akutoltombe kell egy 2N3055 el van , es egy fokozat kapcsolo segitsegevel valtoztatom az aramot , es azt akartam h mikor valtoztatom a kijelzo dolga csak annyi hogy irja ki hogy mennyinel van .. pl. 0.2 . Nem akartam kijelzos amper merot bele rakni mert nincs ertelme tul egyszeru ahoz a kapcsolas hogy egy amper merot epitsek , s atgondoltam es rakok egy analog amper merot is . Nekem ez a kapcsolas csak arra szukseges hogy lassam hogy melyik fokozatra van kapcsolva . Koszonom megegyszer , es meg egy kerdes : Letezik olyan fokozatkapcsolo hogy dupla legyen ... mert nm akarom hogy az akku toltomrol tapoljam a kijelzot , hanem ha valtok akkor egyszerre valtsa a kijelzot es az ellenalasokat is .
Hali
Attol fugg, milyen szintu kapcsolast akarsz. Egyszeru analog, esetleg cel IC-vel(7106, 7107), vagy PIC-es.
Ilyen kapcsolóra gondolsz? Nem igazán értem a kérdést.
Egyszerű analóg tökéletes lenne,a lényeg hogy pontos legyen (lehetőségekhez képest) eddig nem sok minden találtam, ilyen szenzorral és ere a hőmérsékletre semmit.
Ez az
koszonom . De ezt Bővebben: Link hol kell taplalni ? : hol a + es a - ? mennyirol kene taplalni ? Akarmien dioda jo ?
Akkor meg esetleg a kijelzesrol mit gondolsz? Mivel akarod a kijelzest?
Azért nem tettem bele tápot egyebet mert nem tudtam, hogy mire kell és azt hittem ez már menni fog.
Szóval, ha közös katódos kijelzőt használt akkor a kapcsolókra megy a + a kijelző katódja meg GND-re. Tápfesz rád van bízva. +5 +9 +12V. A lényeg, hogy az ellenállásokat méretezd a tápfeszhez. A kapcsolóról annyi, hogy két áramkörös kapcsolót keress.
Koszonom szepen a segitseged , es a ram szant idod
Sokat segitetel .
Kijelzés nem fontos,úgy gondoltam hogy miután megépítem majd egy hőmérős DVM-el bekalibrálom és ráírom a potira az értékeket.
De ha nem túl komplikált akkor persze jobb lenne a kijelző.
Szervusztok Hozzáértők!
Lehet, hogy nem idevág a téma, de nem tudom hol kérdezzem meg. A minap láttam; valakinek ajánlotta valaki, az Alldatasheet, Specsheet részét, keresni valamit. Nem tudom hogyan kell (rá)benne keresni. A problémám pl. olyan gyártó, ami a főtáblán nem szerepel (etc, untitled) gyártmányait nem találom, pedig véletlenszerűen elő-előkerül, tehát valahol megvan. Ilyenek pl. NDK, Lengyel, Csehszlovák, Szovjet, vagy időközben nevet váltott (felvásárolt) gyártók. Aki tud, segítsen (priviben akár, hogy ne itt foglaljam a helyet). Köszönöm: Kálmán
Jónak jó csak *** nagy. Nincs 1n4148 vagy hasonló?
Nem igazán értem a problémát, de a google-be bepötyögd a keresett alkatrész típusát 95%, hogy találsz róla adatlapot. Én az utóbbi időben sok CEMI cuccot kerestem. Az orosz kicsit nehezebb ügy, de azt is megtalálni.
Orosz cuccokhoz Orosz betűkhöz Kivátó típus keresése |
Bejelentkezés
Hirdetés |






egy
Sokat segitetel .
az jo a kapcsolasba ?





