Fórum témák
» Több friss téma |
- Ez a felület kizárólag, az elektronikában kezdők kérdéseinek van fenntartva és nem elfelejtve, hogy hobbielektronika a fórumunk!
- Ami tehát azt jelenti, hogy a nagymama bevásárlását nem itt beszéljük meg, ill. ez nem üzenőfal! - Kerülendő az olyan kérdés, amit egy másik meglévő (több mint 17000 van), témában kellene kitárgyalni! - És végül büntetés terhe mellett kerülendő az MSN és egyéb szleng, a magyar helyesírás mellőzése, beleértve a mondateleji nagybetűket is!
Mivel a 2.1 -nél három, az 5.1 nél hat bemenetet kell egyszerre átkapcsolni, és meglehetősen rövid vezetékhosszakon, az egyidejű átváltást félvezetős analóg kapcsolókkal oldják meg. A vezérlésük bináris kódokkal történik, és mivel ezek közösíthetők, egyszerűen megoldható akár mechanikus kapcsolókkal, akár digitális úton, mikrovezérlővel.
A 4053 az pont egy bemenetet tud átváltani kétfelé, így pont megfelelő a 2.1 -es rendszer átkapcsolására. (két 2.1 jelforrás kiválasztása egy erősítő bemenetére) Ha az A, B, C bemenetekre 0 szintet adsz akkor az egyik jelforrás bemenetét kapcsolja a kimenetre, ha az előbbi bemenetekre 1 szintet adsz, akkor a másik jelforrást kapcsolja a kimenetekre. Így az egyszem kapcsolónak csak vagy testet, vagy tápot kell adnia az IC számára az átváltáshoz.
Ez az ic lényegében tranzisztos kapcsólókat tartalmaz amik vezérlését digitális úton lehet szabályozni az A B C lábai keresztül (logikai H vagy L). Ehhez vagy valamilyen processzort alkalmaznak vagy csak sima egyszerű kapcsolókat. Ha 5.1 rendszered van akkor valószínű hogy a processzoros megoldást használja, ezekben ez a vezérlés a gyakori.
Sziasztok!
80 Wattos erősítőből fél hangerőn hány volt jön ki 4 ohm ra. Mert csak 8 ohm os erősítőim vannak. Mert hangsugárzóba szeretnék védelmet rakni.
Azért ám ez nem így működik. Egy erősítőnek azért van megadva a minimális terhelő impedanciája, mert ha erre kisebb terhelő impedanciát teszel, az első megjelenő hangra tönkre(megy)mehet a végtranzisztor, mert nagyobb áram fog folyni rajta a megengedettnél. Ne áltasd magad azzal, hogy majd nem tekered fel, az nem működik. Az erősítő kimenetére csak nagyobb terhelő impedanciát lehet kötni, mint a megadott, viszont akkor teljesítmény csökkenés lesz.
Azért kelne mert hoztak egy Orion hangsugárzót lehajtották szegényt teljesen a hangváltón van egy védelmi relé ezt a relét szeretném úgy beállítani hogy idő előtt le kapcsolja a hangszórókat. Orion hs 501 boleró hangsugárzó 4 ohm os Erősítő Sony str 6055
Sziasztok!
Ha adott egy feszültségforrás és egy vele párhuzamosan kapcsolt ellenállás, mi lesz a Thévenin ellenállása a helyettesítő kapcsolásnak?
Szia!
Ha van egy ideális feszültséggenerátor, akkor arra akárhány ellenállást kapcsolhatsz párhuzamosan, attól még mindig ideális feszültségforrás marad. Akkor lesz belső ellenállása is, ha soros ellenállás van az ideális feszültséggenerátorhoz kapcsolva. Magyarul 0 ohm lesz a thévenin ellenállás. Látom nálatok is elektrotechnika zh lesz. A hozzászólás módosítva: Nov 13, 2012
Sziasztok! A kérdésem a következő lenne.Adott ez a rajz karácsonyfa van ott olyan hogy D1...D4 vele sorba kötve R9...R12 Ezt úgy értelmezzem hogy közötte ugyan úgy kössem sorba D2-R10 és így tovább? Csináltam egy rajzot. A T1 környékén van. A választ előre is köszöntem. Üdv.
köszi
Szívesen
De ez csak akkor van így, ha ideális a feszültséggenerátor. Ha egy valós(tehát thevenin) generátorra kötsz párhuzamosan egy ellenállást, akkor az egy feszültségosztó lesz, de gondolom te ideálisra gondoltál.
Hello!
De tegyük hozzá, hogy a D19 így soha nem fog világítani, ha csak a D18-D17-et meg nem fordítod. üdv! proli007
A tokozás a különbség, AU: 32TQFP, PU: 28PDIP.
Digitális rendszerrel volt megoldva a hangerő szabályzás és a bemenet választás volt, egy elég nagy IC vezérelt mindent, az valamilyen oknál fogva egyik pillanatról a másikra meg adta magát. Akkor egyik haverral ki dobtuk a digitális rendszert le analogizáltuk, be lett kötve 2.1 re, a Multipexereket és a hangerő szabályzó IC-t ki hagytuk és tisztán az elő erősítőre ment a jel.
Most gondoltam kicsit tuningolom ne legyen ennyire primitív. Ezért gondoltam a multiplexereket be aktiválni mert így nem szól olyan szépen... Szóval a felépítése. Stereo AUX bemenet és 6drb (center, 2xfrontok, sub, 2xround) Ez megy rá 2drb Multiplexere aztán a 6 csatornás digitális hangerő szabályzó, előfok végfok. Tulajdonképen a Multi plexereket akarom be üzem ölni... Hogyan tehetem meg? Egyépként: Blueberry SW-m50 rendszer.
Hello! A téma már túllépte a Kezdő kérdések hatáskörét, javaslom, valamelyik erősítős topikba folytatni: "Házimozi erősítő" vagy "Erősítő mindig és mindig". Ha berakod a multiplexereket az audio láncba, attól biztosan nem fog szebben szólni, bár ez nagyon relatív. Ha neked a régi hangzás tetszett jobban, akkor lehet, hogy pont az analóg multiplexer nemlineáris karakterisztikája fogott meg.
Sziasztok!
Ebben a kapcsrajzban nincs leírva Sőt még az egész weblapon se! hogy milyen típusú foto-tranzisztor kell bele.Valaki meg tudná nekem mondani? Bővebben: Link
Szia!
Q1 helyére bármilyen általános célú fototranzisztor megfelel, ezért nem írtak pontos típust. A hozzászólás módosítva: Nov 14, 2012
Gondolom azért, mert tulajdonképpen nem kritikus a típus. Pl. ezzel kísérletezhetsz: Bővebben: Link
Lenne egy kérdésem.
Egy nulla ohmos átvezető ellenállásnak mi értelme abban az esetben, ha nem átkötés. Nem lehet-e egy egyszerű rövidzárral helyettesíteni?
Elsősorban olyankor inkább esztétikai értelme van amellett,hogy megvalósítja a kötést.Természetesen lehet helyettesíteni egy egyszerű huzal átkötéssel is.
De akkor azt tudnám, hogy mi értelme van, hogy megadják a teljesítményét.
Mert egy ilyen "jelentéktelennek" tűnő átkötésen is folyhatnak nagy áramok s nem mindegy,hogy milyen vastag huzalt kell vagy javasolt alkalmazni.A 0 ohm átkötés belsejében is egy huzaldarab van,a kinézete viszont ellenállás forma,a lényeg a benne lévő huzal átmérője,terhelhetősége,smd-nél valami fémezett lapka.
Sziasztok!
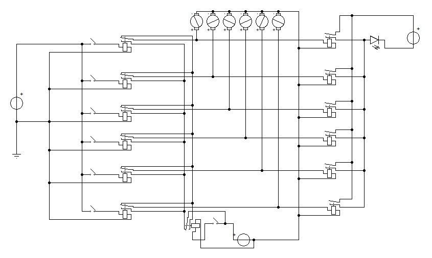
Tudtok mondani olyan relét aminek 6 vagy 8 bemenet! és egy kimenete van? A bemenet 230VAC.
Hogy micsoda? Relé és 6 bemenet?? Ezt nem értem. Milyen bemenete van egy relének?
6 különböző 230VAC feszültsége megléte esetén szeretnék kiadni egy jelet.
Ezt ugye 6db relével megoldom, de én hely szűke és egyéb oko miatt egy relét szeretnék. A lények amíg bármelyik 230VAC körön ott a feszülség addig egy relé legyen meghúzva. Fontos, hogy ezek a körök nem hatatnak egymásra így nem közösíthetem őket direktben. Pl. melléklet. Az utolsó 6 relé helyett szeretnék egyet.
Hello!
Hat dióda és egy relé v. optocsatoló, miért nem jó? üdv! proli007
Mert egy kapcsolószekrénybe kell ezt megvalósítanom lényegében 230VAC vezérlő feszültséggel. Tudom, hogy diódával szebb lenne az élet.
Hello!
Olyan relét nem fogsz találni, aminek hat tekercse van. Ha váltós lenne, az is visszahatna. Vagy is mindenképpen dióda kell. Hat diódát be lehet tenni sorkapocs modulba, és kell hozzá egy relé, egy ellenállás, és kondi. Még mindig szebb megoldás, mint speciális relé, persze ha lenne ilyen. üdv! proi007 |
Bejelentkezés
Hirdetés |











