Fórum témák
» Több friss téma |
- Ez a felület kizárólag, az elektronikában kezdők kérdéseinek van fenntartva és nem elfelejtve, hogy hobbielektronika a fórumunk!
- Ami tehát azt jelenti, hogy a nagymama bevásárlását nem itt beszéljük meg, ill. ez nem üzenőfal! - Kerülendő az olyan kérdés, amit egy másik meglévő (több mint 17000 van), témában kellene kitárgyalni! - És végül büntetés terhe mellett kerülendő az MSN és egyéb szleng, a magyar helyesírás mellőzése, beleértve a mondateleji nagybetűket is!
Szia!
Ok! Köszi. Ha ez egy zavarszűrő, akkor ezt a főmotoron hova kell kötni, mert az is megvan és a csatolt fájl szerint van jelenleg bekötve. Üzemel így is szépen a hálózatról, de gondolom, akkor ez is jó lenne, ha rajta lenne, nem?
Hello!
Látod, ha szépen körülírod mit szeretnél, akkor mindjárt kiderül, hogy az eddigi erölködésünknek semmi értelme. (Azaz most így látom.) - A mikrovezérlőnek a bemenete általában CMOS szintű. (Kivétel, ha régi 48-as, vagy 51-es, mert az LS bemenetű) De mi értelme van az 50mA-nek. A mikrovezérlő lábának terhelése akkor fontos, ha te azt kimenetnek akarod használni, tehát valamit hajt. De itt a jelet szeretnéd bevinni, tehát bemenetként van inicializálva. - A mikrovezérlőnél, oly minegy, hogy mikor egy vagy nulla a logikai szint, mikor azt programozni lehet. Kivétel, ha egy meglévő készülékhez akarod illeszeni az érzékelőt, és a program átírására nincs módod. - Mi a bánatnak a 24V-os jel a mikrovezérlőhöz. Annak CMOS, vagy TTL szintű bemenete van, tehát max 5V kell. Azt hittem, valami PLC bemenethez kell illeszteni a jelet. (Bár ott is programozható a bemeneti jel, tehát két kattintással megfordíthat) - Ha opto is van a körben, akkor felesleges bármely tranyó és más kiegészítő elem. Rajzolok mindjárt egy megoldást, és láthatod milyen egyszerű. Ha az érzékelő, 24V-ot ad ki, akkor a Led világít, a tranyó, meg lehúzza kollektor feszültségét, így az "nulla' lesz. (optonak más a száma, de az nem gond.) üdv! proli007
Sziasztok!
Van egy hőmérséklet kapcsolóm és a kérdésem az lenne, hogy mennyire bírja a folyamatos üzemmódot. Naponta 12-13 órát van bekapcsolva. Mennyire bírják az alkatrészek relé, kondi, ic? A nyugalmi állapota alig 10-15 perc, utánna szinte folyamatosan működik. Érzésem szerint nem erre lett tervezve. Köszi a válaszokat
milyen hőmérséklet kapcsolóról lenne szó?
Ha Rellés akkor az IC miért ne bírná? meg a kodik? üdv! Mutass valamit a szerkezetedről...
köszi a gyors választ, feltettem róla egy képet, hát nem a legjobb...
megvan.
Alapból jó lenne a működési elve, de nekem másra kéne ez pedig folyamatos működést eredményez.
Köszi szépen!
Tényleg nem kellett invertálni... Meglévő készülékről van szó, amihez már megvan a szoftver ezért voltam kicsit összezavarodva. Üdv
Szia!
Menne ez folyamatosan is! Csak a 7812-est el kell látni megfelelő méretű hűtőbordával. Nézd meg hogy a BC557-es elbírja-e a relé áramát (nem-e melegszik) ha ezek jók akkor mehet... Egyébként ha szabad megtudni te mire használnád? üdv!
Hali!
Egy másik dologban is szeretném még a segítségetek kérni. Egy kis elektronikai boltban vettem egy tápegység félét. A panelen a Rediffusion felirat található, de nem találtam neten róla semmit. Szeretnék belőle egy 0-24V között szabályozható tápegységet csinálni. Mellékeltem a panel képeit, majdnem minden benne van, de mivel nem nagyon értek hozzá, így inkább a segítségetek szeretném kérni. A képeken bejelöltem a kérdéses dolgokat. Egyrészt hiányzik egy dióda, másrészt az ellenállások helyére nem igazán tudom, hogyan kellene bekötni a potmetert?! Tudnátok kicsit segíteni? Előre is köszi! Üdv
Nagyon köszönöm a segítségedet!!!
))))))))))))Ez a panel a server szekrényben kapcsolja a ventiket. Amikor megvettem a panelt, figyelmetlen voltam és nem fogtam fel, hogy ez csökkenő hőmérsékletre kapcsol... Nekem pedig növekvő höm-re kapcsoljon. Kb ennyi, ostoba vagyok... De egyébként szépen muxik. Mégegyszer köszi! :yes:
Olvastam, hogy a elko kondik ha rosszul kötöm őket elég nagyot durrannak. Nem szeretném a gyakorlatban kipróbálni, de azért elővigyázatosságból megkérdezném azokat akik már tapasztalták mekkora kárt tudnak ezek okozni? (mondjuk egy 100µF-es). (hajlamos vagyok ilyen hibákat elkövetni....)
486. oldal mint a régi szép időkben a 486 SX-ek, DX-ek
Szia!
Én már robbantottam szándékosan.. hát mit mondjak van aminek az egész alu része szétment és a papír beterített mindent.. üdv!
Egy 100db fehér LED-ből álló panel (10x10), 10-essével párhuzamosan kötve 2W-os ellenállásokkal mennyire lenne gazdaságos? 10x2W az már komoly elfűtött teljesítmény
Szerintem a kisebb kondik nagyobbat pukkanak, mint a nagyon (azok csak szétnyílnak és pukkannak). Nekem egy 10µF-os kondim pénteken úgy "durrant" el, hogy világított, mint egy lámpa
, meg füstölt szépen... mikor levettem a tápot, még utána is izzott egy kis ideig És a legjobb az egészben, hogy ezt az egy kondit kicserélve a puffer részből, tökéletesen ment az áramkör! Szerintem az LM317 megvédte az utána lévő alkatrészeket. (Köszi!!!)
Hali
nemárt vigyázni, nemcsak fordított bekötés, vagy túl nagy fesz miatt tud robbanni az elko. a múltkor hőlégfúvóval bontottam rossz panelt, és egy elkot túl sok hőt kapott, namost az egész aluminium házat kb 10 centire a szemetől lőtte le. nyilván megijedtem egy kicsit, úgyhogy védőszemüveg azóta használatos. üdv
A 487. oldal meg a 486-os koprocesszora
Kellett nekem megkérdeznem.
Azértremélem nem gyakori, hogy szétmennek a kondik. (A védőszemüveg jó ötlet asszem én is használni fogom a biztonság kedvéért. Szemem csak kettő van kondi meg 100000000....) Amikor elkezdtem a hozzásólást akkor még 486. oldal volt , jó volt a coprocesszor is
Mindazonáltal, ha odafigyelsz a polaritásra, meg a feszültség-értékekre, nem lehet baj. (A kettős tápoknál, ahol negatív feszültség is szabályozva van, ott a polarizált kondenzátorok pozitív oldala a közös föld-potenciálra kerül, mert az a "pozitívabb". Ilyennel egyszer én is durrantottam kondit.)
A tápfeszültség-értéknél pedig legalább 1,5-szerese legyen a tervezett tápfesznek a kondi max. feszültsége.
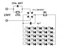
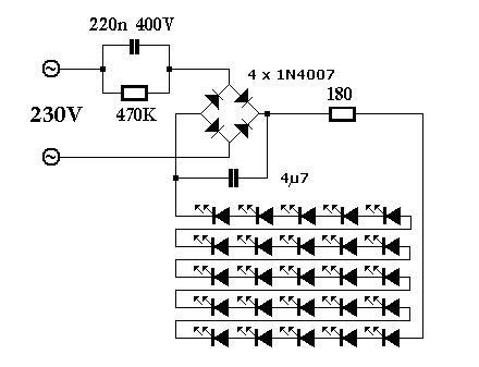
Helló. lenne egy pár kérdésem ezzel a kapcsolással kapcsolatban
![]() Kezdjük sorban. A 220nF-os kondi alatt egy 470K-os ellenállás. ez elég ha csak egy sima 0,6W-os ellenállás? Ott ismét egy 180R-os elelnálás. az is elég ha csak 0,6W? alattta egy 4,7µF-os kondi, de bipoláris? mert nincs megjelölve a polaritása... na és a ledek, sima 5mm-es NEM 12V-os ledek?
470k lehet 0,6W-os.
180 ohm-nak választanék nagyobbat azért, min. 2W. A LED-ek pedig normál, sima LED-ek, külső mérettől függetlenül, kb. 2,3-3V-os nyitófeszültséggel.
köszi szépen a válaszokat.
A kondira még nem kaptam válaszokat. De ha az bipoláris kondi, akkor ezek jók-e helyette? 2u2 és 6u8...
Mivel egyenirányítás történik, lehet oda rakni polarizált kondit is, de bipolárisat is. A LED-ek katódja felé nézzen nyilvánvalóan a kondi negatív pólusa (ha polarizáltat teszel be).
A 220nF-os kondi legyen inkább 630V-os, ha lehet! A 400V-os nem a legeslegjobb választás, most olvastam több helyen egy, ezzel a témával foglalkozó topikban.
LINK
Autóban lévő szivargyújtóról veszek le 12voltot az FM adóm részére, de sajnos belehallatszik a motor fordulatszáma (kb.600Hz-től 2kHz-ig). Ahogy pörög a motor, olyan magas hang keveredik az adó által sugárzott jelbe, ami a rádióban tökéletesen hallható. Milyen szűrést tegyek oda?kis toroidgyűrűre pár menet megteszi? Kondikkal szűrve van a táp, ahogyan lehet (220pF, 22nF, 100nF, 10uF,220µF - esetleg rakjak bele még többet?
)Köszi!
Jól gondolod, az ilyen zajhoz már tekercs (induktivitás) is kell, nem elég a kondi!
Utánaolvastam, és próbálkozok egy kicsit! Köszi!
Szép jóestét mindenkinek! a következő kérdéssel fordulok hozzátok:
Régebben már megkérdeztem, hogy aképen látható akkumulátor-t hogyan érdemes tölteni: Válasznak azt kaptam, hogy sima kocsi aksi töltővel is lehet. Nekem a következő akkumulátor töltőm van, a dobozán az áll, hogy min. 15AH-sat lehet tölteni vele, az én aksim viszont csak 7,5AH-s. A kérdésem az lenne, hogy lehet-e tölteni ezzel a töltővel, vagy kell-e esetleg valamilyen áttalakítást alkalmazni? Választ előrre köszönöm! (U.I.: képeket csatoltam a töltőről)
Megtekertem egy sárga toroidot (atx-tápból bányászott) raktam rá rengeteg menetet, halkított a jelenségen, de nem 100%-osan sajnos. Kirpóbáltam egy extrahangos trafóval is, ott egy kicsivel kevesebbet javított az 50Hz-es búgáson. Marad a külső akksi... Elvileg elmenne a kapcsi 9V-os elemről is, csak a kérdés, hogy meddig?
Az akku oldalán találsz egy "initial current" feliratot. Ha a töltőd nem ad annál több áramot és 14,4V-nál nagyobb feszültséget akkor nyugodtan töltsd vele.
Szigorúan a véleményem jön : Én nyugodtan ráraknám, ha a feszültsége rendben van és az első pár percben meg-megfognám az akku-t. Ha nem melegszik OK, ha melegszik (nagyon), levenném a töltőről és ha lehűl tovább tölteném. Olyan hamar csökken a kezdeti árama egy ilyen kis akkunak, hogy nem okoz a töltő gondot max. az első pár percben ha nagyon lemerült az akku. |
Bejelentkezés
Hirdetés |










))))))))))))









