Fórum témák
» Több friss téma |
- Ez a felület kizárólag, az elektronikában kezdők kérdéseinek van fenntartva és nem elfelejtve, hogy hobbielektronika a fórumunk!
- Ami tehát azt jelenti, hogy a nagymama bevásárlását nem itt beszéljük meg, ill. ez nem üzenőfal! - Kerülendő az olyan kérdés, amit egy másik meglévő (több mint 17000 van), témában kellene kitárgyalni! - És végül büntetés terhe mellett kerülendő az MSN és egyéb szleng, a magyar helyesírás mellőzése, beleértve a mondateleji nagybetűket is!
Szerintem rosszul emlékszel
. De lehet, hogy ugratsz bennünket?Mivel soros kapcsolásban azonos áram folyik át rajtuk, a disszipációjuk az ellenállással lesz arányos. P=I^2*R.
Nem viccelek. Már legalább 6-8 éve semmit nem foglalkoztam az elektronikával, teljesen más vonalon mozogtam, és az amúgy is szegényes autodidakta tudásomból jó sok lekopott. Sokszor olvastam el a hozzaszólásodat, de szerintem én is ezt írtam amit te. Már csak azt nem értem, ha sorba kötjük az ellenállást, akkor hogy-hogy nem az ellenállás arányában oszlik meg az áram, ergo a disszipáció is, ha különböző értékűek. Például ha az egyik 10ohmos, és sorba vele egy 50ohmos, akkor miért nem lesz 5x akkora az áram a 10ohmoson mint az 50ohmoson?
Ha tökre nem jól gondolkodom, akkor mi az ahol elcsúsztam? Szeretném megérteni ismét.
Mert soros a kapcsolás, azaz egyforma az áram. Ha sorba kötsz egy 10R-t és egy 50R-t, akkor az áram szempontjából olyan, mintha 60R lenne, vagyis ha pl. 12V a tápfeszültség, akkor 12/60, azaz 200mA folyik mindkettőn! Amit te keresel különbséget a két ellenállás között, az a feszültség lesz, ami rajtuk esik: a 10R-en 200mA x 10R = 2V, az 50R-en pedig 200mA x 50R = 10V.
Egyszerű paraszti logikával is beláthatod. Ha sorban van kötve két ellenállás egy áramkörben, akkor az egyiken átfolyó áram folyik át a másikon is. Honnan tudna az egyiken nagyobb áram folyni, mint a másikon? Kevered a párhuzamosan kapcsolt ellenállásokkal, ahol mindkettő ugyanarra a feszültségre kapcsolódik, és ott valóban a kisebb ellenálláson folyik nagyobb áram.
Soros kötésnél az áram azonos, Kirchof huroktörvénye. (A hurokban a feszültségek összege nulla, a generátor +, a fogyasztók -)
Párhuzamos kötésnél a feszültség azonos, Kirchof csomóponti törvénye. (a csomópontba befolyó, és kifolyó áramok összege nulla) Teljesítmény: P=U*I Az alap, az Ohm törvénye, a többi matematika, egyszerű egyenlet rendezés. Pl. a teljesítmény képletébe behelyettesíted az Ohm törvény alapján kiszámolt: I=U/R P=U*U/R =U2/R és így varálhatod. Ezekből következik, hogy: ellenállások soros kapcsolásánál RE=R1+R2+R2+ . . . +RN párhuzamos kapcsolásánál 1/RE=1/R1+1/R2+ . . . +1/RN Az egy egy ellenállásra jutó teljesítményt a teljesítmény képletbe való behelyettesítéssel számolhatod. Az ellenálláson eldiszipálható teljesítmény az ellenállás felületével arányos, ezért jó megoldás a reloop javaslata a több darabos helyettesítésre. Ha azt is ki tudod sakkozni, hogy azonos értékekből álljon, akkor egyenletes hőterhelének lesznek kitéve az egyes ellenállások. A hozzászólás módosítva: Nov 19, 2021
Üdv.
Usb csatlakozást hogy kell bekötni? Power bankba építeném be a foglalatot így csak a +/- pontok érdekelnének. Előre is köszi.
Tényleg ekkora gondot okoz a Google-ba 2 szót beütni?
Gugli megmondja
![]() pl: https://lh3.googleusercontent.com/proxy/QPR6Km2bqPaCOE00-XOF8ZLHYq37ypJ--jGsYx1bT_7qsCVEoxj6YfGts6n-VQR2mD5i-IDdzbWY4eqW80LmbGQNfhY vagy Bővebben
Attika mesternek igaza van.
De hogy legyen szakmai segítség is: Bővebben: Link Ugyan nem értek hozzá, és a fórum nem normálisabb feléhez tartozom, akik néha kondikat is cserélgetnek. A hozzászólás módosítva: Nov 21, 2021
Sziasztok!
Melyik az a paraméter, ami alapján ki tudom találni egy adott műveleti erősítő (LM358,NE5532...) tud-e erősíteni (egyáltalán kezelni) DC feszültséget, vagy milyen bemeneti feszültség szintről tud DC-t erősíteni? Remélem érthető. LM358-al tudok néhány mV szintet erősíteni, de ugyan ezt az NE5532 nem csinálja. Érdekelne miért. Pontosabban az NE5532 maximális kivezérlést produkál.
Üdv! Mindegyik műveleti erősítő tud egyenfeszültséget kezelni, az eltérés abban van, hogy a tápfeszültséget mennyire közelíti/közelítheti meg a bemeneti és a kimeneti feszültség.
Írd le mit szeretnél kihozni az áramkörből! A hozzászólás módosítva: Nov 21, 2021
Most általános jellegű a kérdés.
Arra lennék kíváncsi, hogy melyik az a paraméter, amiről kiderül, vagy egyáltalán ennek a dc erősítésnek a működését ki tudom következtetni, mert mint írtam az ne5532 nem funkcionál. Egyébként konkrétan, egy "hőmérő", pontosabban egy túlmelegedés védelmet készítek, ahol feszültségosztóként működik a termisztor. Ahogy melegszik a termisztor lecsökken az ellenállása, így az erősítő bemenetén megnő a feszültség. Ezt a feszültséget (nem tudom a szakszerű megnevezését) jelen esetben erősítés nélkül alakítom át az lm358-al, hogy utána zavar nélkül lehessen vele tovább dolgozni. (mondjuk behúzni egy relét ami megszakítja a terhelést) Ezt már megoldottam. A lényeg, hogy nem tudok rájönni, honnan tudom kideríteni a dc erősítési paramétereit az adott IC-nek!
Ajánlom figyelmedbe a műveleti erősítős témát! Bővebben: Link
A DC erősítést a visszacsatolással állítod be. A műveleti erősítő visszacsatolás nélkül ezres nagyságrendben is képes erősíteni. Az adott projektben ott lehet a gond, hogy egyszeres tápfeszültséged van. Az NE5532 bemeneti és kimeneti feszültsége 1,5-2V-ra közelítheti meg a ± tápot. Az áramkört amit keresel komparátor néven találod. A hozzászólás módosítva: Nov 21, 2021
Ah, köszönöm, ez eszembe se jutott.
![]() Ja igen azt elfelejtettem említeni, hogy egyszeres a táp, nem szimmetrikus. Visszacsatolás egy az egyben vissza van kötve az invertáló lábra.
Az ic 7-es lábán nyitott kollektor van, oda kellene valami felhúzó ellenállás.
A doksi 19. oldalán van az ic elvi rajza. Azon is érdemes elgondolkodni, hogy a komparátor saját hiszterézise elég-e, vagy kellene még további pozitív visszacsatolás, hogy ne kezdjen oszcillálni átkapcsoláskor.
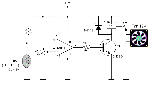
Jogos az észrevétel. Sajnos nem találtam hirtelen jobb ábrát amiben NTC, OPAMP és relé szerepel. Ezek voltak a kérdező elvárásai.
Köszönöm a példát!
Korrekt szabványos kapcsolási rajzom még nincs (szokás szerint ) az én változatomról, de annyit megjegyeznék, hogy én 470Kohm termisztort használok.Ez nem tudom probléma-e, minden esetre az alacsony átfolyó áram, és az amúgy is "magas" hőmérséklet miatt (~100C fok) választottam ekkora értéket, mivel ekkora hőmérsékleten (most elég pontatlanul mérve) 5-20Kohm-ra lecsökken.
A példa arról szól, hogy a termisztoros feszültségosztód mellé kell még egy referencia-feszültség. A komparátor (ami megépíthető műveleti erősítővel is) a kettőt összehasonlítja és az alapján változik a kimenete.
Mint azt a kolléga is említette, az ilyen kapcsolónak a gyakorlatban hiszterézissel kell rendelkeznie, ha tehát 100°C-on kikapcsol, valamilyen hőmérsékleten vélhetően vissza is kell kapcsolnia. Minél kisebb a hőmérséklet-különbség, annál sűrűbben fog kapcsolgatni. A kapcsolás kidolgozására a műveleti erősítős, vagy komparátoros téma alkalmas. Idézet: „ki tudom találni egy adott műveleti erősítő (LM358,NE5532...) tud-e erősíteni (egyáltalán kezelni) DC feszültséget, vagy milyen bemeneti feszültség szintről tud DC-t erősíteni?” Input common mode voltage range, magyarul bemeneti közös módusú feszültség tartomány. Azt mondja meg, hogy a tápfeszültség sínekhez képest milyen feszültség tartományban működőképes a bemenet. Például az LM 358 PNP differenciálerősítő bemenetű, ezért a negatív tápfesz közelében is jól működik a bemenete, de a pozitív tápfeszültség közelében nem. Az olyan műveleti erősítőt, amely mindkét táp sín közelében jól működik, rail-to-rail bemenetűnek nevezik. Ezt úgy oldják meg, hogy n és p tranzisztor (vagy mosfet) is van a bemeneten, valameylik differősítő működőképes marad.
Sziasztok!
A segítségeteket szeretném kérni egy aktív mélysugárzó javításához (Jamo SUB 210). A hibajelenség: nem kapcsol be, hiába kap áramot. Szétszedtem és szemmel láthatóan a kapcsolóüzemű tápján egy TVR10471 típusú varisztor van megégve. Ez a varisztor két darab, egymással sorba kötött 200V/120µF kondi két szélső pólusát köti össze. A kérdésem az lenne, hogy a csatolt képen látottak és a leírtak alapján elképzelhető, hogy elegendő a varisztort és a két kondenzátort cserélni, vagy valószínűsíthető, hogy más hiba okozta a varisztor elhalálozását? A segítséget előre is köszönöm! A hozzászólás módosítva: Nov 24, 2021
Idő közben találtam egy 2.5A-es biztosítékot is kiégve, a nyákra forrasztva, csugorcsőben.
Valószínűleg túlfeszt kapott, a varisztor átment zárlatba - ez a dolga
- a biztit kiverte.Biztos oda van kötve a kondikra a varisztor DC-re? inkább a bejövő 230AC-n kellene lennie... A kondiknak mi baja?
Szia! Igen, biztosan a kondikon van, csatolom a hátoldalt! A bejövő 230V-nál is van helye, TVR1 jelöléssel, de üresen hagyták valamiért. A kondiknak nem tudom, hogy van-e baja, csak multiméterem van, így zárlatot és ellenállást tudtam mérni, előbbi nincs, utóbbi 0 ohm, a biztonság kedvéért gondoltam kicserélni csak, de nem találok ilyet sehol, úgyhogy nem bánom, ha nem muszáj cserélni
Találtam közben itthon ugyanilyen varisztort egy PC tápban, akkor csere után (+a biztosíték) áram alá helyezhetem?
A hozzászólás módosítva: Nov 24, 2021
Szia!
Kipróbálhatod, de ajánlatos egy hagyományos 60 W-os izzót sorbakötni a próba idejére a 230 V-os bemenetnél. Ha világít folyamatosan, akkor még más hibás alkatrész is van. Viszont az előző hozzászólásodban mire írtad a 0 ohm ellenállást? Ha a puffer kondenzátor(-ok), akkor azok hibásak, cserélni kell. A hozzászólás módosítva: Nov 24, 2021
Idézet: „így zárlatot és ellenállást tudtam mérni, előbbi nincs, utóbbi 0 ohm” Ez a zárlat definiciója, 0 Ohm ![]() Nem világos mire gondolsz
Igen, a két elkóra írtam, de közben rámértem mégegyszer 200k-s határral, kisütés után 0k-ról emelkedik folyamatosan a méréshatárig (meg azon is túl), az úgy rendben van?
Jogos
Úgy értettem, hogy nem tudtam ellenállást mérni rajta, nem jelzett semmit a multiméter, de ahogy fentebb írtam, azóta rájuk mértem még egyszer. A hozzászólás módosítva: Nov 24, 2021
|
Bejelentkezés
Hirdetés |




. De lehet, hogy ugratsz bennünket?


) az én változatomról, de annyit megjegyeznék, hogy én 470Kohm termisztort használok.







