Fórum témák
» Több friss téma |
- Ez a felület kizárólag, az elektronikában kezdők kérdéseinek van fenntartva és nem elfelejtve, hogy hobbielektronika a fórumunk!
- Ami tehát azt jelenti, hogy a nagymama bevásárlását nem itt beszéljük meg, ill. ez nem üzenőfal! - Kerülendő az olyan kérdés, amit egy másik meglévő (több mint 17000 van), témában kellene kitárgyalni! - És végül büntetés terhe mellett kerülendő az MSN és egyéb szleng, a magyar helyesírás mellőzése, beleértve a mondateleji nagybetűket is!
Sziasztok,olyan szakit keresek aki ki tudna okosítani
![]() Szóval a következő a helyzet:van egy autó erősítőm+mélyládám ebből a kettőből szeretnék összehozni egy házimozi subwofert!!!Ez lehetséges?Sóval a lényeg hogy menjen hőálózatról 220V-ról és rá lehessen kötni a házimozierősítőre!!! Mac audio láda magnat erősítő/autó/ és egy panasonic házimozierősítőm van!!!Ha összehozható a dolog írjatok előre is köszönöm!!
Üdv!
Csak azt szeretném kérdezni, hogy ez a "prellgátlás", működik úgy is, ahogy a jobb oldali ábrán ? Ugyanis a másik verzió, amit rajzoltál, az akkor léptet, amikor elengedem a gombot, a másik pedig a megnyomáskor. Tehát csak az érdekelne, hogy egyformán jó-e így is úgy is. Amúgy ez az egész mennyire fontos? ennyire rosszak a nyomógombok ?
Hello!
Természetesen működik így is. De van másik megoldás. A 4017-nek, (ha arról van szó) van két egyenértékű órajel bemenete. (Csak az egyiket annak hívják, a másikat, meg engedélyezőnek.) Alapesetben az órajel bemenetre adott felfutó él lépte, és közben az engedélyező bemenetnek alacsony szinten kell lenni. De lehet úgy is, hogy az órajel bemenet magas szinten van, miközben az engedélyező bemenetre lefutó él érkezik. Ez ugyan is nem más, mint egy ÉS kapu, csak az EN bemenetén inverter van. üdv! proli007
Akkor ezek szerint választhatok is
![]() Akkor lehet, hogy csak simán a másik órajelbemenetet használom, az eredetit meg felhúzom magas szintre. De az is lehet, hogy a jobb oldali ábra lesz ... Köszi
De ha elegáns megoldást keresel:Bővebben: Link
Közbe rájöttem, hogy lehet a legegyszerűbben. Nemvéletlen van az engedélyező bemenet.
Üdv minden pákamesternek!
Az lenne a kérdésem hogy mire jó a hex inverter, mert van itthon egy pár erre való ic-m ![]() És nem tudom hogy kidobjam-e őket
A fórum szabályzatában, ugyan nem szerepel, mert Topi se merte beleírni, mert még a gondolattól is írtózik ő is, de én megpróbálom leírni..
NEMDOBUNK KI SEMMIT! ![]() Najó viccet félretéve: Az inverter megfordítja a logikai értéket. Gondolom eddig te is tudtad. A hex csak annyit jelent hogy 6 darab ilyen van egy tokban. Üdv!
Sziasztok!
Meg szeretném kérdezni, hogy úgy 50µF os elko létezik e SMD kivitelben. összesen 5V ra kellene, az oldalon is megtalálható tranzisztoros villogóhoz meg szeretném építeni SMD ben. Tudna valaki segíteni?Köszi: lewi
Üdv Stefan!
Rendben nem fogom őket kidobni! Hátha valami hasznukat veszem majd ![]()
Kiegészítésképpen: négyszögjel generátorokat, hanggenerátorokat is lehet belőlük fabrikálni.
Helló! SMD kondi 47 µF-so van. Van hengeres és téglatest alakú is.
Köszönöm mind kettőtök válaszát/ segítségét.
![]() lewi
Sziasztok! Bocsi,hogy ebbe a topikba írom. De talán ide is lehet írni. . Ezt a papírt használhatom e a vasalásos nyák készítéshez?
iHP Q2552A Előre is Köszi
Nem!
hi
SzervízMacska miért nem használható?Én attila86 honlapján láttam erre ajánlást. Más: Van egy olyan problémám Tinában hogy szimulálni próbáltam egy soros rlc kört varicap diódával. Ez működik is csak a feszgen feszültségének változásával nem változik a kör rezonanciafrekvenciája így valószínüleg a varicap dióda kapacitása sem.A rezonancuiafrekit AC analízis/ Ac transzfer karakterisztikára kattintva ellenőriztem 100KHz-től 1MHz-ig. Mi lehet a baj? Esetleg ha tud valaki jobb topikot a kérdésre írja meg mert a tinás topikban nem reagáltak. Előre is kösz.
Szerintem beleég a festék és nem tudod kellő hányadát áttranszferálni a nyákra. Nem hiszem, hogy Attila ezt ajánlaná egyedül üdvözítő megoldásként. Biztos jobb a műnyomó és nem is drága. Legjobb, ha kipróbálod, kár erről ( főleg itt ) regényt írni.
Még nem próbáltam mostanában akarok énis ilyet venni de én biztosra vettem hogy jó. Egyébként biztos jó a műnyomó de ez jobban beszerezhető sztem, és a kérdés az volt hogy használható-e nem az hogy kitűnő eredményt ad -e.bocs a kukacoskodásért.
A nyákánál ha nem ad valami kitűnő eredményt, az nem használható.
Ellenben azt olvasom, hogy ez egy fényes bevonatú papír, ami akár még jó is lehet. Ki kell próbálni! Garantálni nem lehet semmit, legfeljebb csak szöveget nyomtatsz rá.
Vagy műszerelőlap feliratozásnak kiváló, erre már csak egy védőréteg kell.
Sziasztok!
Van itthon egy lcd kijelzőm és be szeretném kötni a tápegységembe úgy hogy mutassa hogy hány volt illetve hány amper van a kimeneten! Hogy tudnám ezt megoldani? Kössz a segítségeteket! Üdv: jocki17
Hello!
Természetesen így is működik, csak a nyomógomb, amit használok, nem tud ennyi mindent kapcsolni. De köszi
Sziasztok,
az oldalon találtam ezt a kapcsolást. Azt szeretném kérni, hogy valaki legyen szíves úgy átírni a 2X16-os programját, hogy induláskor, amikor a tápot megkapja, 15 percről rögtön induljon el a visszaszámlálás. Csatolom az ASM fájlt. Nagyon fontos lenne ez nekem. Sok köszönettel: Maverick
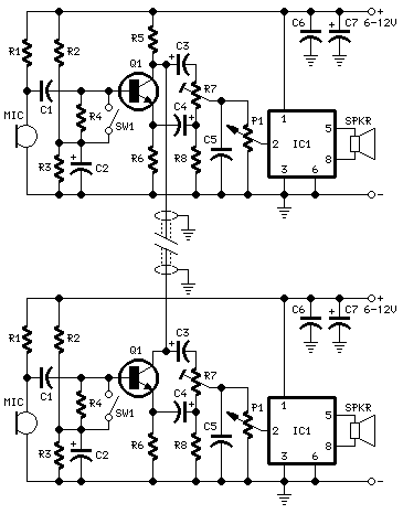
Sziasztok!
Szeretném megépíteni a mellékletben található kis intercomot, de még nem csináltam ilyet. Vettem stereo jack aljzatot, aminek az alján van 5 kivezetés (talán kettő azonos). Tudnátok segíteni, hogy kell ezt bekötnöm ??? Köszi
Egy képet esetleg tegyél fel arról az ominózus sztereo jack-ről, mert a jack dugó (és aljzat) legrosszabb esetben is legfeljebb 3 kivezetéssel rendelkezik.
Nem kötözködésből, de a sztereo kiváltós jack ajzat minimun 5 kivezetéses.
|
Bejelentkezés
Hirdetés |










