Fórum témák
» Több friss téma |
- Ez a felület kizárólag, az elektronikában kezdők kérdéseinek van fenntartva és nem elfelejtve, hogy hobbielektronika a fórumunk!
- Ami tehát azt jelenti, hogy a nagymama bevásárlását nem itt beszéljük meg, ill. ez nem üzenőfal! - Kerülendő az olyan kérdés, amit egy másik meglévő (több mint 17000 van), témában kellene kitárgyalni! - És végül büntetés terhe mellett kerülendő az MSN és egyéb szleng, a magyar helyesírás mellőzése, beleértve a mondateleji nagybetűket is!
Tölts le egyet vagy irj magadnak.KSI8 pl egy nagyon jó progi.Csak azt a 75ohm ot nézem.Koax kábelek lennének oda bekötve?Egy próbát megér.
Nem tudok írni, de ennek a proginak mi a pontos neve???
Sziasztok hogy tudom meg jo e egy elko ha nincs rajta jele annak hogy ki füstölt volna?Üdv pirszing
KSI8. a kemo electronic oldalán letölthető, ha jól emlékszem.
Sziasztok.Egy olyan kapcsolásra lenne szükségem ami egy relé két érintkezője közt váltogat egy trimmerrel beállított időközönként.Kb. 0,8-1,2 sec-enként kellene váltogatnia (de jó lenne a szélesebb beállíthatóság is)
Van erre kapcsolás? előre köszönöm
Még mindig vagyok olyan béna, hogy nem találom meg...
Ha pupos a teteje, nem jó...
Sziasztok megépítettem ezt az erősítőt de nem tudom hogy hogyan és mire állítsam a potikat
Alul KSI8 winall ra katt.kemo
Szia,semmi nem látszik rajtuk.és nem tudom hogy kell merni a multimeterrel ezt a szt.Üdv isti
Hello!
Idézet: „egy relé két érintkezője közt váltogat” Mit is jelent ez magyarul? Nem egy váltóérintkezős relét kapcsolgat esetleg? Vagy netán a feladat, vagy annak értelmét ha leírnád, talán megkönnyítené a dolgunkat... üdv! proli007
Ha nincs rajta kondimérő, de elég gyors, akkor legnagyobb méréshatárú ellenállásmérésbe állítod, ELŐTTE KISÜTÖD A KONDIT, majd elkezded mérni. Ha jó akkor elkezd mászni 0---->végtelenbe. Ha gyors a multi akkor látod is.
Primitív megoldás mondjuk...
köszi, és ehez vegyem ki az áramkörböl vagy végrehajthatom ezt ott is ahol van,ugyértem nem fog e valami belekeverni a mérésbe,ha ki veszem az a biztos csak 6 db van azthiszem.üdv Isti
Inkább vedd ki mert belezavarhatnak a akondi környezetében lévő dolgok.
Nézz át a Death of Zen topicba, ott mindent megtalálsz róla.
Készítesz egy astrabil multivibrátort, majd az egyik kimenetre ráteszel még egy fokozatot, amivel kapcsolgatod a relét. Potmétert betudsz tenni a megfelelő helyre, és így szabályozni a sebességét.
kopaszs: Ahol találtad a kapcsolást, ott nem volt semmiféle leírás mellette? Vagy esetleg kérj egy kis segítséget Alkotó-tól
köszönet moltam és Stefan,igy már jobb neki állni .Üdv Isti
Esetleg ezt a dolgot nem lehetne megoldani szoftveresen, külön hardver nélkül???
Sziasztok !
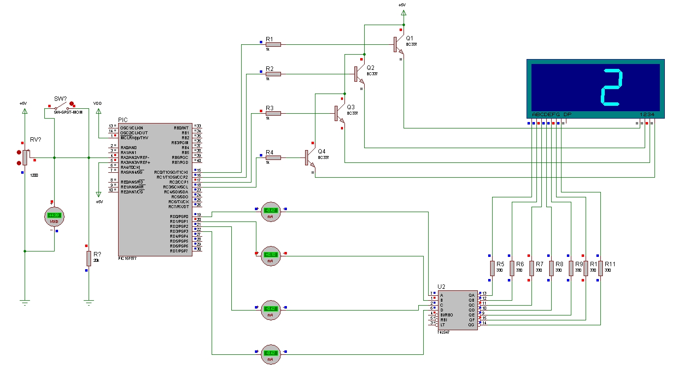
A véleményetekre lennék kíváncsi az alábbi kapcsolási rajz (PIC-től jobbra eső), multiplexes meghajtásáról. Jól választottam meg az ellenállás értékét a tranzisztort illetve a 74LS47 BCD-7 szegmens dekódert? Proteus szerint működőképes, de jobban bízok az emberi ítélőképességben. Hosszú távon ez működőképes, vagy javítani kell rajt? Ez a későbbiekben egy hőmérő lesz LM35-el. Hall szenzor kiválasztásához, szeretnék még segítséget kérni. Maximum 8000 jel/perces felbontáshoz melyik típust ajánljátok? (Amennyiben ilyen nem létezik, akkor a jelek száma mágnesek kivételével csökkenthető, csak így a pontosság romlani fog.) Köszönöm.
Szerintem jó, az adatlap szerint 24mA-t bír a kimenet, nemtudoma proteus mit szimulált, de szerintem kevesebb mint 10mA folyik. Én kisebb ellenállásokat raknék. 150ohmot vinnie kell lazán. de legyen 200-240.
Azért várj még meg pár véleményt. ![]() Hall: nemvagyok járatos a témában. Üdv!
Köszönöm a gyors válaszod, megfogadom a tanácsod és cserélem az ellenállásokat.
Szia! Ha a 8000RPM-et átszámoljuk frekvenciára, akkor 133,333... Hz-es impulzusok generálódnak. Szerintem ezt bármelyiknek bírnia kellene, de nézz adatlapokat, ott tuti fel van tüntetve a maximális frekvencia is.
Sziasztok! Egy számlálót szeretnék csinálni. Egyelőre még csak alkatrészbeszerzésnél járok. Van egy 4 digites 7 szegmenses kijelzőm. Ha jól láttam egy műholdas beltéri egységből szedtem ki és még 2 ic-t. Sajnos nem nagyon értek hozzá, de csak sejtettem hogy lehet ezek irányították a kijelzőt két egyforma hcf4053be ic. Nem tudom ezek szükségesek e a ledkijelzőhöz és ha igen hogy kell bekötni őket?
Ez az adatlapja ha segít valamit. Elég speciális IC. Jobban jársz, ha olyan ICket használsz mint skoda135 kollega.
Üdv
Helo
Azzal a 2 icvel nem tudod maghajtani, illetve nem teljesen arra a feladatra valóak. Ezek multiplexerek, ezzel csak mikrokontroller segítségével lehet meghajtani a kijelzőket. Ha leírod hogy milyennek tervezed a számlálót (honnan hova számoljon, idő vagy esemény alapú legyen) akkor tudunk segíteni.
Sziasztok!
7805L stabkockára rá köthetek 40V-ot? Elbírja? Egyszer már megtaláltam az adatlapján, de most az istennek se. :help:
Bánatba, megtaláltam. Csak 35V max.
Tudnátok segíteni, hogy hogyan oldjam meg? Tegyek elé egy 12 V-ost? |
Bejelentkezés
Hirdetés |













