Fórum témák
» Több friss téma |
Az volt a félelmem, hogy a két tápsín nem lesz egyforma, és a különbözeti feszültség még ha kis mértékben is, de bekerül a jelbe. Na mondom hidegítsük hozzá valamihez a feszültségosztó közepét, onnét meg egy pártíz kΩ az opára. Vagy a kimenet, vagy a GND lett volna a pont amihez hidegítettem volna, de a törésponton néhány dB-es kiemelést csinált. Ez pedig nem megengedett.
Most már nem látom át a fázisviszonyokat, mert megyek melóba, de még rákukkantok később.
Ami még érdekes lehet... a 10Hz-es négyszögjel a kimeneten, majd a pozitív tápfeszen mérve és a 10kHz 1µF/8Ohm és végül amit a szimulátor mutatott.
Szerintem, mivel jól is szól, egyszerű is, ne piszkáljuk egyelőre azt a DC szervót. Meg mérve is jónak tűnik 10 Hz-en az átvitel.
Bár nincs jelentősége a harmonikus torzításnak, sőt akkor szól jól valami, ha több százalék a THD, azért megmértem hobbi szinten.
Az első három fotón sorjában: Uki= 0.3Veff, 1Veff, 3Veff Aztán a műterhelést használtam kimeneti osztóként (ha már annyi darabból van összerakva, legyen valami haszna ennek is). Az ötödik képen ugyanaz a 3Veff, de egészen más a torzítás spektruma, valószínűleg a hangkártya is torzít már +10dB-es szintnél valamennyit. Aztán a 6-7-8. fotón Uki= 10- 15- 20 Veff A terhelés végig 8 Ohm.
Ez pedig 4 Ohm-on 10- és 20 Veff kimeneti szintnél.
Nem is kell bántani, de fejben azért zavart, hogy nem jöttem rá arra, mi a fészkes fene miatt kerül pukli az átvitelbe, ha lehidegítem a feszültség osztót. Azt hiszem megvan, és holnap délelőtt megnézem szimulátorban. Természetesen nem alszok addig nyugodtan. Persze ez csak szőrszál izé, mert amíg Karesz a hobbista igyekszik alacsonyan tartani a torzítást, addig a profi hangmérnök urak ahogy látható a hangmintában is, szívbaj nélkül legyalulják a csúcsokat a jel csúcsairól.
Jók szkóp ábrák. Mint a rajzon.
Talán azért kerül bele a pukli, mert a terhelésnek és a csatolókondiként viselkedő pufferkondinak van egy alacsony frekvenciás töréspontja, a lehidegítésnek pedig egy másik és a kettőt jól szét kell hangolni egymástól, hogy csak 6dB/oktávval essen mélyátvitel.
Szia Karcsi.
Küldtem neked e-mailbe csodákat. Neked érdekes lehet. Limiterest nem leltem, de ha meglelem a dossziémban lerajzolom. El se hiszed milyen egyszerű. Kellemes nézelődést. Attila A hozzászólás módosítva: Okt 24, 2019
Korábban jöttem haza, és gyorsan kicsit elrontottam a kapcsolást. A táp kapott egy soros 1 Ohmot, meg az egyik puffer is. Ráadásul 120µF-ra növeltem, hogy ne legyen annyira pontos. A szervó ellenállásait 10k-1M között pár értéken leszimuláltam, és látszik az eltérés. Le kellene hidegíteni valahová, csak mindenhol visszabeszél. Megjelenik a pukli.
Úgy lehet ahogy említed, mert ha nincs széthangolva, sőt össze van hangolva, akkor nem kis, hanem nagy puklit csinál. Kicsit még játszok vele.
Köszönöm, ezek nekem is megvannak és eddig is értettem a QSC-k működését. Azt a "lépcsős tápút", "G" osztálynak nevezik.
Úgy látom nekem is ugyanazt a THD mutatja, tehát jól rajzoltam le, de nem értem milyen puklit látsz. Miben, mikor, hol?
Ezt a linearitás vizsgálatot minden erősítőnél meg szoktam csinálni. A lényege, hogy táptól-tápig vezérlem az erősítőt egy állandó jelemelkedési sebességű jellel, lényegében vehetjük úgy is, hogy a háromszögjel egyik "szárával". Az ideális opamp erősítését pontosan akkorára állítom be, mint a végfok zárthurkú erősítése. Ha a végfok torzítása nulla, akkor egy vízszintes vonalat kell látnunk... de ilyet sose. Ez a görbe minden végfoknál "S" alakú szokott lenni, most "harang" alakú, ami azt mutatja, hogy a két félhullám szimmetrikusan torzul. Mellesleg a keresztezési torzítást is szépen kimutatja és a THD-t is ki lehet számolni belőle.
Pl. most teljes kivezérlés környékén 12mV a linearitáshiba. (29.33V+12mV)/29.33Vx100= 0.0409% Most érdemes megnézni mekkora THD mértem hobbi szinten 20Veff-nél.... érdekes, nem? Ui: Ja...igen. Meg kell szorozni kettővel a kimeneti szintet, akkor Upp/linearitáshiba és akkor ki is jön a 0.02%, amit mértem. Csak összeforgatom a szimulálást a méréssel A hozzászólás módosítva: Okt 25, 2019
A pukli csak nálam keletkezett, amikor le akartam hidegíteni a tápról való visszacsatolási vonalat. Természetesen világos az ok, mert frekvenciafüggővé tettem a visszacsatolást. Eme módosítás nélkül nincs se pukli, se esés, ugyanolyan mint nálad.
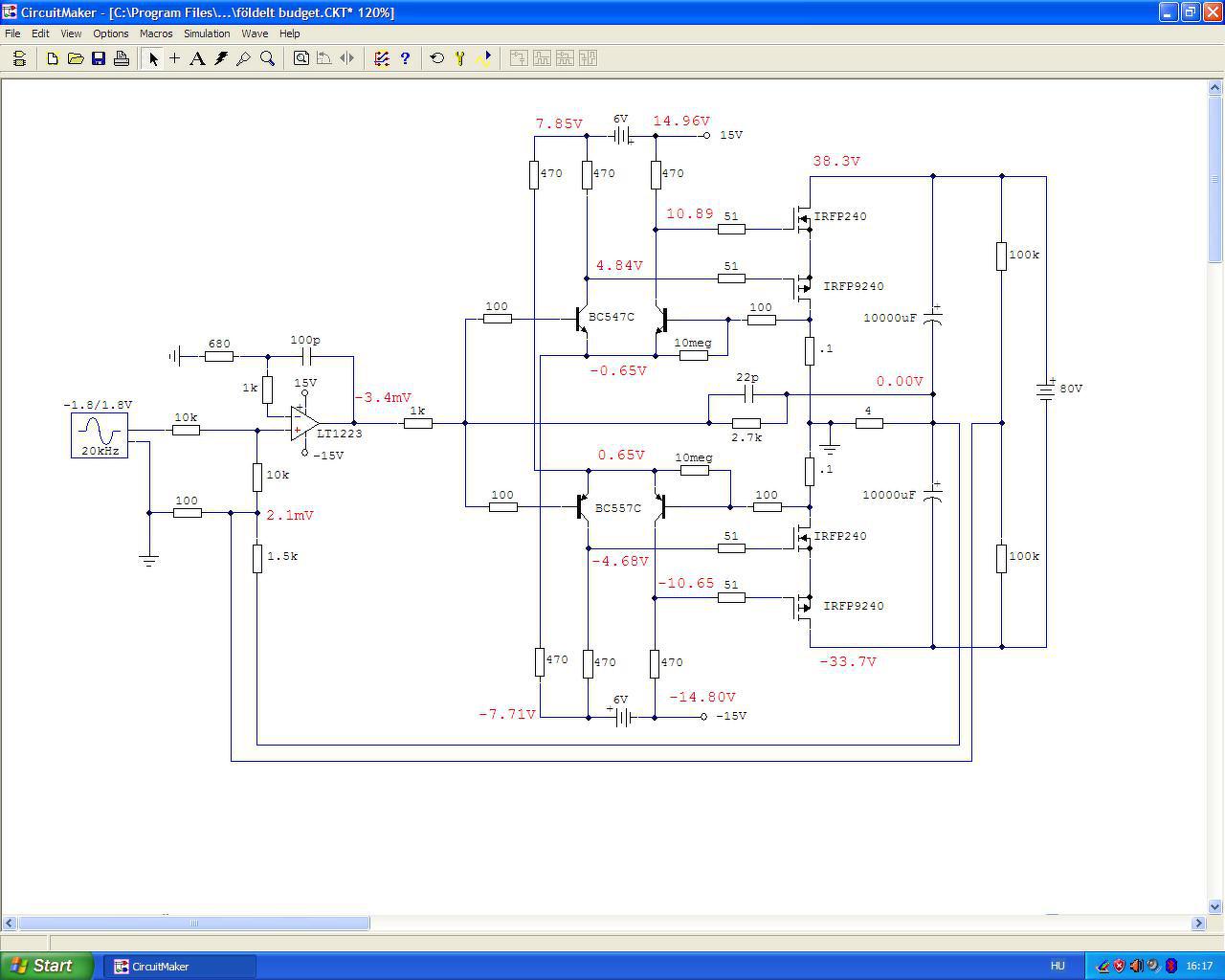
De miért is akartam lehidegíteni a DC szervót? Ideális feszültségforrások, és ideális kondenzátorok esetében nem lenne ok erre a hidegítésre, de próbáltam hibát vinni a rendszerbe. Azért is rajzoltam az elvi kapcsolást, hogy jobban átlátható legyen. A puffereket egyetlen 20mF-os kondenzátorral mint kicsatoló kapacitás helyettesítettem, de elrontottam egy soros RD taggal. A valóságban nem ennyire rossz a helyzet, de extrém hibát szerettem volna, amin látszik a javulás ha az tényleg javulás. Néhány képet teszek fel.
Még ami nem fért fel.
Talán látszik, hogy mi volt a bajom. Az erősítő nagyon tetszik, de a DC szervó elrontja. Ezt kellene megoldani. Első lépésben ez a hidegítés ugrott be, de nyilván van jobb megoldás is.
Sejtettem, hogy valamit nem értek amit Te igen. Már világos. Akkor az integrátort kipróbálom.
Lehet hogy nagyon túlbonyolítom a helyzetet. Ha a trafó középmegcsapolásos, a megcsapolás mehetne a pufferek közepére, de szigorúan valamekkora ellenálláson keresztül. Egyszer kitértél erre egy pihentebb napodon. Szerintem 3-4 darab soros 10-22 Ohm elég lehet. Jó kis terhelhetőséggel, hogy hiba esetén füstöljön el valamelyik. Az ívhúzás elkerülése miatt kell a több soros. Ekkor nem kell a szervó két 33kOhmja, az maradjon ki. Bár lehet hogy hülyeség.
Már nem rajzolom le, mert indulok.
Ezt a középmegcsapolásos verziót kipróbáltam még az elején, de valami miatt elvetettem mert nem volt jó. Már nem emlékszem mi volt vele a gond.
Ezzel dél óta szívok folyamatosan. Azt gondoltam, hogy opampos integrátor jó nagy időállandóval oszt kész, de sehogy nem jött össze. Újabb töréspontot nem szabad belevinni, vagy legalábbis nekem sikerül úgy elfogadhatóra megcsinálnom. Maradt ez a Quados módszer, de ez sem volt egyszerű. A pufferrt nem szabad 100µF-ra csökkenteni, mert fázishibát okoz, az 1mF-ossal meg nagyon lassú a szimuláció, de ezt kellet választani. Ezzel a tranzisztoros izével meg az a gond, hogy "A" osztályba kell állítani, különben ez is torzítást visz bele. Az "A" osztállyal meg az a gond, hogy könnyen át tud menni "AB"-be nagy kivezérlésnél, vagy elfogy az árama és leklippel. A számtalan variáció közül ez már így jónak tűnik. A fejem már zúg tőle, majd nézd át holnap Te is ha lesz időd és kedved.
Az jár a fejemben, hogy vagy hidaljuk át a két pufferkondenzátort egy-egy valamekkora ellenállással (a szervó most is kimarad), vagy pedig le kellene rontani a végfokozat tápelnyomását. No ezt csak otthon tudom megnézni. Biztos van rá megoldás, csak most nem ugrik be. Ezzel a quados felezővel az a bajom, hogy minél kisebb a felezőnek a kimeneti ellenállása, annál nagyobb áramot kell elnyelnie. Zéró kimeneti ellenállás esetén a hangsugárzó teljes áramát, mert hiszen söntöli a pufferkondenzátorokat, annak meg van valamekkora reaktanciája, de legalább is nagyobb mint nulla. Ezt is rajzolnom kellene.
Közben leesett, miért is nem jó a közép megcsapolásos megoldás. Ott a pufferekkel csak a töltések pillanatában van kapcsolata a szekunder közepének. Na még agyalok egy kicsit.
A pufferkondik most csatolókondik amik a két tápon vannak. Ha bármilyen kis áram folyik a közös pontjukba, előbb utóbb ki fog ülni az egyik tápfeszre, tehát az egyik kondin 0V lesz, a másikon a teljes tápfesz. Ha áthidaljuk őket mondjuk 10-10k-val, akkor mA-enként 5V-tal billen el a középtápfesz. Tehát ez nem jó megoldás. Majd szimuláld le ezt a Quados megoldást - szerintem jó. Így mindkét tranzisztor annak a puffernek zabálja el az áramát amelyiken nagyon nagyobb tápfesz akar kialakulni. Vagy másképp értelmezve, elnyelik a tranzisztorok a kimenet áramát.
Király!
Azt hittem, hogy bele fog pofázni a hangba, de nem. Még akkor sem, ha "AB" osztályba kényszerül, mert ezt a hibát ugyanúgy kijavítja a főerősítő, mint a feltételezett elkó anomáliát. Így most már nem találtam rajta több fogást ezen a földelt budget erősítőn. Tehát egész jól dolgozik ez a quados izé. Nem tudom miért féltem tőle eddig, mert teljesen korrekt. Bár még csak papíron követtem a jel útját, számolgatva az áramokat mint régen, de délelőtt le is szimulálom. Nagy különbség már úgy sem lesz. Jól kitaláltad ezt Károly!
Akkor megnyugodtam, hogy neked is tetszik. Rágubancolom a nyákra (lábtól-lábig szereléssel) és megméregetem kicsit a biztonság kedvéért.
Azt elfelejtettem írni a múltkor, hogy megmértem néhány pufferkondit (amit találtam itthon) mekkora túlfeszültséget bírnak. Sorba kötöttem 1k/5W-ot és 70-, majd 100V-ra kapcsoltam. A 40V-osak 70V tápon 62V-on álltak meg, 100V-on 64V-on. Átlagban azt lehet mondani, hogy kibírnak 150%-os túlfeszt (a Jamicon csak 120-125%-ot). A 80V-os táphoz biztoságosan használható a 63V-os puffer szerintem. És még beválogattam a diff erősítőkbe a BC-ket. Kíváncsi voltam mekkora a szórása ennek a sorozatnak. Igaz, ezek nem az olcsó 14 forintosak, hanem a drágább 17 forintos OnSemi-k. Amerikaiak Talán.
Elmosolyodtam, mert mint ha magamat láttam volna amikor válogatok. Jól összefirkálni az asztalt oszt jó. Így válogattam az LDR-eket múltkor.
Készítettem egy szimulációt ideális opampokkal (hogy gyorsabban fusson), és tettem bele hibás kondenzátort csatolónak. Látható, hogy ha az erősítő jó, a kondenzátor hibáját kikerüli a visszacsatolás. Nyugodtam klippelésig is torzulhat a tápfelező, nem okoz különösebb gondot. Persze valójában okoz, mert nem végtelen a végfok tápelnyomása, de a kondenzátorok sem ennyire rosszak hogy egy soros dióda van bennül áthidalva fél Ohmmal. Az elkós mérésekért külön köszönet.
A papír csúszkál és elveszik az asztallap meg ott marad.
Fél óra bemelegítés után ezeket a feszültségeket mértem. A DC szervó erősítését megnöveltem, így is maradt némi eltérés a tápfeszben, de ez teljes kivezérlésnél eltűnik, teljesen szimmetrikusan klippel. A szkópon a csíkok azt mutatják, hogyan változik a "szervó" (vagy minek nevezzük) tranzisztorainak az árama kivezéreletlenül és klippelésig hajtva, majd vissza. Az első fotón a pozitív táptól mértem az 1k munkaellenálláson a feszültségesést, a másodikon meg a negatívon ugyanezt. Máris megnézem amit küldtél.
Mérve semmi különbség nincs a két DC szervó között, minden felharmonikus pontosan ugyanazon a szinten van, viszont így van a kimeneten 16 mV DC. Tekergettem a nyugalmi áramot 3Veff kimeneti feszültségnél. A tozításminimum 40mA-nél van (0.003%), viszont a sokadrendű felharmonikusok 30mA-nél tűnnek el, de ilyen kis nyugalmi áramoknál leromlik a stabilitása - kb 10mA-t mászkál - ezért inkább feltekertem 50mA-re.
Meghallgattam, de semmi különbséget nem hallok az előző változathoz képest, ha mégis valamit, akkor inkább rosszabbnak tűnik egy hangyányival, Nem tudom elmondani mit hallok, mintha ványadtabb lenne, de inkább még holnap újra ráhallgatok pihenten. Nekem talán szimpatikusabb az a két ellenállás, mint ez a Quados izé, de még alszom rá egyet.
Most csak feltételezem hogy elég jók a tápszűrő kondik, és nem visz be extra hibát. Érdekes. De elfogadom, mert nem csak teória, hanem valós helyzet hogy jó az előző verzió.
A 16 mV az a quados verzióban benne lesz, mert az az opa ofszethibája felerősítve. Itt jön az, hogy a mért adatok egyformák, mégis máshogy szól. Talán kell bele valamennyi mocsok.
(Most látom milyen korán keltem.) Ha újra megnézed ezt a két legutóbbi szkóp fotót (CAM2327,2329) látszólag semmirevaló képek és nem ábrázolnak semmit. De a "púpnál" klippel az 1kHz-es szinusz, a tranzisztorok kimeneti áramában viszont nincs sem 1kHz, sem brumm, csak a lassan változó offset hiba.
A pufferkondik egyben csatolókondik is. Akár ki is lehetne hagyni a vcs kör 1.5k-os visszacsatoló ellenállását és helyette a mostani 33k-os osztó helyett 3k-ot betenni. Annyit változna, hogy akkor AC visszacsatolás lenne a mostani DC helyett. A 10Hz-es négyszögjelnek a kimenet felől mérve lenne tetőesése, ellenben a DC visszacsatolással, ahol a tetőesés a tápfeszben jelenik meg és a kivezérelhetőséget korlátozza (2Hz alatt). A pufferkondik minősége mindenképpen meghatározza a hangminőséget, de elég a két féltápban egymáshoz képest egyformának lenniük, hogy ne vigyenek be a saját torzításukon kívül egyéb hibát. Bár elvileg a visszacsatolás a kondik hibáját átteszi a tápfeszbe... és most jön az, ha szőrszálhasogatni akarunk, hogy ezt a hibát kis mértékben a 33k-os osztó beleviszi a vcs körbe. (Ezeken a dolgokon ábrándoztam hajnalban.)
Teljesen elbizonytalanodtam.
Az első szkóp fotón a kimeneti jel 8Ohm műterheléssel. Elméletileg a kimeneti jelhez képest az R38,39 osztó közepén nem lehetne jel, de mégis van. Persze ez nem meglepő, de ekkorára nem számítottam. Tehát elvileg mégis jelentős torzítást kellene bevigyen az R40.41, ha benne van a vcs körben. Ugye, ezt küszöböltük ki a Quad féle szervóval ami mindössze 6mA-t tol bele a kimeneti jelbe, de azt is kiszabályozza a visszacsatolás. (Ismétlem magam, de hátha nem mindenki érti miről van szó.) Újra meghallgattam és a Quados szervó szól rosszabbul. Érthetetlen. Aztán gondoltam egy merészet és páhuzamosan kapcsoltam vele a két 51k-ot is. Így mintha jobb lenne. Persze ezek nüansznyi különbségek és lehet csak magamba magyarázok valamit amit nem kellene. Úgyhogy most félreteszem az egészet és majd később előveszem, mert úgy érzem belezavarodtam.
Próbáltam megérteni amiket írtál, és bár valóban ellentmond a meghallgatásod a műszaki elméletnek, de talán mégse. Azt írtad, a Quados verzió 6mA-t tol a kimeneti jelbe. Ez lehet hogy kicsi, de ezt az áramot a hangsugárzóba tolja, ami (talán beteges gondolat) előfeszíti a membránt. Természetesen ez csak nüansznyi, de emlékszem mikor azt írtad a HTB-ről, hogy amikor egy pici ofszet volt a kimenetén, elcseszte a hangot. Persze egy füles membrán jóval érzékenyebb, de tudja a fene.
Ezen a rajzon nem folyik a hangsugárzón keresztül 6 mA, mert a kicsatoló/puffer kondikon nem erőszakolunk meg semmit. Talán ki lehetne ezt is próbálni.
Viszonylag ritkán nézek be, ezért nem követtem végig ennek az erősítőnek az útját itt. De most hogy a kapcsolást nézem, felmerült bennem egy kérdés: mi történik amikor az erősítő ki van vezérelve, hogyan oszlik meg a maradék feszültség a sorba kapcsolt P és N csatornás FET között? Nézted szimulációban és a gyakorlatban a feteken eső feszültségeket?
A hozzászólás módosítva: Okt 27, 2019
|
Bejelentkezés
Hirdetés |


















































