Fórum témák
» Több friss téma |
Ez így nagyon szuper! Már csak a segédtápon változtatnék, elég a +/-15V is. Kisebb lesz a kollektorokon a feszültségugrás és barátibb disszipációk adódnak a meghajtásban. A gyakorlatban majd 6.8V Zener kell a mostani 6V helyett, de ez már részletkérdés. Már látom, abban sántikálsz, hogy Te ezt így fogod használni zenekari izének, de valami impedancia illesztő akkor is kelleni fog majd a bemenetre.
Highand-nek is jó ötletei vannak, mindjárt megszimulálom...
Zenekari erősítőknél mindig probléma, hogy klippelésnél lefullad a hang. Highand is írt róla, hogy valami tesztelés alkalmával nem vették át, ha lihegett a végfok túlvezérléskor. Egy jó szimmetrikus vezérlésű, szépen klippelő erősítő aranyat ér. Az 1%-os torzítás olyan kicsi, hogy szóló hangszernél, nem okoz gondot.
Aki dohányzik vagy dohányzott, az biztosan próbált már füstkarikát fújni. Ezekben akkora energia van, hogy egy gyertya lángját egyszerűen elfújja. Hasonló, csak láthatatlan karikák hagyják el az ember száját néhány hangnál. Ha ezt nem szűrnénk ki, akkora robbanásokat okozna a mikrofonok membránján, hogy az 20-30dB-el (talán többel) nagyobb jelet ad le, mint normálisan. Persze van pop filter, meg harisnya, meg pulikutya, meg szivacslabda, de mindent azok sem tudnak szűrni. Sőt, kissé döglöttebb lesz tőlük a hang. Szóval lesznek klippelő impulzusok. Na befejezem, mert ez már nem idevaló.
Ezzel az elfelejtett Highand ötlettel megoldódott a bemeneti impedancia kérdése is.
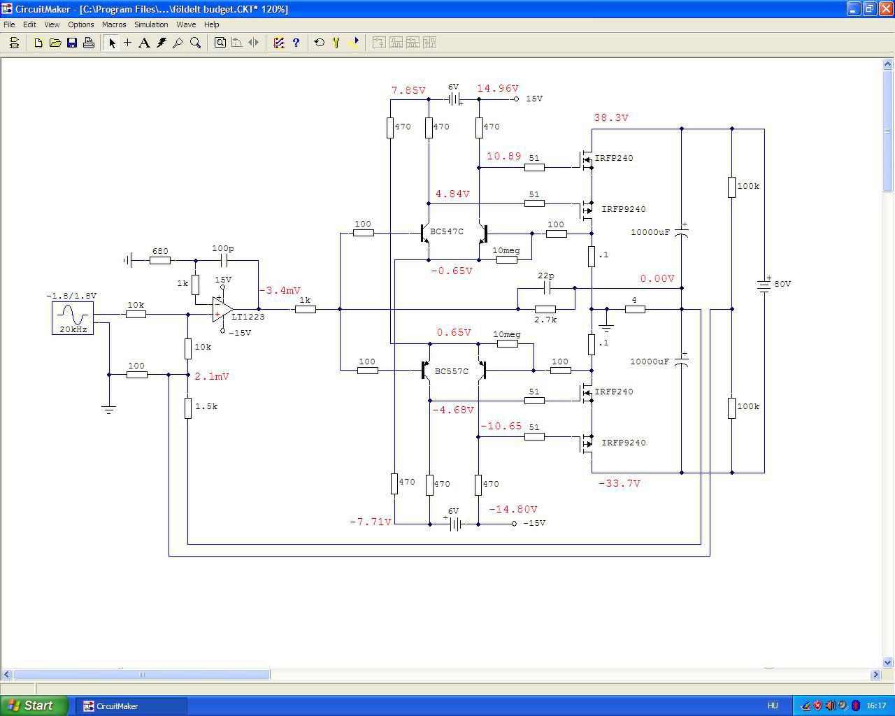
A Bode olyan, mint a nagykönyvben... ez a 82 fokos fázistartalék már mindenhez elég, mint a négyszög átvitel is mutatja 1µF-os terheléssel. Szerintem meg lehet próbálni a deszkamodell megépítését. (?) Az LT1223 kicsit drága opamp - 1200 bruttó a RET-nél - de szerintem ennyit érdemes áldozni erre a kapcsolásra (nekem meg van itthon a fiókban, tehát könnyen beszélek). Az invertáló bemenetére a gyári ajánlás szerint kell az 1k, különben gerjedni fog és a szimulátor is kiakadt a négyszögjelnél nélküle. Hátra van még a tápegység bonyodalma, ami most nagyon nem mindegy, hogy egy, vagy két Greatz-es lesz.
Értem, és figyelembe vettem a problémát eleve. Szerintem klippelésben is megállja a helyét így.
A klippelésben már alap állapotban megállta a helyét, nem szükséges tovább védeni. Persze lehet. Azt akartam jelezni, hogy ritka jó konstrukció ez a földelt budget. De köszönöm a törődést.
Ha az opamp jelentősen túlvezérli a diff erősítők bemenetét csúnyán klippel a kimenet. Nagyjából úgy kell megválasztani a budget erősítését, hogy közel egyszerre klippeljen az opamppal. De ezt nyilván Te is tudod.
A hozzászólás módosítva: Okt 20, 2019
Ez az egy Graetz-es változat, ahol nincs középleágazása a trafónak. Hasonlít a "lebegő földes" megoldáshoz, de ez "lebegő kimenetű". A kimenet szempontjából a pufferek párhuzamosan kapcsolódnak a terheléssel, az egyenirányítás felől nézve sorosan. Így nincs szükség hangszóró védelemre, cserében a pufferek feszültségét úgy kell méretezni, hogyha "tápra ülne ki" a végfok akkor a puffer ne robbanjon fel.
A két 100k-os ellenállás a DC szervó szerepét tölti be, ugyanis itt is - mint a lebegő földnél - a legkisebb aszimmetria a kimeneti áramban a középtápfesz eltolódását okozza valamelyik táp irányába. A pufferek a gyors szimuláció kedvéért 100µF-osak, a gyakorlatban szerintem 10 mF-ra lehet növelni az értéküket. 8 Ohm terhelésnél lesz 160 ms a "védelem" időállandója, ezt ki kell bírja a lengőcséve károsodás nélkül. Egy relés hangszóró védelemnek is kell ennyi idő az aktiválódáshoz. A hozzászólás módosítva: Okt 20, 2019
Engem ez a soros kondi régebben csak azért zavart, mert itthon sok 50-63V-os elkó akad, viszont 100-160V-os nem nagyon. Minden egyéb hozadék csak pozitív. De miért is kellene az összes kondenzátort ebben a formában alkalmazni? Egy része lehetne a két tápsín között is. Talán spórolós énem sugallja, de például 4 darab 4700u/160V közül kettő a két táp közé párhuzamosan, a másik kettő sorosan mehetne. Természetesen ez sem saját ötlet, hanem egy fűtésrendszer tápjában láttam egy motor frekiváltójának teljesítmény fokozatában.
De nem is ez a gondolat izgatott. A differenciál meghajtón már sok változatot próbáltál (én is), de most esett le, hogy nem figyeltem egy kis részletre. A diff két tranzisztora igaz hogy ugyanakkora áramon dolgozik, de a disszipációjuk különböző. A bemeneti oldalon 80mW, az áramérzékelőn 150mW. A maximális disszipációból saccolva ez kb. 25 °C különbség. Ez 50mV eltérést jelent. Nem tudom összeragasztott tokozással ez mennyire csökkenthető, de gyanítom nem nullára. Ez az 50mV azért nagy, mert 100mA-es nyugalmi áramhoz a 0,1 Ohmos áramérzékelőn mindössze 10mV feszültségesés tartozik. Ennek figyelembevételével bekerült még két zénerdióda, amivel egyensúlyba került a diff. erősítők két tranzisztorfele. Még megnézem miként mászhat el ez az egyensúly ha vezérlést kap az erősítő. Gyanítom nem marad nyugton.
Amennyire ki tudtam átlagolni a disszipációs görbét, az szerint folyamatos szinusz jellel 70% körüli kivezérléstől tolódik el jelentősebben a két tranzisztorfél disszipációja. Ez klippelésig legfeljebb 150mA nyugalmi áramtöbbletet jelentene. Szerintem ez nem olyan sok. Lényeg, hogy nem fogy el a nyugalmi áram, mert az rosszabb lenne a torzítás szempontjából. Erre highand is rávilágított mint probléma forrásra egyéb erősítőknél. Nem szerencsés ha egy nagy amplitúdójú mély hang mellett egy finom közép karcosodik.
Nem tudom mennyire lehet öszeragasztással kiegyenlíteni a két tranzisztor hőmérsékletét, de csak javulhat az együtt futás, így még kisebb lesz a drift. Valamint nem is szoktunk szinuszt erősíteni még hangszer erősítővel sem, legalábbis nem full kivezérlésen. persze lehet még játszani vele ha szükséges.
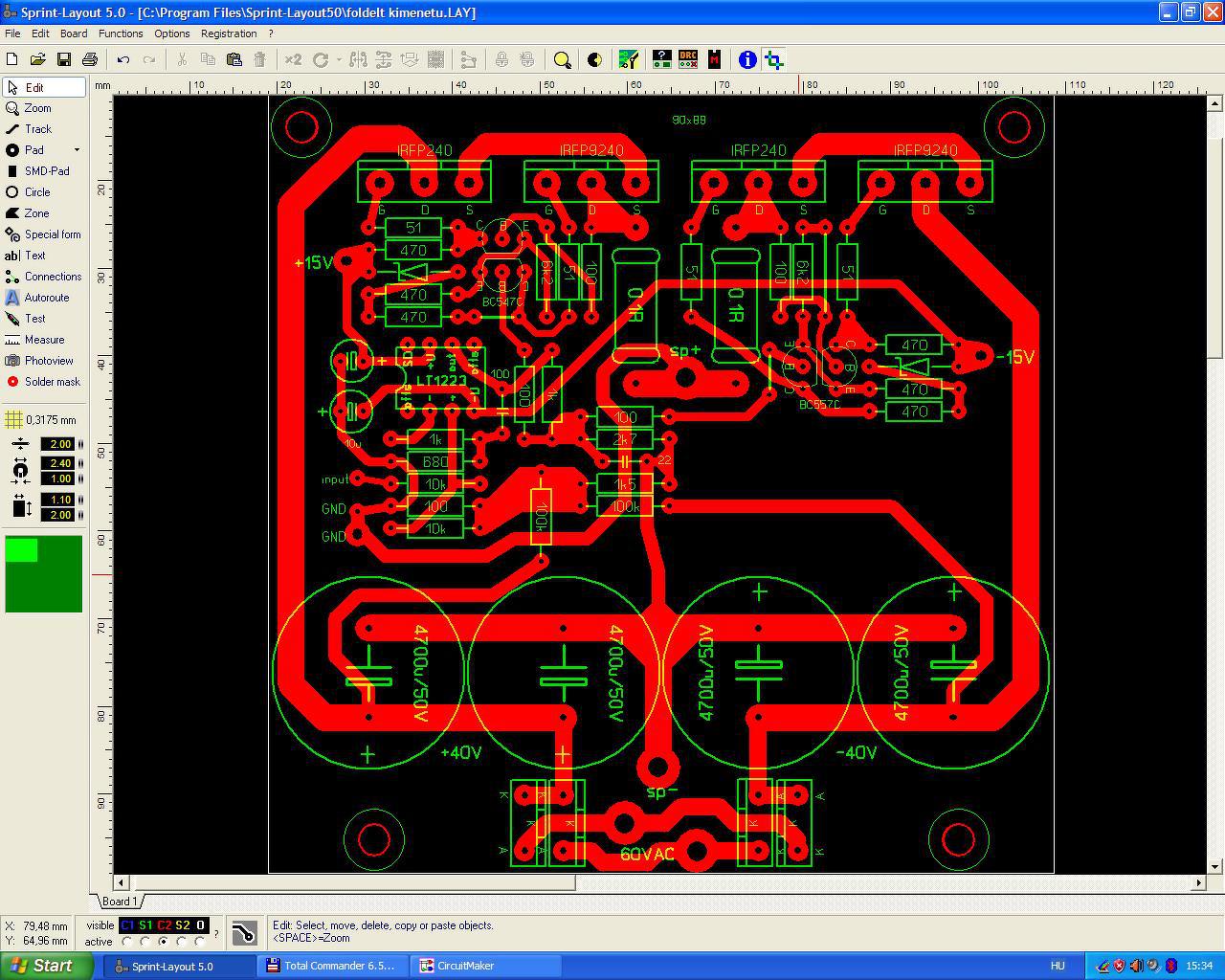
Láttam ezt a disszipáció különbséget és már eleve összeragasztott tranzisztorral rajzolom a nyákot. Kipróbálom most már a gyakorlatban és ezt a kísérleti panelt bármilyen mértékig össze lehet kókányolni ha valami nem oké. Még akár jó is lehet így...
Összeütöttem hirtelen, ha valamit másképpen csinálnál most szólj, vagy hallgasd el örökre.
A segédtápot majd valahogy rábűvölöm a végleges változatnál a végfok nyákra. Annyira nem kell túlméretezni szerintem a pufferkondi feszültségét, a QSC bátran 100V-ost tesz 2x63V-os tápra. Általában gond nélkül elviselik a névleges feszültség kétszeresét is, de mindjárt megmérek egy-két kondit mit bír ki ha muszáj neki. És ez nem üzemszerű állapot, elméletileg soha nem lesz rajtuk a teljes táp. Lehet a táp +/- pólusára is tenni külön puffert ha a szükség úgy hozza... Hoppá... most látom, hogy diff erősítő emitter ellenállását a másik tápra kell kötni. A hozzászólás módosítva: Okt 21, 2019
Hát ez most már ilyen lesz, nincs türelmem újra rajzolni.
Gond nélkül indult, vagyis "pöccre". Azok az alkatrészek vannak benne amik a szimulátorban.
A 6.2k-t nem tettem bele első körben, így semmi nyugalmi áram nem volt. Ezeket a feszültségeket mértem amiket odaírtam. Aztán a 10k-os trimmerekkel szépen be lehetett állítani a nyugalmi áramot, mA pontossággal. A trimmerek aszimmetriáját az opamp kimeneti feszültségén lehet ellenőrizni. Most hirtelen 60mA-re állítottam és megvártam, hogy meleg legyen a hűtőtönk (50 fok körüli, nem méricskéltem). Úgy tartja hidegen-melegen a nyugalmi áramot, mint a cövek. A nyák alján van a 4R7/5W műterhelés a gyors próba idejére átmenetileg. Megnéztem gyorsan az átvitelt szinusszal, négyszöggel. Nincs semmi zaj, semmi gerjedés, a -3dB-es pontja 170kHz körül van (ezt mutatja a Bode is a szimulációban). A négyszögjel átvitel olyan, mint a nagykönyvben. Holnap majd folytatom a beállítást, méricskélést, mára elég ennyi. Kap rendes tápot is a végfok része, az eleje egyelőre marad a labortápon. És meg is hallgatom. Nagyon izgi A hozzászólás módosítva: Okt 22, 2019
Mire reagálna az ember, már le is gyártod a berendezést. Le a kalappal Karesz már megint. Cimborám szerint sokat csal a CM2000, de tudjuk hogy ez nem így van. Ha mindent figyelembe vesz az ember, akkor valóban az lesz a valóság mint a szimulátorban. Nem tudom mit kellene ilyenkor mondani, mert a magam fajta parasztgyerek köszönni se tud, de veled izgulok. Kíváncsi leszek hogy fülre mit mutat.
A nyugalmi áramból, vagyis annak nem létéből arra lehet következtetni, hogy az összeragasztott TO92 tokok nagyon jó termikus kontaktban vannak, másként A bemeneti és az áramfigyelő tranzisztorok között akkora UBE feszültség különbség lenne, hogy saccra legalább 150-200mA-nek kellene folyni a feteken. De akkor ez azt is jelenti, hogy ezek a BC tranyók szükség esetén jelentősen nagyobb disszipációra is képesek, ha hűtőtömbbe ragasztanánk őket. Lényeg hogy eddig hozza a papírformát. Ha a meghallgatás is pozitív lesz, akkor ismét lehullik egy (de lehet hogy kettő) a titkot eltakaró ezernyi lepel közül. Van amelyik csak finom fátyol, de van sok durva pokróc is.
Köszönöm a dicséretet!
Reggel a nyugalmi áram ellenőrzésével kezdtem. A műhelyben 17.6 fok volt, bekapcsoláskor 65mA-rel indult, úgy egy perce múlva lement 61mA-re, aztán beállt 63-ra. Ha fújkáltam, fűtöttem, hűtöttem, 61-65 mA között maradt. Két óra zene hallgatás után rámértem a 60 fok körüli bordára, 63 mA-t mutatott a multi. Tehát ez így jó lesz szerintem. A "DC szervó" 100k-os ellenállásait lecsökkentettem 33k-ra, így most +41.5/-40.6V a tápfesz. Valószínűleg az opamp offset hibája okozza az eltérést, de ez már az "elmegy kategória", majd látjuk. Aztán előhúztam a fiókból a 2x30VAC, 250VA-es trafót amit direkt a BD60-hoz rendeltem a THE-től.... Cseh trafót nem veszek többé. Terheletlenül 2x34.5V, ami 96V lett volna egyenirányítva, amit már sokalltam. Maradt a régi öreg Orion SE valamennyi trafója, amivel a fent említett tápfeszt kaptam. Rég voltam ennyire lelkes, mint most. Következett a hallgassuk meg gyorsan. Nagyon félek az első meghallgatásoktól, mert ilyenkor mindig "hízlalja a gazda füle a jószágot" effektus van, próbálok ezen átlépni és inkább a hibákat keresni. A közép hangokba nem nagyon lehet belekötni, de a mélye kicsit lágy. Hallom a kimeneti csatolókondit, de lehet, hogy csak magamba beszélem. Tény, hogy aminek a hangjába még én sem tudok belekötni, az a legutóbbi BD60. Ennek nincs olyan eszméletlen dinamikája és hiányzik az a nyíltság amit tegnapelőtt hallottam. De határozottan nem rossz, szerintem sokan megnyalnák a tíz ujjukat ha ilyen erősítőjük lenne. És az az érdekes, hogy hangosan elkezd kegyetlen jól szólni. A macska odaült a műhely ajtóba "Hotel Kaliforniát" hallgatni, az asszony meg kiszólt a konyhából, hogy miért nem hallgatom végig a számot. (Azért mert már unom.) De nem akartam megfőzni ezzel a kis hűtőbordával, amit csak úgy odaragasztottam szilikon zsírral a hűtőtönkre. Hibát is láttam a szkópon. Mintha gerjedne a pozitív félhullám a dús magas hangoknál, de szerintem nem is mintha, hanem gerjed is. Most vagy amiatt, hogy a nyák alatt megy el a hangszóró vezeték, vagy pozitív tápvezeték megy közel a nyákon az opamp bemenetéhez, vagy más... Elsőként ennek kell utánajárni, de még elsőbbként teszek rá rendes hűtőbordát. Ja... igen. Mukk nélkül kapcsol be és ki. Semmi koppanás. A hangszóróból semmi zaj nem hallatszik - ha beledugom a fülem - akkor sem. Nem szabad elfelejteni, hogy ez az első hirtelen benyomás egy teljesen nyers kapcsolásról. Még rengeteg tartalék van benne szerintem... ennél csak jobb lehet ha már azt fogom rá mondani, hogy készen van. De addig még lesz rajta mit kézimunkázni. És most én is azt gondolom, a pufferkondik befolyásolják az egész kapcsolás hangját elsősorban, hiszen azokon keresztül "vezérlődik" a hangszóró. Jó kérdés, hogy most mennyi pénzt érdemes (vagy kellene) ezekre költeni?
Az a macska tudhat valamit, de nem fogja elmondani az biztos. Szerintem nem ereszkedik le az emberek szintjére.
Nekem a földelt kimenetű kísérleteimnél gyakorta gerjedés volt a végeredmény, ami kissé el is vette a kedvem. Talán nem csak a drót közelsége okozza, hanem az, hogy belegondolva az egész tápegység a kimeneten van. Normál topológiánál szinte csak a végtranzisztorok néhány lába, meg pár passzív elem lóg a kimeneten, de most hatalmas felületek, beleértve a trafó szekunderét, meg a pufferek felszínét. Ráadásul ha a rendszer másütt nem földelt, akkor egy párszáz pF-on keresztül csak a kimenet van a trafón keresztül hidegítve. Az egyensúly vissza akar állni, és a farok csóválja a kutyát. Egy biztos GND lehet hogy megszűnteti az anomáliát. Ennek ellenére örülök az eddigi sikernek.
Valami kiment a fejemből. A hálózati trafó szekundere a töltési csúcsokon kívül semmilyen kapcsolatban nincs az erősítővel, mert ilyenkor a diódák zárnak. De mivel a pufferek a hangfrekis jelen lovagolnak, nem egyszerűen csak párszáz pF-on keresztül csatlakozik a primerhez (p/s kapacitás), hanem ott vannak még a diódák is. Ez a nemlineáris izé beleszólhat a hangképbe. Valahol össze kellene hidegíteni a szekunder tekercset a kimenettel. De lehet hogy ez csak az én agyszüleményem, és nincs is alapja.
Azt azért nem szabad elfelejteni, hogy mi csak hobbisták vagyunk és nem komoly díyerek, mint más fórumokon a komoly szakemberek
Elfelejtünk olyan dolgokat amiket pedig amúgy tudunk. Például, hogy a begerjedt erősítő alkalmatlan erősítésre, de azért hallgatjuk (a macskával együtt) másfél órán át és utána még véleményt is mondunk róla. Ztán meg azt, hogy a szimulátor is mutatta (és amúgy is tudjuk), hogy az áramkimenetű erősítő terheletlenül jó nagyot erősít és emiatt begerjedhet. És még eszembe is volt, hogy rajzoljak Zobel-tagot a nyákra éppen emiatt, de aztán kiment a fejemből. Meg még az is eszembe jutott, hogy a digitális szkóp tud jelet tárolni, oszt megnéztem és a negatív táp is gerjedt. Miután kétszer véletlenül rövidrezártam a végfokot és mindkettőt sikeresen túlélte, pedig az egyiknél jó nagy szikrát hányt miközben szólt miközben levettem a mérőcsúcsot, de nem zavartatta magát, csak szólt tovább.(Ez volt a sefülesefarka bevezető.) Szóval... ahogy bekerült a Zobel, helyreállt a rend. Megjött a mély, megjött a dinamika, lead 135 W-ot zeneiben a két párhuzamosított 8 Ohm-os SAL dobozon. Úgy peng a gitár, hogy azcsakna. Mocsok jól szól. Kegyetlen jól szól. Halkan is és hangosan is. Olyan számokon sem ugrattam át a CD-t amin a BD60-nál de. Amennyire el voltam keseredve délelőtt, annyira vagyok feldobódva most. Ez így jó, ahogy van. De persze bele fogok piszkálni, mert nem én lennék, ha nem.
Dobok egy mancsot, de csak a fele a tiéd, a másik felét add a macskának. Abban egyet értek veled hogy bele kell piszkálni, mert amikor már csak rosszabb lesz, akkor tudni lehet hogy mikor volt a legjobb. Ha megnézted volna a macskát jobban, láthattad volna hogy ott lógott a szájában egy pár Ohmos ellenállás meg egy 100-220nF-os kondi. Épp oda akarta adni, csak gondolom nem értesz macskául. Szerintem most nyugodtan lepihent, mert elérte célját. Örülök hogy jó lett, tiszteletedre megiszok két doboz sört. Úgy is ünnep van. A macska egészségére pedig holnap reggel egy kávét.
Azért azt sem szabad elfelejteni, hogy más DIY-erek évekig fejlesztenek, te pedig akkor kezdted amikor elindult a CD első track-je, és mire elkészültél, még legalább két nóta maradt. Azért ez nem semmi.
Gratulálok! A közreműködőknek szintúgy.
Köszönjük szépen! Nagyon kedves vagy.
Egyébként Neked tetszik ez a kapcsolás? Sokat adunk a véleményedre (talán beszélhetek többes számban.)
Ha a QSC össze tud díjerkedni ilyet, akkor a hobbista miért ne? Főként ha a macska is segít.
A QSC-nek volt rá 20 éve, meg 100 munkatársa. Neked 2 hét, meg egy macska. De persze te nem a profitorientáció árnykában dolgoztál, hanem a jó Magyar kurázsi tüzében. Egyébként hogy jött ez a merőben új mosfet kapcsolás? Mármint a "PN-NP" vagy hogy hívjam végfokozat.
Ide még írtam egy csomót, csak hülyeségbe torkollott, így töröltem. Még egyszer gratula !
Pazar az ötlet, szakszerű a hozzá épített áramkör.
Szerencsésnek tartom, hogy az erősítő invertál. Nézve a rajzot, mindig azon kapom magam, hogy a test felőli IRFP-ket ki akarom piszkálni. Azután rájövök, hogy az bizony nagyon el van ott találva, majd ismét piszkálnám - itt tartok
A "DC" szervó két 33kOhmos ellenállása jelenleg a jelúrra dolgozik. Ezt a közös pontot tartom még problémának, mert most a kt 10000µF benne van (még ha csak kis mértékben is) a visszacsatoló körben. Ennyit vettem még észre.
Nem tudom, hogy jött az ötlet. Azon merengtem, hogyan lehetne kiküszöbölni a kimeneti fokozat aszimmetriáját... aztán csak úgy beugrott a semmiből.
Ha kipiszkálod minden felborul, de ha kedved van piszkáld ki
Ha elméletben feszültség generátorra cseréljük a pufferkondikat, akkor a két táp és a kimenet azonos potenciálon van. Nem tudom mekkora torzítást vihet be a gyakorlatban ez a megoldás. Ki lehet váltani integrátorral a két ellenállást. Meg kellene hallgatni van-e különbség a két megoldás között hangzásban.
Érdekes szerkezet ez a földelt kimenetű, nekem ez az első, még soha nem csináltam ilyet.
Az első két fotón az 1.ch a pozitív tápon, a 2.ch a negatív tápon. Azt vártam, hogy látni fogom a brummot a jelben, de nem látom. A második fotón a megnyújtottam a jelet, mert olyan, mintha nem lenne fázisban a 32. ms-nél a két táp, de abban van. A 3. és 4. fotón az 1.ch a pozitív táp, a 2.ch a kimenet. Így sem látszik a brumm. Mindjárt megnézem műterhelésen szinusszal. (A negyedik fotón nem a végfok klippel hanem a felvétel ilyen.)
Hülye vagyok. A kimeneti jel amplitúdójához képest elenyésző a brumm, nyilván nem lehet észrevenni a zenei jelben. Szinusszal már valamelyest látszik. És ha már szinusz, akkor így klippel és abban már ott van a brumm okozta tetőesés.
|
Bejelentkezés
Hirdetés |






























