Fórum témák
» Több friss téma |
Sziasztok!
Azt szeretnem kerni hogy valaki ha tudna egy nagyon egyszeru erositonek leirna hogy kell megcsinalni. Meg kezdo vagyok soha nem csinaltam meg semmit de erdekel a dolog es szeretnem csinalni. Ha lehet egyszeru nyelven irjatok le megkerlek es ne haragudjatok hogy meg kezdo vagyok en is kell tanuljak . Nagyon egyszeru legyen a legegyszerubb osszerakasi modszererel es a legegyszerubb hozzavalo alkatreszekkel. pl eleg egy 2 x 20-as is. De lehet mas is.
Erősítős topicból kismillió van...Szerintem zárolják a témát vagy áthelyezik. Kereső nagy segítség. Dönts el IC s kell-e vagy tranzisztoros, nézz körül mennyi és milyen alkatrészed (trafó kondi) van otthon.
A keresobe beirtam de nem vetett elo semmit. Csak az uj temakat de nem is voltak koze az erositokhoz.
Csak 299 darab topik van ami erősítővel foglalkozik ! Ez nem elég ?
Szerintem meg vegyél a D-audio-tól vagy a mikroshop-tól kit-et ott részletesen leírják mit hova kell bekötni!
Mikroshop: Bővebben: 2x25W-os erősítő D-audio: Bővebben: 14W-os erősítő Így legalább biztos lehetsz a sikerben, hogy biztos működni fog, ha odafigyelsz mit csinálsz...
Es a neten talaok valami ilyen szakkonyvet egyszru tanulo nyelven leirva???
Igen!
Miután az elektronikai alapfogalmakkal megismerkedsz a cikkeknél, utána elolvashatod az erősítővel kapcsolatos cikkeket is, majd szépen elkezdheted olvasgatni az összes létező erősítős, és nem erositos topikokat! Mindegyikből sokat tanulhatsz!
Igen ott is vannak jó dolgok
![]() Csak én ettől a 2 cégtől vásároltam már és megbízhatóak, korrektek, és nem is túl drágák. De szerintem előbb az alapkapcsolásokkal kéne kezdenie, nem pedig egyből egy erősítővel
Bocsi hogy rosszul irtam csak ekezet nelkul irtam es a kereso azert nem dobta ki. Meg ma regisztraltam es meg nem tudom pontosan mi hol van. Csak azert irtam igy hogy kezdo mert meg soha nem foglalkoztam ilyennel es a rajzrol meg tuti nem tudnam osszerakni. Soha nem foglalkoztam vele csak megtteszett es kezdett erdeklni.
Csak a gepem nincs beallitva es azert irok igy
es mas orszagba is elkuldik???
A csomagban minden megvan csak ossze kell rakni???
Sokunknak viszont így nem egészen tetszik, úgyhogy itt az ideje beállítani a gépedet, meg lehet oldani a kérdést kb. 2 percen belül...
D-audio-nál ha jól tudom küldik... mivel postával szállítják...
Igen a csomagban minden alkatrész benne van! Leírással, képpel segítenek az összeszerelésben.
Sziasztok! Nemrég felmerült bennem egy ötlet hogy építsek egy erősítőt. De mivel kezdő vagyok ezért egy kis tanácsot kérnék tőletek. Félvezetős, darlington tranzisztorpáros erősítőt akarok építeni úgy 200-250W körülit, és 2.1-eset, szóval hogy legyen benne mélyláda. A hangfalakba legalább 2, de inkább 3 különböző méretű hangszórót szeretnék beépíteni a különböző frekvenciákhoz. Körülbelül ennyi volna az elképzelésem. Táplálásnak van egy 250VA-es 220/24V-os trafóm, ami nálunk 26-27V-ot ad mert egy kicsit nagyobb a fesz. A trafót nyugodtan túl lehet egy kicsit terhelni mert alig melegszik. Az lenne a kérdés hogy a negatív tápfeszt hogy kell előállítani. Plusz mekkora pufferkapacitás kellene? Esetleg, ha adnátok egy-két tanácsot, vagy valami kapcsolást azt megköszönném nagyon.
. Köszi előre is a válaszotokat.
Üdv!
250va trafo nagyon kevés lenne ha csatornánként szeretnéd levenni a 200-250w-ot. Szerintem fölösleges 2.1 mert raksz egy hangváltót a hangfalakba és kész nem kell külön mélyláda. Oldalanként 200W az elég nagy teljesítmény, illik hozzá minimum egy 600va es vagy nagyobb trafó. Hogy mekkora puffer kondi kell azt meg kiszámolod abból hogy mekkora a tápfesz a teljesítmény, és az áram. Én ugy szoktam hogy amperenként 1000uf tehát pl ha a tápfesz 34v p 2x200w az kb 12 amper akkor 12000uf kondi. de ez a + és a - ágben is 12-12ezer uf.
Jajj, én összesen gondoltam 200-250W-ra, nem csatornánként. Tehát csatinként 100-125W-ra. De most nézem a kapcsolást, nagyon bejön
. Kösz a segítséget. Ha elkezdem csinálni, majd még jelentkezem.
Mit szóltok ehez az erősítőhöz birni fogja a 270W/8ohm?
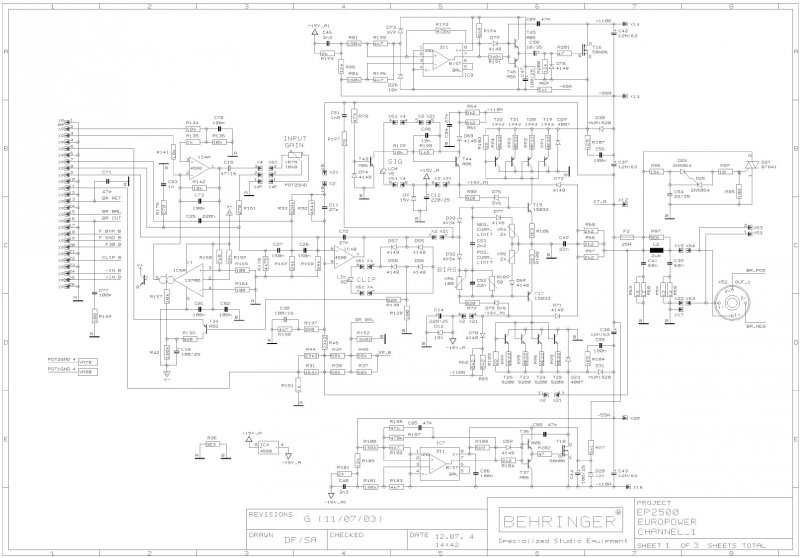
Sziasztok! Tudna valaki segíteni,hogy mi lehet a rajz bal oldalán az a sok kivezetés?
Szép reggelt, délutánt, estét mindenkinek (attól függ mikor olvasod
)Végigolvastam mind a 14 oldalt, mert gondoltam építek egy erősítőt, de csak arra jötten rá, hogy gőzöm nincs az egészhez és max annyit érek el, hogy magamra gyújtom a házat, vagy agyonvág az áram. Azt hiszem maradok az autó szerelésnél. De kinéztem egy csomagot. 2x80 kit Szerintetek ez sok lesz egy kezdőnek? vagy józan paraszti logikával össze rakható? Úgyhogy, majd jövök még kérdezősködni ide, csak hozza ide a magyar posta. Jaaaa, már most kérnék segítséget.... táp ügyben. Szóval, valaki segítsen. Előre is köszönöm, és további szép reggelt, délutánt, estét (attól függ mikor olvasod )
Behringer Europower 2500
Hát nemis tudom. Nem sokba nézem, meg hallottam olyat is, hogy nem győzik szervizelni. Megépíteni akarod? Mert ha igen akkor táp is kell hozzá nemis kicsi meg jópár drága cucc. Ja és az 1200W-ot 2Ohm-on tudja :yes: . Részemről t.amp-nál maradnék (2*1200W/4Ohm!) ez a TA2400. Az a sok kivezetés meg gondolom szalagkábel , ami másik ilyen panelra megy rá
Szia,
Nekem is ilyenem van, csak NS073-mas, 2*130W, de ettől semmiben sem különbözik csak a tápfeszültségtől, és más végtranzisztorok vannak benne. Összerakása nem valami bonyolult, ha nem folyatsz össze semmit és jó a táp akk. 1. bekapcsolásra működik (nameg az IC-t se megfőzni ) Tápnak 2*24voltos trafót ajánlanék, 300VA-est minimum, puffernek elég lehet 2*10000uF,a 10A-es diódahíd is megfelel. +biztosíték a puffer után. (Nekem TO-3-mas tranyók voltak a csomagban: MJ11015-16, kalapos, így vezetékelnem kellett , de gerjedést nem okoz . 4Ohm-on 70% körül viszont letilt az MJ, ha meg BD249C-250C páros van benne akkor recseg. Ennyi hibája van csak, de ez lehet, hogy csak nálam fordult elő)
kicsit alább adom a dolgot, ezt építem elsőnek 50 w úgy hogy csak egy 100-as mélyet búgasson. Azért köszi a választ
Sziasztok!
Gondoltam megosztom veletek ezen projectemet. Igazábol még csak fejben van meg a terv, és még nem is állt össze teljesen, ezért gondoltam, hogy itt közösen megbeszélhetnénk mit szeretnék, mit hogyan lenne érdemes szerintetek. Szóval az egész lényege annyi, hogy egy olyan kis "dobozkát" szeretnék, ami minden, az erősítő és a hangforrás közötti feladatot ellátna (konkrét elképzelések lentebb). Leírom mit hogyan szeretnék, mi adott, mi van már meg. Szóval, ami adott: - doboz: igazábol ez nem teljesen fix, de van egy f@sza kis dobozkám, egy régi 16os hub dobozkája. Méretei (kb.-re): 35 cm széles, 5 magas, 20 mély. Igazábol ez azért fix, mert már jo sok minden ki van szabva rajta, konkrétan, hogy micsoda, azt nemsokára irom. - kivezérlésjelző: mivel már egy ideje megvan, tökéletesen beált, és nem mellesleg sok szívás volt vele, és nem mellesleg nem volt olcso mutatvány (igaz megérte). Tehát: ez egy Urbán-Elektronika féle 2*24 ledes intelligens sztereó kivez.jelző, ami rohadtjól néz ki, leírást scannolok majd róla. Ahogy nézegettem a fórumon nemigazán foglalkozott még vele senki, sejtésem szerint az ára miatt (8500 HUF), de higyjétek el, megéri, ha úgy hozza a sors, videot is rakok fel róla (na, pl. ennek a helye ki van vágva a dobozon, eddig csak ez volt a dobozban )- RCA csatlakozók a hang ki-, és bemenetnek, ebből: - 4 pár bemenet, ezek között váltani lehet. Ez a rész már adott, 5.1 hangcuccból kitermeltem ilyen 2*2es rca aljzat kockákat, 2 db ilyen kocka (4pár rca) már ott röhög a hátlapon, ilyen sokállásu tekergetős kapcsolora rákötve. - 2 pár kimenet, ezek is a fenti rca-kockákkal van megoldva, ezek is kifúrva, kivezetve. - Szabvány hálózati csatlakozo (betáp) (mint a pc-ken), egyáramkörös pici csatlakozó, ami gyárilag rajt volt (mármint csati meg kapcsoló is), előlapra kivezetve, fehér led jelzi az állapotát, ez a rész is megvan. - Szabvány hál. csati: ezt egy 250V/10Amperes relé kapcsolgatja egy ugyanolyan kapcsoló, mint az előzőnél, kék led... Ez a rész is kész. Amit szeretnék továbbá: - a 2 kimenet együtt lenne szabályozva, de mindkettő elé szeretnék egy egyszeres erősítéső erősítőt (esetlegesen sok erősítő rákötése esetén) - a szabályzás: egyelőre csak a hangerőt szeretném, hangszínen erősen gondolkozok még... Ez az alábbiak miatt van: - a hangerőszabályzás: "digitális" szeretném, mármint nem analog potmeterekkel, hanem nagyon vonzanak azok a fajta tekergetős bizgentyűk, amik a mostani autós fejegységekben vannak, nevesítve: rotary encoder. És mindenzt csak azért, mert ha mást nem is, a hangerőszabályzást szeretném távírányitani ( az előzőleg említett 5.1es cuccbol maradt egy távirányító 6 gombbal, csak sajnos a vevő rész ic-je halott , jó lenne, ha fel lehetne használni, a környező alkatrészek megvannak, ha tudnék szerezni ugyanilyen ic-t, szerintem rekonstruálni lehetne). Ic típus később![]() - lehetőleg jó hangja legyen, ne torzítson, erősítenie igazából nem kellene, csak szintet illeszteni, cél: a szabvány 0 db-es (775 mV) vonalszíntű jelet maximum állásban azért körözze le, de ne nagyon. 0 db erősítést kb a hangerőpoti 75%-os értékére szeretném belőni. Egyelőre ennyi, várom a hozzászólásokat, javaslatokat! Ja, és bocsi, ha hosszú lett ![]() Ha valami eszembejut, még közlöm
Továbbá: hangerőszabályást, ha már digitális lesz, nem nyomogombokkal, hanem bizonyos rotary encoderrel szeretném megoldani... Ugye az az, ami ujabban az autós fejegységekben van?!
Reszletes epitesi soorendet lehetne?
Kosz! )))))))))) |
Bejelentkezés
Hirdetés |




. Nagyon egyszeru legyen a legegyszerubb osszerakasi modszererel es a legegyszerubb hozzavalo alkatreszekkel. pl eleg egy 2 x 20-as is. De lehet mas is.



, de gerjedést nem okoz

(na, pl. ennek a helye ki van vágva a dobozon,
, jó lenne, ha fel lehetne használni, a környező alkatrészek megvannak, ha tudnék szerezni ugyanilyen ic-t, szerintem rekonstruálni lehetne). Ic típus később




