Fórum témák
» Több friss téma |
Mielőtt kérdezel, a következő két dolgot ellenőrizd!
I. A helyes tápfeszültségek megléte.
II. A kimeneten van-e egyenfeszültség.
Élesztés.
No csak azért ajánlom az utóbbiakat,mert anno régebben össze dobtam őket,és nagyon jól muzsikáltak.
Hogy mi volt a gond vele?Hát eléggé melegek voltak a végek,és nem igazán adta le a kellő kimenő teljesítményt. A hozzászólás módosítva: Márc 22, 2014
Ertem es 8ohm on menyit bir el 2x100w
Igen,de hidalható is.
Sziasztok, tudna valaki linkelni egy rajzot TDA1520q-val szimetrikus tapra, hidkapcsolasban? A neten nem talaltam csak egycsatornasat, aszimetrikus tappal. Koszi.
Hali!
Hát az csak egy csatornás ic,és csak aszimetrikus tápra van gyártva.
NemBővebben: Link a tda1521-el kevered véletlenül?mert az a két csatornás,és ahoz van szimmetrikus táp.
A hozzászólás módosítva: Márc 22, 2014
A panelrajz elég agyament. Számomra egyértelmű, ha építek, akkor külön panelen vannak a részegységek, és akkor már ki is alakítható a normális huzalozás.
Nos, amit talaltam, az egy philips katalogusbol kiszkennelt 6 oldalas info volt, mindenfele tablazatokkal es diagramokkal meg egy szal alkalmazasi rajzal - amirol fentebb irtam - egyszeru erosito aszimetrikus tappal, visont az ic bemutatojaban, a doksi legelejen, vilagosan ir szimetrikus taprol is. Amugy a 6 oldalas info elso latasra sem teljes, hiszen egy akar 40v-rol is uzemelo ic-rol van szo, ezeknek meg szokas szimetrikus tapos kapcsolasi rajzot is kozreadni. De miert keresem az emlitett kapcsolasi rajzot: van egy regi Philips tv-bol kimentett hangerosito modulom 2 drb TDA1520Q ic-vel aszimetrikus tappal, amit fel szeretnek hasznalni egy szublada epitesehez, ehhez viszont celszerubb a szimetrikus tap, es ha mar 2 drb ic van, jol jonne ha hidkapcsolasban alkalmazhatnam oket. Amugy ha tudsz megoldast 2 erosito ellenutemu jellel valo meghajtasara, es arra, hogyan kothetek hidkapcsolasba 2, aszimetrikus tapos erositot, nagyon megkoszonnem. Udv.
Szia! Ez nagyon a gombhoz varrott kabát esetére emlékeztet. Milyen tápegység áll a rendelkezésedre?
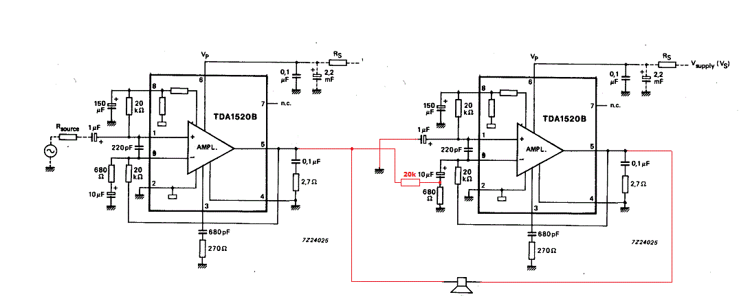
Szimmetrikus táp esetén minden bizonnyal a testre kell kötni a bemeneti ellenállást a 8-as referenciafeszültséget adó láb helyett: Bővebben: Link A hídkapcsolásról bővebben itt.
pika75 fórumtársamnak!Ha már mindenféle képen hidas erősítőt szeretnél,akkor nyugodtan ajánlom a TDA7297-es gyárilag híd kapcsolású íc-t.
Nagyon egyszerű,és a kategóriához képest nagyon jól szól,aszimetrikus tápról üzemel,18v A hozzászólás módosítva: Márc 23, 2014
Tudni kellene hogy milyen feszültség határig,hány ohm-ra szeretnél,tranzisztoros vagy íc-.s.
Egy kis étvágy gerjesztő. A hozzászólás módosítva: Márc 23, 2014
Szia!
A TL082 tokjában két erősítő van, ez nem gond?
Nem kéne, mert két ilyen erősítő lesz, az egyikhez találtam BD243-244-et, azzal tökéletesen működik. Most a másik erősítőbe keresek végfoktranzisztorokat.
Üdv!
Bocsi hogy bele szólok,de ahogy kadaris kolléga fel vetette a 082-ben két erősítő rész van. Tehát akkor,vagy át variálod az íc bekötést a panelon,vagy ez az egy íc fogja meg hajtani mindkét oldalt?Ha jól látom Texas kapcsolás! A BDW40-45 párt nem javaslom,ezek darlingtonok,sem a tip31-32 . Inkább akkor a BD243-44c,vagy 249-250c,vagy a tip41-42c A hozzászólás módosítva: Márc 23, 2014
Igen erre gondoltam én is.
Nekem lenne egy kérdésem,hogy szimetrikus tápról van szó, egyik oldalon+62v van,a másik oldalon-65v van.Számíthatok rendellenességre az erősítő működésében? A hozzászólás módosítva: Márc 23, 2014
Beringer 600: "vagy ez az egy íc fogja meg hajtani mindkét oldalt"... mármint a jobb meg bal hang(falat)sugárzót? Mert akkor igen, tudom, monó lesz.
TIP41-42C-m nincsen, ezért maradt a 31-32, kipróbáltam és szépen szól ezzel is. +- 30 voltról hajtom az áramkört Igazából nem tudtam hogy sztereót is lehet belőle építeni, én a monót kezdtem el, és a IC nem is volt drága. A hozzászólás módosítva: Márc 23, 2014
Tudom hogy filléres,csak sztereó (íc)IC-t nem tudsz alkalmazni monó bekötésbe át alakítás nélkül.
A hozzászólás módosítva: Márc 23, 2014
Van egy kissebb fajta, asztali subladam, hangszoroval, ehhez kellene az elektronika. (az eredeti belehalt az erolkodesbe). A szurot mindenkepp meg kell epitenem, de az erosito reszenek tobb megoldas kozul is valaszthatok: vagy egy tv keszulekbol kimentett TDA2030-as ic vel keszult komplett erosito panel, vagy TDA1520q-val keszult komplett sztereo erosito panel, vagy oszzedobok egy nehany alkatreszbol allo tranyos erositot. A tap nem gond, kb 15 fele-fajta trafo all rendelkezesre. A TDA2030-as teljesitmenyet keveselltem, a TDA1520 idealisnak tunt mert az erosito panel keszvolt, epp csak valahogy hidkapcsolasba kellene kotnom a 2 ic-t es szimetrikus taprol taplalni. Es itt elakadtam.
Szia! Lerajzoltam egyszeres táppal. Szimmetrikussal is kéred?
Szuper!! Nagyszeru, koszonom szepen. Latom a kimeneti csatolo kondikat nem rajzoltad be, ezek mar nem kellenek?
Sziasztok!
Van egy Denon PMA-725R típusú erősítőm amit ha bekapcsol a power led pár másodpercig világit majd egyre halványabb lesz,végül a hálózati relé is kikapcsol.Olyan is előfordult már hogy a relék össze vissza kapcsoltak,előlapi gombokra reagál amíg áram alatt van. Ez vajon táp probléma vagy valami védelem lehet? A végfokokat egy multiméterrel végigmértem már azok jók nem zárlatosak. Ismerősömnek ugyan ez a típus a fő biztosítékot is kiveri,és ott is a végfok jónak tűnik. Rajz van hozzá IC-vel szabályozza a BIAS-t ez talán munkapont beállítást jelent? Minden segítséget nagyon köszönök!
Feltételezem, hogy a referenciafeszültségek (8-as láb) egyformák, így a kimenetek is azonos egyenfeszültségre kerülnek. Ezt a referencia feszültséget akár közösíteni is lehet, igény szerint berajzolom azt is.
Most neztem meg a panelon, a 2 ic 8-as laba ossze van kotve es egy 150µF os kondival a testre.
Ideális. A két 5-ös láb között mérj majd egyenfeszültséget kivezérlés nélkül. Ha kevesebb mint 100mV, akkor a csatolókondenzátor szükségtelen.
Sziasztok!
Gyors kérdés a következő kapcsolással kapcsolatban: Bővebben: Link Egyrészt a standby kapcsolóval párhuzamosan található kondenzátor és soros ellenállás pontosan mi célt szolgál? (Én nagyfrekvenciás zavarszűrőnek gondolom, de lehet tévedek) Illetve, ez a 600Voltos Anód feszültség mellett nem kellene a csőfűtés közepét is felemelni ide az átütés elkerülése végett? 12ax7 és EL34-es csövek vannak a kapcsolás további részében.
Szia! A standby kapcsoló valahogy értelmesebb volna az egyenirányító híd előtt, akkor az RC tag kíméletesen töltené a puffereket. A csőfűtést a katódhoz kéne emelni, de itt nincs rá igény.
Sziasztok olyan gondal fordulok hozátok hogy van egy szobai esőritő de viszont ki tört a hangpotméterem.De nem tudom hogy milyenel lehet ezt helyetesiteni vagy mi lehet vele kezdeni
típusa: pioneer stereo amplifier a333 vagy ha meg tudjátok nekem mondani hogy milyen ez mert még ma neten sem találok még hasonlót sem. |
Bejelentkezés
Hirdetés |















