Fórum témák
» Több friss téma |
Mielőtt kérdezel, a következő két dolgot ellenőrizd!
I. A helyes tápfeszültségek megléte.
II. A kimeneten van-e egyenfeszültség.
Élesztés.
Már csináltam így egy basszerősítőt. Ott is 2x45/600VA trafó volt benne, ami terheletlenül 2X62V-ot kreált. Abba 6 pár IRFP240/9240 lett beépítve. Egy EBS610 ment róla 2,66 omra kellett dolgoztatni, ezért ekkora áramoknál ha bentmarad a végfokban 8-10V, az nagyon nagy veszteség. Ott két darab 8V-os segédtekercs lett plusszba rátekerve a toroidra (az egyébbként a TME, vagy a HQvideo kereskedéstől lett rendelve). Egyszerű egyutas egyenirányítással ment, így kaptam 10,5 V-ot. Ma is kifogástalanul üzemel.
Értem,nos én egyenlőre szeretem ezt használni,és ha már ennyi módosítást beleöltem,akkor ez a módosítás már nem fog gondot okozni.(remélem).Úgyis van segédtápom a ventillátoroknak,az pont kb 18-19v +-.Rácsatlakoztatom a d6 d7 re. Remélem nem kér sok ampert,mert kb 1-2 A amit tud a segédtrafóm. De ahogy számolom a 2 meghajtás panelonként egy egy kb 30 mA többlet terhelést jelent,azaz nem jelentős.
Itt is van, nekem ez van megépítve. Eszméletlen a hangja is meg a teljesítménye is.
Szia Ge Lee! Még nem építettem VF 2-őt. Van itthon két pár 2SK1058/2SJ162. 4X24VAC/150VA traffancsról mehetne független tápfesszel. Az lenne a kérdésem, hogy ezekből érdemes-e VF 2 topológiával építeni erősítőt ? Minőségi zenehallgatásra szeretném használni a nappaliban. Ez tulajdonképpen áramkimenetú, csak vissza van csatolva. A damping faktor nem túl magas, így jobban közelít az elektroncsöves erősítőkhöz. Szélessávú hangszóróval biztosan jó, de a hangváltóhoz mit szól. Volt kisérletem az "A" osztály felé, azt hittem megtaláltam a szent grált, jónak akartam hallani azt amit hallottam, de utölag rájöttem, hogy nem akarom feszegetni a határt. Tehát nem PA cucc érdekel, hanem hosszú távon hallgatható.
Üdv.
Kicsit vékonynak tűnik a vezetősáv. Én vastagabbal vezetősávval kötném be a feteket. ![]() 4ohmon 400/800W. 8ohmon 200/400W.
át ><futtattam ónnal(.)
A hozzászólás módosítva: Márc 21, 2016
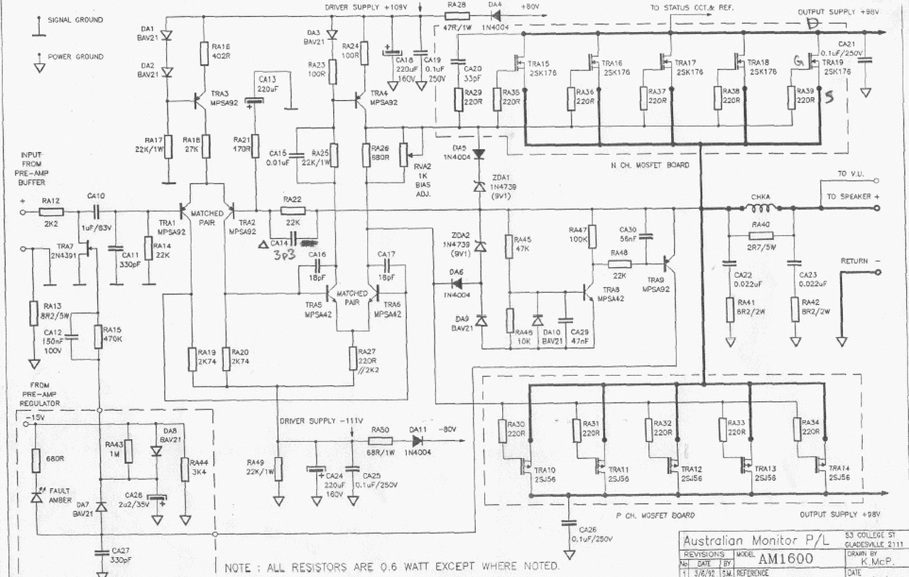
Az audio (2SK-SJ) FET nem jó a VF2-be, de az itt fentebb tárgyalt végfokba igen, mert abba való, az a rajz eredetileg olyan fetekkel lett megépítve (pl. Australian Monitor AM1600). Csak ezt sokan nem tudják és beleteszik az IRFP-t mint itt a néhány hsz-el ezelőtti rajzon is látható, amivel elég karcos hangzása lesz, persze van akinek az is jó.
Meg állítólag a VMS-250-be is jó hangja van, de olyat sosem hallottam szólni.
Sziasztok! szükségem lenne a véleményetekre. Építettem egy tranzisztoros végfokot jó pár hónappal ezelőtt: 2*300w. 4ohm./2*150 8ohm. Jelenleg TDA1524 - el hajtom. Ha laptokról hallgatok zenét akkor legtöbb részt olyan hideg hangja van. Ha CD -ről halgatomszép telt basszusok meg élethűbb. Szerintetek ha közzé raknák egy ilyet: Bővebben: Link
Megoldaná hogy laptokról is jól szóljon? A hozzászólás módosítva: Márc 21, 2016
Ha a műsorforrás változtatod, akkor a hangkép ennek megfelelően változik, mint írod is.
Tehát a forrásban keresendő a gebasz. (ha az esetlegesen fennálló illesztetlenségtől eltekinthetünk) Jóféle külső hangkártya, vagy DAC, megoldhatja a problémádat. Mindenesetre, a TDA-s előfokod, nem egy hányend termék.
Hello újra segítséget kérnék. Az előző probléma megoldódott. Viszont most kézhez került egy autós rádió. Elég régi de át szeretném alakítani hogy telefonnal is használható legyen jack csatlakozóval. Az olvasó fejre a bemenő kábelt be kötöttem de sajnos magasabb hangerőnél betorzít sajnos. Hogy tudnám megszüntetni ezt a problémát. Becsatoló kondenzátort tettem de sajnos ez eredmény ugyan ez. Megpróbáltam 100 nanossal, 47 nanossal, 1 mikrossal és már végső elkeseredésemben 47 faradssal de nem változott.. Az adott oldalakon sorba kötöttem be. Lehet hogy az egyik láb a gnd és a másik láb az adott oldal ? Bocsánat jobban nem tudom megfogalmazni.
Igazából az érdekelne hogy a TDA után beraknám az általam kiszemelt csöves előerősítőt akkor mennyire maradna meg a hangszín szabályozhatósága. A többi beállítható az előerősítőn (out-input)
Eredetileg audió fetekre lett tervezve a kapcsolás,azért kell ez a sok módosítás is.
Nekem pl teljesen bejön a hangja pedig nem vagyok süket sem,de white fül sem. Hangoskodásnál az a karc belefér,persze ez szubjektív kinek mi a jó... Erősen műsorszám és helyiségfüggő is a dolog amibe most ne merüljünk bele.
A hangszínt ugyanúgy szabályozhatod azután is, ha egy feszültségerősítő fokozatot kötsz a TDA után.
Úgy érzem, a kérdésed mögött, inkább a legendás csöves technológia hangra gyakorolt pozitív hatását sejteted kérdezni, mármint hogy ez javítana-e esetedben a hangon?. A jó forrást, ill. a TDA relatíve gyenge minőségét nemhogy egy cső, de semmi sem pótolhatja. Antennás mondás, hogy "a legjobb antennaerősítő a megfelelő jelerősséget szolgáltató antenna," hiszen ami nincs, azt a legjobb erősítő sem erősítheti. Ez a hangra is igaz. A hozzászólás módosítva: Márc 21, 2016
Szia!
Avagy szerzel használtan egy normális külső hangkártyát a laptophoz.(talán több javulást is fog hozni,mint amennyit várnál).Én asus xonar u5-öt használok,windows 8.1-ig tökéletesen működik,ha windows 10-ed van akkor sajnos felejtős.De most olvasom,hogy ezt már javasolták is.
Üdv, Segítséget szeretnék kérni, Vettem egy Renegade v8 ren 500W-os Autóerősítőt, De ha bekötöm a kocsiba, máris kiég a biztosíték, próbáltam már 40A Késes biztivel is, azt is kiégette, ezért gondolom valahol zárlatos, Hangot ad, Próbálna szólni de nem tud mivel kiég a bizti, 2 Csatornás 2x250W Hídba 1x500W, Hol keressem a hibát benne? Hol zárhat össze?
Ha Nincs rákötve a Mélyláda akkor is kiég körülbelül 2-3Mp után. Szóval Terhelés nélkül is kiég ![]() Kocsiba rendben vannak a kábelek, használom másik erősítővel. Köszönöm előre is.
Sziasztok!
Az alábbi kapcsolást szeretném megépíteni. Azt szeretném kérdezni, hogy BD250 helyett megfelelne-e egy ASZ1015 vagy 1018?Illetve BD249 helyett mit tegyek?2N3055 vagy 2N3442-őt? Bővebben: Link
Vegyél TIP35-öt BD249 helyett és TIP36-ot BD250 helyett. Mindkettő olcsó. Én a RET-től vettem. Az ASZ1015 és az ASZ1018 régi germánium tranzisztorok, melyek a megadott kapcsolásban "hőgutát" kapnak és rosszabb esetben a hangsugárzóid leégnek. A 2N3055 illetve a komplementer párja MJ2955 megfelelne csak a TO3-as tokozású tranzisztorokat kicsit kényelmetlenebb a hűtőfelülethez szakszerűen hozzászerelni. Üdv!
Igen eltaláltad a legendás Csöves hang engem is elbűvöl. Tudom hogy tranzisztoros végfok sosem fog ilyet nyújtani csak feljavítani akarom a hangforrást mert a végfok különben szép tiszta hangú.Azt nem értem hogy minek erősítő fokozat a TDA után ha a TDA előerősítő és hangszínszabályzó?Nem csak egyszerűen közzé rakom a TDA és a végfok közzé az úgy esélytelen ?
A hozzászólás módosítva: Márc 22, 2016
Köszönöm a segítséget. A VMS250 szimpatikus, tetszik a meghajtása a nagyjelű fokozatnak, Ügyesen kompenzálják a miller kapacitás hatását.
"TDA után beraknám az általam kiszemelt csöves előerősítőt"
"Azt nem értem hogy minek erősítő fokozat a TDA után ha a TDA előerősítő és hangszínszabályzó? Nem csak egyszerűen közzé rakom a TDA és a végfok közzé az úgy esélytelen?" Te írod, hogy odaszeretnéd tenni. ![]() A műsorforrás minőségének javítását javasoltuk is Neked. A beteszek valamilyen színezőt a jelútba elvet nem szokták javasolni, de ha Neked ez tetszik, akkor nyugodtan.
Megrendeltem a csöves előfokot! Kárba nem vész, hiszen sok mindenre használható. Majd beszámolok a végeredményről. Kösz a tanácsokat!
Azt ugye tudod, hogy ez egycsatornás?
A nagy teljesítményű autós erősítők a tápfeszültség oldalon egy kapcsolóüzemű tápegységet tartalmaznak. A 2-3mp indulás utáni biztosíték kiégetés alapján még nem zárnám ki a tápegység oldali hibáját az erősítőnek. Ennek a javítása feltételezem itt offtopik, Itt talán jobb helyen lehet.
A tápegység oldali zárlat kiderítéséhez a primer oldalon a szűrőkondenzátorok illetve a kapcsoló feteket kellene zárlat szempontjából megvizsgálni. Áramkorlátos tápegységgel vagy pl a biztosíték helyére egy 12V-s 55w izzót kötve könnyebb lehet mérni. Ha tápegység primer oldalán nem találtál zárlatos alkatrészt akkor a szekunder oldali egyenirányítás, szűrő kondenzátorok, illetve a végfok csatornák végtranzisztorait kellene zárlat szempontjából ellenőrizni.
Tudom de összehozom monóban egy pér százkilós ellenállás fogja majd osztani, és ha beválik lehet hogy veszek még egyet
Sziasztok! Segitséget szeretnék kérni adott egy trafó 42v 9 A paraméterekel.
Egyenirányitást beleszámolva szeretnék hozzá egy erősitős kapcsolást lehetöleg tranzisztorost amiből 8ohmon ki tudnák venni 100 wattot mélynyomóhoz kellene ha feszültségnek kissebnek kell lennie szekunderből letekerek ha szügség van rá nem nagyon találtam a netten értékelhető kapcsolást azért fordulok hozzátok előre is kősszi ! Jah és lehetőleg ne kelljen neki szimetrikus táp !
Szia! Nagy gond, ha IC-s? Bővebben: Link
Hát egy pár kellemetlenséget már okoztak ! Azota nem vagyok ic fan
Ahogy érzed, minden esetre nálam több változatban évek óta hibátlanul működnek, azért bátorkodtam ajánlani
Ezzel a tda 7293 szemeztem most egy darabig de az a baj hogy ahoz is szimetrikus táp kell a baj hogy a trafom 1 kivezetéses és ha szimetrizálnám akkor +- 25 voltom lenne persze egyenirányitás után !
Amit linkeltem ahhoz így jó a trafód ahogy van, sőt a kívánt teljesítményed is meglesz.
|
Bejelentkezés
Hirdetés |














