Fórum témák
» Több friss téma |
Mielőtt kérdezel, a következő két dolgot ellenőrizd!
I. A helyes tápfeszültségek megléte.
II. A kimeneten van-e egyenfeszültség.
Élesztés.
a kérdezőknek:
HTA30-ba BDT64C-65C helyett BDW83C-84C is rakható. ez van az eredeti gyári OBELISK-ben is. Ez utóbbi tranyók kaphatók, nem úgy mint a BDT. Alkotó
Az előfok ott van , csak a rövidzárvédelem tranyóit hagytam el , az csak árt nem jó semmire .
Kicsatóló elkoval nyákoldalon van 2,2u ami javít... így nem rosszabb mint sok kisebb elkóból összerakni (6800u) BDW83C-84C Tranyókat használtam . Tápban is többféle elko elhelyezhető .
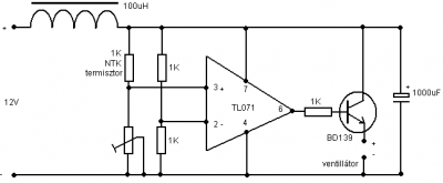
egy 12v hütö ventilátoros hűtöt szertnek csinálni az
erősítömhöz (+dvd )-hez automatikusan indujon s ha hő érri és álljon nem . le ha lehet egyszerü kapcsolás kéne. isiske
tessek
a 100uH-t talan el is hagyhatod
Üdv
Nincs véletlenül ehhez a végfokhoz olyan Sprint Layoutos nyákterved amin rajta van a beültetés is?
Sziasztok!
Szeretnék egy-két alapvető fogalommal tisztában lenni, az erősítők működésével kapcsolatban. Remélem, valaki segít nekem, mivel nagyon fontos lenne ![]() Tegyük fel, hogy egy erősítő tápfeszültsége +/- 12...50 V közötti lehet. A bemeneti érzékenység 500mV (ez nem tudom pontosan mit is jelent, itt maximális az erősítés vagy mi van ha tovább növelem ???). Lényegében azt szeretném tudni, hogyha mondjuk 40V tápfeszt adok neki és beállítom úgy a bemenő jelet, hogy a kimeneten 10% THD legyen, majd ezen az ÁLLANDÓ bemenő jel mellett csökkentem a tápfeszt 35V-ra: akkor a THD marad 10% vagy megnövekszik ? ![]() Egyáltalán mi befolyásolja a THD-t? A THD mennyire impedanciafüggő vagy annak köze nincs ahhoz hogy mondjuk 8 vagy 16 Ohm-os hangfallal használom ?? (a tejesítmény nem érdekel) Lényegében azt szeretném elkerülni, hogy a THD 10% fölé menjen - ez megoldható-e csupán a bemenő jel korlátozásával, tehát nem engedem mondjuk 500mV fölé, akkor sosem torzít független attól hogy 12 vagy 50V ot kap ??? Vagy 12V nál le kell vennem 100mV ra hogx ne torzítson vagy hogy van a dolog ?? ![]() Tudom nagyon amatőr kérdések, éppen ezért jó volna tudnom ![]() Köszi előre is Idézet: „Tegyük fel, hogy egy erősítő tápfeszültsége +/- 12...50 V közötti lehet. A bemeneti érzékenység 500mV (ez nem tudom pontosan mit is jelent, itt maximális az erősítés vagy mi van ha tovább növelem ???).” A bemeneti érzékenység az a feszültségszint, ahol az erősítő névleges teljesítményét adja, névleges tápfesz mellett, névleges terhelésen. Az erősítő "erősítése" általában nem annyira függ a tápfesztől. Viszont azért érdekes lehet a tápfesz, mert a kimenő teljesítmény erősen függ tőle, mint ahogy a terhelőimpedanciától is. Idézet: „Lényegében azt szeretném tudni, hogyha mondjuk 40V tápfeszt adok neki és beállítom úgy a bemenő jelet, hogy a kimeneten 10% THD legyen, majd ezen az ÁLLANDÓ bemenő jel mellett csökkentem a tápfeszt 35V-ra: akkor a THD marad 10% vagy megnövekszik ?” Megnövekszik. Félvezetős erősítőnél általában a 10% THD nagyon sok, itt már túlvezérlődik az erősítő ("elfogy" a tápfesz), ha tovább csökkented, még rosszabb lesz a helyzet. Idézet: „Egyáltalán mi befolyásolja a THD-t? A THD mennyire impedanciafüggő vagy annak köze nincs ahhoz hogy mondjuk 8 vagy 16 Ω-os hangfallal használom ??” A félvezetős erősítők többségénél a negatív visszacsatolás mértékétől függ elsősorban. A THD alacsony mivolta még korántsem jelent jó hangminőséget. Idézet: „Lényegében azt szeretném elkerülni, hogy a THD 10% fölé menjen - ez megoldható-e csupán a bemenő jel korlátozásával, tehát nem engedem mondjuk 500mV fölé, akkor sosem torzít független attól hogy 12 vagy 50V ot kap ??? Vagy 12V nál le kell” A THD félvezetős erősítőnél a 10% nagyon goromba érték, szinte bántó. A bemenőjel közel sem lehet 12V-nál akkora, mint 50V-nál.
Sziasztok a ebben a kapcsolásban nem lehetne elhagyni a két darab 220µF-os kondenzátort?
Hát elhagyni is lehet , de azért kéne a panelra tenni valamit ezek helyett . 47-220 uf között valamit .
Üdv! El lehet hagy ni ebből a kapcsolásból, de a tápegységbe azért tedd bele!
Üdv! Lajos
Nem nagyon értelek. EBBEN benne van. Nyákkal a háttérben, és a nélkül is.
Más: Ha valaki fel akarja vasalni a pozíciófeliratokat, akkor a mellékelt ábrát tükrözni kell! Alkotó
Szia!
Úgy gondolom DJ szabcsa arra gondolt hogy SL-ban le tudja szedni a beültetési rajzot a nyáktervről, és a kinyomtatása után visszateszi. Mert a nyák készítéshez csak a nyák rajzolat nincs pdf-be a rar file-odban. üdv.
Erre most mit mondjak.
Én is megnyitottam, nálam van benne egy nyákrajz fotózáshoz is, meg egy másik vasaláshoz is. Akkor csak annyit mondok, tévedsz. Benne van a nyákrajz (igaz nem lay-ként). Alkotó
Én ezt használnám a helyedben mert ez csak akkor indítja a ventit ha a hűtőborda melegszik. Így nem lessz fölöslegesen zajos a szerkezet.
HŐFOKSZABÁLYZÓ
Köszönöm a gyors választ, sokat segítettél
![]() Egyébként TDA 7293-ról van szó. A tápfesz csak annyit változik, hogy éppen mi van a konnektorban ![]() (ami remélhetőleg 220...230 V között marad) Az más kérdés, hogy nagyobb kivezérlésnél leesik a tápfesz. (de az meg mindig ugyanúgy leesik, mivel a tápegység "állandó" vagyis mindig ugyanaz a trafó lesz) Azt szeretném megoldani, hogy bármilyen hangfalat is kötök az erősítőre (kb 4 és 16 Ohm között), a torzítás ne haladhasson meg egy bizonyos határértéket, mivelhogy a hangfalak nem rajonganak a torz jelért. Hogy ez most 5 vagy 10% azt nem tudom de állandó legyen. Hogy ezt hogyan lehet megoldani, azt sem tudom ... ![]() És pont azért érdekeltek az előbb megkérdezett dolgok, hogy lehet-e pusztán a bemenő jel korlátozásával "megakadályozni" a torzítást terheléstől függetlenül (4-16 Ohm változhat). Tehát egyszerűen egy limiterrel ? Vagy kell egy olyan áramkör, ami figyeli a bemenő jelet, összehasonlítja a kimenő jellel, és ha eltér egy meghatározott mértékben, akkor maximalizálja a bemenő jelet (további hangosítás nem lehetséges), ez tökéletesen hangzik, csak megoldható-e ? Köszi mégegyszer, és ha van ötleted ezekre amiket most kérdeztem, légyszi ne fogd vissza, de ha Másnak van ötlete, hogy ezt hogy "szokták" megoldani, azt is szívesen meghallgatnám ![]()
Nekem ez a két pdf van benne. :nemtudom:
szia! Én nem vagyok híve a limiter áramköröknek.kétségtelen hogy a feladatukat jól ellátják de beleszólhatnak a hangzásba.
Figyelni kell a bemeneti/kimeneti kijelzőket,klipjelzőt és nem túlvezérelni a rendszert.Ha kell manuálisan beavatkozni,és csökkenteni a jelet. Egyébként egy vájtfülű ember félvezetős erősítőnél a közepes hangoknál 1-2%torzítást már zavarónak tart.
"beleszólhatnak a hangzásba"
Az pedig nem lenne jó... Tehát jobban jár az ember (vagyis a hangfal jár jobban), ha észnél van az ember ![]() Fülre nem lehet menni, kizárt hogy szubnál 1-2%-ot észrevegyek, jó ha 5-10-et. ("szobai hangerőn" viszont egyszerre kihallom a torzítást (közép hangoknál), de ez nem szobai hangerő...) Tehát célszerű kivezérlés illetve clip jelzőt használni, és azt figyelgetni. A 7293 IC rendelkezik clip jelzővel... csak arra kéne rájönnöm, hogy pontosan hogy kell használni, adatlapba elég ködös a dolog számomra ![]() De lehet hogy jobban felügyelhető, ha házilag építek clipjelzőt. Utána is nézek a dolgoknak.... Köszi a véleményt elgondolkodtatott
zoka, szerintem felejtsd el ezt a tda-t, és nézz inkább valami normálisabb tranzisztoros kapcsolást hidd el nem ugyan az.
Helló!
Segítségre lenne szükségem. keresem a Dual CV-120-as erősítő kapcsolási rajzát, mert valaki már belepiszkált és vissza kellene állítanom az eredeti állapotot, mielőtt elkezdem a javítást.
Semmi bajom a tda-val.
- nekem megfelelő a teljesítménye - a zaj sem számottevő - THD 0,007% 1kHz-en 80W-ig (adatlap) De ha több, le***m - olcsó - egyszerű megépíteni (Ez csak az én véleményem) De nekem nem kell jobb erősítő, egy tranyósat meg nehezebb is megépíteni, több macera van vele....egyszóval eszem ágában sincs elfelejteni
Nekem .lay fájlban kéne, a szerkeszthetőség miatt.
Sziasztok ha van egy kapcsolási rajzom egy erősítőröl és az alkatrészeket összekötöm kábelekkel akkor is működnie kell az erősítőnek?
igen ,de ne várj tőle sokat
Egyébként miért van szükséged erre? csak ki akarod próbálni a kérdéses áramkört? szerintem mindenképp megérne inkább egy nyákot megtervezned hozzá.
mért ne várjak tőle sokat a vezeték is ugyanúgy vezeti az áramot mint a nyák csak a nyák paraktikusabb.
persze működhet de sokkal jobban bele bonyolódsz majd na meg hát esztétikailag sem a legjobb.
sziasztok!
Egy tda1557q ic-vel 2x22w-os erősítőt csinálnék, csak a tápegységgel vagyok gondban. Nem tudtok ajánlani valami jó tápegység kapcsolást? még megy kérdés: milyen trafót vegyek? úgy tudom, hogy az erősítő áramfelvétele 3A körül van max hangerőn, tehát egy olyan tápegység kellene ami le tud adni ennyit. előre köszönöm a válaszokat
Veszel egy toroid trafót és utána már csak sima egyenirányítás + puffer és kész is.
|
Bejelentkezés
Hirdetés |





a 100uH-t talan el is hagyhatod 










