Fórum témák
» Több friss téma |
Mielőtt kérdezel, a következő két dolgot ellenőrizd!
I. A helyes tápfeszültségek megléte.
II. A kimeneten van-e egyenfeszültség.
Élesztés.
Bekapcsolás után behúz a táppanelen egy relé, majd 2-3 mp után megint hallani valahonnan. Méréseket végeztem két kedves fórumtag által, ez mind szerepel itt.
Látom, párhuzamosan "töltöd az információt". CHZ , és Tothi89 kolléga tanácsait bátran megfogadhatod, én sem tudnék hasznosabbat mondani.
Mindent elkövetek hogy online meg javítsuk.
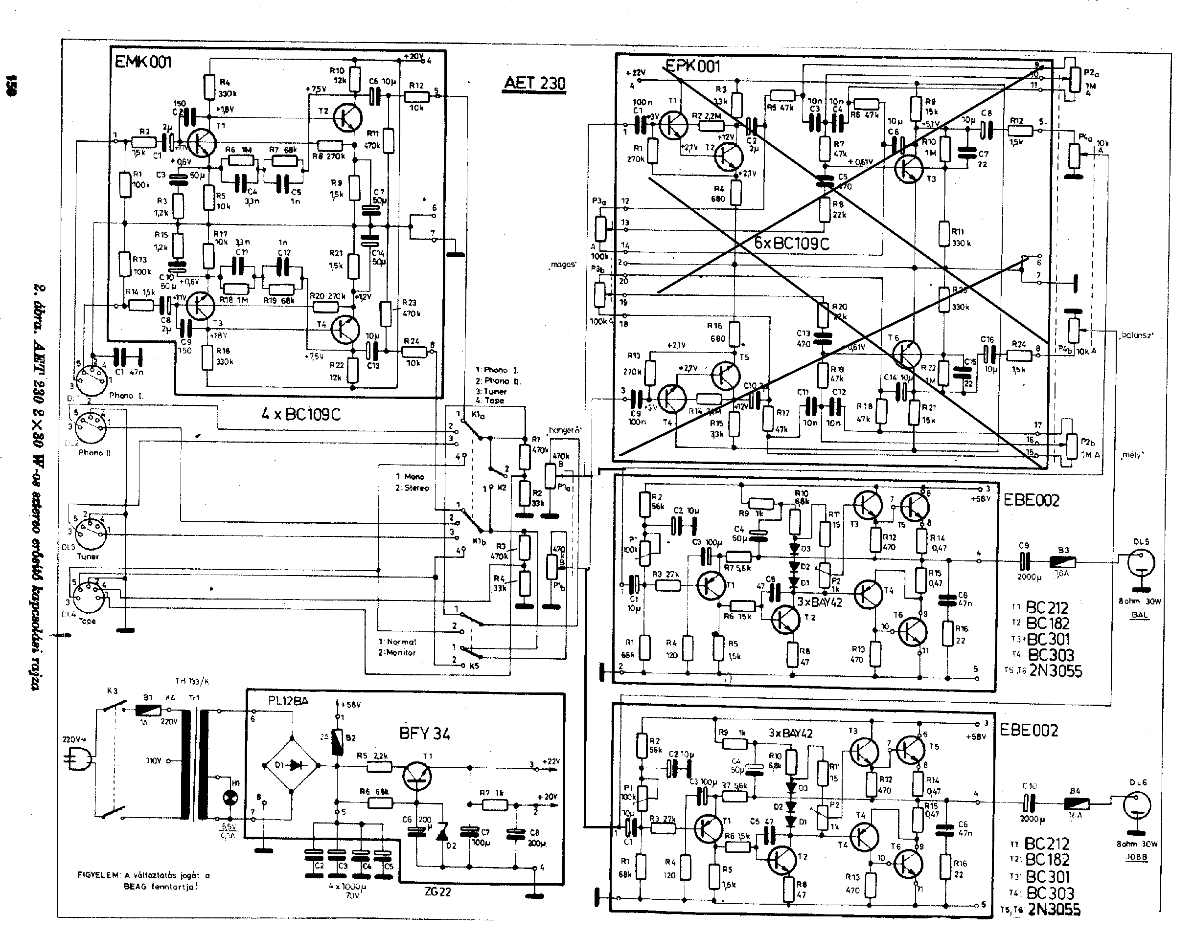
Ilyesmire gondolj, mint amit próbáltam berajzolni egy Beag erősítőn. A hangerő poti középen van, eredetileg a jel felmegy az EPK001 hangszínszabályzó panelra, majd onnan visszajön a két alsó EBE002 végerősítőre. A hangszín kikerülése az EPK001 panel bemenetéről lekötött jelet az EBE002 végfok panel bemenetére kötjük. Ez a módja a hangszín szabályzó kiiktatásának. Persze ez csak akkor tehető meg, ha a hangszín panel egységnyi átvitelű, amire semmi garancia nincs. Ha nem így lenne, vagy nagyon halk, vagy éppen hangos lenne a készülék a kapcsoló működtetésének hatására.
Na sikerült még megmérnem a kondikra érkező feszt a trafóból. 55-56V. Kondi jóságát hogy tudnám megnézni?
üdv: Petya
Kösz a rajzot, azthiszem nálam nincs ilyen hogy külön hangszínpanel.
Szinte minden azon a panelon van, amin a potik. Egy halom tranzisztor ,2 nagy dög kondi, a táp a trafóról is erre van kötve. Hát akkor marad minden a régiben. ![]() Azt hittem ennél egyszerűbb lesz a dolog. Mindegy. Majd tuningolom a hangfalat valahogy. ![]() Kösz a segítséget !
Sziasztok!
STK4048-al készítek erősítőt és kellene hozzá egy előerősítő ! Én egy egyszerű kivitelü kapcsolásra gondoltam beültetési és maratási rajzal. Lényeg hogy lehessen mélyet, közepet, magasat és hangerő állítani! Megkösszöném ha valaki tudna nekem segíteni :no:
Bocsi. a feszültség a kondikon mérve mégis csak 43-44 V. Nem is értem hogy mit mutatott az hitvány multiméter. de ez a bizti mert emlékszem hogy régebben is mértem és ilyesmire emlékeztem, és most megmértem reggel és most szépen beállt 43-44-re.
üdv: Petya
Idézet: „III. A fórumnak van egy hasznos, ámde valószínűleg rejtett szolgáltatása (kevesen találjuk meg és még kevesebben használjuk) minden oldal tetején, melyet "keresés"-nek hívnak . Legyünk menők, legyünk trendik, használjuk csakazértis!” Hidd el hasznodra válik
Sziasztok kérdésem annyi lenne, hogy lehet e egy tápegységről 3 különböző erősítőt hajtani? Természetessen úgy, hogy teljesítményben elegendő a 3 erősítőnek.
Akármennyit meghajthatsz, ha a feszültség és teljesítményszint, megfelelő.
Kérdés azonban a felhasználás módja, és az elvárt minőség.
Oké de miért szebben szól ha mindegyik külön tápról van hajtva külön trafó minden? De pl a gyári erősítőkben is egy trafó van akár 2 csatornás stereó vagy 4 csatornás
Üdv szeretnék erősitőt épiteni (2*11 wattos)
Választott IC: TDA1516Q (BQ) Végfokozat IC, 2x11W Na és mi kellene bele még?elko,ellenálás,stb. alaplap milyen legyen?
Hali!
Itt nézz körül! Van felrakva kapcsrajz és nyák is.
Tessék egy megoldás ocso és praktikus tda1558Q 4x11w vagy 2x22w 717,00 Ft/db
Sziasztok! Lenne egy problémám van egy sony str-av 280L típusú erősítőm és az van vele, hogy most cseréltem benne stk ic-t és a bal oldala halkabban szól mint a jobb. Valaki tudna nekem mondani rá valamit, hogy ez mitől lehet?
válaszotokat köszönöm
Valószinű hogy valami más is kiment benne
Az ellenállásokat mérd meg,akkor is ha nem látszik rajta semmi!
Sziasztok!
Átnéznétek nekem,hogy az értékeket jól irkáltam e az alkatrészek fölé?
Sziasztok!
Lenne egy problémám.Építettem egy erősítőt és ami van benne ventilátor az ha bekapcsol belehallatszik a zenébe,külön stabkockáról megy.Hogyan szűrhetném meg a tápot?
Rendben köszi a választ.
Elvileg jó,az enyém is így néz ki
Nekem úgy 7-8mA a nyugalmi áram és ha növelem a bemeneti jelet akkor szól de nagyon torzul.
Hiába állítom a potit nem változik a nyugalmi áram egy picit se.A táp +-60V Halvány gőzöm sincs mi lehet vele. Esetleg valami ötlet?Tiédről egy képet kaphatnék?
Én még nem építettem meg csak a rajzot ellenőriztem ahogy kérted.Ha kicsi az áramfelvétel nagy baj nem lehet,panelt nézd meg van e rajta szakadás,rossz forrasztási pont,vagy csak valami fordítva van.Ha meg recseg akkor valahol tápot nem kap
Néha benézek ide. Kérdésem: Szerintetek az Urbán-féle TDA2030A/BD-komplementer páros végfokjában minden további nélkül cserélhető a TDA 2040-re vagy 2050-re? Lábkiosztások elvileg ugyanazok. Kell-e még valami alkatrészt cserélni?
Sziasztok...Nincs sok saját művem mivel inkább átalakítottam és cserélgettem alkatrészeket...Van nekem egy 8 Ohm-on pörgő 100/150 wattos 30 cmes wooferem (mellékelt képen, a láda külsőre gagyi de belül szigetel!
)...ennek szeretnék egy erősítőt szerkeszteni, de valami egyszerűt...Csak megfelelő "alkatrészlistát", megfelelő kapcsolást nem találtam...nem vagyok valami lángész, de azért tudok egy két dolgot...szeretnék kérni egy kis helpet a hangszóró meghajtását illetően...TDA-s vagy IC-s lenne a legmegfelelőbb?? A jelenlegi hajtást egy IC-s erősítő adja, de a hűtésével van gondom...Előre is köszi...Msn-en többet vagyok...ha valaki tud segíteni, a címet megadhatom...GabN
Valaki meg tudná mondani hogy egy HEXFET-es erősítőnek mennyire kellene "megközelítenie a tápfeszt", mert nekem IRFP240/9240-es van, és 35V szimm. tápfesznél 7OHM terheléssel csak 18Veff-ig lehet kivzérelni, mert afelett levágja a szinusz tetejét.
A kimenet source követő.
Sziasztok!
Nem szeretnék semmit kérdezni, csak utána jártam valaminek: Van egy mikro Hi-Fi készülékem, és az elején ott virít egy kis matricán, hogy 160W RMS. Mivel már több erősítőt is összeraktam, ez elég ok arra, hogy ne dőljek be ezeknek a matricáknak. Ezért egy kicsit vizsgálódtam... Erről a Hi-Fi ről van szó: Link A lelke egy STK432-090 IC. Az első dolog amit megnéztem, a készülék hátlapján a teljesítmény-felvétel: 155W (ennek többnyire lehet hinni). Ami egy ilyen kis Hi-Fi-nél igen csak figyelemre méltó. Ez az adat azért sok mindent elárul. Többek között azt is, hogy ebből tud az erősítő gazdálkodni, vagyis ha létezne 100% hatásfokú erősítő, akkor ennyit tudna leadni (most ilyen kijelzőt meg hasonló fogyasztókat ne nézzük...) Mondok egy példát: a Philipsnek van egy olyan hifije (mcm355), aminek a kézikönyvében az áll, 200W RMS (4x50W). Na igen, ez jól hangzik...Egy hasábbal arrébb -> teljesítményfelvétel: 42W max ( 476 % hatásfok ? ügyes...) Na nézzük tovább: az én hifim katalógusában az áll: Kimenő teljesítmény: 160 W (80W + 80W) - 6 Ohm ( 10 % THD ). Áramfelvétel: 155W (működésben) Ebből már látszik, hogy valami sántít. Hogy igazságot tegyek elővettem a jó öreg műterhelésemet, és átbuheráltam 6 Ohm-ra. PC out -> Hi-Fi -> műterhelés (+ vissza a PC-be feszültségosztón keresztül, ugyanis az volt a szkópom is). Csak 1 oldalt tudtam vizsgálni egyszerre, és láss csodát mekkora fesz jött ki, ahol még "sima" a sinus? Hát 22V, ami átszámolva valóban 80W. 23V-nál már torzítás látható. Úgyhogy nem hazudtak, 1 oldalra tud 80W sinust, 100 (száz) Hz-en nézve. Le a kalappal! :kalap: Csak szegény gyártó nem számított arra, hogy ilyen eszement valakihez kerül, úgyhogy a hűtőborda igen csak kicsi. Ugyan fújja egy ventillátor, de 5 másodpercnyi szakaszos terhelésekkel forró lett. Mérés közben néztem az teljesítmény felvételt, 22V-nál 153W-ot vett fel. Ebből alapból mindig felvesz 16-ot, hang nélkül is. Vagyis az erősítő 137 W-ot vett fel, az egy oldal, és ebből 80W hang, 57W disszipáció jött létre. Jól látható, ha 2 műterhelésem lett volna, és egyszerre nézem, bizony dupla ekkora táp kellene. Így kikalkuláltam, ha egyszerre megy a 2 oldal, azonos szinusz jellel, hangerővel, kb 2x20W érhető el, 2x50W disszipáció mellett. (20+20+50+50+16). És micsoda ravaszak voltak, azt írták, hogy 80W + 80W, ami igaz, de nem egyszerre, ezért a "+" ! Ha semmi mást nem csinálnék, csak elméletileg a tápegységét cserélném 300W-ra, illetve tisztességes bordát kapna, lenne egy valódi 2x80W erősítőm, ami piszok jól szól, jók ezek az STK IC-k. Így "csak" 1x80W vagy kb 2x20... És ez egy jónak mondható mikro Hi-Fi (hmm, azért lemérném azt a Philips-et )Végezetül két kép. Szerintem tanulságos, jól meg kell nézni, hány Watt, főleg ezeknél a házimozi erősítőknél) Ha Valakinek van véleménye a leírtakkal kapcsolatban, arra kíváncsi lennék.. Üdv! zoka
Azt a bordát nem volna nehéz nagyobbra cserélni és akkor venti sem kéne rá
Egyébként tanulságos kisérletet végeztél. Ez még egy korrekt terméknek nevezhető cucc. A Philips-ről meg csak annyit, hogy anno reklámozott már 600W-os hifit is
Hát igen, az a borda cserélhető lenne, igaz ezen még volt egy műanyagkosár, egy rács, hogy esztétikusabb legyen. De okosan van kialakítva, a hűtés csak nagyobb hangerőnél kapcsol be. Pl.: az LG-nek van egy érintőpaneles hifije, ott még akkor is megy a ventillátor, ha fejhallgatót csatlakoztatunk
![]() Valóban korrekt, az erősítő panelon találtam Nichicon és Jamicon kondikat, a puffer 2x4700µF/56V. Meg egy csomó "Japan" feliratú alkatrész van benn. A hangfal kapcsoló relé Omron, ami szintén nem rossz. Igényes kis cucc. A trafóhoz nem férek hozzá. Ugye DVD lejátszó is van benn, hihetetlen hogy fér el ekkora helyen ennyi cucc. Van egy Nyák, ami az oldallappal megegyező méretű. Kár, hogy nem tettek bele egy 300W-os kapcsi tápot. Nem lenne ellenfele egy bizonyos ár katagóriáig... Bár amiket manapság látni ennyi pénzért, az nem ellenfél |
Bejelentkezés
Hirdetés |







! Én egy egyszerű kivitelü kapcsolásra gondoltam beültetési és maratási rajzal. Lényeg hogy lehessen mélyet, közepet, magasat és hangerő állítani! Megkösszöném ha valaki tudna nekem segíteni :no: 


)






