Fórum témák
» Több friss téma |
Mielőtt kérdezel, a következő két dolgot ellenőrizd!
I. A helyes tápfeszültségek megléte.
II. A kimeneten van-e egyenfeszültség.
Élesztés.
Tisztelt Fórumtársak!
Az erősítőmben megemeltem a nyugalmi áramot 1,8A-ra csatornánként, de féltem a diódákat. 1N5408-akat használok, külön híd csatornánként, a tokja 6x fokos, a szobában 23 fok van. Használhatom így?
1A-es dióda A-osztályúhoz... ? Én inkább vennék egy normális 25A-es graetz-et, nem drága. Nemigen hallod meg a különbséget a schottkyhoz képest.
Ez 3 amperes, már ne is haragudj. És nem is schottky.
Az se sok
Mindenképp jobb lenne hűthető típus.
Stabilizálódtak, 60 fok az átlag. Sb560 van még itthon.
Venni nem nagyon szeretnék már, eleget költöttem. Hűtött nem fér már el, a nyákon külön diódáknak van hely csak.
Az DO-27-es 5408-as 3A-es. A hőmérséklet emelkedésével egészen 100C°-fokig tudja biztosítani a gyári karakterisztika szerint ezt az áramerősséget.
Köszönöm, akkor visszateszem és mérek ismét.
Sziasztok!
Az alábbi tda7250-es kapcsolásban R2 és R4 értéke menyi legyen? Köszi
Attol fugg mennyi erositest akarsz. Gv=1+R1/R2. Adatlap 6. oldal.
Mekkora a tápfeszültséged, és milyen jelszintet ad a műsorforrásod?
Hűűha nemhittem, hogy ez enyi mindentől függ
Szóval a tápfeszültség szerintem +/-30V környékén lesz de maximum +/-35V a jelszintet pedig nem nagyon tudom telefon és gép jelét is szeretném vele erősíteni szóval olyan 8-900mV környékére kéne tenni. Szerintetek?
Igazad volt, már csak jó langyos, így meg sem mértem. A tápfeszem is magasabb lett olyan 2 tizeddel. Köszönöm
És lenne még 1 kérdésem, hogy van a play-mute-standby érintkezője az a 2 kivezetés. Azzal mit csináljak, hogy szóljon az erősítő? Elég ha összezárom?
Valamit rosszul csináltam mert kb 2A-t vesz fel és búg mint állat. Az lehet probléma, hogy én az 1-4-7-10 es lábakat és a 14-16-17 es lábakat simán összekötöttem? Nyákrajzot csatolom
Sziasztok!
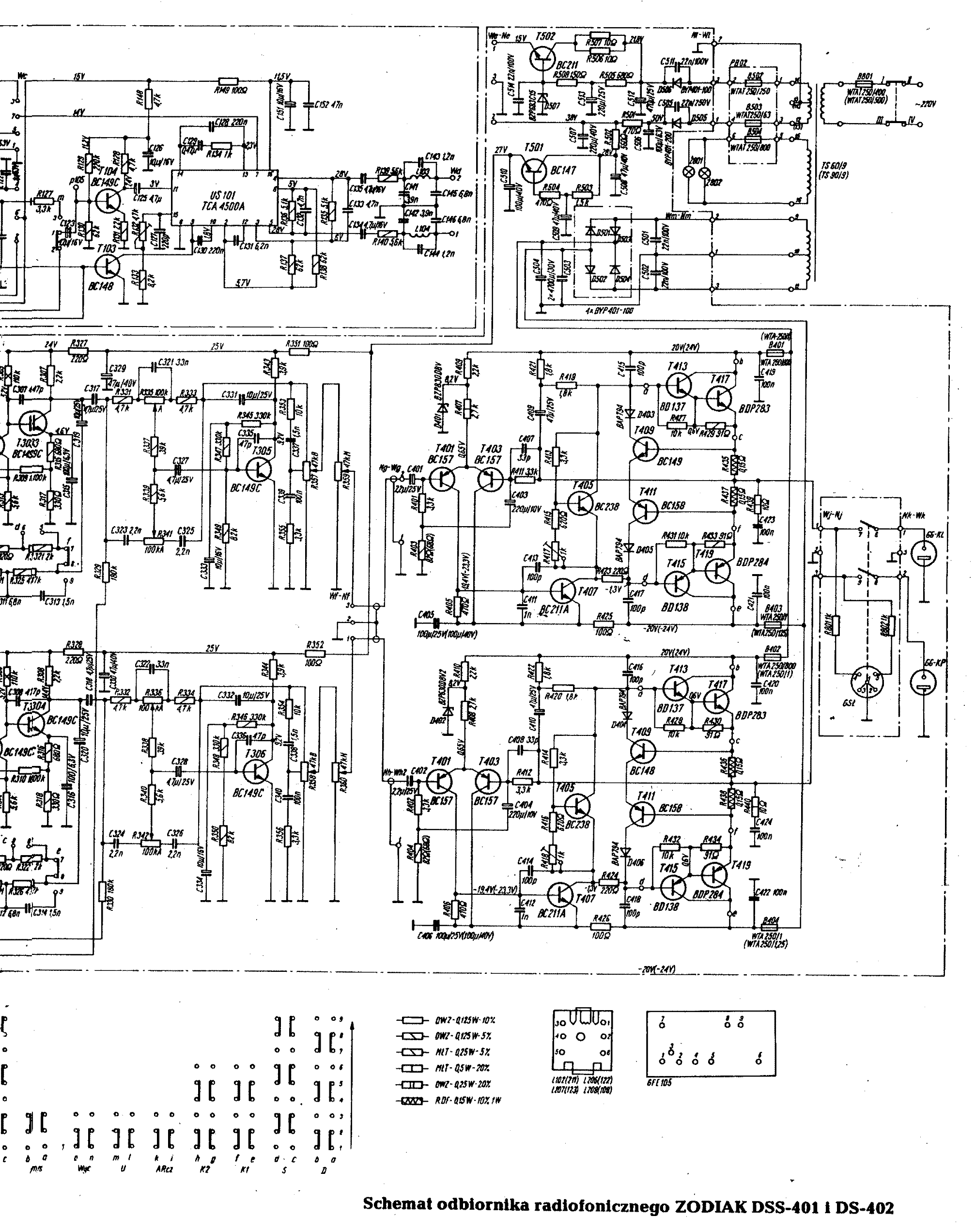
Nemrég vissza kaptam egy rádió erősítőt természetesen igen rossz állapotban.Annak idején nagyon szépen szólt a neve Unitra Zodiak DSS402 2X25W 8 ohm.De ami az érdekes hogy 4 ohm on is jól szólt ráadásul tartósan.A 2 ohm nál azonban feladta ami érthető.A két emitter ellenállás (0,15 ohm ) totálra égett a tranyók zárlata miatt.Az lenne a kérdésem hogy szerintetek hány Wattos lehet a képen kékkel bekeretezett ellenállás teljesítménye és lehet e így készre szerelve kapni vagy nekem kell "legyártanom?"(Amit én számoltam az 6,6W.)
Ezen a rajzon a 7-17-es láb nem közvetlenül kap pozitív tápfeszt.
Fentebb csatoltam azt a kapcsolást amit én építettem az adatlapon az első és legeygszerűbb kapcsolás ott a 17-es és a 7-es láb is a tápfeszre megy a tranyók BD245 és BD 246.
Hajaj! Szerintem ez egy minimál koncepció ami mérésekhez, elvi megértéshez van. A pdf-jében lentebb van a valós felhasználásra darlingtonpárokkal, vagy darlington kapcsolású külön tranyókkal a rajz.
Szerintem 5W-ossal helyettesítheted.Nem kell neked megcsinálnod, lehet készen kapni.
Pedig már beleéltem magam h megúszom pár alkatrészből
Nade mostmár akkoris megépítem![]() Köszi a válaszokat!
Amúgy ebbe teljesen biztos vagy? Találtam olyan oldalt ahol ugyanebből a vezrióból építettek végfokot. Kísérletezek még vele egy kicsit hátha jólesz
Nézd, a több áramköri elem a szűrésekhez, frekiátvitel szabályozáshoz, stabilitáshoz kell. De darlington tranzisztorok kellenek a végébe, nem sima (epitaxiális planár mezatranzisztororok
)tranyók. Ezekben két tranzisztor van egy tokban aminek a lényege az akár több ezerszeres erősítési tényező, a sima tranzisztor 10-100-as nagyságrendjével szemben.
És esetleg van valami nem túl bonyis erősítő kapcsolás amibel fel tudnám használni ezeket a tranyókat (BD245 BD246)
Hátha _tudom Szamóca igy nem kezdünk mondatot_ korrektre vágysz ez nem nyert.
Mivel a táp nem fix érték, ezért valójában Neked egy be/ ki komparátor kellenne. Vagyis ha a kimenet nem képes követni a bemenetet akkor jelezen. Ezt egy tranyóval macera
Na ez kivételesen nekem is tetszik
Talán, mert nem emiterből hajtják a hangszorót |
Bejelentkezés
Hirdetés |




Mindenképp jobb lenne hűthető típus.

Szóval a tápfeszültség szerintem +/-30V környékén lesz de maximum +/-35V a jelszintet pedig nem nagyon tudom telefon és gép jelét is szeretném vele erősíteni szóval olyan 8-900mV környékére kéne tenni. Szerintetek?


Nade mostmár akkoris megépítem




