Fórum témák
» Több friss téma |
Mielőtt kérdezel, a következő két dolgot ellenőrizd!
I. A helyes tápfeszültségek megléte.
II. A kimeneten van-e egyenfeszültség.
Élesztés.
Akkor én bőven AB osztályban beállítva szimuláltam.
. Mondjuk ki kéne próbálni, vagyis lehet ezt megépítem. Most kipróbáltam a te általad használni kívánt 1 tranyós megoldást, a nyugalmi áram 65mA helyett egyből leugrott 6,76 mA-ra a tina szerint.
Így gondoltam a tranzisztort meg a potit.
Szerintem próbáld ki 1 - 1 diódával meg olyan tranyókkal amiket én is használok, meg próbáld ki 2 - 2 diódával.
Nem kell feltetlen 4db dioda, ezt irtam fentebb is, hogy annyi diodan (+ az ellenallasokon) eso feszultseg mar nagyon kinyitja a vegeket es nagy nyugalmi aram folyik. Valszeg annyi nem szukseges hacsak nem A osztalyban szeretne vki uzemeltetni a vegfokot.
ThomAce! A B osztaly az azt jelenti, hogy nincs nyugalmi aram, tehat ha Te 13mA-es nyugalmi aramot mertel az mar nem B osztaly hanem AB osztaly mert 0-tol nagyobb nyugalmi aram folyik a vegtranyokon.
Stimmel. Igazad van. AB osztályú végfok. De pont ennyi volt jó 16V feszültségnél. Nagyobb tápfesznél a 2db 160Ohm-os ellenállást lehet csökkenteni kéne. De még nem próbáltam ki, így lehet nem is kell változtatni.
Kimeneti szinuszjel megmaradt szépen?
Ezt a megoldast nem javaslom. Nezd meg a korabbi hozzaszolasomban linkelt Texas erositot. Az a megoldas biztonsagosabb, jobb!
1 - 1 ilyen tranyót tettem volna a hűtőbordára, de akkor ezt az ötletet elvetem. Néztem a Texas erősítőt, érdekes volt a megoldás. Viszont láttam már ilyet sok erősítőben. De ez az amitől kicsit idegenkedem, mert félek tőle, hogy elmászik a kimeneti 0 pont.
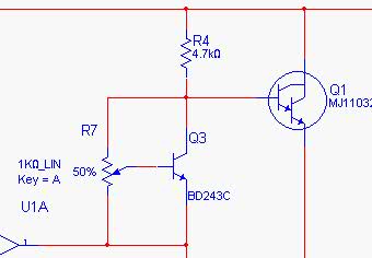
El volt kötve a PNP tranyónak a bázisa, nem a kollektorra volt ráhúzva hanem az emitterére
így a nyugalmi áramot sem lehetett állítani. Viszont a darlingtonos megoldással le tudtam vinni 39mA-ra is. Próbanyákra összeütöm és élőben is ki fogom próbálgatni a lehetőségeget. Idézet: „1 - 1 ilyen tranyót tettem volna a hűtőbordára, de akkor ezt az ötletet elvetem. Néztem a Texas erősítőt, érdekes volt a megoldás. Viszont láttam már ilyet sok erősítőben. De ez az amitől kicsit idegenkedem, mert félek tőle, hogy elmászik a kimeneti 0 pont.” Nem 1-1 csak 1db tranzisztort kell(ene) a hutobordara rakni. Egyebkent a Te elkepzelesed a poti+tranzisztorral tokeletesen ugyanaz mint ami a Texasnal (es sok mas) erositonel is van. A kulonbseg csak annyi, hogy a Te megoldasod veszelyes lehet (sajnos sok erositoben is ilyen megoldast hasznalnak) mert a poti csuszkaja a bazisra van kotve. Szepnek tunik a megoldas csak akkor van baj ha a csuszka nem tokeletesen erintkezik, kontakthibas. Ilyenkor ugyanis a bazis a levegoben fog logni es a nyugalmi aram hirtelen megugrik, szelsoseges esetben tonkre is mehet az erosito! Nincs ugyan nagy esely erre, de sajnos az ördög soha nem alszik A Texas megoldas annyival jobb, hogy ha a poti csuszkaja szinten kontakthibas es nem erintkezik jol akkor pont az ellenkezo tortenik azaz a nyugalmi aram a minimalisra csokken -> az erosito tuti nem fog tonkremenni. Az elv egyebkent mindket esetben ugyanaz tehat nem teljesen ertem miert idegenkedsz a Texas megoldastol
Leszimuláltam a texas-os megoldást is, viszont 30mA nyugalmi áramalatt eléggé furcsa lett a szinusjel a visszacsatolásban.
Egy az egyben nem celszzeru atemelni azt a Texas kapcsolast ebbe az erositobe ugyanis a Texasban csak 1-1 BE atmenetet kell nyitni mig itt 2-2-ot. Szoval a rajzodban az R4 ellenallast meg kellene novelni mondjuk kb. 6-8k-ra. Szelesebb tartomanyban beallithato lesz a nyugalmi aram. Ha pedig 30mA alatt nem lesz szep a szinusz a kimeneten akkor emelni kell a nyugalmi aramon. De a szimulator nem ad mindenre valaszt, a valosagban is meg kell mericskelni az erositot, ez nagyon fontos!
Az a gond, hogy úgy is ezt produkálja. Anno két 10ohm-27kohm ellenálláspárral volt megoldva, de nem volt szép hangja. Ezért gondoltam, hogy az előerésítő IC-ből érezhetően szebb hang jön ki, valamiféle kis hangszínszabályzás is van benne, és ezt kéne illeszteni valahogy. Sajnos most nem vagyok otthon hogy kísérletezzek, de majd este megnézem.
Azért, mert én komplementer transzitorpárral oldanám meg. Tehát 2db trimmer és 2db tranzisztor a diódák helyett. Viszont belegondolva dettó ugyanaz a veszélye, mint amit írtál. Ez volt az ami miatt nem próbálkoztam ezzel a módozattal.
Azt hiszem marad az ellenállás + dióda kombó a végtranyóra ragasztva, mint a VF2-nél.
Végügy sikerült megoldani hogy, az R4 6k az R3 1K poti 2K és még a poti mögé még került egy 470 ohm ellenállás, így 6,7mA-1,54A lehet állítani a nyugalmit, 50mA kezd eltűnni a dudor a sinusjelből. Igazad van ezt a valóságban is meg kell nézni.
Van szkópod meg hanggenerátorod? Mert akkor megnézhetnéd az eredeti kapcsolást is, hogy az hogyan üzemel. Igaz, a hétvégén viszem tesztelni, ha minden összejön. De addig még megépítem a 2 x 24V-os tápfeszre is. Még 2db Zener-t kell találnom, hogy a 22V-os feszültséghatárt ne lépjem túl.
Egyébként nem tudjátok honnan lehet beszerezni az alábbi két tranzisztort?
SD1276A és 2SB950A? Hestore-on nem találtam, így árat sem tudok róla.
2db Zener + 2db ellenallas. De en 2x22V-nal kisebbet allitanek be a muveleti erositonek. 2x22V az abszolut maximum neki. 20V max. valamivel egeszsegesebbnek tunik hosszutavon
A kimeno teljesitmenyt mindenkepp az IC max kimenofeszultsege fogja behatarolni, tehat mindegy, hogy a kimeno fokozat (darlingtonok) nagyobb tapfeszt kapnak, az IC korlatja miatt tuti nem lehet majd nagyobb teljesitmenyt kivenni az erositobol. A max kimenoteljesitmenyt tobbfele trukkel lehet novelni ha szukseges: az egyik amit a Texas alkalmazott, azaz a kimeno fokozat egynel nagyobb erositesu. A masik a taparamvezerelt erosito keszitese, a harmadik VF2 jellegu erosito ahol van meg egy VAS fokozat is az erositoben. Ezek kozul az utolso megoldas a legszebb. Javaslom inkabb a VF2 de meginkabb a Conductor erositok tanulmanyozasat
Sajnos nincs szkópom, de folyamatban van a beszerzése.
Hangkártyás szkópolás eredménye.
Terhelés: 4.7Ohm Osztó ellenállások: 24KOhm a kimenetről és 10KOhm a testre. Innen vittem a hangkártyára a jelet. V p-p: 1,724V V eff: 609,4mV És még lehetne neki tekerni, csak az osztót kéne állítanom, hogy a hangkártyámat ne vezérelje túl. Mellékeltem egy loopback felvételt. Így szól most az 1 - 1 diódás megoldással. Tudom, ez nem megfelelő hanganyag.
Na,jelentem áttekertem a trafót,2X26V-ra,ahogy a kapcsolás kéri,tizedvoltra pontosan ugyan annyi a két szekunder és mit ad Isten,még mindig búg (vissza is tekertem utána
) Egy ismerősöm javaslatára kicseréltem az előerősítőket is,de ez sem segített.Összegezném a helyzetet,ha bárki tud nagyon kérem segítsen,mert megvadulok ![]() Nem földhurok,nem pufferkondi,nem a trafó és mégis búg az erősítő 50Hz-en lezárt bemenettel is.
Tápnál a nF-os hidegítő kondik rendben vannak?
Vadi új a cucc,elvileg működniük kell,de nem próbáltam még.Okozhatnak ekkora problémát?
Ennél az IC-nél én már jártam meg csak ezek miatt. Amúgy ennek az IC-nek van itt topikja. Ott biztos több érdemlegeset találsz róla.
A trafót a búgás miatt ne piszkáld, nem érdemes.
Nem tudom hol lehet belenyúlni a szerkezetbe, esetleg egy rajz segíthetne (miért nem a saját példányod fotóját tetted fel, én szeretném látni milyen lett). Első lépésként le kéne választani az elő fokot a végfok bemenetéről. Aztán a végfok bemenetét rövidre zárni, és úgy meghallgatni búg-e. Ha igen, akkor menthetetlen... Ha viszont nem zúg, akkor abból már ki lehet indulni, mert a végfok jó. Akkor vagy az előfok nem elég szakos, esetleg a használt műveleti erősítőid nem elég zajtalanok, de simán lehet itt is huzalozási probléma a nyákon. Az ilyen nagyon kompakt kialakításoknál sokszor feláldozza a tervező a lényeges dolgokat a méret oltárán -ami persze hiba-.
Mostmár nem is fogom,szenvedtem vele eleget.100%-ban ugyan így néz ki az enyém is,sajnos kapcsolási rajzot a gyártó nem közöl.Annyit nem ér,hogy elkezdjem próbálgatni,pláne,hogy bőven nincs elegendő háttértudásom hozzá
Még amit elfelejtettem mondani,hogy nagyon hamar túlvezérlődik,a bridge-be kapcsolt elvileg 160W-os cucc elég durván clippel már 30 W szinuszos terhelésnél.Nem tudom ez segített-e valamit.Egyre inkább úgy érzem,ahogy lesz pénzem másikat venni/építeni,a cucc bontásra van ítélve. :/
Ne felejtsd ki az intercarrier brumm lehetőségét, amit a TV1 sugárzása, vagy bármely helyben nagy térerősségű TV adó tud okozni.
Nagyon nehéz ezt igazolni, vagy megcáfolni, de előre védekezni lehet ellene. Tehát a jelföldet mindenhol szigeteld el a készülékháztól és a legkisebb szintű bemenetnél egy 100nF-en keresztül kösd vissza. Nem tudom milyen az áramköröd, de igen gyakori hiba az is, ha a panelen bárhol a tápot soros ellenállás nélkül szűrik meg egy kb 100µF-os, vagy nagyobb elkóval. Ekkor a maradék brumm, ami a tápon ül elég nagy áramot okoz a földvezetékben és feszültséget hoz létre, amit az erősítőd képes felerősíteni, ha a bejövő jelvezeték test vezetéke és a visszacsatolást hidegítő elkó test vezetéke nem egy pontba van kötve.
Sziasztok. A végfokom elött van 2 nagy kondi amit szeretnék lassan feltölteni és egy kijelzön nyomon követni a feltöltödését pl led-ekkel. Eszt hogy lehetne megoldani? Köszönöm a segítséget elöre is.
Szép! Holnap nekiállok én is. A nyugalmi áramod hoszabb járatás után is stabil?
Igen. Kb. 30 - 40 percig valamivel kevesebb mint fél hangerőn járattam, majd megmértem a borda hőmérsékletét. 8Ohm-os hangszóróval terhelve, a következő értékeket mértem:
Nyugalmi áram: maradt ugyanannyi. Borda hőmérséklet: 30°C Szoba hőmérséklete 24°C A szkópos kép egyébként kb. az 1/4-ed teljesítménynél készült. Nincs elég nagy műterhelésem még. De készül... A 10Wattos 4.7Ohm-os ellenállás igencsak szagosodott. |
Bejelentkezés
Hirdetés |




. Mondjuk ki kéne próbálni, vagyis lehet ezt megépítem. Most kipróbáltam a te általad használni kívánt 1 tranyós megoldást, a nyugalmi áram 65mA helyett egyből leugrott 6,76 mA-ra a tina szerint. 

A kimeno teljesitmenyt mindenkepp az IC max kimenofeszultsege fogja behatarolni, tehat mindegy, hogy a kimeno fokozat (darlingtonok) nagyobb tapfeszt kapnak, az IC korlatja miatt tuti nem lehet majd nagyobb teljesitmenyt kivenni az erositobol. A max kimenoteljesitmenyt tobbfele trukkel lehet novelni ha szukseges: az egyik amit a Texas alkalmazott, azaz a kimeno fokozat egynel nagyobb erositesu. A masik a taparamvezerelt erosito keszitese, a harmadik VF2 jellegu erosito ahol van meg egy VAS fokozat is az erositoben. Ezek kozul az utolso megoldas a legszebb. Javaslom inkabb a VF2 de meginkabb a Conductor erositok tanulmanyozasat

) Egy ismerősöm javaslatára kicseréltem az előerősítőket is,de ez sem segített.
Még amit elfelejtettem mondani,hogy nagyon hamar túlvezérlődik,a bridge-be kapcsolt elvileg 160W-os cucc elég durván clippel már 30 W szinuszos terhelésnél.Nem tudom ez segített-e valamit.Egyre inkább úgy érzem,ahogy lesz pénzem másikat venni/építeni,a cucc bontásra van ítélve. :/





