Fórum témák
» Több friss téma |
Milyen típusú tranzisztort cseréltél milyenre? Megpróbálnék tájékozódni az adatlapokból.
NEC C2275----->ISC 25C2275, valamint NEC A 985----->ISC 25 A 985, / csatorna. Szerk: Ők dolgoznak rá az Bázis-ellenállásokra,ezért gyanakszom, hogy esetleg nem jót adtak a boltba....
A hozzászólás módosítva: Aug 21, 2013
Ezzel a helyettesítéssel nem lehet különösebb gond. A hibás tranzisztorok környékén az ellenállások lehettek meggyötörve. Azt cserélted már vagy csak most tervezed? (300 ohm )
Az a 300Ohmos, pont a fent említett 2 Tranzisztor között helyezkedik el, sajnos még nem találtam itthon megfelelő ellenállást, ezért majd vennem kell. Látszik is rajta a melegedés rendesen...Ezen az ellenálláson, és egy soros kondin keresztül kapcsolódik a végfok Bázisa (egy tranzisztor Collektorához, mely szintén a hűtőbordán van nincs ráírva semmi), Én elképzelhetőnek tartom,hogy ez az ellenállás nem korlátozza az áramot megfelelően, és ezért van itt ekkora nyugalmi áram/melegedés. De Én ezt csak így paraszti ésszel gondolom.
Az elmondottak alapján magam elé tudom képzelni az erősítő kapcsolási rajzát. A szóban forgó ellenállás cseréje elkerülhetetlen. Arra számtok, hogy a nyugalmi áram és a melegedés kellő mértékben csökkenni fog
Rendben, keresgélek még, megfelelő 210Ohmos ellenállást. Annyit hadd kérdezzek, hogy mi is az a 2 tranzisztor ami a bordán van? Mert itt már van csatornánként 2 tranzisztor ( amiket cseréltem) akkor van az ami a bordán van, na meg az STK ami ha jól tudom önmagában egy 2x20W-os végfok is tudna lenni
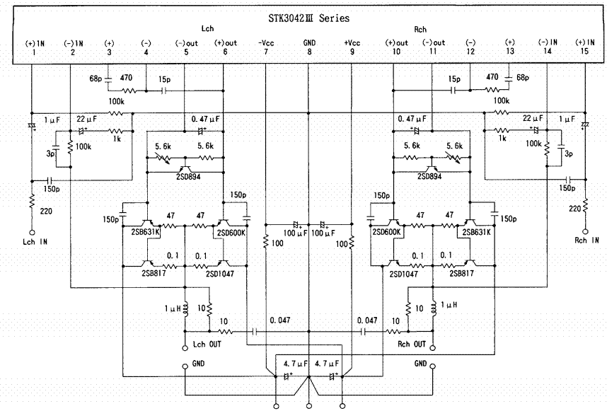
Az STK adatlapján (ha fellelhető) rajta lesz ez a kapcsolás. Nagyon ritkán térnek el a gyártói ajánlástól a felhasználók.
A TO220-as tokozású tranzisztorok a hűtőbordára szerelt végtranzisztorok meghajtói. A hűtőbordán lévő kis tranyó pedig a borda hőmérsékletét figyeli és igyekszik stabilizálni a nyugalmi áramot, mely nélküle nagyon elszaladna.
Ohh köszönöm, így már kicsit jobban értem a működést, mert úgy érzem nem árt. Amint kicseréltem az ellenállást beszámolok az eredményről.
Nos kicseréltem az ellenállást 210Ohm helyett 220ra, mert nem tudtam beszerezni 210Ohmosat. igazából 55mVDC volt az R 212-n eső feszültség. Picit állítottam a potin...konkrétan felrobbant megint a meghajtó tranzisztor, és szénné égett a 220Ohmos ellenállás...kezdem azt hinni, hogy az a soros kondi zárlatos esetleg?!
Most nézem a bordán lévő tranzisztor is eltört...de annak mi lehet a típusa? Vagy tán az volt eddig is zárlatos? Szerk: C3423 a típusa a bordán lévő tranzisztornak.
A hozzászólás módosítva: Aug 23, 2013
Elég nehéz elhinni, hogy a nyugalmi áram állító poti olyan szerencsétlenül lett az áramkörbe applikálva, hogy csúszka érintkezési hibánál összenyissanak a végtranzisztorok. A tisztánlátás végett vissza kéne rajzolni a (2S)C3423 környezetét.
A végtranzisztorok épek maradtak?
Tehát a képen látható az a rész ahol tevékenykedünk. Az ellenállás és a 2SA985 el lett távolítva. A bordán lévő C4323 nak az Emitter lábánál tört el... A végtranzisztorok nem melegedtek meg, illetve rövid időn belül lekapcsoltam.
A T201 (bordán) emitter az leégett a kaland során, vagy letört véletlenül? Ha letört, az magyarázatot ad az esetre, mármint tranzisztor robbanásra. A kondenzátort nézd meg szakadásvizsgálóval, a zárlatot kimutatja - nem tartom valószínűnek.
Valami rajzot csak kéne készíteni, hogy biztonságosabban menjen a javítás.
A T201 a túláram miatt rört el (maga a tokozás) van korom is. Megpróbálok rajzot készíteni, de nem vagyok erős ebben. A kondi nem zárlatos. Mivel (program)érdemes nekiállni rajzolni, vagy csak papíron?
A hozzászólás módosítva: Aug 23, 2013
Sziasztok!
Nem akarlak elkeseríteni kory24, de az a megérzésem, hogy a hosszú bekötővezetékek miatt begerjedt az erősítőd és elvitte magával nyaralni az STK-t is. Pontos diagnózishoz oszcilloszkóp kéne, de az nem szokott minden bokorban nőni. Az STK gyári adatlapja alapján ki kéne cserélni körülötte a nagyfrekvenciás részre dolgozó kondikat próba képpen, ha továbbra is robban a nyugalmi áram beállító tranyó, akkor az STK is lehet hunyó. (Sokat segítene a segítségnyújtóknak az STK pontos kódja egyébként, mert akkor már nem vakon tapogatnánk, hanem csak hályogon keresztül néznénk. )Esetleg még kipróbálhatnál egy olyan trükköt, hogy közvetlenül(ott a hűtőbordán a vezetékek mellé!) a végtranyók bázisa és kollektora közé beforraszthatnál 1-1 kerámiakondit, mondjuk 1 nf-osat. Ez mondjuk csúnyán lerontja a nagyfrekis paramétereket, de legalább jó eséllyel elfojtja a gerjedést. Ha nagy szerencséd van, akár még a mérhető tartományba is lehúzza, de ahhoz elég gyors analóg műszer kell. A hidalást meg szedd szét amíg javítasz, mert a hídkapcsolás miatt minden hat mindenre! Általában, ha nincs külön fázisfordító egység, akkor az egyik oldal negatív visszacsatolásából szokták elvezetni a másik oldal meghajtó jelét és mivel egy erősítőről van szó általában még galvanikusan is össze szoktak kötve lenni. Gondold át mit okozhat ez egy meghibásodott erősítőben... Még a jó fele is olyan hibásan működik, hogy kidobálsz belőle mindent és mégse lesz jó... külön-külön mérd a 2 oldalt! Mivel egy STK hajtja az egészet, amit a jó oldalban mérsz annak kell lenni a másikban is, mondjuk 1-5%-on belül. Üdv!
Szia osonopogacsa! STK 3102 III a pontos típus, nincs hídban jelenleg az erősítő, a másik oldal szól nem recseg (persze majd ha normálisan meghajtom akkor derül ki, hogy jó-e 8-12mVDC a feszültség ott ahová Reloop 10mVDC-t ajánlott. Az egészet gondolom azzal tettem tönkre, hogy hosszú volt a kivezetés, és sajnos először rosszul kötöttem be a végfok tranzisztorokat...akkor durrant el először a meghajtó tranzisztor. Ha egy STK csere megoldaná a gondot, az nem volna rossz.
Ebből meg tudjuk állapítani, hogy maga az STK ic jól működik-e? Illetve persze hétfőre pótlom a tönkrement alkatrészeket is.
Ha szól az erősítő és nincs a kimeneten durva egyenfeszültség, akkor az STK jónak tekinthető.
Feltételezésem szerint a végtranzisztorok bázisai közötti 2db 47 ohm ellenállás helyén van Nálad az 1db 210 ohm-os, valamit az 5,6k trimmer értéke más, és egy ellenállással is ki van egészítve.
Igen valami ilyesmiről van szó! Eddig az utolsó próba előttig szólt mind 2 fele hídban picit zúgott, de egyébként normális hangja volt, így akkor valószínűleg az STK az jó lesz, na de akkor mi okozhat ekkora problémát?
A zúgás betudható a kelleténél magasabb nyugalmi áramnak. A nagyobb áramfelvétel hullámosabb tápot eredményez.
Ha az STK gyári ajánlását aktualizálod az erősítődhöz, akkor azon be tudnám mutatni mire gyanakszom. A korábban bekövetkezett alkatrész elcserélés, gerjedés alatti üzem az ellenállások mellett a tranzisztorokat is megviselhette. Készíts elő egy 60W-os izzót, melyet az erősítő hálózati vezetékébe kéne beiktatni. Durva hiba esetén az áramkorlátozó szerepe megvédhet pár alkatrészt.
Rendben, hétfőn folytatom a javítást, addig mindent veszek ami eddig szóba került. És előkészítem az izzót amit a toroid el kell kötnöm ha jól gondolom...mindent beforrasztok a helyére, a trimmert leveszem minimumra. Aztán az instrukcióid alapján szépen lépésről lépésre kiszűrjük a hibát.
A T202-t is ki kéne mérni. Bővebben: Link
Sziasztok! Megvettem a hozzávalókat, be is építettem mindent. Nos a végfokokat is leforrasztottam...kimértem...mind a 2 minden irányban totál zárlatos. Az utolsó "kis baleset" után. Szóval erősítsek meg, hogy ettől ment tönkre a többi alkatrész is! Illetve maga a végfokok mitől lettek zárlatosak?
Magát a teljesítményerősítőt nevezzük végfoknak. Az általad említett alkatrész a végtranzisztor. A "tömegkatasztrófát" a két végtranzisztor között a hűtőbordára fogatott (T201) meghibásodás okozta. Ennek a tranzisztornak a szakadása esetén a végtranzisztorok és azok meghajtói mind nyitott állapotba kerülnek és gyakorlatilag zövidzárként viselkednek.
Tehát egy db 2sa 1295 és egy db 2sa 3264 Tranzisztort kell venni, és az egyéb alkatrészeket kimérni zárlatra, ha jól gondolom. na de mitől ment tönkre a hűtőbordára szerelt T201es tranzisztor? ( Ez idegesít, hogy most mindent megveszek hozzá, és megint elszáll....)
A hozzászólás módosítva: Aug 28, 2013
A T201 meghibásodásában a gerjedve üzemeltetés és az átépítéssel járó mechanikai hatások egyaránt köze játszhattak, pontos magyarázattal nem tudok szolgálni.
A további tömeges alkatrészpusztulásnak a tápáram korlátozásával tudod elejét venni. Az élesztés szabályait oly sokszor írtam/írtuk már le, kérlek keress rá valamelyik erősítős témában.
Az IC tesztelését kiforrasztott tranzisztorok mellett a mellékelt ábra szerint végezheted el. A T201 C-E feszültségét 1,1V-ra be lehessen állítani, és a kimeneten ne legyen durva DC feszültség. Ha nem pont ez a csatorna hibás akkor értelem szerűen a másiknál kell ugyn ezt elvégezni. A rajzon szerepel (piros vonal) átkötés, ne feledkezz meg róla és persze utána az eltávolításáról sem
Sziasztok!
Van egy reflex rx800 típusú erősítőm, amely nem az igazi. A max kimenő teljesítménye olyan 250w körül lehet.a clip ledje már 100w-nál kezdi a villogást, a hiba mindkét oldalon megvan. Kapott a gyár pufferek mellé 2x10000uf puffert, valamennyivel jobb lett, de nem sokkal. Egyik oldal sem melegszik rendellenesen. Mi baja van az erősítőnek és hogyan lehetne helyrehozni? |
Bejelentkezés
Hirdetés |








