Fórum témák
» Több friss téma |
Hali!
Én is alufóliával javítottam, mezei háztartási fólia, technokol, jól bírja még mindig
Ennél már a 2 bés ceruza is jobb. Nem fog odatapadni rendesen, és ha egy elszabadúl ami nagyon valószínű önállósítja magát.
Jók, de egy távirányítóhoz? A fólia szimpatikusabb.
Idézet: „Ennél már a 2 bés ceruza is jobb.” Meddig? Ilyen gondom még nem volt pedig több éve alkalmazom saját kütyükbe és működik.Nekem saját célra bevált. A hozzászólás módosítva: Jún 16, 2020
Ez már a hozott új táv. Az eredeti más volt és tanítható! Ettől *** (rosszabbak) vannak csak azt mondták, ami még nyikorog is olyan müa.
![]() Más ötlet? A hozzászólás módosítva: Jún 19, 2020
Moderátor által szerkesztve
Mint előbb, de rosszul írtam -távirányítódoktor. Az elektrotanyán írtak róla ott keress rá.
Továbbiakban passz. A hozzászólás módosítva: Jún 16, 2020
Be kell szerezni a hozzáaló távirányítót. Még ha ki is deríted milyen mikrovezérlő az, akkor sem tudod melyik funkció milyen kódot küld a beltérinek.
A hozzászólás módosítva: Jún 17, 2020
Üdvözlettel egy ict vadaszok valószínű hogy táp ic
Láttam már hasonló csodát pl ds18b20 8 lábából 3 van használva msop8as tokban itt 4 egy helyen van 3 úgyszintén
Eredetit beszerezni?
Nem lehet! A készülék eleve a T home tulajdona és havidíjért kell bérelni tőlük. Tehát már ez is aljas szivatás, éveken keresztül több tízszeresét kifizeti az ember egy olyan készülék árának ami igazából rettentően lassan reagál a távirányító funkcióira, lefagy stb mellékesen... De itt ez az egy szolgáltató van, muszáj velük szerződésben lenni. Csere távirányítót kompatibilisen igaz ingyen biztosítják, de azt hozzák ki amit ők akarnak, nem azt amit az ügyfél szeretne. Ez a T home (ex Matáv) színvonal. Semmi nem változott. Lehúzni a jónépet az megy évtizedek óta, szar szolgáltatásokkal. Muszáj másképp okoskodni. Amúgy a gombok nyomkodásával a funkciókon végig lehet lépkedni és elvileg ezt rögzíteni is lehet megfelelő módon ahogy hallottam, tehát nem biztos hogy annyira kizárt az az IC hackelés. Különben nem érdeklődnék feleslegesen. A hozzászólás módosítva: Jún 18, 2020
Legyél megnyugodva. A többi szolgáltató semmivel sem jobb ...
Írtál valami nem működő funkciót is. Annak a kódját hogy deríted ki?
Mellesleg ha a beltéri típusát megadnád lehet, hogy találnánk rá valamit.
Ha más nincs, cseréltesd ki a beltérit cakk- pakk újra.
Legyél határozott.
Ha felmerül a hibája, maguktól is cserélik. De ha nem is tudnak róla ...
Tapasztalat. Már akkor ügyfelük voltam, amikor még nem is léteztek.
(mik ezek a piros felkijáltójelek?)
Gondolom nem komoly amivel vigasztalni akartok csere alapon? Már az első héten vissza akartuk cseréltetni mikor kihozták, de olyan más használt vackerájra cserélték volna (mondván nem adhatnak mindenkinek újat), amit ránézésre is vmiVALAMI *** disznóóljából hoztak vissza... T hometól nem szabad csodát várni ám! A hozzászólás módosítva: Jún 22, 2020
Moderátor által szerkesztve
A környékünkön mindenkinek újat adtak. Egy helyen cserélték, de az is új volt. Leht, hogy a szerelő summantott?
Idézet: „(mik ezek a piros felkijáltójelek?)” Moderátori figyelmeztetés. Valamilyen szabályt sértettél. Az egeret ráállítod és láthatod. A fejlécben jobb oldalon is jelzik, a tábortűz ikon -nal. A hozzászólás módosítva: Jún 19, 2020
Üdv
Milyen típusú tranzisztor lehet Q1 helyén?
Mérd ki a feszültségeket a lábak helyén, hogy kiderüljön P, vagy N kell oda. Ha ezt kideríted, szinte bármilyen Si tranzisztor jó lehet oda.
Nem, mert felhívtam a 1414-et is és ott is azt mondták, hogy akkor még új előfizetőknek is visszavett használt, felújított beltériket szórtak ki. Trükközni nem nagyon mernek ezek az alvállalkozó szerelők, mert a legkisebb panaszra is ki rugdosták őket.
Távvezt amúgy azt újat, original csomagolásút adtak, de utángyártottat. Ma pl. fullra olyan távokat osztogatnak csereként minta Samsung távirányítók. Egy ismerősöm mondta is, hogy meghülyül néha mikor meg se tudja őket különböztetni, úgyhogy az egyik alját betekerte szig.szalaggal... A hozzászólás módosítva: Jún 19, 2020
A fel újítottal mi a baj. Ha jól csinálják, azt csak tudod és nem látod. A távszabályzó, főleg a nyomkodósoknál 3...5 év alatt tönkre megy. Mint a mienk is.
A hozzászólás módosítva: Jún 19, 2020
Kicsit már eltértél a témától..., nem fog tetszeni az adminnak
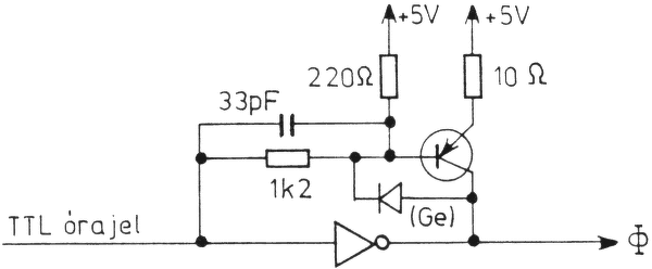
Az régi processzorokon az órajel bemenet magas szintje nagyobb feszültséget igényelt (minimum), mit a TTL kapuk magas szintjénak maximális feszültsége. Egy tranzisztoros fokozattal valóstották meg a szint elemését. Pl. a Z80 esetére: Bővebben: Link
Az egyik monitorom nem kapcsol be, már régebben cseréltem benne kondikat, de nem sokat bírt vele. Most szétszedtem megint és szép púpos benne két YAGEO 1000µF 16V LowESR kondi, amiket én raktam bele. Benéztem a fiókba, és találtam még párat ebből a fajtából, de nem rakom bele, majd veszek valami más fajtát. Amin viszont meglepődtem, hogy a fiókban lévő egyik kondi is púpos volt. Soha nem volt beépítve.
LCM3-mal mérve is elég furcsa számokat kapok. 1mF helyett 10,3mF-et mér. Találkoztatok már ilyennel?
Üdv. Van egy castone cpa500b végfok és a jobboldal kinlodik nagyob hagnál a láda be kopan ez mitől lehet?
A logo alapján Liner Technology, ami most Analog Devices:
LT3435: https://www.analog.com/en/products/lt3435.html LT1977: https://www.analog.com/en/products/lt1977.html
Sajnos igen!
Ugyan ez a márka nekem is a fiókban állva, vagy éppen fekve kipúposodott.
Üdvözlet!
megtaláltak egy ilyen mérőműszerrel, de sajna nem tudom mit mér vagy egyáltalán milyen műszer ez. Remélem kapok választ, mert érdekel mi ez a ketyere
Köszi,ők azok,de én nem LT-ként kerestem,mert az nem szerepel a tokon.
|
Bejelentkezés
Hirdetés |







Már az első héten vissza akartuk cseréltetni mikor kihozták, de olyan más használt vackerájra cserélték volna (mondván nem adhatnak mindenkinek újat), amit ránézésre is











