Fórum témák
» Több friss téma |
Az lehet, de most már mind1, mert átépíteni biztos nem fogom a ledezést! Napokig szarakodtam vele! Szóval a 12V-ról 5V-ra konverziót kéne megoldani minél egyszerübben és minél kevesebb hőtermelés mellett! :S
Egyébként ez nem egy mai autó, most tölti a 13-at, és sose volt semmi gond az elektromos rendszerével! Viszont korábban már raktam ledet ugyanide mindenféle stabilizálás nélkül és egy részét kinyírta... Szóval tüskéket gyárt, vagy Én nem tudom, de stabilizálás nem árt!
Köszi! Hát ilyen, amikor a lelkes amatőr saját magának állít csapdát!
Szimmetrikus trafó, szilícium magos. . Lehetetlen megbontani.Tekerni sem bírok rá hogy ellenütemben csökkentsem a feszt. Az áramkört megépíteném két pédányban max. De ha már így alkul lehet veszek két stk ict ami bírj a feszt. Az egész úgy indult hogy hozájutottam egy csomó iylen cucchoz amiből Erősítőt lehet fabrikálni. Ez lenne a 3. erősítőm amit építenék.
Szia!
Az a gond, hogy ekkora feszültségre 300-400W-os erősítőt lehet építeni, ha elég nagy a trafód teljesítménye, oda viszont jobb a tranzisztoros erősítő. Esetleg az apróhirdetések közt érdemes volna elcserélni a neked megfelelő transzformátorra.
Sziasztok! Segítségetekre lenne szükségem. A gondom az lenne,hogy van 6-40 V közötti váltó terheletlen feszültségem és 12V egyen feszültség kellene belőle 2-2,5 A-ral folyamatos terheléssel. Ehhez az ideális feszabályzó rajza és leírása kellene. köszönöm a segítségeteket.
Kitaláltam valamit ami talán megoldaná a problémám.
Ha az erősítő jobb és bal csatornájának tápfeszültségét sorosan kötném be, feleződne az egy végfokra eső feszültség. Bááár ez nemtudom kivitelezhető-e mivel ez aktív fogyasztó.
Szia!
Nem tudod sorba kötni a végfokokat. Van még egy lehetőség, de ezt még TDA7294-nél nem próbáltam. Ha ezt ki akarod próbálni a trafóra ne köss semmi mést csak a végfokokat. Ha egyéb dolgot, hangszínszabályzót, védelmet akarsz, csak úgy, ha a trafónak van plusz szekundere, amit felhasználhatsz. Ha nincs külön kis trafót kell berakni neki.
2x 50 voltos a transzformátor és én ehez az Ic hez akarom használni. Az ugye 2x 68 Volt lesz egyenirányítva. POntosan fele feszültség kell. Ráadásul szimmetrikus....
Ha megnézted a mellékletet láthatod, hogy a 2*68-ból 1*68-at csináltam. Ott van benne a kondenzátoros-ellenállásos osztó, így meg van a virtuális 2*34V.
Egyszerű eszközökkel más lehetőség nincs..
Sziasztok Srácok.
Egy Philips Hifit javítok. Elszállt benne valószínűleg egy "stab" IC. Tipusa: 30T322 Gyártója: SGS-Thomson Tokozása: 3 lábú TO-220 Sajnos nem találom a neten az adatlapját. Ha tudtok segítsetek. Előre is köszi. Kiss Béla
Szia!
Én is találkoztam már ilyen "megfejtehetelen" stabkockával, az ITT volt, és sima 7805-tel lehetett helyettesíteni. Nézz körül a panelen: milyen fesz. elkó van utána (ha van), vagy milyen áramkörök mennek róla, vagy van -e párja (+- táp, lehet h a másik oldalit meg lehet fejteni...vagy ha az még működik, megmérni) Vagy tegyél be 7805-öt, ha nem müködik, egyre nagyobbat. Mérd meg a bemenő feszt, ebből is lehet következtetni (a bemenő fesz legalább 3V-tal nagyobb szokott lenni mint a kimenő) üdv: Bence
Szia Bence!
Köszönöm a segítségedet, de a nyák elrendezés szerint nem Stab Tok, hanem Mos Fet tranzisztor. Én voltam figyelmetlen. Ne haragudj.Mérni nem tudtam, mert a tápellátó része elfüstölt. Bocsi. Üdv Béla.
Üdv!
Miért vannak ezek a gondok: 7805 stab, adatlapjában lévő kondikkal, 500 mA es fogyasztóval a kimeneten 4,1V. 13V os táppal. 7812 stab 500mA es fogyasztóval kimeneten 10V. 14V os táppal. Van más fesz.stab ami tényleg végzi a dolgát?
Szia!
Ha jól csináltad ezek el szokták végezni a dolgukat. Miről próbáltad? Dugasztápról? Ilyen esetben mindig mérni kell a bemeneti feszültséget is, mert előfordul, hogy a terhelés hatására leesik.
Aksitöltőről próbáltam, de a sikertelenség után szereztem egy labortápot.
A bemeneti fesz pontosabban: 14V a táp, egyenirányító dióda után 10V. Az 5V os stab ekkor adott ki 4.1 V ot terhelés allatt és terhelés nélkül. A kondikat közel raktam a lábaihoz. Mivel lehet megoldani azt, hogy az autó generátora 12-15V ot tölt és nekem mindíg 5V kell illetve 12V? Tudom 12V al nehezen lehet megoldani 7812 vel. Nekem jó a 7806 is de stabil legyen (most +/- 2V töltéstő függően)
Legalább 2200µF-es puffert tettél rá? Az akkutöltő kimenetén lüktető egyenáram van, nincs az a stabilizátor ami megbirkózik vele.
NemÍgy kötöttem be: kép Kipróbálom és írok. Köszönöm 1000 hála Gyorsan egy 220 µF-osat raktam rá és 4,99V volt és 4,7V terhelésen. köszönöm szépen!
Egy puffer csodákra képes a megfelelő helyen.
Rádobtam egy 10.000 µF osat (csak ez volt a következő méretem) 4,94V van rajta stabilan, de a pendrive 5V nál kapcsol
.Köszönöm még egyszer. Holnap újra építem és működni fog. Bármi kell szólj
Sziasztok!
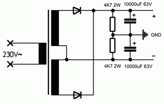
Szia Köbzoli! Szóval a problámám: aktív hangváltóhoz (50-150hz) készítettem egy tápot, aminek elvileg +-12V-nak kellene lennie, 2x12V~ trafóból, és 7812, 7912-val stabilizálva, de az a gond, hogy a gnd és a + között 12V van, de a - és a gnd között 18V. Szóval a kapcsolás alapján van minden (csak nem 7X05-el, hanem 7X12 vel), a 7912-őt már 3-szor cseréltem, de mindegyikkel 18V. (Raknék fel képet az áramkörről, ha az segít de jelenleg nemtudom összekötni a géppel a telefonomat, mert nem találom a kábelt) Tettem fel egy rajzot a trafóról, hogy hogy kötöttel össze a 2 secundert. Szóval lehetséges hogy az egyenirányító híd, vagy valamelyik kondi a rossz? Köszi a segítséget!
Szia!
A 7912-nek más a lábkiosztása, mint a 7812-nek! Ha nem mondtam újat, akkor bocs. |
Bejelentkezés
Hirdetés |





Ne haragudj.
Nem
.







