Fórum témák
» Több friss téma |
Értelek!
Én meg ebben szeretnék segíteni Neked. Nem egyszerű a dolog, mert mint írtad, a feszültség szabályzó rendszeresen megadja magát. Azt értsd meg hogy az a generátor, ami a motoroban van, túlzottan nagy teljesítményű. A felesleges energiát, amit a motor nem használ fel, a szabályzónak kell hővé alakítani. Ez a hő teszi tönkre a szabályzókat. Ezen csak egyféleképpen lehet segíteni, ha a generátor teljesítményét csökkented. Azt úgy lehet megcsinálni hogy a tekercsek számát csökkented. Az 5 tekercsből levágod az utolsó tekercset és a negyedik végét testre kötöd. Ha így jó lesz az eredeti rendszer, akkor Bingó! Ha még így is tönkremegy a fesszabályzó, akkor a negyedik tekercset is ki kell iktatni.
Igen tudom. Én is a túlzott hő termelésre (vagy a zárlatra gyanakodom) mivel ez egy supermoto nem robogó nem nagyon van rajta zárt rész. A csatlakozók meg persze nem vízhatlanok mint ahogy a feszültség szabályzóé sem. Szoktam vele közlekedni télen nyáron, hóban, esőben így lehetséges, hogy zárlat keletkezik és ezért adja meg magát. A generátort nem szeretném piszkálni (nehogy több kárt okozzak mint hasznot). Viszont a LED-es világításra átállás jó ötletnek tartom, bár csak külföldi oldalon találtam BA20d típusú LED izzót ami ebbe a foglalatba is passzol. De azt nem értem miért kellene külön elektronika a led-es lámpához?! Értem, hogy alapjáraton "pislog,villog" csak a lámpa, de amint fordulatot kap már szépen világít (a hátsó lámpám led-es ezért tudom én is). Ezért nem nagyon értem előre miért kellene külön elektronika a led-es égőhöz?
Még az akkumulátor is adott hozzá. Hátulra is csak 1-1ben össze van kötve a csatlakozókkal és ennyi.
12V-os rendszerben a külső körülmények okozta zárlatot el kell felejteni.
"A generátort nem szeretném piszkálni (nehogy több kárt okozzak mint hasznot)." Egyáltalán nem kell félni tőle, nem tudsz kárt okozni, ha úgy csinálod, ahogy írtam. A Ledes izzót én kaptam a barátomtól, ezért nem tudom Neki mennyibe került és azt se hogyan szerezték be, de valóban, külföldi oldalakon 5-6 Dollárért beszerezhető. Azért van szükség nálam külön áramkörre a világításhoz, mert az én motoromon nincs akksi, de Nálad ez nem probléma, nyugodtan rákötheted az akksi áramkörére. Akkor nincs villogás sem, mert az akksiról stabilan megkapja a 12V-ot. A Ledes reflektor/tompított izzó adatai: 2X6W, 8-80V egyenfeszültség, 0,6A, 800 Lumen, 6500 Kelvin fok.
Hello
Megépitettem a kapcsolást,de nekem csak pár percig müködik akkor 14.1-14.2 között szabályoz. Aztán megszűnik 17-18 V jön. Hagyom hülni kikapcsolom újra inditom aztán megint lejátszodik a folyamat. Mivel nem vagyok szaki -csak szorgos hobbista-kérném a segitségetek. A BT151/650r helyet BT152/600r kaptam az üzletben, én erre gyanakszom mivel a 650 gate 12V , mig a 600r 6V. Lehetséges hogy ez a baj? Kipróbáltam a másik kapcsolást-ITI47 által feltettet- is ahol van egy 47ohm ellenállás pluszban,és a katod - gate között 2k7 ellenállás. Az eredmény ugyanaz. Van megoldás vagy csak a tiristor csere segít? Jelenleg csak a 47r van bent a katód-gate összekőtést kivettem. Köszönettel előre is a segdelmet.
Sziasztok!
Lenne egy motorom, amin a töltés eléggé gyenge, ezért szeretném feljavítani. Az alaplapon 5db tekercs van a világítás/töltés részére megcsapolás nélkül sorosan kapcsolva, egyik vége testelve. A gyári feszültség szabályzó bekötése hasonló módon van megoldva. Arra gondoltam, mivel van egy plusz alaplapom, hogy az utolsó szegmensről visszabontom a huzalt és készítek egy leágazást, hogy a rendesen tudjon működni mind az AC, mind a DC szabályozás. A csatolt képen látható az "ötletgazda". Szabályzónak pedig ezt építeném (esetleg vásárolnám meg utángyártottban) meg. Valamint lenne lehetőség a tekercs mindkettő végét (is) kivezetni és teljeshullámú szabályzóval használni. Szerintetek melyik lenne optimálisabb? A hozzászólás módosítva: Márc 5, 2019
Kedves Fórumtársak! Egy motorszerelő bevásárolt egy nagykerben robogó feszültségszabályzókból.Olcsók voltak, még 1000 HUF sem volt darabja. Panaszkodott nekem, hogy mindegyik túltölti az akkut, és veri az égőket is. Az egyikből kimelegítettem a műgyantát, s lám, egy darab diódával mindent megoldott a kínai. Elrettentésül íme a fotó. Én nem is tudom, hogy dobhatnak piacra ilyen szemetet...
Idézet: „Olcsók voltak...” Azért 1 db diódáért sokat fizetett.
Ez egy szupertitkos kapcsolás volt amiben aktiváltad az ön megsemmisítőt és ezek után ki olvadt a gyantával...
Én is szedtem egyet szét, de abban négyből kettő kivezetés be se volt kötve, csak a világítás miatt volt egy tirisztor meg néhány komponenst a nyákon. (ezért nem volt töltése a motoromnak...) Akkor azt gondoltam, hogy ettől zsiványabb dolog nem nagyon lehet.. de ez azért mindent visz!
Találtam egy hasonló megoldást a lapos tokozásúban a motelek.net oldalán is. Azt írja, hogy mindig vigyázzunk az olcsó kínai, thaiföldi utánzatokkal. "Olcsó kiöntött trójai ló" De dupla diódával megerősítve! http://www.motelek.net/schema/spannung/regler_spezial/mogelpackung.jpg Mogelpackung=Csaló csomagolás. Csak úgy dőlnek ki a csontvázak!
Sziasztok!
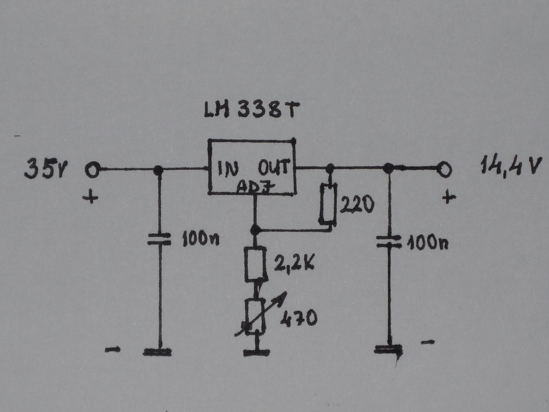
Csináltam egy egyszerű kapcsolást, amit bárki meg tud építeni. Panel sem kell hozzá, viszont fontos hogy a forrasztások erősek legyenek és az alkatrészek jól rögzítve legyenek (zsugorcső, műanyag forrasztó pisztoly) a rezonancia miatt. A változtatható feszültségű stabilizátor IC ebben a kapcsolásban akku töltésére van készítve. Az IC 5A-t tud, de egy motorkerékpár akksijának a töltésére 1,5A is elegendő. Természetesen hűteni kell az IC-t, mert melegedni fog. A 470 Ohmos ellenállással be lehet állítani a töltő feszültséget (14,4V), majd megmérve a két ellenállást, egyel helyettesíthető. A táplálást a generátorról kétféle képen lehet megoldani, vagy letestelt tekercsről, vagy a tekercs mindkét végét kivezetni. A generátor teljesítménye ne legyen több 20-25 W-nál. Ezt a kapcsolást ledes világításra is lehet használni, abban az esetben a feszültséget célszerű 12V-ra beállítani.
Üdvözlet Mindenkinek ! Egy kis segítséget szeretnék kérni a képen látható 8 pólusú Piaggio robogó feszültségszabályzót miként lehet kimérni multiméterrel,és milyen adatokat kellene kapnom ? Előre is köszönöm a segítséget !
Szia!
Ezt találtam róla, talán segít:
Köszönöm ez is nagyon sokat segített ! Üdv !
Sziasztok!
Segítségét szeretnék kérni. Van egy 1992 Yamaha xj600s diversion motorom. Egyszer már cseréltem egy éve benne fesszabajzót. Most megint megadta magát. Rendeltem egy 95 os divihez valót utángyártottat. Az 5 kábeles az enyém 4 kábeles gyárilag. 95 os ráncfelvarrás után egy nagyobbat tettek bele mert típus hibája volt alulmeretezett. A lényeg az hogy meg is van a kapcsolási rajza (mellékletben régi és új) az újnak és az enyémnek is. Radugtam a 4 kábelt ami oda van vezetve a rajz szerint a testet pedig a házára ahogy az előzőn is volt. De nem működik. Mi lehet a hiba? Régen egy cikket találtam ami szerint a test az 5. Ez igaz lehet? Nem tudom elhinni hogy a pozitív és negatív ugyan olyan szín gyárilag. A kapcsolási rajzon nem látom miért van két piros kábel az új változaton. Szóval ez a helyzet remélem érthető. Gyorsan kellene a megoldás mert holnap mennék motorozni. Előre is köszönöm!
Megoldottam.. a három alsó a generátor a kettő felső a test és a pozitív.
Sziasztok!
Simsonba szeretnék 6V-os akkutöltést. Kb. 5-11V-ot mérek fordulatszámfüggően. 21W-os tekercs van benne. Van itthon pár 78xx, de ezek csak 1,5A-t tudnak átengedni, igaz? Van itthon elég sok alkatrész, z-dióda, kondi, npn, pnp tranziszor, stb.. Esetleg kapcsolást tudtok küldeni? Nem szeretnék venni gyárit, pedig 2000ft-ért már kapni bontottat, inkább építgetnék itthon a nagy szabadidőmben
Vegyél inkább vagy keress legalább egy kapcsolási rajzot.
Venni nem szeretnék, mert sok szabadidőm van, inkább építeném. Kapcsolás van száz meg egy, de nem értek hozzá, melyik lenne a megfelelő, melyik működik.
Először mindenképpen egyenirányítani kell. Ha igaz, a tekercs egyik vége földelt, azaz csak egyutas egyenirányítás jöhet szóba. Az 1,5 A, amit a stab. kockák tudnak, bőven elég lenne. LM 317-nél még állítani is tudod a töltőfeszültséget.
Egykor néhány pici szelén volt a töltőjük. Erről már több cikk is született úgy 30-40 éve. Tudomásom szerint Rádiótechnikában is volt, annak meg van kereshető adatbázisa. Biztos lesz, aki odairányít. A hozzászólás módosítva: Ápr 16, 2020
Másik motoromba hidas egyenirányítót tettem, kb. 1 éve és azóta is jó. Nagy hiba? Nem egészen értem, 21W-os tekercs többet ad le 1.5A-nél. Elég amatőr kérdés, de én is amatőr vagyok
Ez a 21W-os tekercs gyárilag ellátta a féklámpát és a hátsó helyzetjelzőt is a töltésen kívül. Ezért 21W-os, ekkor a féklámpa izzója.A töltés a tekercs leágazásáról ment (piros/sárga vezeték) egy induktivitáson és egy diódán keresztül. Csatoltam képet. A féklámpa a tekercs végéről ment(zöld/piros vezeték). Ugyaninnen ment a hátsó helyzetjelző egy induktivitáson keresztül. Ez a soros tekercs a töltéshez szükséges tekerccsel és diódával egy házban volt kiépítve. Más szabályzás nem volt. Volt ilyen Simsonom, tökéletesen működött a töltése.
Azért ne feledjük hogy a másik tekercsen ellentétes menetirányú tekercseléssel ott volt a hátsó világításé. Tyson5 Van simsonos topic ott nézz körül.
A rajzon megtalálhatod a töltő tekercs végét, ahol a test pontra kötötték. Ha hidat raksz be és egyik végét szintén testre kötöd, arra is folyik áram. Nagy gondot nem okoz, mert az említett fojtó korlátozza az áramot. Hiába 21 wattos a tekercs, ha a 6 voltos akkud legfeljebb 10-12 Ah-s. Tartósan nem töltheted 3 A-rel. C/10 az 1 -1,2 A.
A nagy teljesítményt igénylő eszközök nem az akkuról mennek, ezért nincs is szükség nagy energiájú töltésre. Nem úgy, mint az én Simsonomban, amiben a mágnesgyújtás mellett még külön dinamó is van. ![]() Ez is Simson
Szia!
Pont egy évet kell csak visszalapoznod (6 Hsz.), ott találsz rajzokat. Igaz, 12V-ra készült, de mivel szabályozható a kimeneti feszültség, ezért beállítható a kívánt feszültségre. Az IC 5 A-ral terhelhető, megfelelő hűtés esetén. A generátor testelt tekercséről egyutas egyenirányítás után, vagy a testet leforrasztva és kivezetve, híd kapcsolású egyenirányítás után kell a szabályzóra kötni. A feszültséget úgy kell beállítani hogy az akku töltőárama magas fordulaton se legyen több az akkura megengedett maximális töltőáramnál.
Szia! Nagyon jó a kapcsolás amit csináltál, gratulálok. De lenne egy kérdésem. Hogyan lehetne ezt a kapcsolást kiegészíteni egy töltés vissza jelző lámpával?
Szia! Szerintem jobb ha erre a célra nem egy lámpát használsz hanem egy feszültségőrt ami folyamatosan tájékoztat a töltőfeszültség nagyságáról és minimális a fogyasztása.
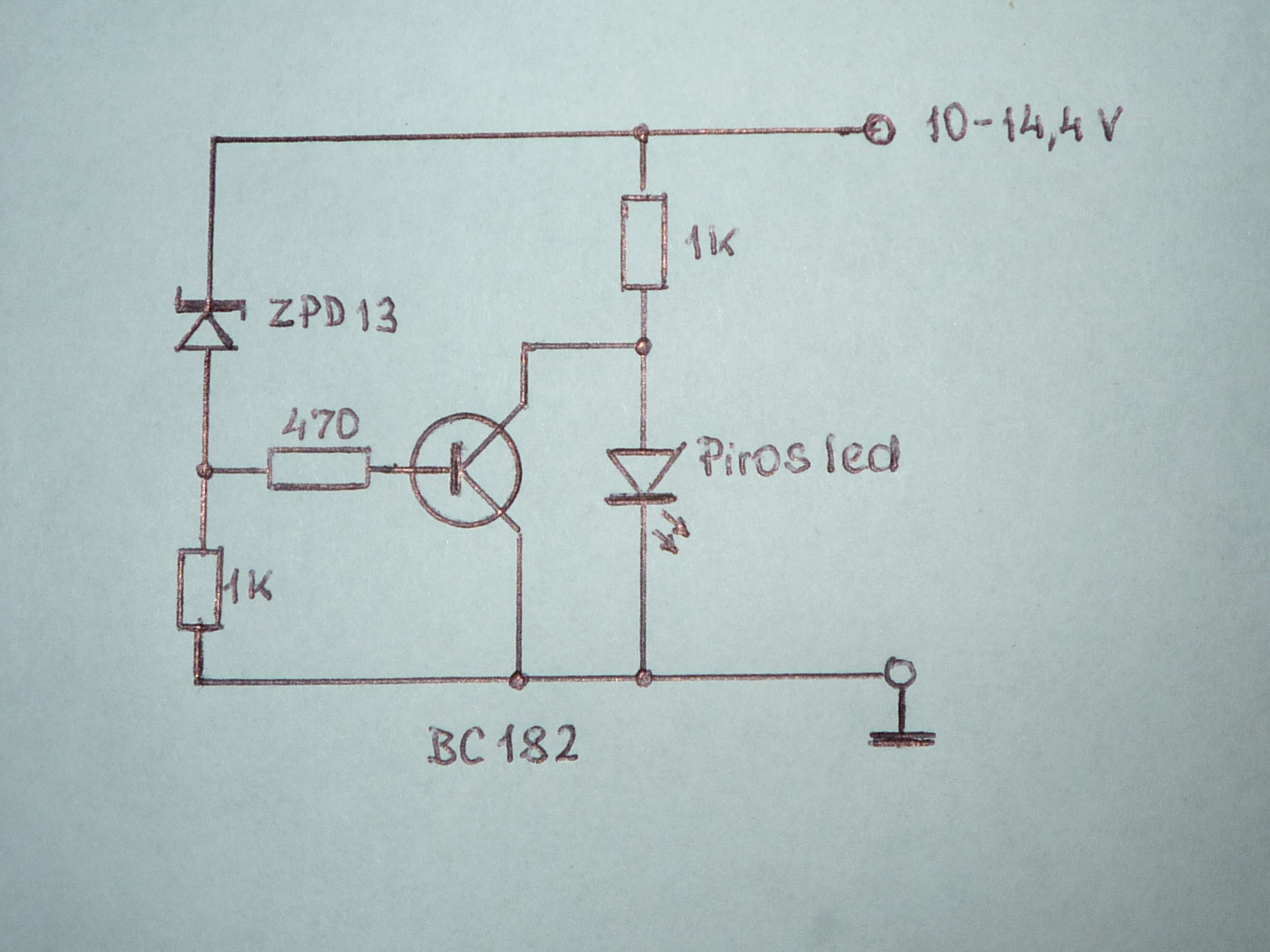
Szia!
Összedobtam egy egyszerű kapcsolást, meg építettem, kimértem. A piros led 6V-nál már teljes fénnyel világít, 13V-nál kialszik. Ott már biztos tölti az akksit. Ha más feszültségre szeretnéd, a zéner diódát kell arra az értékre cserélni. Gyújtáskapcsoló után kell bekötni, az akku áramkörére.
Nagyon jó, megpróbálom ezt is. Köszi szépen.
|
Bejelentkezés
Hirdetés |




Még az akkumulátor is adott hozzá. Hátulra is csak 1-1ben össze van kötve a csatlakozókkal és ennyi. 










Tudomásom szerint Rádiótechnikában is volt, annak meg van kereshető adatbázisa. Biztos lesz, aki odairányít.






