Fórum témák
» Több friss téma |
Fórum » FMV Frekvenciamérő, Számláló javítása (TR-5284)
Témaindító: ha6qt, idő: Nov 24, 2019
Témakörök:
A TR-5258 készülékről sajnos nem nem található megfelelő minőségű leírás.
Makai Lajostól kaptam egy jobb minőségű pdf fájlt 18MB terjedelmű így nem lehet mellékletként feltenni. Azonban szórakozásból átrajzolom a kapcsolásokat. Üdv az érdeklődőknek.
A frekvencia mérő fejlesztői egy kiváló tulajdonságokkal rendelkező készüléket készítettek.
Azonban a gyártástechnológia pocsék. Hatalmas dobozban helyenként hozzáférhetetlen telezsúfolt elrendezés. A legnagyobb baja, a lötstop lakkozás vagy fóliázás helyett Szilikonlakkot alkalmaztak. Kőkemény, nehezen forrasztható. Javításnál a legtöbb időt kapargatással kell tölteni. A dokumentációjának a legnagyobb hibája, hogy nem tartalmaz beültetési rajzot. Oszcilloszkóp s hanggenerátor, valamint a nyák hosszabbítok nélkül senki ne fogjon hozzá a javításhoz. Ha valaki mégis a javítás mellett dönt, megkaptam a tervezőktől a beültetési rajzot. A tisztességes dokumentáció előkerítése folyamatban. Pincéből Padlásról. Üdv. Minden bajlódni kivánóknak!
Szia.
Az oldal tetején Hp41C hozzászólásából letöltheted a dokumentációt. A dokumentáció 87-ik oldala hibás. A hiányzó részt a mellékelt fotóból kihámozhatod. Hát igencsak készülj fel a javításhoz. Elkövettem azt a hülyeséget, elvállaltam ha6qt-töl, ha elhozza megcsinálom. Mint, már említettem, elképesztő förmedvény a kivitele, a lakkozással megfog gyűlni a bajod. Ha nincs mérő hosszabbító, akkor még nehezebb a dolog a panelek állandó dugdosásával. De hogy rövid legyek, mivel sokat cseszegettem Makai Lajost a beültetési rajzzal s egyebekkel, elhatározta, hogy kezeibe vesz a dolgot s Maglódon felhajtott egy mérőhosszabbítót s közölte velem legjobb, ha elviszi és Ő feléleszti. Ez történ karácsony előtt egy bő héttel. Úgy gondolta karácsonyra meglep, de nem jött össze. Utolsó beszámolója szerint a lakk alatt korrodált vezetékek, voltak. Útólsó beszámolója szerint a 60MHz-es oldal működik, de pár IC az előírtnál alacsonyabb kimenőszintel működik. IC beszerzés folyamatban, az egyetemen, ahol oktat van automata IC kiszedő, majd beviszi és ott kiforrasztja a gyanús IC-ket. Pillanatnyilag ez a helyzet. Ne feled az egyik tervezőjéről van. szó. Egyébként sok síkert kívánok az általad végzendő javításhoz. Üdv. l
Az FMV utolsó fejlesztésű frekvencia mérője az TR5289 nevet kapta.
A jelenleg még tulajdonomban lévő deszkamodellről néhány fotó. Érdekessége, hogy az Intersil ICM7226A köré épült. Másik érdekessége, hogy a szintén tulajdonomban lévő, végleges kivitelű alaplap, javaslatomra az FMV-s hagyományoktól eltérően, lőtstop fóliás védelmet kapott. A hátlapon lévő tápcsatlakozón keresztül táplálva 1.1GHz-es előtétet is lehet hozzá csatolni.
Kedves Jano36! Nagyon örülök, hogy megtaláltam ezt a témát! Később írok pár reszletet erről is és másról is..
Hali didyman! Ez meg mi? Az utolsó utáni típus? Hozzáférhető a rajza? (Nem akarom utánépíteni, csak kíváncsiságból érdekelne.)
A hozzászólás módosítva: Máj 8, 2021
Nem. Ez tulajdonképpen egy teljesen más áramkör, kisszériás, valószínűleg hadászati, vagy célzott felhasználású eszköz. De a benne lévő megoldások a kor szintjén rendkívül előremutató, fejlett elgondolások, áramkörök. Ez egy CB4181-es (a CB a tervező monogramja ebből) frekvenciamérő/számláló. Még a kalibrálása hátra van, egy gyárilag benne hagyott forrasztási hiba miatt élete első 30 évében biztosan nem jól mért (a bemeneti fokozat egyik kimenetén négyszög helyett alig látható tüskék voltak, becsületére legyen mondva, így is mért, csak némi hibával..). Volt benne pár apró baj, egy földhurok, ami miatt a -12 V "fűrészes" volt, olyan jó 50 mV-os zaj ült rajta-a megfelelő alakítás után a tizede-de még ettől is tök jól mért. Meg a CPU és a kijelző külön 5 V-os tápköre a kijelző panelen valami okból szoros összeköttetésben maradt, így a nagyobb kimeneti feszültségű vitte mindkettőt. De ennek sem volt hatása a mérésre
. Ezek javítása után stabil műszer, aztán majd meglátjuk, mennyire lehet pontossá tenni..De van még itt pár érdekesség. A fenti készüléknek a nagyon próbaváltozata, még papír előlappal (majd előkeresem), egy szintén nem túl gyakori torzításmérő és egy MEV hibrid. Jóbarátom kincsei ezek, én csak a 4181-et bitoroltam el tőle, mert el akarta adni, nekem meg van egy szintén nem túl gyakori, nixie csöves CB4129-esem is, ezeknek egy fedél alatt a helyük..
Szia Janó!
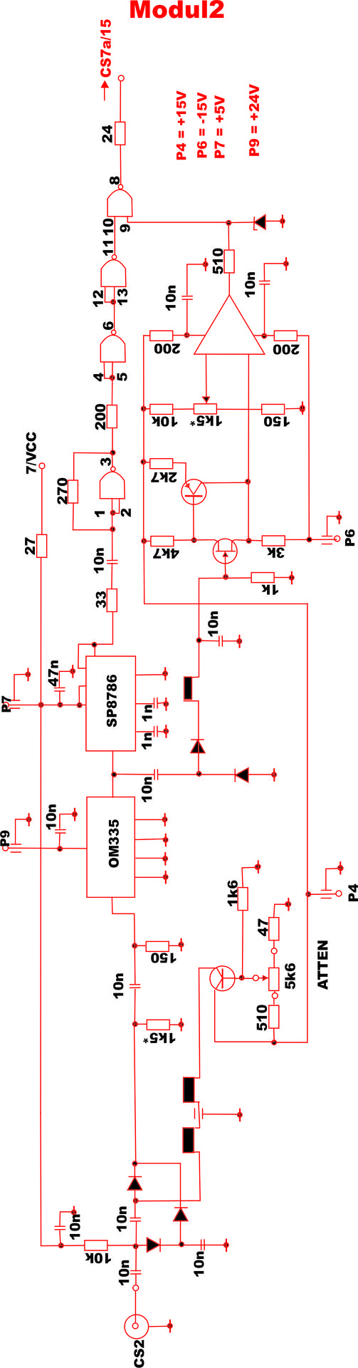
Azért jól esett volna - ha már nevesítettél - megemlíted, hogy kemény munkával és 7 db IC cseréjével a hivatkozott DFM 129 életre kelt, sikerült megjavítanom. Egy tanács jó tanács annak, aki neki fog a javításnak. Az un. kiemelő kártyákat szerezze be vagy készítsen egyet az RFT 15 ill. 31 pólusú csatlakozók colos vagy metrikus kiosztásának megfelelően, mert ilyen eszköz nélkül javítani szinte lehetetlen.
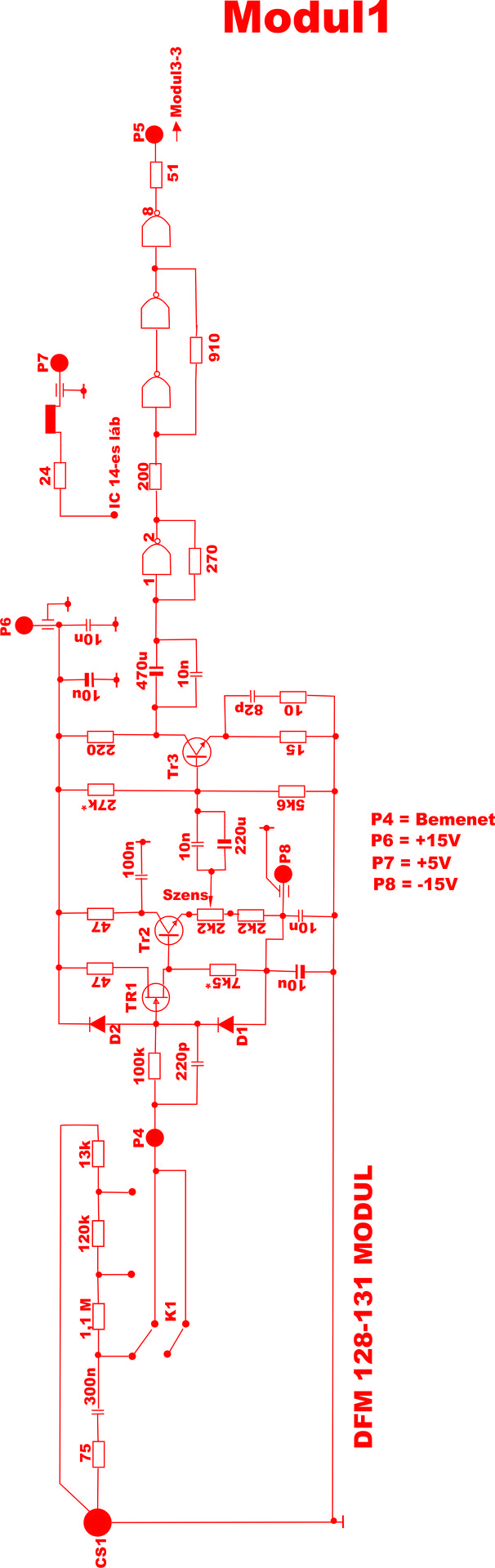
Sziasztok. Adott a címben említett TR-5284 es 1.2Ghz-ig mérő készülék ami minden szegmensén 0-át mutat. A TIL-eken az LN lábon 0V van (törlés) , viszont a CP (számláló bemenet) sincs jel.
Az osztókon megfelelő még a jel, merre induljak tovább? Az a gond hogy az elektrotanyás rajz hibás is, ráadásképp a kijelző "kimenetei" nincsenek feltüntetve hova-melyik panelre mennek tovább hogy megnézzem miért kerül tiltásra a kijelzés, és az osztók után hova tűnik a jelem. Ha esetleg valakinek van ötlete szívesen fogadom.
Sziasztok!
Van egy TR-5283-asom, már rendbe tettem, működik is, csak szeretném módosítani. Tennék bele egy OCXO időalapot. Abból a váltakozó tüskesoros NDK csatlakozóból keresnék egy darabot, amivel a panelok össze vannak dugva. A panelon levő tüskesor kellene.
Na ilyen RFT 15 és 31 pólusú tüskesort keresnék a saját 5283-asomhoz, mert egy egyedi OCXO-t építenék bele az eredeti helyett.
Szia!
Ha még aktuális, akkor az alábbi linken beszerezhető a 15 ill. 31 pólusú csatlakozók. https://www.ret.hu/shop/csatlakozok-foglalatok/csatlakozok/ipari-cs...akozok Arra figyeljél, hogy a gyártás során egy ideig metrikus raszterű majd később coll-os osztású csatlakozókkal lettek a freki számlálók szerelve. |
Bejelentkezés
Hirdetés |



















. Ezek javítása után stabil műszer, aztán majd meglátjuk, mennyire lehet pontossá tenni..



