Fórum témák
» Több friss téma |
az a baj vele hogy az is a csúcsértékre tölti, próbáltam.
A hozzászólás módosítva: Jan 27, 2015
A pwm set fesz-be tegyél egy feltételt hogy ha épp egyenlő akkor ne csináljon semmit.
A hozzászólás módosítva: Jan 27, 2015
soros ellenállás pufferkondi párhuzamos kisütőellenállás
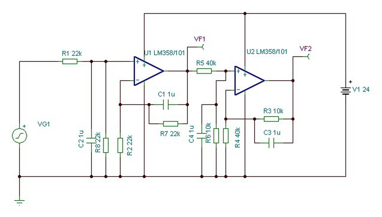
OPA integratorkent. Pl LM358 a mellekelt kapcsolasban. Az elso fokozat integrator, a masodik integrator es 1/4 x erosito, tehat a 20 voltos PWM jelbol 0-5 voltos DC jelet kapsz.
Emmiat lenne a hibás mérésem?
Sziasztok
Mostanában keztem el foglalkozni pic programozással. Segitségeteket kérném, hogy lehet megoldani azt, hogy egy ciklus csak egy meghatározott ideig tartson (pl. 5 sec) és ez idő alatt figyelni szeretném az egyik bemenet lefutó élét.
Megszakításban csinálj egy változót és azt " számold" a ciklusban ..
Erre valami példát tudnál feltenni? Nem csináltam még ilyesmit.
Valahogy így. Ezt még alakíthatod, de elindulásnak jó. A szimuláció lépése 1-be van, s így látod is hogy mit csinál
.
Sziasztok
Flowcode-ban hogy kell a PIC 18f14k22 úgy beállítani, hogy a belső órajelét használja? Az istennek nem akar elindulni. Köszönöm a segítségeteket.
A többi a képen maradjon úgy ahogy ott van?
A watchdog timert tiltsd le. Ha csak nem kezeled a programban.
Szia felteszem, a fcf filét állícsd be kérlek, mert nem megy!
kedves simpi, mit és hova állítsak? Egyédként örülök, hogy ittvagy, mert nagy fába vágom a fejszémet, és azt hiszem, csak te tudsz segíteni rajtam.
Vagy olyan van hogy INT RC, vagy olyan hogy INT RC CLK-OUT on OSC2
Melyik legyen?
Köszi szépen, beindult
![]() Én voltam figyelmetlen a programba egy percet adtam a led villogtatásnál a kigyujtásta, és azt hittem nem indult be, pedig csak várni kelet volna. ![]()
Sziasztok
Egy nagy fába vágtam a fejszémet. Kazán szivattyú vezérlést szeretném megoldani, megépítettem a hobbielektronikai oldalon található két érzékelős termosztátot. De sajnos nem úgy működik ahogy annak kénem. Természetesen a szerzőt megkerestem, és Ő is megerősített benne, hogy nem fog működni, mert másra tervezte a programot ami fut a pic-be. Tehát adott a kapcsolás (mellékletbe beteszem), és az elgondolás, hogy mit kéne csinálnia. Két érzékelő van rajta, az egyik a kazán bejövő vizét a másik az elmenő vizet méri. Az elmenő víz ha elér egy bizonyos szintet (állíthatónak kell lenni a menübe), kapcsolja a szivattyút. Ha lehűl egy adott értékre a kazán ( mert nem raktam rá a tűzre), akkor kapcsolja le a szivattyút. Ez eddig egy termosztát. De ha a víz eléri a kritikus hőmérsékletet (90C fok ez is állíthatónak kell lennie, mert zárt fűtési körben más hőérték kell) akkor kapcsolja a riasztás kimenetet, és ha eléri az ott beállított Kb40C fokoz akkor kapcsoljon le a riasztás kimenetét. A hab a tortára az lenne, ha a + és - gomdot lenyomva tartva úgynevezett nyári állásba menne a készülék ami azt jelent, hogy nem szabályoz, hanem elkezd számolni, két naponként egy percre ráindít a szivattyúra (leragadás elleni védelem). Hát ennyi lenne. Ha valaki megírná nekem Flowcode-dal, annak nagyon hálás lennék, mert most itt az elektronika, és egy csomó pénzem áll benne. Bővebben: Link Köszönöm előre is Bubuszoft
Köszönöm szépen
Feltettem egy kérdést, remélem, hogy tudsz segíteni nekem.
Az a gond, hogy megvan az áramkör, mindet tud, ami nekem kell, csak egy progi kell bele
KapcsolásSzia
Az LCD-t kéne konfigurálni tudnál benne segíteni az adott rajz a bekötés szerint. Köszönöm A hozzászólás módosítva: Feb 6, 2015
Köszönöm, de ez az elektronika már itt van, most dobjam ki? A másik, a keringetés lenne, azt egy PID szabályozó nem oldja meg.
Sziasztok első körben ezt nézegettem, ez kiírja elvileg az értékeket jól látom?
Csak egy apró megjegyzés. A forrás megvan, de amit bubuszoft kér, ahhoz nem módosítani kellene, hanem újraírni a teljes programot. Az a baj, a saját dolgaimra sincs elég időm, mostanában nem érek rá ezzel is foglalkozni. Amikor a két érzékelős termosztátot készítettem, jutott energia ilyenre is + kihívás + hiánypótlás. Ma már kicsit más a helyzet az időbeosztásommal.
Sziaszzok.
Lelet-e Flowcode-ba C nyelven megírt programot berakni (.c), ha igen hogyan? Én csak fcf beolvasást làttam eddig. Köszi a segítségeteket. A hozzászólás módosítva: Feb 6, 2015
Van olyan komponens hogy c kód beillesztése ...
A hozzászólás módosítva: Feb 6, 2015
Szia
Akár egy egész progtamot is? Le tudnád pontosan írni hogy kell? |
Bejelentkezés
Hirdetés |






. 









