Fórum témák
» Több friss téma |
Fórum » Forrasztópáka hőmérséklet szabályozása
Témaindító: (Felhasználó 712), idő: Nov 15, 2005
Témakörök:
Hát egy alaplapon kellett kondikat cserélnem, és gondoltam letesztelem, de nagyot bukott.
Igaz a solomon is megszenvedett vele, de legalább ki tudtam venni vele a kondikat, míg a farenheit-el erre esélyt se láttam, pedig minden trükköt bevetettem (magas hőfok, folyató-, ón-adagolás). ui.: nem kell valakinek egy eladó páka? alig használt
Szia!
Válasszuk külön a szabályozást és a hőfok kijelzést... Kijelzésnél azt hiszem egyértelmű melyik a digitális. Ahol ki írja számokkal, arra mondjuk, hogy digitális forrasztó, annak ellenére, hogy a szabályozás digitális vagy analóg is lehet. Ahol nincs kijelzés számmal, azokat hívjuk analóg forrasztónak, hiába egy mcu vezérli az egészet. Pl.: a JBC AD2700 állomás lelke egy pic, tehát digitális kütyü, mégis analóg állomásnak hívják, mert nincs kijelzése, csak egy beállító poti. A szabályozás típusa, minősége, pontossága nem függ össze azzal, hogy digitális vagy analóg az állomás. Mindkettővel lehet jót és rosszat is csinálni. Lehetőleg itt folytassuk: Forrasztópáka hőmérséklet szabályozása
Szóval, köszi a választ vzoole a másik topikban.
Tudnál nekem segíteni jó tanácsokkal a saját forrasztóállomásom elkészítésében? Igazából nem is lenne nagy munka, mert ahogy írtam, már van egy kész ketyere meghajtásnak, illetve páka is lesz, vagy készítek egyet, azt még nem tudom. *** Felhasználó kérésére törölve. És a meghajtás egy yudo CW-661 lenne, ha véleményed szerint megoldható.
Leírnád pontosan meddig jutottál?
Meg pár linket is mellékelhetsz, hogy mikre gondoltál. (te már tudol hol van, nekem még keresgetni kéne )
Jaj, a link meg lemaradt? Pedig betettem. Akkor ujra
Bővebben: Link Még annyi, hogy digitkijelzős, Range: 30-400°C Supple: AC85-250V, 50/60HZ, 15A Load: 15A, 15W-1650W(110V)/100W-3300W(220V) Páka: IttBővebben: Link megtalálható a két weller típus, Ersa, aminek a pákáját használnám: Bővebben: Link
A yudo-n a csatlakozási pontok az alábbiak: fázis nulla föld, van két pont a Load heaternek (páka fűtés?) és kettő és kettő a j/k sensornak (hőelem?).
Ha kell, töltök fel képet róla, alkatrész típusokat is...
Szóval a kijelzésről annyit, hogy marha jó lenne, mert kiírja a mért hőmérsékletet is meg a beállítottat is.
Jelenleg ennyit tudok róla, a leírás lehet neked többet mond, de ismétlem, ha kell, azonnal nyomok fel nagyfelbontású képet róla, esetleg mérni is meg tudom a kimenetét. Ugye páka meg annak függvénye, hogy mit sikerül szerezni és hogy mit sikerül összehozni vele. Első sorban a weller pákákkal próbálnám meg, de azokkal nem tudom, működne-e? Nyilván számít, hogy hőelemes vagy termisztoros a páka, nem? Illetve teljesítmény nem tudom beleszól-e. *** Felhasználó kérésére törölve.
A YUDO CW-661 egy hőfokszabályzó, pid funkcióval. Ha jól sejtem ez már megvan, ebből kéne kihozni valamit. Az biztos, hogy nem egyszerű beállítani egy ilyet rendesen.
Úgy látom csak hőelemet tud fogadni, a termisztoros pákák ezzel ki is estek. A régebbi szabályozós wellerek voltak ilyenek, nem kizárt, hogy az újabbak is azzal vannak szerelve. Másik hátránya, hogy 3 vagy 2 vezetékes, hőelemes pákát sem tud fogadni, mert ott a mérés idejére ki kéne kapcsolni a fűtést. Ilyen pl.: a JBC; Hakko FX-951 Szerintem elsőnek a pákát kéne beszerezni, és ahhoz építeni a vezérlőt. Kérdés, hogy milyet tudsz szerezni. Vagy ha veszed, akkor meg kell gondolni, vannak olyan pákák, ahol nem sok plusz pénzért már vezérlőt is kapsz. Mennyit szánsz rá? Mire kell? Ezek pl olcsók és aránylag jók. Hőelemesek, a YUDO vezérlőre is rá tudnád kötni: -Solomon forrasztó páka -FAHRENHEIT 28112 -Soldering Station Iron Handle for HAKKO 907/ESD 936
A kép közepén a fekete téglalap egy ale15b05
Sziasztok
Most építem Attila 86 által tervezett forrasztóállomás II-t. Egy kérdésem lenne csak. A kapcsolási rajzon az R1 ellenállás 470 Ohm, az R2 10k Ohm, a beültetési rajzon pedig pont fordítva van. Melyik a helyes érték? Köszi
Végül amellett döntöttem, hogy egyelőre ebből a meglévő hőfokszabályzóból kellene valami értelmeset/használhatót kihozni.
Amit eddig tudunk: PID -es hőfokszabályzó. Elég nagy teljesítményű, 110V-on 15W-1650W, 230V-on 100W-3300W és ezek mellett 15A. Beállítható hőmérséklet 30-400celsiusfokig. J/K szenzort tud fogadni, két vezetékest. A páka leendő kimenete szintén két vezetékes. Tehát 4 vezetékes páka kell majd hozzá. Aztán elég nagy a 230V-on kiadott minimum teljesítmény. Illetve a kimenő jel PWM-es is lehet vagy SSR, ami gondolom jó lesz az a PWM?
Szia!
Át kéne alakítani a pid szabályzót! Mert 230V megy bele, és az is megy a kimenetre. Ha ezután kötnéd a trafót az nem lenne túl szerencsés. Mert ha fázishasítással hajtól induktív terhelést, az gyakran melegedéssel és füsttel jár. A kimeneti rész le kell választani. Ekkor a bemeneti 230V csak a szabályzó tápját látja el. Ahol a 230V be ment a kimenetre, oda pedig be kell vezetni a 24V-ot (váltakozót).
Idézet: „Ha ezután kötnéd a trafót az nem lenne túl szerencsés.” Trafó, mint páka? Vagy mire gondoltál?
A páka nem 230V-ról megy, hanem 24V-ról. Tehát valahova kell egy trafó.
Aha, így világos, de akkor a kijelző oldalán (kép jobb oldala) lévő kondik a kijelző miatt 25V, 35V meg 50V-osak?
Közben keresem vissza, esetleg valami támpont? Meddig kövessem vissza?
A kimenetnel kerdes, hogy hogyan meri a ferritgyuru a kimeneti aramot, ha trafot kap mar elotte?
Szerintem ugyanúgy, de lehet hogy nem is kell használni ezt a funkciót.
Rajzold le a 230V-os részt, és akkor lehet tudni hol kell megszakítani.
Rajta vagyok, keresek egy tervezőprogit, hogy ne firkálni kelljen...
Úgy érzem a lényeggel meglennék
Ha tudsz még tegyél már fel fotót a panel mindkét oldaláról.
Valamit elcseszhettem, vagy csak furcsalsz valamit?
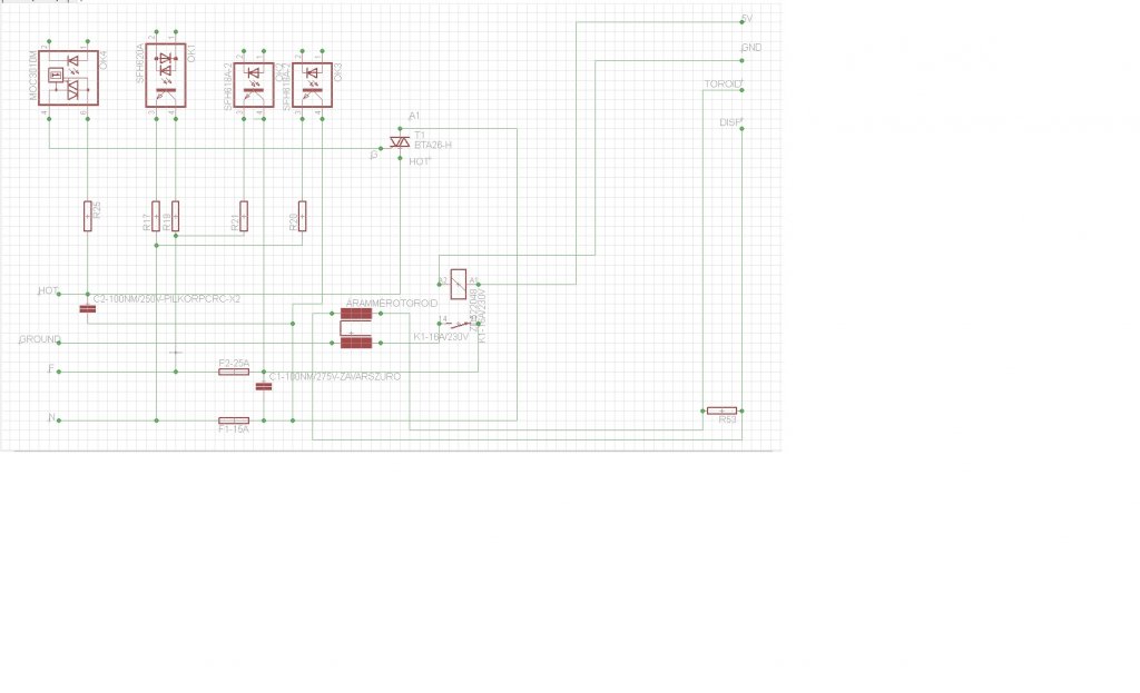
Meg beteszem a rajzot is ujra, mert az optocsatolok tipusnevei nem minden esetben egyeznek a valosaggal. Csillaggal jeloltem minden nevet, ami esetleg felreertheto lenne.
Eléggé kesze-kuasza lett a rajz, nem is lehetett igazán elmenni rajta
.Újrarajzoltam, és az átalakítást is megcsináltam.
Valahogy így kéne átalakítani...
De műszerrel le kell ellenőrizni, nincs-e kontakt a 230V-os résszel.
Nagyon köszönöm a segítséged!
Igaz, szeretném egy kicsit kiismerni magam az ilyen áramkörökkel kapcsolatban, szerinted mit kellene ehhez tennem? Hogyan tanulhatnék jól? Építgessek pl az általad is fent lévő kapcsolásokból, vagy még alapabb kapcsolással kéne kezdeni? (sajnálom, hogy elbénáztam a rajzot, már vagy 5 éve rá se néztem ilyenekre, pedig akkor már egész jól mentek bizonyos alapkapcsolások, visszakeresések stb) Amúgy érdekel itt is egy jó pár dolog, feltehetném a kérdéseimet, vagy így fényképről és messziről nehéz elmagyarázni bármit is? (a négy optocsatoló kb működése érdekelne) Ha megvan a tekercs és működik, jelzek!
áá
eltünt minden amit írtam, most így rövid lesz ![]() Tanulás: kell egy cél, mint most egy forrasztó vezérlő. Meg kell nézni milyen lehetőségek vannak. Lemásolod, értelmezed. A kapcsolási rajz jó volt, csak az átláthatóbb tervezést kell gyakorolni. U4: Mivel a bizti rövidre zárja a bemenetét, alap esetben nem csinál semmit, de ha kimegy az F1 bizti, akkor azon keresztül folyik az áram, és jelzést küld a szabályzónak. U5 ugyan az, csak az F2 biztivel. U6 (Fehér-OK1) optotriak a triakot kapcsolja. U3 a feszültség szinuszt figyeli, gondolom az SSR-hez.
Hát ez nagyon tetszik! Tök jó, hogy te már így átlátod. Gondolom nem kevés gyakorlás tapasztalat és évbe került...
Esetleg ha nem vagyok szemtelen, még a kapcsolásban szereplő kondikról mesélnél egy pár sort? C6,C27: Az számomra nyilvánvaló, hogy szűrőkondik, mert ez az adatlapjukról kiderült. De azt már kevésbé értem (lehet mert nem emlékszek a tanár magyarázatára), hogy miért vannak ezek párhuzamosan kötve? Az rémlik ugyan, hogy pl erősítőkapcsolásoknál, a bemenetre is tesznek szűrőkondit, egyenáramú leválasztás miatt. De a párhuzamos kapcsolásuk váltakozó áramú áramkörben nem rémlik. Váltakozó áramú és feszültségű áramkörökben a kondenzátorok vezetnek, illetve vezetőnek foghatóak fel. Eddig vagyok meg.
Udvozlet mindenkinek!
Minap vasaroltam egy ZD415-os forrasztopakat,ezt szeretnem beuzemelni,de dilemmaban vagyok mivel nemsok adatot talaltam rola.namarmost a kerdesem a kovetkezo:valaki tudja -e,hogy ennek a pakanak a homerseklet erzekeloje ptc vagy esetleg K-termopar mint a solomon pakae?segitsegeteket elore is megkoszonnem!
A műszered majd megmondja.
Hidegen mérd... -ha 0 Ohm akkor thermoelemes -ha 20-200 Ohm akkor termisztoros A fűtőszál általában 3-12 Ohm körül szokott lenni. |
Bejelentkezés
Hirdetés |














