Fórum témák

» Több friss téma
Fórum » Függvénygenerátor építése
Lapozás: OK   10 / 63
(#) Medve válasza balance hozzászólására (») Szept 28, 2010 /
 
Korrekt! Maradsz a 2 MHz-es határnál?
(#) balance válasza Medve hozzászólására (») Szept 29, 2010 /
 
Nem nagyon mélyedtem bele az XR2206 belvilágába, de eddig olyan kapcsolásokat láttam, amelyek néhány 100 kHz-ig mennek. Annyira nem vágom a témát, hogy bele merjek fogni módosítani a kapcsolást. Másik generátort pedig egyenlőre nem tervezek építeni. Viszont tud valaki abban segíteni, hogy a vobulátor résznek mi a méréstechnikája?
(#) balance válasza (Felhasználó 13571) hozzászólására (») Szept 29, 2010 /
 
Azért adtam közre, hogy segítségül legyen amennyire lehet, másoknak. Egyébként örülök, ha tetszik
(#) Medve válasza balance hozzászólására (») Szept 29, 2010 /
 
Természetesen tudunk, ám nem tudom, menyire illeszkedik ez a téma ebbe a topikba. Majd egy modi eldönti... Én pontosabban megfogalmazott kérdést várok tőled, egyelőre annyit mondhatok, hogy ehhez a berendezéshez kell egy detektor, ami a vizsgált berendezés kimenetén megjelenő váltakozóáram amplitúdójával arányos egyenáramot állít elő. Itt célszerűen ez egy dióda, és kell még egy megjelenítő, ami a fűrészfeszültség függvényében megjeleníti a detektált feszültség változását, Ez lehet egy oszcilloszkóp, de a mai világban már célszerűbb egy PC.
Ezt a berendezést milyen célra építetted?
(#) mex válasza Medve hozzászólására (») Szept 29, 2010 /
 
Sokszor elhagytam a diódát, főleg alacsonyabb frekvenciatartományban. A szóbanforgó készülék nem mérhető össze egy gyári vobblerrel, közel sem lineáris a frekvenciamenete, nekem ~4-500kHz fölött esik. Ha nagyon ritkán is de elő kell vennem, akkor is a kézi üzemmódot használom inkább.
(#) peterpan válasza balance hozzászólására (») Szept 29, 2010 /
 
Szia!
Egy kis olvasnivaló a méréstechnikáról. Nagyon tetszik a munkád!
Bővebben: Link
(#) balance válasza Medve hozzászólására (») Szept 30, 2010 /
 
A készüléket teljesen amatőr célra építettem. Volt egy generátorom korábban is, ami egy Urbán-féle kit volt. Ez a másik kidolgozottabbnak tűnt, ezért fogtam bele. Nem találtam a vobulátor használatához kapcsolódó leírást, csak annyit, hogy lehet vele rajzoltatni átviteli karakterisztikát. Ha már kész van szeretném megismerni. Kicsit furcsa lehet, hogy csináltam valamit, ami működik ugyan, de nem tudom kezelni, de így alakult. Oszcilloszkópom van.
(#) balance válasza peterpan hozzászólására (») Szept 30, 2010 /
 
Köszi!
(#) balance válasza Medve hozzászólására (») Szept 30, 2010 /
 
Peterpan küldött egy linket, kifejezetten erről a témáról szóló könyvet. Áttanulmányozom és utána kérdeznék ha valami nem világos, mert a könyv terjedelméből ítélve többet kell a témáról felszednem, mint ami néhány sorba belefér. Addig is köszönöm a segítő hozzáállásodat!
(#) melcher hozzászólása Okt 2, 2010 /
 
Üdv! Ebbe a függvénygenerátor építésébe kezdtem, és ezzel kapcsolatban lenne egy pár kérdésem, amiket összefoglaltam:
1. A kitöltési tényezőt állító pot, és az arra kötött ellenállás éréke ismeretlen (oszcillátor rész), Nem tudja valaki?
2. A hullámformát állító kapcsoló közelében lévő két ellenállás értékét sem tudom, arra is kíváncsi lennék. (oszcillátor rész)
3. Mire jó a " freq.fine " feliratú pot az oszcillátor részen (gondolom valamit a frekvenciával kavar, de az állítására már ott van a forgókapcsoló, meg a " freq. adjust " pot is. Hálás lennék ha segítenétek.
Előre is köszönöm!
(#) (Felhasználó 5823) válasza melcher hozzászólására (») Okt 2, 2010 /
 
Szia!
Deguss egy nagyon is valós felhasználó (és még több) nem lenne a legegyszerűbb töle PM-ben megkérdezni! Mivel hát ő írta a cikket!

Lhanzi

Ui: freq fine a frekvencia finom mivel a jaxley-el durván állítod a frekvenciát!Itt is van egy kapcsolás!

Én amikor építettem vagy őt kapcsolásból ollóztam össze, mert vagy hiányos vagy hibás vagy nem egyértelmű! Pl a bbs-es ic lábbekötés az egy talány, de a potik szerepét itt megtalálod!
(#) melcher válasza (Felhasználó 5823) hozzászólására (») Okt 2, 2010 /
 
Köszönöm a gyors választ!
(#) deguss válasza melcher hozzászólására (») Okt 6, 2010 /
 
Szia!

A rajzról valóban lemaradt, de mivel a kitöltési tényezőt állító bemenet ugyan olyan elektromos szempontból, mint a frekvencia finomhangoló, így a "duty cycle" feliratú poti szintén 22k értékű, és a soros R9 ellenállás szintén 1k2 értékű.

Az A0, A1 (hullámforma választó) bementek TTL karakterisztikájúak, 10k - 47kohm ellenállás jó.
(#) melcher válasza deguss hozzászólására (») Okt 6, 2010 /
 
Köszönöm szépen a segítséget, a gyors választ!
(#) BarnaPili válasza melcher hozzászólására (») Okt 6, 2010 /
 
Szia!
Hol vettél MAX038-at?És mennyiért?
István
(#) deguss válasza melcher hozzászólására (») Okt 6, 2010 /
 
Gyors nem voltam, de nagyon szívesen. Ha jutsz valamire, bárminemű visszajelzésnek helye van a cikkben! Sok sikert!
(#) melcher válasza BarnaPili hozzászólására (») Okt 7, 2010 /
 
Üdv!
Sajnos ebben nem nagyon tudok segíteni, mert nekem itthon voltak ilyen IC-im, azokból építkezem. Ha jól tudom, a Conrad még ma is árul ilyeneket, de elég húzós áron. Ha az új fém 200-ast nem költöd el, hanem perselybe dobálod, akkor hidd el hamar megvan. Én az így gyűjtött pénzemből megyek síelni. Ha építessz, és bármi van szívesen segítek.
István
(#) melcher válasza deguss hozzászólására (») Okt 7, 2010 /
 
Köszönöm mégegyszer a segítséget, nemsokára készen van az enyém, ha megvan, feltétlen szólok.
(#) melcher hozzászólása Okt 15, 2010 /
 
Üdv mindenkinek!
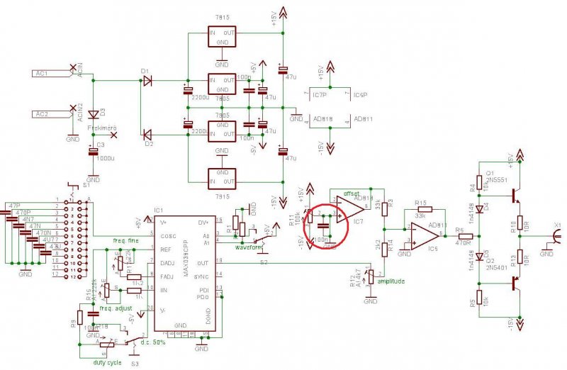
A függvénygenerátoromhoz már a panelt tervezen, de van egy része a kapcsolásnak amit nem értek. A képen piros karika jelzi! Mit keres a 3-as lábon a föld, vagy lehet, hogy a kondi van véletlenül rövidre zárva, és a föld stimmel? Szóval nem értem mi lehet, mert elég furán néz ki!
Előre is köszi a segítséget!

krajz.jpg
    
(#) kadarist válasza melcher hozzászólására (») Okt 15, 2010 /
 
Az offszetbeállító trimmerpoti csúszkáját (neminvertáló bemenet) hidegíti ez a 100nF-os kondi. Ezzel a potival állítod be az X1 kimeneten a 0V feszültséget, bemenőjel nélküli állapoban. A rajz persze hibás. A földet nem kell a + -ra kötni.
(#) melcher válasza kadarist hozzászólására (») Okt 15, 2010 /
 
OK, ezt értem, de akkor úgy építsem meg ahogy a kapcsolásban szerepel? 3-as láb a földre, és egy összekötött lábú kondit pedig valahova kössek be a földre?
(#) kadarist válasza melcher hozzászólására (») Okt 15, 2010 /
 
A rajz rossz, a földet nem kell az IC-re kötni.
(#) zolee1209 válasza kadarist hozzászólására (») Okt 15, 2010 /
 
De valami soros ellenállás a poti köré nem kellett volna, hogy ne lehessen a pozitív, vagy negatív tápágat rövidrezárni?!

szerk.: Ja, ha rossz a rajz, akkor oké...
(#) kadarist válasza zolee1209 hozzászólására (») Okt 15, 2010 /
 
Egyébként is, jobban ki lehetett volna dolgozni ezt az offszet-részt. Egy-egy soros ellenállás nem ártana a trimmer két végére.
(#) melcher hozzászólása Okt 15, 2010 /
 
Köszönöm a gyors válaszokat mindenkinek! Örök hála!
(#) blackdog hozzászólása Okt 28, 2010 /
 
CMOS IC-k segítségével lehet építeni függvénygenerátort?
Az eddig tárgyalt IC-k drágák és nehezen beszerezhetők.
Nekem elég lenne 2-300 kHz-ig.
555-el valahol már láttam megoldást.
Van valakinek kapcsolása CMOS IC-vel?
(#) Frankye válasza blackdog hozzászólására (») Okt 28, 2010 /
 
Olvass vissza kicsit, azt hiszem volt itt egy kapcsolás ilyen is. Ha nem itt, akkor a Frekvenciamérős topicban.
(#) blackdog válasza Frankye hozzászólására (») Okt 29, 2010 /
 
Megtörtént, de nem találom. Eddig 555-el próbálkoztam, de nem tudok szép jelet összehozni.
(#) blackdog válasza Frankye hozzászólására (») Okt 29, 2010 /
 
Megvan.
Bővebben: Link
(#) blackdog válasza blackdog hozzászólására (») Okt 31, 2010 /
 
Megépítettem, de én 4069 IC-vel mert csak ez volt kéznél.
Végül is jön a 3 jelalak, de nem mindig a legszebbek és nem tudom mérni, hogy mekkora frekvenciánál járok.
A multiméterem csak 200 kHz-ig mér és érdekes módon sokszor kiakad ott ahol elvileg csak 12Hz - 1kHz kellene mérnem.

Az igazsághoz hozzá tartozik, hogy 1-2 kondinál csaltam mert nincs olyanom mint ami a rajzon szerepel.
33 nF , 390 pF , 2,7 pF , 4,7 pF. Ja meg a 2,2M LOG poti helyett 2,5M LIN poti van benne. Ezt sem tudtam beszerezni.

Ezek az eltérések mennyire tehetik tönkre a végeredményt?
Következő: »»   10 / 63
Bejelentkezés

Belépés

Hirdetés
XDT.hu
Az oldalon sütiket használunk a helyes működéshez. Bővebb információt az adatvédelmi szabályzatban olvashatsz. Megértettem