Fórum témák
» Több friss téma |
Fórum » Füstgép építése házilag
Találtam egy képet róla az ausztrál ebay-en.
Jem Universal Fogger Mk3 a hivatalos neve. De sajnos nem találtam kapcsolást a remote-jához. És bonyolultabbnak is tűnik, mint a fentebb írtak ![]() kép
Products: Fogger III.
Category: ALL. Date: Latest. és SEARCH!
>>> ITT <<< "franklin" elvileg megkapta a kért infót! " SERVICE doc jem fogger mkIII "
Sziasztok, érdeklődnék, hogy mekkora a nyomása az ablakmosó szivattyúnak. Permetezni szeretnék vele, egy permetezővég segítségével. Ha gyenge lenne akkor javasoljatok valami jobbat.
Köszi!
szerintem eléggé erős. nekem le kellett folytani hogy a füstgépbe jó legyen
Sziasztok,
végigolvastam az egész topicot. Én már vagy 6-7 db-ot készítettem, vagy 15 éve csináltam az utolsót. Sokan hasonló elvet írtak le, szerintem is ez a legkönnyebben kivitelezhető és leghatékonyabb. Szóval: szereztem cekászt (mivel több gépem volt, volt több fajta, teljesítményű, 600-1500W, igazából a felfűtés idejét határozza meg, no meg a dobozod és villanyórád tűrőképessége) szendvicssütőből, hőtárolós kályhából. Bojler, vízmelegítő nem vált be, mert szárazon nem bírják sokáig. Igazából mindegy volt az alakja, volt U, és tök szabálytalan formájú is. Én nem spirálba tekertem a rézcsövet, hanem szépen a fűtőszál vonalán, kb. 5-6-szor. Akkoriban nem tudtam vékony rézcsövet szerezni, így Trabant vagy Lada jobb hátsó fékcsövet használtam (ez a leghosszabb, kb 2m). Hőtárolós kályha (Elekthermax) szabályzója marha jó, 3x2 érintkezős, és ha jól megnézitek, az a kivezetés, amelyik nem tűzősarus, hanem "le van vágva", azaz nincs teljesen kivezetve, az az alter kapcsoló másik kivezetése (akkor kapcsol, ha a hőmérséklet magasabb a beállítottnál, azaz fel van fűtve). Ez amúgy jól forrasztható, és ezzel oldottam meg a "hidegen nem fújunk" elméletet. Szóval a fékcsövet, a cekászt, és a kapcsoló hőszondáját (asszem éteres, mert büdi, ha kilyukad) jól összedrótoztam, és üveggyapotba bele. Volt, amelyik így került a dobozba, volt, hogy vas csőbe húztam és azt rögzítettem a dobozba. Ez így alapban nagyon nagyot tol a nagy csőkeresztmetszet miatt, de hamar le is hül. Ezért volt, hogy szűkítettem a kivezetését (3-as csavar beteker, hosszában 1-es fúróval megfúrva). A szivattyúról: anno álom volt csak a membrános, én mindig ablakmosó motort használtam. A Skodáé tök ász volt, az gumilapátos volt, kellően erős, és mindig jól felszívta/felkapta az anyagot. A Lada fogaskerekes, igazából nálam nem vált be, mert nem tudott elég nyomást. Ami még fontos volt, BMW ablakmosó rendszerében (biztos máshol is) voltak kis membrános és golyós szelepek, azt mindig tettem bele, mert így nem dolgozott vissza a tartályba. Tapasztalatok: A réz csőből a tartály felöli oldalon a kazántól kb. 20 cm-et mindig rá kellett hagynom (hülés céljából), különben a hőtől mindenféle, általam kipróbált hőálló cső/slag a bilincsnél megtágult/kiolvadt. A hőtárolós kályha kapcsoló 260-320C fokig szabályozhato, pont ideális. Boltban drága (akkoriban 1500), bontva ok. Ha a gyapotba kerül a folyadék és úgy ég, az genny büdös tud lenni. Ha túl meleg a kazán, a füst sárgás színű, és szemcsípően büdi, ha túl alacsony, akkor köp a gép. Ha magasban van, akkor nyakon, ha a földön van, akkor iszonyat jégpályát csinál, a lecsapódó trutyi marhára csúszik, sokan dobtak hátast rajta. Én anno glicerin-desztvíz keveréket használtam, kb. 1:3 arányban. Minél több a glicerin, annál sűrűbb a füst, de nem lehet a végletekig fokozni. Szerintem is vegyétek meg a gyári löttyöt, 10 éve is ennyibe került (csak én keresetem kevesebbet Mellékeltem egy gyors gagyi rajzot is a villanykályha kapcsoló bekötésével. A vastag hurka a cekász. Míg fűt, a trafó nem kap tápot. Amint felfűtött, átkapcsolja a 230-at a trafóra, így már lehetséges a szivattyú (12V) indítása, amit abból lehet látni, hogy a nyomógombbal párhuzamosan kötött led világít. (R=1K kb). Ez a "távirányító" Ha tapasztalatra van szükség, nyugodtan kérdezzektek, szívesen segítek, ha tudok. Sok sikert, és ne adjátok fel Üdv, dk
Heló
Tegnap vettem füstfolyadékot, és a boltban megkérdeztem az eladótol, hogy ennek a löttynek is kb 300 fok kell-e. Ekkor majdnem lehülyézett, hogy ez víz bázisú, és ennek csak 100 fok kell. Hagytam is a francba, elhoztam haza 1,5l-t. Ma rezsón kipróbáltam, 100 fokon elpárolog, és füstöl. (bár én azt hittem jobban fog) Ha hagyom jobban felmelegedni a rezsót, akkor szétfröcsög a folyadék. Ez tök normális dolog, vagy ennek tényleg csak 100 fok kell? Előttem bontotta a kannát, az oldalán nem olvastam el a feliratot, annyira emlékszem, hogy 5l-es volt, piros kupakkal, fehér kanna, és teljesen átlátszó a folyadék, valaki nem tudja, hogy mi lehet a márkája? Jövőhéten rakok össze hozzá gépet, csak kipróbáltam, de most nem tudom, hogy akkor ennek hány fok kell...
Hello Tomi!
Szerintem te erre gondolsz. Én ilyet vettem. Ez natur illatú. Te milyet vettél?
Köszi, ilyen kanna volt, az enyém is natúr. A te géped 300 fokon üzemel? Egy bulin kb mennyi folyadék fogy el?
éna multkor voltam egy nagyobb buliban 200 fő kb-ra ottmentel maximum 2.5 deci.... félig töltöttem a tankot és még maradt is benne
szaisztok
az lenne a kérdésem hogy lehetséges e ez???? mert én meg a haverom nézegetük itt a leirásokat de nem találtunk komplett leirást ,akatrész listável, ha tudtok segitsetek.köszi
Most nyitottal egy ledes villogo topicot, ne nyitogass fel percenkent temat mert warnt kapsz, es meg a keresot sem hasznalod, ott van a FELSO JOBB sarokban! Mar van ilyen tema!!!
Bővebben: Link a Fustgep keszitteserol,.. Itt olvasgathatsz,..
Sziasztok! Sajnos a minap elromlott a füstgépem (nem házilag készített), ezzel kapcsolatban kérném a segítségeteket. Képet most sajnos nem tudok linkelni, de a típusa: Involight FM-900. A lényeg, hogy az buli menet, kb egy-két órát töltött az autó csomagtartójában. Hétvégén elég hideg volt, nem tudom hogy esetleg ennek volt-e szerepe. Természetesen kocsiból mikor bevittem, egy-két órát vártam. utána be is kapcsol, melegít, de mikor nyomnám neki a füstöt valami búg, viszont füst egy deka nem jön ki belőle...Nincs valami tippetek, hogy mi lehet a baja? Nem értek sajnos hozzá...
köszönöm előre is
Szevasztok!!!!
Nem tudja valaki h gyári füstgépbe hol lehet szivatyut kapni??????? Előre is kösz!!!
próbáld meg vmelyik disco-s boltba hátha de én se kaptam az enyémbe
Sziasztok! Van egy füstgépem ami elkezdett nem fűteni! Van benne az egyik fűtőszálra menő vezetéknél egy szakasz ami hosszan le van zsugorcsövezve! itt nem tdom hogy milyen alkatrész található, viszont láttam hogy meg van égve, ezért kivágam és áthidaltam! Így má fűtött a füstgép, de miután a nyomógombot megnyomtam, a visszjelző lámpa kialudt és nem történt semmi! A szivattyúnál is van az egyik veetéken egy ilyen zsugorcsöves rész, ami szintén égett volt, és így ezt is áthidatam de ez sem segített a problémán! Légyszi segítsetek hogy ezek alatt a zsugorcsövek alatt mik vannak és mi a szerepük! Előre is köszi mindenkinek!
Ja és még annyi hogy miután a nyomógombot felengedem, a lámpa újra világít!
A címet javítottam--vicsys
Ha jól értem a problémát a kazán fűt de nem indul a szivattyú?
Szia!
Miert hidaltad at az alkatreszeket? Fogj egy sziket es vagd hosszaba a zsugorcsovet meglatod hogy mien alkatresz vanbene!Sacc/kb ellenalas,szerepe meg vedelem is lehet....
Amit a zsugorcsó rejt alkatrész az 1 hőbiztosíték.Nem igazán ajánlott áthidalással helyettesíteni.Viszont ha az "kiégett" akkor annak oka volt.Kell benne lenni 1 bimetálnak is,ami a tulajdonképpeni "hőfokszabályozást" végzi.Lehet az is tönkrement, nem kapcsol ki, és ezért mentek tönkre a hőbiztik.Az hogy a lámpa kialszik,mikor a gombot nyomod,teljesen hibátlan üzemmód.Ezeknél így vannak bekötve.A szivattyúval kapcsolatban esetleg 1 képet felrakhatnál,hátha okosabbak leszünk,de 1 műszerrel mérhetnél rajta feszültséget.Ha van rajta és nem m1,akkor rossz a szivattyú.Arra figyelj, hogy fűtés üzemmódban nem m1 a szivattyú.
Hi!
Ami a szivattyúnál van az egy 1N4007 dióda.
Az a baj hogy ezeknél az alkatrészeknél meg volt égve a cső és így már nem volt egyszerű leszedni róla! A szivattyúnál valóban egy dióda van! Viszont a lámpa régen amikor még jó volt akkor világíott egészen addig ameddig nem kezdett el egy újabb adagot felfűteni! Ami a fűtőszál előtt vot cuccos arról annyit tudtam leolvasni hogy 0625! Sajna képet nem tok felrakni!
Szerencséd van
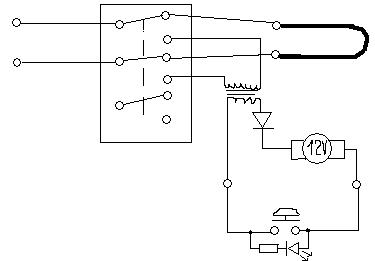
nekem ugyan ez a széria van én kidobtam belőle az 1n4007et az annyira jó h készenléti állapotban halványan világít a távirányító, ha kiszeded nincs "helyzetjelző" fényed. Jah vki irt vmit a hőbiztosítékról.... Ha azt áthidalod addig fűt amíg el nem ég a kazán.... füstgép kapcsrajza.... ha esetleg ez segít vmit
Énis szeretnék építeni egy füstgépet. Naggyából annyi elméletem van eddig mint amit a rajzomon láttok.
Ez a felépítés megfelene? Mármint alkatrészileg, mivel meg kéne tudni mit kellene beszerezni
nem árt lefolytani a kimenetet mert az ablamosó veszettül sokat szállít....
Vagyis a szivattyú után vékony csövet tenni?
ojan vastagságú elég lenne mint a benzincső? Persze rézből. |
Bejelentkezés
Hirdetés |









