Fórum témák

» Több friss téma
Fórum » Galvanikus leválasztás (motor, relé)
Lapozás: OK   1 / 1
(#) sirály12 hozzászólása Máj 26, 2006 /
 
Egy kis segítséget szeretnék kérni.

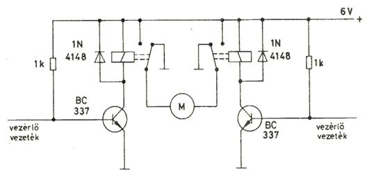
Egy olyan kapcsolást építek, ahol motort és reléket kell vezérelgetnem, de ezek tépfeszei 12 és 24 volt. galvanikusan szertném leválasztani őket a vezérlőről. Optós leválasztásra gondoltam. Van is ittthol tcet1108g optokapu. Ehhez szeretnék kérni kapcsolási rajzot.
Van egy rajzom relékkel ezt is ezzel szeretném leválasztani, csak azt nem tudom hogy kössem be az optokapukat.

a tcet1108g nél nem értek valamit.
Azt írja, hogy:
c-e voltage 70V
e-c voltage 7 V
Ez mit jelent?

Hog kössem ezt a relés kapcsolásra?

Előre is kösz a választ.

relek.jpg
    
(#) Sebi válasza sirály12 hozzászólására (») Máj 26, 2006 / 4
 
Optokaput emlegetsz: akkor ez egy nyitott résű optó? Mert akkor be kell fedni valahogy a külső fény ellen.
(#) sirály12 válasza Sebi hozzászólására (») Máj 26, 2006 /
 
Nem nyitott, csak félrebeszélek.

De közben már megoldottam a problémát, kikisérleteztem.
(#) Darazsx válasza sirály12 hozzászólására (») Aug 14, 2006 /
 
Sziasztok!
Nem akartam új topicot nyitni.
Egy galvanikus leválasztást kellene építenem DC12V ról DC12-re. Egy discmanhoz kellene mert csak úgy működik az autóban(magnó bemenetén.) Az autó aksijáról akarom hajtani, de egy sima feszab ic után nem működik a rádióval, elemről pedig működik.
Tudtok segíteni?
(#) sirály12 válasza Darazsx hozzászólására (») Aug 14, 2006 /
 
Szerintem valami tekercsel kellene szürni az a tápot. A sima 12V-os feszstab nem működik 12Vról, 15V kell minimum neki. (legalábbis én így tudom)
(#) Darazsx válasza sirály12 hozzászólására (») Aug 14, 2006 /
 
Bocs elírtam, a feszstab 5V-os, a tekercs sztem nem jó mert galvanikusan kell leválasztani. Tarfóval kellene vhogy megoldani, az lenne a legjobb ha nem kellene trafó bele. Nincs ilyen célra vmi spéci IC?
(#) _JANI_ válasza Darazsx hozzászólására (») Aug 14, 2006 /
 
Szerintem ezzel az "alkatrész"-szel / NMA1205 S vagy D / a leg egyszerűdd!!! De lehet, hogy nem a leg olcsóbb... és nemtudom, hogy elég-e a teljesítménye.
(#) Darazsx válasza _JANI_ hozzászólására (») Aug 15, 2006 /
 
sajna nem tudom megnézni a címen található dolokat
Nincs vmi konkrét kapcsolás ilyen leválasztásra? Legalább annyira, hogy meglássam, hogy haogy néz ki egy ilyen cucc
(#) Darazsx válasza Darazsx hozzászólására (») Aug 16, 2006 /
 
Hogyan lehet megszaggatni az egyenáramot, hogy a trafónak jó legyen?
(#) Darazsx válasza Darazsx hozzászólására (») Aug 18, 2006 /
 
Semmi ötlet?
(#) Lucifer válasza Darazsx hozzászólására (») Aug 18, 2006 /
 
Miért akarod megszaggatni?
Nézd meg Topi mester inverteres cikkét. Ott egy 4047 csinálja ezt a feladatot. Igaz nem szinusz hullámot generál, dehát ez van.

De nem igazán értem a problémádat. Az a gond, hogy a discman nem megy az autóból mert zajos neki a táp??
A DC-DC konverterekhez nemigazán értek, de ha jól sejtem azok is galvanikusan le vannak választva. Jó valszeg a GND nem.
(#) Darazsx válasza Lucifer hozzászólására (») Aug 18, 2006 /
 
Nem a táp zajos hanem egyszerűen nem működik csak külső áramforrásról
(#) Darazsx válasza Darazsx hozzászólására (») Aug 22, 2006 /
 
gondolkodtam kicsit és kitaláltam, hogy nem is kellene a galvanikus leválasztás hanem az audio benetnél egy optocsatolóval lehetne leválasztani. Ilyen kapcsolást sehol nem találtam. Ha véletlen van valakinek használható kapcsolása annak nagyon örülnék.
Azt még nem tudom, hogy a gnd-t hogy oldjam meg
(#) Inhouse válasza Darazsx hozzászólására (») Szept 23, 2010 /
 
Na, akkor most mi is kell? Eddig nem ment 12V-ról stabic-vel, de már nem ez kell, hanem galvanikus leválasztás optokapuval? Egyébként létezik ilyen, de nem igazán alkalmazzák, mert zajos...
Vegyél a legközelebbi autóhifis boltban kis földhurokleválasztó trafót RCA csatlakozókkal a végén!

Üdv
Inhouse
(#) tamkov hozzászólása Júl 9, 2016 /
 
Sziasztok!
Lett a problémára megoldás? Én is belefutottam hasonlóba, 2 eszközt ugyanarról a 12VDC tápról kell üzemeltetnem de a tápjukat egymástól galvanikusan elválasztani.
Külön tápról jól működnek, közös tápról zajos a hang.
(Sajnos a GND-t nem csak a táp felől kapja meg, hanem a két eszközt összekötő kábelen is (audio+vezérlés)).
B1212S-2W valahogy nem akar működni
Kapható olyan dc-dc konverter ahol a két oldal elválasztott?
(#) Bakman válasza tamkov hozzászólására (») Júl 9, 2016 /
 
Nem oldható meg két 12 V-os tápegység? Kb. ez a legegyszerűbb megoldás. A DC-DC konverterek magába a tápfeszültségbe sok zajt vihetnek, ezt oszcilloszkóppal ellenőrizni lehet.
(#) tamkov válasza Bakman hozzászólására (») Júl 9, 2016 /
 
Bocs, nem írtam egy fontos részletet: a használat helyén az alaphálózat 12V.
230-as inverter járatása egy 12v-os tápnak megoldaná a problémát, de üresjáratban több fogyasztása lenne mint az eszköznek (átjátszó vezérlőpanel, a benne lévő 14500-ról 1 hétig elmegy)
A zajjal talán könnyebben el lehet bánni mint a földhurokkal.
(#) Inhouse válasza tamkov hozzászólására (») Júl 10, 2016 /
 
Nem írtad mekkora a fogyasztás, de pl. régi lan kártyákon volt 9->12 DC-DC konverter, galvanikusan leválasztott, igaz csak kis terhelhetőséggel. 9V-ot pedig tudsz csinálni viszonylag könnyen.
(#) tamkov válasza Inhouse hozzászólására (») Júl 10, 2016 /
 
Köszönöm az ötletet, akár jó is lehet. Találok róla bővebb leírást valahol?
Az eszköz fogyasztása: "Standby Current: 4mA / Work Current: 20-30mA" A bemeneti feszültség elég széles: 5-24VDC
(#) Bakman válasza tamkov hozzászólására (») Júl 10, 2016 /
 
A TracoPower is gyárt ilyeneket. A választék elég széles, szerintem ott találsz megfelelőt. Pár típussal dolgoztam, azt mondanám, minőségi cuccok (árban is). Egy-két modul ára még nem vészes, több esetén húzós a dolog.
(#) Inhouse válasza tamkov hozzászólására (») Júl 10, 2016 /
 
Nézz szét a padláson, vagy PC bontóban és régi 10Mbit-es (inkább ISA) foglalatos hálókártyát kérj. Azon lesz egy 2 kockacukor méretű DC-DC konverter, a felirata alapján majd látod, hogy mit tud, jó lesz neked.
(#) erbe válasza Inhouse hozzászólására (») Júl 11, 2016 /
 
Idézet:
„9->12 DC-DC konverter,”

Éppen fordítva. Minden PC táp ad 12 vagy 5 V-ot, ebből készített az átalakító 9 V-ot. Ugyanis olyan is van, ami 5/9-es. A nagyobbak 9 V 200 mA-t adnak. Láttam néhány kisebbet is, de annak nem találtam adatlapját.
(#) Inhouse válasza erbe hozzászólására (») Júl 11, 2016 /
 
Igazad lehet, kopik az emlékezet (valamint lassan semmit nem sikerül már megtalálni itt a HE-n a keresővel), de hátha még így is jó neki. Valamint az is beugrott, hogy 2 független kimenetük volt, így akár lehetett szimmetrikus tápot, vagy akár sorba kötve 18V-os is csinálni.
A hozzászólás módosítva: Júl 11, 2016
(#) erbe válasza Inhouse hozzászólására (») Júl 11, 2016 /
 
YCL DC-10X adatlap
Idézet:
„Egy rózsaszál (kép) szebben beszél. (János vitéz)”

12V-5V-9V.png
    
(#) Inhouse válasza erbe hozzászólására (») Júl 12, 2016 /
 
Volt egy másik széria is, lehet, hogy ott volt a 2 független kimenet. Ebben a sorozatban is elég sokféle van, többek között 12->12V DC-110R.
(#) erbe válasza Inhouse hozzászólására (») Júl 12, 2016 /
 
Ebben a listában is ott vannak a kettős kimenetűek 2xx számozással. A BNC csatlakozós hálókártyák miatt ezek a 9 voltosak "még" elérhetőek.
Valóban sokféle volt, hiszen itt is 3 gyártó szerepel, meg említettem, hogy volt felénél kisebb méretű is (DIP 16 ?). Ez az YCL volt a leggyakoribb.
A hozzászólás módosítva: Júl 12, 2016
(#) Inhouse válasza erbe hozzászólására (») Júl 12, 2016 /
 
Jó kis cuccok, betáraztam belőlük párat. Eddig 1-2 helyre kellett csak, az egyik egy terhelővilla megölt analóg műszerének helyére került digitális voltmérő táplálására.
(#) erbe válasza Inhouse hozzászólására (») Júl 12, 2016 /
 
Idézet:
„...digitális voltmérő táplálására.”

Ilyen célokra mentettem én is.
(#) tamkov hozzászólása Júl 13, 2016 /
 
Köszönöm. Sajnos a padláson talált hálókártyán csak valami leválasztó trafó félét látok. Volt valahol egy nagyobb kártya amin BNC is volt, de nem találom .
Valamit majd csak találok, bár azt hittem egyszerűbb lesz...
(#) Inhouse válasza tamkov hozzászólására (») Júl 14, 2016 /
 
A BNC-seken biztosan van, de a többi 10-esen is, csak sajnos ezek már őskövületek. Ha van PC bontó a környéken, őket kérdezd meg, szerintem utánad vágják, csak vigyed.
Következő: »»   1 / 1
Bejelentkezés

Belépés

Hirdetés
XDT.hu
Az oldalon sütiket használunk a helyes működéshez. Bővebb információt az adatvédelmi szabályzatban olvashatsz. Megértettem