Fórum témák
» Több friss téma |
Mesterem új cucca, hihetetlen nagy hangja van..
Bővebben: Link Bővebben: Link 4XEL84 kegyetlen hangerők..igaz a véglegesben ennek orosz katonai megfelelője lesz, hogy reprodukálni lehessen a hangzást, de nagyon komoly. Hangolgattuk, a hab a tortán a csőcsere volt, a végén már háttal ültem, mert kicsit "összeszólalkoztunk", hogy egy pozícióba Tung-Sol vagy sovtek 12ax7wb kell-e Kis vakteszttel eldöntöttük a kérdést ![]() Ezen csináltuk, hogy prezencet felgórtuk maxra, mély+magas maxon, közép le és gain fel a csillagos egekig és olyan Iron Man hang jött ki, hogy az arcom majd levitte..Ahhoz az mxr torzítóhoz hasolatos, nagyon durván szabályoz a presence, de az a jó benne, hogy szélsőségtől a nagyon finom állításig minden benne van. Hihetetlen hangja van, a gain poti köre olyan, hogy nagyon- nagyon tisztától az iszonyat gainig felmegy, elég nagy az átfogása. Előlap alu, cnc-zve aztán lefújva, majd felcsiszolva, nagyon profi, csak gépi munkában 4-5 óra a marása..A mini felirat az meg gravírozott fekete lapon van, és be van ütve/ragasztva a helyére. Már készül a maxi testvér.... Mikor jutok oda, hogy ilyeneket csináljak, te jó Isten... Zsolti
Hali!
Ez gyönyörű! (bárcsak lenne ilyen CNC-hogyhivjákom) Valami ilyesmit akarok majd egyszer én is, a ruszki 6p3sz-e csőimből. Annak majd kapcsolótápja és toroid kimenője lesz. Tetszik a bőre. Ez milyen fajta? Ragasztós vagy zsugor technológiás?
Hát a bőrre vonatkozó kérdést passzolnom kell, nem tudom sajnos.
Ha kell gravírozott előlap, cnc-zett sasszi vagy akármi, szerintem nyitott az "öreg" rá, csak meg kell neki tervezni. Igaz jobban szeret komplett dolgokat készíteni, de szeret segíteni a hobbistáknak is, meg nem dolgozik relatíve horror áron. Most így látatlanban mondom, de ahogy ismerem, simán megcsinálja, ha valamire szükség van. A végleges verzióban 6P3Sz van és nagyon disznóul szól. A próbaüzemben tungsramok voltak, nagyn nagyon jó a hangjuk ,csak nem érdemes azzal hangolgatni, mert nem tudjuk reprodukálni a hangzást, mert úgy kell vadászni tungsram csöveket.. Zsolti
Nekem vannak EL 84 csöveim, kb 5-6 db. Szerinted melyikből érdemesebb fejet csinálni? Azokból, vagy a 6P3sz-e (6L6) ból? De még 807-em is van. Te melyikből építenél? Ez a Mini 30 Protone saját tervezésű kapcsolás, vagy van benne némi copy is? Milyen , illetve mire hasonlító előfokja van? A Splawn nitro cucchoz mit szólsz? Egy próbát megérhet szerinted? Ez volna az.
Hello!
A 6p3sz az azért nem 6l6, ezt már beszéltük, kicsit óvatosabb feszültséget kér az anódja. jó az, mi egyszerűen betettük az el84 ek helyett és szólt kiválóan. 807 is jó cső, tulajdonképpen bármelyik jó én abból építenék, amelyikből valamilyen szinten van utánpótlás, persze érdekességnek meg lehet nézni a többit is. A fej kapcsolása saját, igazából nem hasonlít semmire (ha lehet ilyet mondani, erősítő fokozatok egymás után, tehát minden erősítőre hasonlít ) ,de a hangja alul fenderes, negyedtől középig vintage kihajtott marshallos, felette van halen brown soundos, 3/4 től meg atom szőrös vastag metál.A nitro tetszik, de ez nagyon metál kapcsolás lesz. Igazából ennek az előnye a nagy torzításnál, meg hard rocknál jön ki szerintem, de az a jó benne, hogy könnyen módosítható, katód ellenállás értékekkel, bypass kondikkal, a csatolókkal, osztókkal, könnyen saját ízléshez lehet hangolni. Igazából a tone stackban a mély potira menő 220nf et már sokallom is, csak a testből jövő zajokat, huppogásokat erősíti szerintem, a 22nF is bőven elég oda, vagy 47nF..de ez már privát vélemény.Meg ennek illik szerintem jó nagy tápfeszt adni, bőven 300V felett. Egyébként szimpatikus kapcsolás, biztos jól szólhat.Szerintem érdemes kipróbálni. Zsolti
Sziasztok!
Szintén hallgattam mintákat. Lehet neked beválik ez a cucc. Engem (Digitech) Whammy kapcsolás érdekel, persze csak ez a kimondott "oktáv ugrás"-os effekt kellene belőle! Illetve valamilyen egyszerűbb Pitch Shifter rajz ami a hangmagasságot állítja! Neked is ilyesmi kellene Teddysnow? Különben találtál jó már torzítót? Kicsit szétnéztem és pár érdekes pedált szívesen megépítenék. A CopilotFX Antenna és a The Android elég kemények. Sajnos kapcsolási rajzuk nincsen! (130-170 dolcsi) Az utóbbi kettőre tudnátok mondani valami alternatívát? Szerintem annyira nem lehetnek bonyolult cuccosok! Csak azt tudnám, hogy egyáltalán milyen jellegű kapcsolásokat keressek?!
Itt egy komolyabb Phaser aminek van teljes dokumentációja, elérhető alkatrészekből.
Ezt lehet meg is építem.
Hohohóóóó! a Copilot FX Antennát le tudom utánozni, van erre speckó icém ráadásul készlet ami "robot" hangot tud csinálni, gyakorlatilag egy phase shifter céláramkör. holnap este teeszek fel róla kapcsit!
Szia!
Úgy kell keresned, hogy "Audio mixer", illetve Power mixer (ez a beépített végerősítős keverő). Találtam egy nagyon egyszerűt, 4 csatornás. Általában a rajzokról hiányzik a hangszín rész, csupán a csatornák hangerői meg a master poti szerepel. Régebben akartam készíteni, de végülis nem volt fontos, ezért elég könnyen le is beszéltek róla. Ha egy ilyen "bonyolultabbat" készítenél amiről beszéltél, nem lenne a legjobb minőségű a hang, előjöhet nem kívánt zaj. És ha csak azt vesszük, hogy 8 csatorna x 4 poti (250.-) baráti áron is = minimum 10.000.- lenne a teljes cucc. Használtan meg már lehet venni kb.: 15.000.- ért pl.: Behringer keverőket amik nem is rosszak. (Ahhoz már csak egy végerősítő kell.) Így nem igazán érdemes kínlódni vele! Ha pedig nem kell semmi extra, de mégis összekötnétek a cuccokat, akkor a belinkelt kapcsolás tökéletesen megteszi (átmenetileg).
Nagyon várom! Remélem azért hozzá lehet jutni ilyen IC-hez!
Ha kell CNC cucc, nálunk van a cégben egy elfekvő Aristomat 104 kivágó készülék, darabokban (csak a tárolásmiatt van szétszedve). Ez egy komoly, ipari fólia kivágó, reklámgyártáshoz,rajzoláshoz. A mozgatását két léptetőmotor végzi, a munkaasztal egy kb 140*140-es sík, profi módon síkba állítható üveglap alsó megvilágítással. A vezérlője a késői 80-as éveket idézi, tehát egy nagy konténer tele 74XX IC-vel, meg egy 286-osgéppel, tehát ez a része kuka. Ha valaki ért a sztepper vezérléshez, ebből akármit meg tud építeni. Ha van komoly érdeklődő, meg tudom mutatni Újpesten, számlát tudunk adni róla. Árat nem tudok, de sztem nem 5000 forintos kategória. Bár hobbi célra kicsit túlzás lenne az elérhező pic-es házi NC-hez képest. Hirdetést nem adok fel, mert ötletem sincs, kinek kellene ilyen átépítésre szoruló gép.
Bocs az offért.
Szia
Az egyszerű "pitch shifter" rajzok torzítják (négyszögesítik) a hangot, számomra ezzel nincs is gond. Bonyolultat nem akarok építeni. Torzítónak nekem a következő vált be: műverősítő kb. 50 szeres erősítés, a végén meg két led egymással szemben le a földre. Klasszikus hard clip, leddel vágva, vonal szintű bemeneti jellel hajtva.
Köszi! Ha iparszerűen csinálnám azt amit hobbiból csinálok, akkor biztosan lenne értelme egy ilyennek, de ahogy Te is írtad, nekem ez túlzás lenne
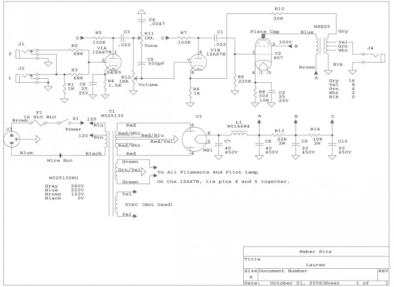
Egy 807-es és egy ECC83 csővel komoly 20wattos erősitöt lehet osszehozni!
Hali!
Ez egy együtemű erősítő. Szerintem a 10W-ot sem nagyon érné el. Mindenképpen PP-t szeretnék, csak ezt még nem írtam korábban. 30-40W közötti teljesítményre lenne szükségem. A legvalószínűbb, hogy a ruszki 6P3SZ-E csövekből csinálok valamit, esetleg EL-84 -ekből. A kimenőtrafót toroidból fogom megcsináltatni, ha majd sikerül végleges döntést hoznom a kapcsolást illetően.
Hát márpedig 25 wattosra mondjaezt az erösitőt az amcsi. Két csöből a 100 wattot simán kihozták.
Big pover from a small box. Single ended 807 output tube with a 25 watt OT and big choke. Puch dinamix and sustain for days.
Aha... nem lehet hogy a kimenőtrafóval (OT) és a "nagy folytással" kapcsolatban emlegeti a 25W-ot? Légyszi linkeld be az egészet, szeretném átolvasni. Köszi
Hali!
Ennek a csőnek a maximum anód disszipációja 25W. Ha ebből a kapcsolásból értelmes hangot akarunk kihozni, akkor A osztályba állítjuk, akkor a hatásfokod már csak 50%. Ott a kimenőtrafó hatásfoka és már ott is vagy 10W nál. De már kicsit nagy végfok torzítással, a 25W nagyon erős túlzás itt. Még 2 darab KT88 ból is túlzás a 100W, az 40W anód disszipációjú és ránézésre is erősebb szerkezet. Nem okoskodni akartam ,csak mondom. Nameg egy 25W os erősítőhöz nem akármilyen egyenirányító cső is kell, ha már az is csöves. Persze egy érzékeny ládán ez is bitang erős lenne, sőt, túlzás is ![]() Zsolti
Hali!
4db 6p3sz PP és kész, nem kell ezen annyit filózni Katód ellenállással és akkor nem kell bajlódni a bias beállítással sem, beáll automatikusan, csak egy ellenállót kell számolni rá. Elé egy 12ax7 fázisferdítőnek, aztán vagy van visszacsatolásod vagy nincs a szekunderről, vagy úgy csinálod, hogy a magasat visszacsatolod, a mélyet nem és akkor lesz egy atom rezód, presence poti meg egy depht és állítgathatod is a kettő arányát..ilyesmi. Nem űrsikló ez, csak gitárerősítő, nem is tudom hol hallottam, de nagy igazság.Az előfokozat meg tudjon neki adni pár V-ot, nem is kell olyan sok, lehet a 12ax7 sok is fázisfordítónak, valami szerényebb erősítésű cső is jó lenne oda...bár ez a kapcsolást nem módosítja. Ilyesmire tudnék én gondolni ![]() Zsolti
Oi!
Próbáltam valami feel-el nyomni mintát De sajnos kutyaütő vagyok én nem gitáros, az én szenvedélyem a gityó elektronika, majd valamikor 40-50 éves koromra lecsillapodok és megtanulok játszani talán ![]() Megjöttek az új csöveim, beinstalláltam őket tüstént és ez jött ki belőle. Off axis mikizés a kis tróger elektréttel, böhm kombó 12"osa, gr3-ban rögzítés + reverb, mp3. Inkább a hang tendenciája a lényeg, a kis tung-solok mekkorát szólnak, meg persze a JJ ecc83s..Imádom őket, nagy ládán elég korrektül szól... Mit szólsz a szandhoz? Zsolti
Csao
Az marhajó !! Vastag telt rakendroll hang, tetszik, igen jól hallatszik csöves mivolta, és a mikrofon is jól szuperál ! Mutatok én is valamit, az AM100 as hangja valahogy így cseng, a kapcsoló állása is elég jól hallatszik. Vehhe, gitározni én sem tudok, majd egyszer megtanulok, egyenlőre örülök hogy megnyekken ![]() (vonalból, híd hambi, soundforge mp3) (Páromnak Gryllus Vilmos jutott eszébe )
Hai!
Jól szól, korrekt a cucc. Meglehetősen akusztikus a hang, eléggé kiüti a közepet a pedál és a mélyet meg a magasat ráereszti kegyetlenül. Nyak pikuppal mit mutatott? Túl testes, mély orientált? Vagy azzal is fainos? Érdekes kis pedál a behringerek nem szoktak rosszak lenni, ár/értékben meg szinte verhetetlenek szerintem ![]() Klafa a hang! Zsolti
Pillanat, megcsinálom nyaki singlivel is. Kész is, ugyan a szisztéma, csak a hangszínszabályzó szerűség középállásra visszavéve.
Zsolti
Na meg is van ht8950 es "célicé", sajnos nem beszerezhető egykönnyen, viszont van kisebb készletem belőle, kis odafigyeléssel, és tervezgetéssel nagyon jó effektet lehet belőle készíteni.
Szia!
Hát igen, nem a legolcsóbb dolog az biztos, de nem is mostanra terveztem az építést, hanem inkább nyár vége felé.Ez a belinkelt kapcsolás szerintem megteszi, köszi. Igazából engem az érdekelt hogy hogyan kapcsolódnak a csatornák, hogy ne zavarják egymást.Mikrofonhoz fogjuk használni és a hangszín az hirtelen gondolat volt, mert olyan jól néz ki az a sok poti Köszi még1x.
Helló!
Nagyon szupi az erősítőd, grat! Miért kellett összekötni a potikat a réz dróttal, meg ha jól látom a csöveken is van valami árnyékolás? Zajcsökkentés céljából vagy a csövek nagyfeszültsége miatt, vagy valami más oka van?
AC/DC az sajnos csak egy Gibson SG es jo Marshall .Enyi az egesz.
Csucsokra ertelmezik , maximalis torzitason perfekt negyszogesitett jellel (teoretikussan) dupla erot lehet kihozni . Igy aztan a 30W-os erositot 50W-osnak hivjak, a 60W-ot 100 W-osnak hivjak ,jobban nez ki az adatlapon. A szovegben amit tettel ugy nez ki hogy Egyutemu A osztalyu erosito egy 25W-os csovel....
|
Bejelentkezés
Hirdetés |




Kis vakteszttel eldöntöttük a kérdést


