Fórum témák
» Több friss téma |
Ez már tényleg nem fog nagy érdeklődésre számot tartani és kevesen fogják érteni, de folytatom ha már elkezdtem.
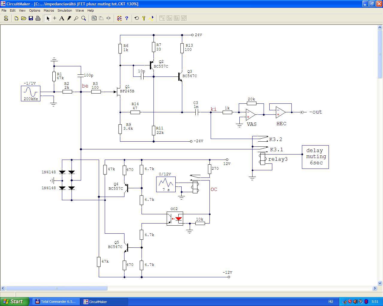
Ott tartottam legutóbb... ha letilt a túláram védelem, akkor ezzel egy időben le kell némítani a bemenetet is, máskülönben baj lesz. És ott, hogy mi legyen az a némító áramkör nem szól bele a végfok hangjába? Ez az áramkör lehet, hogy soha az életben nem fog aktiválódni, de ha egyszer mégis, annak nagyon fogok örülni - megúszván egy végfok javítást. Normál működés közben azonban úgy legyen ott, mintha ott sem lenne. Hosszas töprengés után úgy döntöttem, hogy ez diódás kapcsoló lesz. Az 1N4148-nak 5V zárófeszültség felett állandó, 1,3-1,5 pF a kapacitása. Ez kapcsolódik párhuzamosan a bemeneti aluláteresztő 100 pF-es kondijával. Nincs más teendő, mint gyorsan ki kell nyitni a diódákat és némít. Majdnem. Olyan 40-44 dB-t fog csillapítani, de ez már elég kell legyen arra az időre míg elenged az a bemeneti némító reléje... amire amúgy is mindenképpen szükség lesz. Lehet, már megint túlbonyolítom egy kicsit, de ha minden úgy működik ahogy elképzelem, nyugodtabban fogok aludni. A diódás kapcsolót egyszerű vezérelni. Két - azonos áramú (ez fontos) - áramgenerátor kinyitja a diódákat és kész. Az aktiválódás késleltetése gyakorlatilag csak az optocsatolón múlik. Arra kell még figyelni, hogy a bementi némító és a túláram védelem ne tudjon külön életet élni... tehát egyszerre aktiválódjanak. Nyilván a túláram védelem fogja eldönteni, hogy mikor kell némítani a bemenetet. Ezt egyszerűen meg lehet oldani: a túláram védelem bistabil multivibrátorával (a "műtirisztorral") sorba kell kötni a "némító ák." optocsatolóját. Ez az "OC2" optocsatoló - mindkét szimuláción. Látható, hogy azonos késleltetéssel tiltja le a tápfeszt és némítja a bemenetet. Az is látható, hogy segéd-tápfeszek száma egyre növekszik, aminek nem örülök... de majd lesz valahogy. Meg kell oldani.
Biztonsági okokból és mert amúgy is szükség van rá, lesz a Burgumban (most is van) egy darab csatolókondi ("C3"). Jó ha ez ott van, ha netán DC szint kerülne a bemenetre.
A limiter a bemeneten megakadályozza a durva túlvezérlést, 2V körül határol, tehát enyhe (erős) túlzással akár "230-at" is bele lehetne dugni. Q3 kimenetén (a jFET miatt) 4V-hoz közeli DC szint van. Ez jó is, meg rossz is. Azért jó mert elő van feszítve C3 csatolókondi - ami csak elkó lehet. És azért rossz, mert a nagy időállandó miatt bekapcsoláskor kiülne pozitív tápra mindkét félhíd. Tehát bekapcsoláskor ezt a kondit testre kell húzni amíg fel nem töltődik. A bemenetet is célszerű némítani erre az időre. A két félhíd némítását (koppanásgátlását) meg lehet oldani egy négy-morzés relével (ami van is a fiókban). A teljes bemeneti némító áramkör vázlata most így fog kinézni. A koppanásgátló természetesen egy újabb áramkör.
Ez a koppanásgátló áramköre, ha tranzisztoros lesz. Szépen szaporodnak benne a tranzisztorok. Még az is lehet, hogy mindezt egy komparátor IC-vel is meg lehetne oldani. Majd még átgondolom.
A relé adott, megmértem. A késleltetés a szokásos: áramgenerátor tölti fel az időzítő kondit és nyitja a tranzisztort, vagy ha nem tranzisztor akkor valami átbillen. A relét is áramgenerátor kapcsolja. Ez azért jó, mert az áramgenerátort rövidre lehet zárni. A 100 mikrós gyorsítókondi feltöltése ad egy 0.1 másodperc szélességű impulzust, ami elég arra, hogy a relé behúzzon. Tartófeszültségnek elég a 16V. Amiatt kicsi a tartó fesz., hogy gyorsan ki lehessen kapcsolni a relét... kevesebb áramot kell "kihúzni" belőle. A 'koppanásgátló 2 és 3' szimuláción a kikapcsolás némítása. Ez 47 ms. Még egy tranzisztor, amit a túláram védelem kapcsol be (még nem tudom hogyan). Ennek akkora a késleltetése amennyi idő alatt elenged a relé, plusz amíg az érintkező "átrepül" a záróérintkezőig (vagy, hogy hívják őket). Ott még pereg egy ideig, aztán megnyugszik. Ez kb. 0,2 sec.
Már át is gondoltam. Az IC-s megoldás a magas tápfesz miatt nem jó. Újabb segédtáp, szintáttevők, stb... az még bonyolultabb lenne. Jó lesz ez így, tranzisztorokkal.
Nem is tudom hogy szoktunk e foglalkozni a relék lelki világával. Adunk rá feszültséget ha kell, leveszük róla ha nem. Azt is tudjuk, hogy a tekercse induktív a visszarúg ellentétes feszültség tüskét generálva. Erre is bevált megoldás, diódát kötünk a tekercs kivezetései közé. Eddig ez rendben is van.
Nemrégiben régi elektromos targoncát újítottunk fel, ahol relék kapcsolták a motorokra a feszültséget. Mélyebben nem megyek bele, csak azt említem meg, hogy nem csak egyszerűen párhuzamosan kötöttek egy diódát a tekercsekkel, hanem dióda+ellenállás soros tagot kötöttek párhuzamosan vele. Nem értettem miért, de itthon leszimuláltam, meg ki is próbáltam. Érdekes volt az eredmény. A sima dióda a tekercs áramát kikapcsoláskor bent tartja a tekercsben, megőrizve a mágneses teret. Így a relé addig nem enged el, amíg a tekercs ellenállásán el nem disdzipálódik az az energia, ami ott kering a huzalban. Gyanítom, hogy szupravezető tekercs és ideális dióda összeállításban az idő végezetéig úgy maradna. A diódával soros ellenállás viszont elnyeli a tekercsben felhalmozott energiát, így hamarabb kapcsol ki a relé. Persze így lesz negatív tüske a tekercs kivezetései között, de nem akkora mint dióda nélkül. A számítások, szimulációk és mérések szerint a negatív tüske és a relé üzemi feszültségéhez aránya megegyezik a diódával soros ellenállás és a relé tekercs ének ellenállása arányával. A relé bontásának késleltetés (nem számolva a mechanikus tehetetlenséggel) szintén arányos a két ellenállás hányadosával. Most sietek, így csak ennyit sikerült írnom. De hátha jó valamire.
Nagyon igazad van. Én is gondoltam erre, sőt le is írtam valahol, hogy a szupravezető tekercset ha rövidre zárjuk végtelen ideig kering az áram benne. A múltkor még azt kielemezgettük valamelyik topikban, hogy a trafó lágyindítása kedvezőbb nagyobb értékű lágyindító ellenállással. És most is gondoltam erre az ellenállásra, de teljesen kiment a fejemből. A rutintalanság. Köszönöm, hogy felhívtad rá a figyelmem!
Ha emlékszel, akkor a relé is egy tekercs. És az összes a feszültség-idő terület alapján működik.
Igen... és becsület szavamra foglalkozni akartam ezzel a kikapcsolási idővel, de hirtelen csak addig jutottam, hogy a 48V-os reléhez elég 16V tartó feszültség. Ezt persze Bélának is írom.
Most megcsináltam a házi feladatot és talán annak a néhány embernek hasznosak lesznek ezek a szimulációk akik foglalkoznak ilyesmivel. Magyarázatképpen: a szimuláción az a 12VSPDT relé nem az a relé amiről a szimuláció szól, az csak egy kapcsoló, amely lekapcsolja a relé tekercséről a feszültséget. Tehát ez ne tévesszen meg senkit. A szimulált relé a 4k-os ellenállás és a vele soros 6H-s induktivitás. Annak a 48V-os relének a paramétereit szimulálom amit itt használni fogok. Persze ebben van egy kis bibi. A nyitott érintkezőjű relé induktivitását mértem, így 6 Henry. Ha záródik a mágneses kör ez az induktivitás nyilván nagyobb lesz... de, hogy pontosan mekkora ehhez vagy szét kellene fűrészelnem egy relét és megmérni (de sajnálom feláldozni), vagy meg kellene mérnem és visszaszámolni (erre meg lusta vagyok). A kikapcsolási idők arányai ezekkel az értékekkel is szemléletesek, de a gyakorlatban nyilván nagyobbak lesznek. - Alapesetben, ha 48V névleges feszültséget kapcsolok a 48 V-os relére 12 mA az áramfelvétele és 2 mA-nél enged el, ez 2,5 ms. - A "relé 2" mutatja az" időnyereséget" 16 V-os tartófesznél. - "relé 3 / relé 4" : Az induktivitás áramot tárol. A kikapcsolás pillanatában a "tárolt áram" folyik át a soros ellenálláson. Az első időpillanatban indukálódott feszültséget a két ellenállás aránya határozza meg (a relé Ohm-os ellenállása és a soros ellenállás aránya). Az időállandó a két ellenállás összegével csökken. - Gyorsíthatjuk a kikapcsolást úgy is, ha ellenkező előjel feszültséget kapcsolunk a relére. Látjuk, hogy szabadonfutó diódával "gerjedés" lép fel. A diódával párhuzamos ellenállás ezt megszünteti. Lényegében mindegy melyik módszerrel gyorsítom... a kikapcsolási idő annak függvénye, hogy mekkora ellentétes polaritású feszültséget engedélyezek a kapcsoló áramkörnek. Ha a némító áramkör szerinti 16 V-os tartófeszültséget egyéb áramkörökkel tovább bonyolítom, a kikapcsolási időt 950 us-ről legfeljebb 200 us-re tudom csökkenteni. Nem tudom megéri-e, hiszen a diódás kapcsoló (majdnem) némít a relé kikapcsolása előtt. De mindenképpen hasznos volt átvenni ezt a részt. Köszönöm Bélának, hogy felvetette ezt a kérdést. A hozzászólás módosítva: Jan 8, 2024
Utólag még gondolkodtam egy picit. Talán egy 4k körüli ellenállást mégis érdemes sorba kötni a relével... ez 2-3 plusz alkatrész, nagyobb feszültségű kapcsoló tranzisztor és a kikapcsolási idő a felére csökken. Még majd átrágódom rajta magam : )
Igen, így valahogy. Sajnos, azért nem lesz ennyire gyors egy Ohmron, vagy Takamisawa, mert vannak mindenféle mechanikus időállandók, meg rugóállandó, stb. Erről a dologról már volt szó korábban, egy fórumtársunk csinált egy PIC (?)-es mérőkütyüt a kapcsolási időre. Már nem emlékszem, hogy a be-vagy a kikapcsolási időt méregette, de a leggyorsabb relé 900us körüli volt. Egy reed biztosan gyorsabb lehet.
És mit lehet csinálni a bekapcsolás gyorsítására?
Betenni egy 4k-t? Ha nem gond a bekapcsolási idő meghosszabbodása, akkor lehet.
( Ez megint a luftballon elmélet... )
Ezek a szimulációk valóban nem fednek le mindent, ezért nem lehet a végletekig csökkenteni a kikapcsolási időt. A mechanikus tehetetlenségen kívül egy nagyobb relé vasmagjában örvényáram is folyik, ami szintén lassítja a mágneses mező leépülését. De ha jó kompromisszumot tudunk meghatározni a kiegészítő alkatrészek mennyisége és a gyorsulás között, akkor talán van némi értelme foglalkozni vele.
A bekapcsolásnál is ott van a tekercs induktivitása, de ahogy Karesz említette a nyitott mágneskör miatt ez kisebb. De mivel az áram kelti a mágneses teret nem a feszültség, ezért csak akkor tud felépülni a mágneses tér gyorsabban, ha a szükséges áramot gyorsan el tudja érni. Ez legegyszerűbben úgy érhető el ha nagyobb kezdeti feszültséggel gerjesztjük a tekercset. Viszonylag egyszerű kapcsolással megoldható, hogy bekapcsoláskor 2X-es vagy 3X-os indító impulzust kapjon a relé. Korábban csináltam is ilyet, de nem a gyorsítás volt a célom, hanem hogy 24V-os reléket 12V tápfeszről tudják működtetni. 16V körüli volt a behúzási feszültség, az elengedési meg valahol 3V körüli. 12V vagyis a körítés miatt 11V pedig elegendő a stabil tartáshoz. Azért itt sem minden fenékig tejföl, mert nem lehet korlátlanul növelni a bekapcsolási feszültséget. Még ha nem is okoz gondot a nagyobb feszültség a tekercsben, a nagyobb impulzus esetleg áthallatszik a közeli hangfrekvenciás pontokra. Egy csatornaváltó vagy relés hangerő szabályzó esetén én inkább még lassítanám is egy kicsit, hogy ne meredek fel és lefutású tüskék zavarják a közeli érintkezőket.
A legegyszerűbb egy áramgenerátort használni. Esetleg lehet PTC is.
Ha egy relét elengedési határon tartunk, akkor nem fog csökkeni az érintkezőkön átfolyó maximális áram? Mert nem húzza olyan erővel össze a tekercs?
Ez egy nagyon jó kérdés.
![]() Mérnökként azt mondanám, hogy igazad van. De vannak dolgok, amiről még az adatlapok sem mesélnek (ha mégis, akkor is csak az apró betűs részben).
Jó a kérdés, és reed relé esetében így is van. Viszont olyan relék esetében ahol mindig koppra zár a mágneskör, ott nincs ilyen gond. Viszont azok meg eleve lassúbbak.
Az áramgenerátoros, megoldás jó lehet, viszont a PTC időállandója szerintem túl nagy. Egy jól méretezett párhuzamos RC tag a relével sorosan szintén jó lehet.
A 4k sorosan van kötve a szabadonfutó diódával, tehát bekapcsoláskor olyan mintha ott sem lenne... kikapcsoláskor folyik rajta áram.
Egyszer szóba került, hogy lehetne egy Deprez műszer mutatóját úgy gyorsítani, hogy a lehető leggyorsabban ráálljon a kijelzendő értékre, de ne lengjen, valamint ne legyen túllövése. Azt írtad, hogy az alapműszer tekercsének ellenállásával azonos értékű soros ellenállás a legoptimálisabb erre a feladatra. Mivel a relé is egy elektromechanikus rendszer, talán van köztük hasonlóság.
Ami viszont szöget ütött, az egy eddig nem taglalt jelenség. Az tiszta ügy, hogy egy kondenzátor fegyverzetén a töltés nem változik ha távolabb húzzuk őket egymástól, de mivel a kapacitás csökken, emelkedni fog rajta a feszültség. De ha kinyitunk egy vasmagot, akkor csökkenni fog az induktivitás, amit meg is említettél. Egy áram alatt lévő tekercs ilyenkor mit is csinál? Mert az összeomló mágneses tér éppen egy ellenkező polaritású áramot kelt a tekercsben, ami azon a diódán akar lecsengeni. Ekkor valamikor nyit a mágneskör, de utána mi történik? Ezt már nem rágom tovább, megyek dolgozni.
Ha járom be van húzva, hiába fogod be akár satuba, az érintkezők attól nem fognak jobban érintkezni. Eltávolodni nem tud kisebb tartófeszültség esetén sem, mert ha picit is távolodna, csökkenne a fluxus sűrűség a vasban és teljesen elengedne a relé (szerintem).
Véletlenül megválaszoltam ezt a kérdést teddyshow-nak.
Az első részt még megrágom...
Újra kiteszem ugyanazt a rajzot amit már egyszer kitettem. Csak a piros betűs szavakat kell elolvasni és értelmezni.
A reed relé ki-bekapcsolási késleltetését is kiteszem (kb. negyedik alkalommal). Az érintkező pergése is jól látszik a szkóp fotón. Nem kellett hozzá PIC, hogy megmérjem.
Nem egészen. A fluxus nagysága csak a rákapcsolt feszültségtől függ, ha az állandó ( feszültséggenerátoros meghajtás ), akkor nem csökken a fluxus. A fluxus sűrűsége sem csökken, mert az a mágneses keresztmetszettől függ, ami megint csak állandó. A húzóerő fog csökenni, aztán emiatt enged el a relé.
Ezt írtad korábban:
"Talán egy 4k körüli ellenállást mégis érdemes sorba kötni a relével..."
Párhuzamost akartam írni, bocsi.
Idézet: „A húzóerő fog csökenni, aztán emiatt enged el a relé.” Teljesen igazad van, de ha megnézel közelebbről egy behúzott állapotú relét - és nagyon lassan csökkented a behúzótekercs feszültségét - azt fogod látni, hogy nincs olyan állapot, hogy a járom és a vas között fokozatosan elkezdjen nőni a légrés. Vagy légrésmentes, vagy elenged. Szerintem az mindegy kell legyen mekkora erővel húzza oda jármot. A mozgó érintkező rúgóereje ettől nem változik. Ha be van húzva a relé, állandó az érintkezők közötti nyomóerő... aztán hirtelen eleged. De ezt ki is lehet mérni, hogy változik-e az érintkezők átmeneti ellenállása a relére kapcsolt feszültség függvényében. Inkább attól tartok, ha tízszer behúzatom a relét, tízféle átmeneti ellenállást fogok mérni... főként egy több éve használatban lévő relé esetében.
Elég bonyolult dolog az átmeneti ellenállás. Méricskélni nem igazán érdemes, ahogy mondod, lesz tíz féle eredmény. és akkor még van tisztítóáram is,- legalábbis a komolyabb mágneskapcsolóknál, nem mindegy, hogy mikor, hogy mérsz. Azt meg kell tanulni, hogy egy relé nem örökéletű. Autóban elromlik a 40A-es relé, kiveszed, mérésre jó. Beteszed nem jó. Beteszel egy újat, az jó. Autóban az is mindegy, hogy Bosch, vagy Meyle. A Bosch 3-szor drágább, de semmivel sem bír többet. Ezen nem is érdemes rágódni, legyen mindig tartalék. Ez fogyóeszköz. Az ilyen kapcsoló, meg yaxley, relé, poti a legbizonytalanabb alkatrészek, de kellenek.
Mértem átmeneti ellenállást relén. Meglepően stabil volt még többszáz periódus után is.
Hajszálpontosan 2,5mohm volt az eredmény, egy Omron G2RL2 két párhuzamosan kötött érintkezőjén. Idézet: „Ez fogyóeszköz. Az ilyen kapcsoló, meg yaxley, relé, poti a legbizonytalanabb alkatrészek, de kellenek.” Ebben nagyon mélyen egyetértek veled. Ezért irtottam ki minden ilyen bizonytalan működésű eszközt a jelútból. Az előerősítőben poti helyett CMOS kapcsolók vannak, a végfokban crowbar. Ez a némító áramkör is úgy működik, hogy ha relé behúz kikerül a jelútból, de szerintem még így is figyelni kell majd arra, hogy a behúzó tekercsen zavarmentes DC áram folyjon. Azt még kivariálom valahogy.
Mindent (is) csinálok egyszerre. Rákattintva a "(>>)" szimbólumra, ezt a hsz-t folytatom most.
Evolúció... nagyon érdekes, de inkább hifiseknek szól. Már leírtam egyszer (vagy kétszer), hogy nekem úgy tűnik, hogy a bemeneti impedancia illesztő hangminősége határozza meg az egész előerősítő hangját. Természetesen a feszültségerősítő fokozatok is befolyásolják valamennyire a hangképet - de ha ezeket piszkálom - kisebb-nagyobb mértékben eltolódik ugyan valamilyen irányba a hangzás... de ez már lehet rendszer, vagy ízlés függő, hogy kinek melyik beállítás tetszik jobban. Durva minőségromlást egyedül akkor éreztem itt, amikor OMRON CMOS kapcsolók voltak benne ECE helyett. Az történt most, hogy szét kellett szednem az új előfokot, mert oda kellett adni az asztalosnak a dobozát. Ez egyébként sem az én előerősítőm lesz és a sajátomat nem is akarom bedobozolni - már csak babonából sem - mert olyankor rövid időn belül új ötletem támad és a szép doboz fel kerül a polcra. Tehát nekem ez marad egyelőre. Zene nélkül meg nem élet az élet, visszakerült a deszkamodell az állványába. Amikor legutóbb kikerült innen azt írtam róla, hogy nagyon szépen szól. Most, hogy visszadugtam, majdnem elsírtam magam, annyira siralmas volt a hangja. A legfeltűnőbb az volt első bekapcsolásnál, hogy döng a basszus. Egy idegesítő mély mormogás az egész a megszokotthoz képest. A jóhoz nagyon gyorsan hozzá lehet ám szokni, aztán egy idő után már az sem lesz elég jó. Az ütősök és a gitár nem pengenek, az énekes lélektelenül motyog. Tanakodtam magamban, hogy "hátha nem-e" a DC szervó okozza ezt mélytónusú masszát - hogy a másikban lejjebb van egy oktávval a DC szervó töréspontja. De fel voltam készülve erre az esetre, hogy az új panelek esetleg jobban fognak szólni, tehát kettőt gyártattam le belőlük és félig már be is ültettem a saját nyákjaim is. Gondoltam... sorjában fogok haladni, mert idő van, nagy meglepetés nem érhet, elég sok mindent kipróbáltam már eddig ebben az előfokban. Tehát első körben kicserélem a bemeneti impedanciaillesztőt. És mégis ért meglepetés. Azonnal helyreállt a rend. És most figyeljen minden "shany" és "mcc". Az új előerősítőben az összes fokozat le van "esemdézve", hiper-szuper Vishay meg Vishay Beyschlag-okkal, a deszkamodellben 8 Ft-os Yageo-k vannak a visszacsatolókört kivéve. És ezekkel a filléres ellenállásokkal is visszajött az a hang amitől legutóbb el voltam ájulva. Nem döng, nem motyog. Csak az impedanciaillesztő paneljét cseréltem ki... még egyszer hangsúlyozom. De ezen magam is mélyen elgondolkoztam mert nem igazán értem, hogy, hogy a fenébe lehet ilyen drasztikus különbség a két impedancia illesztő panel között, mikor szinte semmi különbség nincs köztük. Az egyetlen számottevő változás, hogy kihagytam az osztóból minden SMD kondit, nincs frekvencia kompenzáció. A másik különbség, hogy a bemeneten 2SC2240/2SA970 helyett 2SA992/2SC1845 páros van. Most csak az lehet józan paraszti ésszel belegondolva, hogy az SMD kondik okoznak ennyire durva torzítást... illetve kenik el ennyire a hangképet. Másként nem is lehet gondolni, mert hát ezek nincsenek a jelútban. De ennek az egésznek még valahogy utána kell járni. Persze, most nem úgy szól ez a deszkamodell, mint a másik előerősítő szólt, de nem tudom megmondani mi a különbség. Ez talán talán kicsit torzabb, de nem piszkálom tovább addig míg a másik készen nem lesz. Majd újra ráhallgatok mindkettőre és akkor talán okosabb leszek (vagy még hülyébb). A hozzászólás módosítva: Jan 9, 2024
Idézet: „De ha kinyitunk egy vasmagot, akkor csökkenni fog az induktivitás, amit meg is említettél. Egy áram alatt lévő tekercs ilyenkor mit is csinál? Mert az összeomló mágneses tér éppen egy ellenkező polaritású áramot kelt a tekercsben, ami azon a diódán akar lecsengeni.” Láttam mágneskapcsolókat ahol a behúzótekercs mellett volt egy egymenetes rövidrezárt "tekercs" másfeles/kettes rézhuzalból. Más magyarázatot nem találok rá, minthogy éppen ebből az okból. Az indukált áramot "elnyeli" ez az egymenetes tekercs, trafóként működve a kikapcsolás (elengedés) pillanatában. Minden relénél lehetne ezt az elvet alkalmazni szerintem, csak hát plusz munka és plusz költség. Vagy nem is gondol erre a relé tervezője. Vagy nem annyira hatékony megoldás a több ezer menetes nagy rezisztív ellenállású reléknél. Nem tudom. Ki lehetne próbálni... (ezt is). |
Bejelentkezés
Hirdetés |






























