Fórum témák
» Több friss téma |
Fórum » Házilag építhető fémkereső
Azóta kicsit finomítottam és sikerült meglelnem nagyapám rég elvesztett karika gyűrűjét. Egyenlőre ismerkedek még vele még egy éles bevetés hátra van majd azután meglátom megéri e jobban belenyúlni.
Na igen, arra emlékszem, hogy nagy melegben az érzékenysége jócskán csökkent. Ezért sem árt, ha potival állítható a mintapont.
Még a csillapítás mértéke is beállítandó lenne, de ehhez szkóp kell.
Na pont ezert nem szeretnek most hozzá nyulni mert utanna hangolni nem bírom lévén, hogy szkopom nincs.
Üdv.
Egy SMW 4-es, 24cm átmérőjű fejjel milyen mélységből tudom kiszedni az érmét? Mert az eredeti kapcsolással, ezzel a fejjel nem valami szörnyeteg.
Ez olyan mintha azt kérdeznéd hogy mennyivel tud menni egy autó.
Egyrészt nem mindegy hogy hogyan sikerült a fej (kiegyenlítés, árnyékolás), aztán hogyan lett összehangolva az egész (ez is majdnem olyan mint az "audiofil" építkezés, nem csak úgy van hogy beteszek egy alkatrészt és jó lesz, IC és IC között is különbség van, meg az egész egy komplett rendszer, egy egység amit hangolgatni kell), mekkora az adójel, stb, stb.Aztán ott van a talaj, ami ráteszi az i-re a pontot. Nekem az Attila féle 28 centis fejjel az SMW GT-m 24 centi mélyről kiveszi az 1Ft-ot (beledobott érme és betemetett gödör). Viszont ha arrébb viszem 100 métert ahol már teljesen más a talaj, ott már csak 19 centiről.
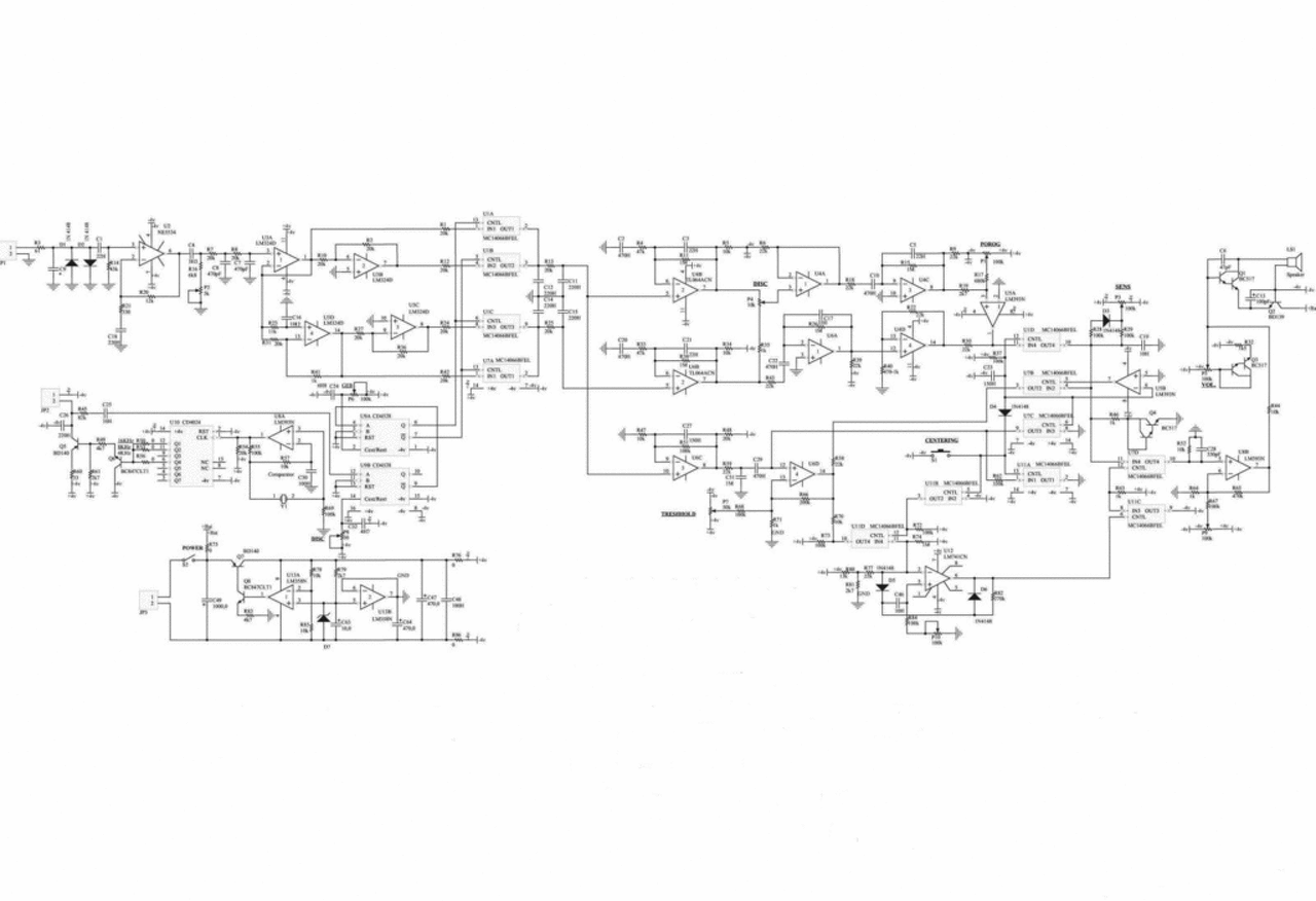
Légyszíves tedd fel a rajzot pdf-be, mert az SMW4 ( féle) módosított rajzokban több hibát is észleltem.
Azért kérdeztem mivel nagyon változó volt nekem is, valamint nem volt mindegy hogy mennyire szemetes a talaj, én pl kertben probáltam ahol ugyebár sűrűn elfordulnak rozsdás szögek stb..
Ha gyorsan lenditek akkor semmi.. ez ugyebár a silány diszkriminácio (magyarul lassú a gép) csak "tatásan" lehet vele menni . Az egész estét rászántam hogy kicsit átrázzam a gépet, jelenleg nincs TGSL-hez hasonló a diszkrimináció, tehát nem keverem az X és Y csatorna jelét a potival, fényévekkel jobb lett a disc ráadásul sokkal stabilabb, igy a sávszürők erősitését is lehetett növelni. valamint a fázistoló 393 hoz a felhúzó ellenálást kicseréltem 22k rol 5.6k-ra, elvileg 16mA-ral terhelhető a kimenet ugyh bőven belefér és cserébe sokkal gyorsabb a felfutó él. Jelenleg a sávszürők olyan 9Hz re vannak belöve
Ha azt a 4-es rajzot csináltad meg amit én raktam fel az valóban nem az igazi, mert nincs a táp sem stabilizálva, bár nekem nem az okozott gondot.
Az SMW egyébként alapból is elég gyors, konkrétan nem tudtam olyan gyorsan lengetni hogy kihagyja a jelet. Ha a 393 helyére beledugsz egy TL072-t akkor nem kell az ellenálláshoz hozzányúlni, mégis egy nagyságrenddel meredekebb lesz a jel felfutása (megnéztem szkópon de már nem emlékszem pontos értékekre). Nálam az integráló tag is módosítva lett, 330k-47n-ra. A geb-el volt gondom, mert nem tudtam úgy beállítani hogy ne szólaljon meg néha a talajra. A szemetes talaj nyilván csökkenti az érzékenységet, de azt most meg nem mondom fejből hogy ez mit csinál diszkben ha mondjuk vas van közvetlenül az ezüst mellett.
Diszkrimináció gyorsaságára gondoltam, tehát ha az érme mellett van valami vas. Tegyél az érmére 1 rozsdás szöget, természetesen ugy hogy a szöget kiszürted ha jelzi az érmét akkor jó... De nekem nem jelezte. Ezzel az a probléma hogy gyorsan lengetsz és a lendités közben befigyel 1 szög majd 1 darabig "vak" a gép, és lehet hogy átlenditesz 1 érmén is. TGSL nél nincs ilyen probléma(természetesen bizonyos keretek közt) ha az érmére ráteszel 2-3 szöget is akkor is jelezni fogja az érmét, ráadásul ha kiszürted a fóliát attol még az aranyat jelzi, az smw-nél pedig akkor már jocskán az aranyat is szüri. Sajna nekem is néha megszólal a talajra (Ha tiszta akkor nem). Probálgattam szimulálgatni kicsit a vevőerősitőt a szimuláció szerint már a 10mV offset is túlhajtja. lehet ki kellene hajitani a tranzisztoros fokozatot?
Párat észrevettem én is,de egyenlőre tárgytalan.., megpróbálok összefaragni valami hibridet.
Normál lendítésnél nem vettem észre ilyet. Rátettem egy kisollót az érmére amit előtte kiszűrtem és hozta úgy is az érmét.
Az eredeti tranyós fokozatot én is kihajítottam belőle és már csak egyetlen OPA erősít, de nem a túlvezérlés miatt, hanem mert egyszerűen semmi értelme hogy ott legyen. Felesleges zajt vitt be, meg instabilabb volt úgy az egész, olyan fázishiba jellegű. Hetekig dolgoztam rajta mire olyan lett mint most (és még lehetne). Az érzékenységet sokkal finomabban tudom állítani, nem kell a kezelőszerveket utánállítgatni mert stabil szinte az akkumerülésig, nem cicereg össze vissza mint előtte, és a talajt is ki tudom úgy hangolni hogy meg se pisszenjen rá. Meg belefaragtam a tűpont módot ami nagyon sokat segít abban, hogy ne kelljen a kifordított földkupacban percekig turkálni. Majd csinálok egyszer erről is egy videót.
Próbáld meg hogy durván rozsdás az a dolog amit az érme mellé teszel, nem fogja ugyanazt az eredményt produkálni. Sajna nekem túlhajtja, poliészterből van a fej.. kicsit megsüti a nap és már használhatatlan is, egy ferrit rudat tologatok a száron ha nagyon meleg van. Azt vettem észre hogy 20fokig semmi probléma, a fölött pedig intenzíven kezd tágulni a gyanta. Jelenleg a 4053 szabad kapcsolóját én feláldoztam arra hogy 2 hangú legyen a gép.
Jelenleg ott tartok hogy kis 1 forint 36 cm levegőben (30cm-ig stabilan dinamikusan jelzi, majd a maradék 6cm olyan kis gyenge) talajban ahol szemetes kicsit a talaj ott 18 cm a max 1 forintra.Érdekes hogy kicsivel nagyobb érmével sem megy mélyebre mint 20-21cm. Rendes tiszta talajon még nem próbáltam.
Valami ott még nincs jól beállítva. Az SMW bonyolult hangfokozatában pont az a jó, hogy nem olyan mint a legtöbb gép, mint amit írsz, hogy a vége már halk. Bár lehet hogy ezzel is kellett küzdeni de már nem emlékszem. Nekem ha 40 centiről hozza, akkor ott is ugyanolyan dinamikus a hang, csak egy hajszálnyival rövidebb, de nem gyenge.
A 4053-at is kidobtam és 4066 van most benne, mert én is kéthangúsítani akartam, csak egyik megoldás sem jött be, mert mindenképpen csökkent az érzékenység amit nem akartam. Így maradt egyhangú, és lett hozzá a tűpont. A sok munkának lett még egy olyan eredménye is, hogy a terepen érzékenyebbre lehet venni mint az asztalon, előtte pont fordítva volt. Tehát ha az asztalon mondjuk 5-ös potiállás a max és utána már huppog, akkor a terepen még 7-es potiállásnál is jó. Attól a fejtől egyébként az az érzékenység jó.
Ha a CD4053 Ic-t OPA hoz csatlakoztatjuk, akkor a VDD + táp, a VSS - táp és a VEE nulla feszültségű.
Adri hibrid elképzelésével teljesen egyet értek. Nagyon sok jó fokozat található egyes rajzokban, csak fel kell ismerni. A két-hang megoldásra az Oroszoknak remek áramkörei vannak. Egy picit tárolják, így végig egyforma erős a hang.
Az érzékenység nekem megfelel, csak stabilabbá kellene tenni a gépet. Van 1 olyan gondom hogy hiába tekerem vissza a sens potit akkor is néha cicereg csak ritkábban, valoszinűleg valami zavar van a rendszerbe. Szimulálgattam kicsit és kiderült hogy a tranyós fokozat akármit variálok vele 1% harmonikus torzitás alá nem megy, ha OPA használok ugyanakkora erősítés mellett 0.002% . Ma átkötöm kicsit ha nem megy szét már a panel a sok forrasztástól.
Persze hogy cicereg... Dobd ki az egész tranyós fokozatot, a vevőerősítő egyetlen OPA legyen invertáló alapkapcsolásban. Tegyél a 393 helyére TL072-t és mindjárt nem fog ciceregni. De nekem mintha a 4066-al is javult volna a 4053 után, fontos hogy az HCF legyen és ne CD.
A vevő OPA-nak akkora erősítést állíts be ami optimális, az sem jó ha sok, az sem ha kevés. Nekem 3-4mVpp körül van a fej ofszet, ehhez 120 szorosat erősít az OPA. A 3-as rajzon a sens poti is el van baltázva. Nagy az átfogása, nem lehet rendesen beállítani mert vagy túltekered, vagy nagyon le. Nekem ott 1k-s poti van, ami ha jól emlékszem 550ohm körül jó asztalon.
Sajnos a kért rajzot nem kaptam meg, ezért nehéz konkrétan hozzászólni.
Nézem az SMWx rajzot és azt látom, hogy egyetlen fokozat sincs elválasztva egymástól. Az adó osc. is egyenesen a 12v ról megy, mint a hang végfok is. Ráadásul nincs stabilizálva a 12v. A Sens ref. feszültség is a 12v van. Ennyit a cicergésrő. Ekkora erősítésnél a nagyobb áramú fokozatokat le kell választani, hogy ne rángassa meg az OPA és az utolsó komparátor működését. Ezt nem én találom ki ez követelmény az elektronikában. Az első Tr fázist fordít, mint az első IC. Ha kihagyod a tranyót, akkor a nem invertálóra kösd az RX tekercset, akkor lesz helyes a fázis. A jelenlegi állapotban hiányolok egy ellenállást az IC1 bemenete és a Tr kollektora között kb 2k7. A hozzászólás módosítva: Szept 11, 2015
Üdw. Igen ezeket kijavítottam, csak a hangfokozat megy a nyers 12v-ról. Tranyókat kivágtam és az első IC nem invertálóra kötöttem a jelet, igy volt a legegyszerűbb majd a második fokozatot illesztettem az adott frekire (ami nálam 12khz) hogy ezen a frekin erősítsen legjobban jelenleg 180x az erősítés, holnap kipróbálom a kertben ha rosszul teljesit vissza veszek kicsit az erősitésből. Úgynézem hogy egyenlőre most stabil a gép, tápellátásról 3db telefon aksi gondoskodik, ezeket amint tudom ki is cserélem őket túl nagy a belső ellenálásuk valamint a beépitett elektronika nem nagyon szereti az áramcsúcsokat.
Azt elfelejtettem hogy a nyák is lényeges. A fokozatok táplálása csillagpontos legyen, és minden IC táplábánál legyen egy 100nF SMD kondi. Illetve azoknál amik nagyobb áramúak (adó, hang) oda kell még mellé egy 4,7µF SMD is.
Az invertálóként bekötött OPA kevésbé kényes és gerjedékeny mintha nem invertálóként kötöd.
Még van egy nagyon fontos pont, amit megpróbálok körülírni. A Sens poti meleg pontján van egy 470K, ami 12v-ra van kötve. Ezt az 470k cseréld ki 100k-ra és 10k val kösd a 12 voltra. A közös pontra kösd rá a TL431 referenciaként működő (50ppm) párhuzamos stabot. úgy, hogy a bázis a
nullán legyen , a kollektort és az emitter kösd össze és kösd a 10k 100k pontra. (a lábakat egy BC tranyó szerint írtam le) A 393 felbontása 2-4 mV, ide stabil fesz kell. Az előtte lévő IC-k helyére pedig kis Offset értékű OPA kell pl TL064 1mV. És már kész is az új nyák. Sok sikert! A hozzászólás módosítva: Szept 12, 2015
Elfelejtettem oda írni, hogy a TL431 ebben a beállításban 2.5 voltos.
A csillagpontot én is jónak tartom, de a 8 Ohmos hangszórót 12v járatni kissé meredek. A táp oldalra kellene egy 47 Ohm 470u val. A 4u7 időállandója nulla ekkora áramnál. Az OPA két bemenete között csak az a különbség, hogy az invertáló alacsony Ohm bemenetű, a nem invertáló pedig magas. Hogy miért lenne gerjedékeny azt nem tudom. A földelt emitterű Tr. bemenete alacsony, a földelt bázisú pedig magas.
Nálam táp oldalon 220uf kondi és a hangszóróval sorban 47Ω ellenállás, igy egyenlőre jó. Fázistolóból kihajítottam én is 393at helyette LF353 tettem bele mivel ez volt kéznél valóban stabilabb, felfutó élt nem néztem de a fázishibák megszüntek. Láttam valahol más megoldást is a 4053 kapuzására a fisher 1265 gépnél, csatolom a sémát (csak rossz minőségben van meg)
A hozzászólás módosítva: Szept 12, 2015
[b][/b]Csak az IC-re tudok válaszolni, mert a rajz igen maszatos. A 4053 IC-t a televiziók R-G-B jeleinek
az átkapcsolására használják. (nem kapcsolásra, hanem átkapcsolására). Vagyis ez a tok 3db átkapcsolót tartalmaz. Az egyik állásban a Tv belső jeleit kapcsolja a videó végfokra, a másik állásában pedig a periféria (AV ) jeleit kapcsolja a végfokra. Van egy engedélyező bemenete is, ez arra szolgál, hogy pl a DVD indításakor, L szinttel automatikusan leállítja a TV jelét. A három tápról már írtam. Ezt az IC-t az SMW keresőben CD4066 IC-vel nem lehet kiváltani, de nem is kell, miért is kéne? A hozzászólás módosítva: Szept 19, 2015
Tehát tulajdonképpen az én SMW gépem nem működhet, mert a 4053 helyett 4066 van benne! Szerencsére az IC-k nem olvassák a fórumot... Lassan én se nagyon.Egyébként meg akkor (vagy azért) kell amikor 4 csatornát kell kapcsolgatni, mert ahhoz a 4053-ban lévő 3 kapcsoló egy picit kevés. Nem mindenki ragadt le a 3-as verziónál.
Biztosan működik, hiszen Te írtad, hogy 42 centiről veszi 1 forintost.
Nem az IC-k nek kell a fórumot olvasni, hanem a fórumozóknak az IC-ket. Az SMW hez elég a két csatorna is. A CD4053 nem kapcsoló,hanem 3x2 csatornás multiplexer/demultiplexer, hogy pontos legyek. A leragadásra csak mosolyogni tudok. Van egy jó ötletem: Készíts két rajzot az IC1D és az IC1A pillanatnyi kimeneteiről a 4053 4 és 15 kimenetéig. Akkor pontosan látni fogod, hogy mi ennek a kapcsolásnak a lényege. Azt is látni fogod, hogy a 4066 ezt a funkciót nem tudja ellátni. 2db 4066 és plusz két db inverter kapuval viszont megoldható, ha az egyszerűbb. A hozzászólás módosítva: Szept 19, 2015
Szívesen olvasgatom ezeket a 4053-vs-4066 típusú föllángolásokat. Kár hogy senki nem írta meg azt, hogy miért jobb ez, vagy az a gyakorlatban.
Megpróbálok írni róluk. Adott egy gép, amiben 4066 van. Tegyünk bele egy olyan vevőerősítőt, aminek a fázistolása más kis jelnél, és más nagy jelnél. Ilyen a TL06x például (és módosulatai). Ha kicsi a fej offszet jele, akkor jó lesz a gép. Ha megnöveljük ezt az offszetet az egyik fázisban, akkor esik a teljesítménye a gépnek, mert a nagyobb jel okozta offszet úgy módosítja a vevőerősítő fázistolását, hogy ezáltal érzéketlenebb lesz. Ha átfordítjuk a fej fázisát (egy darab ferrittel, vagy dilatációval, vagy akár egy darab vassal, ami terepen a földben van, vagy csak egyáltalán ilyenre sikerült a fej) Akkor a gép a kis offszetű érzékenységnél érzékenyebb lesz, gerjedősebb, huppogósabb. Persze ez a jelenség egy jó vevőerősítőnél (pl 5534)nem, vagy csak nagyon minimálisan érzékelhető, ha egyáltalán felfigyelünk rá, hogy van 1-2 centi különbség a gép tudásában, a fej offszetétől, és fázisától függően. Ha a gépünkben szutyok a vevőerősítő, de a vevőerősítő jelének megvan az ellen-fázisú jele, és ezt 4053-mal kacsolgatjuk (multiplexáljuk?) akkor ugyanolyan érzékeny lesz a gépünk kis offszetnél, mint 4066-tal. Pontosan ugyanolyan. Ha az offszet növekszik, bármely fázisban is, a gép kissé érzéketlenebb lesz, kicsit cicergősebb, de használható marad. Ha jó a vevőerősítő, akkor variálhatunk az offszettel, (persze csak egy bizonyos egészséges határon belül) akkor a gép tulajdonságai nagyjából változatlanok maradnak. Tehát, ha jó a vevőerősítő, akkor tök mindegy, hogy mit használunk, és csak az határozza meg, hogy akarunk-e ellen-fázisú jelet is kreálni a vevőerősítő után, vagy nem. De ez már inkább szubjektív. Ha gyengék a vevőerősítőnk tulajdonságai, akkor már tud javítani egy kicsit (ismétlem: egy kicsit) a gépen a 4053-as féle működés. Fölmerül a kérdés, hogy ki épít olyan gépet, aminek gyenge a vevőerősítője. Például az, aki ragaszkodik mondjuk egy TGSL-IGSL papíron lévő vevőerősítő IC-hez. Az sem helyes szerintem, hogy leszóljuk például az eredeti SMW sok tranzisztoros, IC-s vevőerősítőjét anélkül, hogy megnéznénk, hogy miként viselkedik a fázistolása kis és nagy-jelű működésnél. Az én szubjektív véleményem ez alapján az, hogy 5534, vagy hasonló, és utána 4053, vagy akár 4066. És most egy kissé félve rákattintok a "Hozzászólás elküldése" gombra
Persze hogy működik, de csak azért mert az IC-k nem olvasnak. Ha olvasnának akkor tudnák hogy nem működhetnének, mert "nem lehet kiváltani" ezt írtad.
De kilehet. Amiért ezt tettem 2 oka volt. Az egyik, hogy teljes értékű 4 csatornásra akartam megcsinálni, amit aztán később a bonyolultsága miatt elvetettem. A másik, hogy teljesen mindegy hogy multiplexer vagy sem, mert itt nem számít, sőt. Aki ezt megálmodta, az úgy gondolta hogy jobb lesz a gép ha a másik félperiódust is hasznosítja, és összemultiplexeli a kimeneten az integráló tag számára. Csakhogy pont ugyanúgy működik csak az egyik félperiódussal is, sőt én azt vettem észre hogy jobban, mert a fél periódussal a fáziszajok is kevesebb mértékben jutnak érvényre, mint a két félperiódus esetén. Ez tapasztalat, járj utána, és akkor talán nem írsz majd le olyanokat hogy "nem lehet kiváltani". Aki stabilabb gépet szeretne belőle csinálni, az igenis váltsa ki. De nem kényszer, csak jótanács.
Sorjában: Én csak erről a kapcsolásról beszélek, ahol a bemenet és a kimenet is DC csatolt, vagyis
Offszeten van. Az 53 IC két tápos, talán azért is használta ezt az IC-t a konstruktőr. Ha valaki ezt a kapcsolást építi meg, akkor az 53 a nyerő, egy darab 4066 IC-vel ez nem oldható meg. Az hogy az eredeti kapcsolás jó vagy rossz az más kérdés. Akinek van jobb elképzelése építsen egy jobbat. A bemeneti tranzisztorok "dobd ki" val nem értek egyet. Ott elsiklunk a lényeg felett, de majd összerakom, bemérem és akkor nyilatkozok róla. Örülök a válaszodnak.
Mennyivel érdemes a vevő rezonancia frekijét feljebb-lejjebb vinni mint az adójét? Nálam az adó 11.1 khz ketyeg ,a vevőerősitőmnél meg 10.4 khz -nél fordul a fázis itt erősít legjobban.
Érdemes jobban közelebb hozni a 2 frekit vagy már ez is nagyon közel van? |
Bejelentkezés
Hirdetés |






Egyrészt nem mindegy hogy hogyan sikerült a fej (kiegyenlítés, árnyékolás), aztán hogyan lett összehangolva az egész (ez is majdnem olyan mint az "audiofil" építkezés, nem csak úgy van hogy beteszek egy alkatrészt és jó lesz, IC és IC között is különbség van, meg az egész egy komplett rendszer, egy egység amit hangolgatni kell), mekkora az adójel, stb, stb.

Tehát tulajdonképpen az én SMW gépem nem működhet, mert a 4053 helyett 4066 van benne!



