Fórum témák
» Több friss téma |
Fórum » Házilag építhető fémkereső
Köszi. Megcsináltam ez alapján Eagle-ben.
Ez 12 vagy 24V-ról megy? Kicsit zavaró a föld és a +- 12V jelzés. A 4538 max 15V-ot kaphat...
Ez 12 voltos. A jelzés tényleg zavaró.
A teljesítmény növelésével kapcsolatban mi a véleményetek az alábbiakról:
PI nél nagyobb mélységhez mélyebbre érő mágneses tér szükséges, amit a tekercsen folyó áramerősség függvénye. Mateatek csúcsgépe 24 v ról töltötte a tekercset, így ért el nagyobb áramot. Mi van akkor, ha a tekercs vezetékét veszem vastagabbra, ugyanannyi menetszámnél 2 Ohm helyett csak 1 Ohm lenne. Ez ugyanúgy dupla áramot jelentene, amit a párhuzamosan kapcsolt még egy fet adna. Így talán kisebb átalakítás kellene a dp kapcsolásában mint 24v -ra alakításkor. Vagy valamit nem vettem figyelembe?
Azt nem vetted figyelembe, hogy a tekercs önindukciós "fékezése" miatt relatíve lassan nő a fet nyitásakor rákapcsolt áram. Úgy vannak tervezve, hogy a fet nyitó impulzushossz rövidebb annál, amennyi idő alatt kialakulna a maximális áram, amit már csak az ohmos ellenállás határolna. Tehát fet nyitó impulzushossz növelésével drasztikusan nőni fog az áram.
Egy ilyen gépnél hogy 1 vagy 2 ohm a tekercs teljesen mindegy, mert nem folyik benne akkora áram, ami nem csak a feszültség hanem a kitöltési tényező növelésével is elérhető, még csak 2 FET sem kell hozzá, ahogy a 24V-hoz sem.
A földbe hatoló mágneses tér itt elsősorban a tekercs (keret) átmérőjének függvénye.
Hogy lassan az azért túlzás, mert delta I / delta t = U / L, vagyis az induktivitásra kapcsolt feszültség függvénye, amiben most az induktivitás a lényeges, mert elég kicsi.
Akkor ha az ohmikus 6 ampert 12v és 400 microhenri esetén 200microsecundum impulzusszélességgel lehet elérni?
Ennek a 200microszekundumos impulzusszélességnek van akadálya? Pl egy nagy kerethez 100/ min impulzus frekvenciájú lassú beállításnál bőven lenne rá idő. Akkor 12v 1 Ohmnál 12 ampert 400 microsecundum még mindig belefér. Mi akkor az akadálya?
Igen. A 200us-nak a gép sebessége miatt lehet akadálya, mert fel is kell a kapott jelet dolgozni. Másrészt minél tovább van nyitva a FET annál jobban fog melegedni, és annál előbb fogja lemeríteni az akkut. A PI elvnél inkább a visszaalakuló energiának (negatív tüske) van jelentősége, nem a tekercsben folyó csúcsáramnak. Sosem kísérleteztem ezzel, hogy melyik megoldás mennyit hoz vagy nem hoz érzékenységben a konyhára, de emlékeim szerint a megnövelt kitöltés nem nagyon hozott, csak a fogyasztás nőtt tőle.
Igazából csak használtam eddig a gépeket.
Azt én is aláírom, hogy pusztán megnövelt teljesítménnyel a gép kevésbé lenne használható a terepen. Olyan fluxus lenne a tekercs közelében, hogy minden szarra bejelezne. DE! Ha a megnövelt teljesítményt arra használnám fel, hogy 1 méter magasre emelhetném a keretet, igaz ugyan hogy így megint csak ugyan olyan mélyre látna mint az eredet teljesítménnyel, de így tényleg elhagyna minden apró bosszantó találatot! Szóval ez motivál a teljesítmény növelésére. Az aksi méret nem számít, amúgy sem használnám néhány óránál tovább alkalmanként. Meg nem is rohanok a kerettel, hogy ne lenne elég 100/min impulzusszám. Szóval mit célszerű módosítani?
A keret méretét?
Most is 2×2 es kerettel csinálom...
Ezt a cikket olvasta valaki?
(nekem sajna nincs hozzáférésem ehhez a laphoz, de műszaki főiskolák é egyetemek könyvtárainak igen) Planar Spiral Coil Design for a Pulsed Induction Metal Detector to Improve the Sensitivities
DP rajz és nyákterv Eagle-ben (7.2.0). Ha esetleg valakinek kell
Szuper, köszi a feltöltést!
A gépet nem zavarja ha a kereten belül mászkálsz és ott van a panel és az akksik? Gondolom fém dobozba nem illik rakni.
Csináltam aludobozba is, de nem volt szerencsés, az tény. Műanyag dobozba pakolt géppel nem láttam hátrányát. A gép a nyakamban lóg egy szíjon, plusz még egy szíjjal a csípőmhöz is van szíjazva, hogy ne lifegjen előttem, főként akkor ne, ha le kell hajolnom. A keret egyik pántja a nyakamon átvetve a vállamon van, a másik az egyik kezemben.
Így egyedül is frankón lehet használni. Persze az ásót, meg a többi cuccot ilyenkor otthagyom valahol.
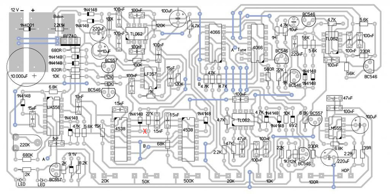
Nemrég vettem észre, hogy a mellékelt képen a DP nyák terve kissé hibás. A rajz szerint a 4538-as 14-es lába V+-ra van húzva. A piros X-nél kéretik átvágni.
Mindkettő típust látni a különböző DP kapcsolásokban.
Én az enyémbe IXFK44N80P FET-et raktam, és hozzá egy IR2121-es meghajtót.
Tiszteletem a kollégáknak. Csak azért jelentkezem, mert a COLOMBO fémkeresőt feljavítottuk egy projekt keretében. Számtalan más gyári készülékkel összehasonlítva falban levő vezetékek nyomvonalának felkutatására ez a legjobb. A beleépített plusz egy tranzisztor a van találat-nincs találat közti hiszterézis megszüntetésére szolgál. A működési frekvenciát felvittem 1 MHz környékére, Így az érzékelés távolsága az eredeti 4-5 szörösére nőtt. Valamint a ZF 5,1 zénerrel megvalósított plusz stabilizátornak köszönhetően a beállított érzékelési küszöb sokkal stabilabban megmarad, mint az eredetinél. Egyébként én is csak úgy lerajzoltam, amikor nálam járt egy, mint ahogy figuraferi is feltette az előző oldalon, és többször utánaépítettem, jól működtek, de most valakinek kellett egy sokkal jobb, és kísérletezgettem vele. A dióda helyére betett tranzisztor bázis- emitter diódája adta magát, de nem lett nyerő még egy darlington, viszont a kollektort nagyon sok helyre bekötöttem, hogy hol mit csinál, és ez lett a legjobb. Segítí az oszcillációt, és úgy általában stabilabbá teszi a működést, meglepően érzékenyre lehetett ezután a készüléket beállítani. A 22 kiloohmos ellenálás eredetileg egy 220 K trimmerpotenciométer volt, de úgy tapasztaltam, hogy az az érték mindig 25 kiloohm körüli állásnál hozta az ideális érzékenységet, ezért lett végül fix ellenállásra cserélve. A keresőtekercs adatai: L1: 60 menet, L2: 20 menet zsebrádió ferrit rúdon, a rezgőköri tekercs a rúd legszélén kezdve, befelé haladva, menet-menet mellé, L2 szorosan mellette, a bekötéskor figyelni kell arra, hogy a trimmerek max tápfesz, T4 emitter testen az oszcillátornak mennie kell, a LED elalszik, ha nem, akkor fordítva kell az L2 tekercset bekötni. A tápfesz. trimmerét középállásba kell tekerni, a 4,7 kiloohmossal a LED megszólalási küszöbét kell megkeresni, illetve ha ez a szabályozási tartományon kívül esne, akkor lehet korrogálni a tápban levő 2,2 kiloohmossal. A + tápfesz és a LED meghajtó darlington kollektora közé lehet egy 5 Voltos piezó csipogót tenni, aki az akusztikus jelzést szereti.
A hozzászólás módosítva: Jan 13, 2016
Elkészült az én Delta Pulse-om is.
Persze közel sem olyan elegáns mint Bender-é, de ez nem lesz dobozolva, ez kísérleti céllal készült.
DP-nél a Tr4-nek hol kell lennie? Ha nincs tekercs rákötve, akkor a Tr3 lefutó éle után van valamivel, de ha rákötöm a tekercset, akkor a Tr3 felfutó éle után. Ha a Tr3 rövid, akkor a Tr4 és Tr5 teljesen eltűnik, ha a Tr4-et a Tr3 lefutó éle utánig tolom. Ekkor a D2A IC kimenete végig magas. Ez így normális?
A jobboldaliak a tekercses képek.. A hozzászólás módosítva: Jan 14, 2016
Üdv. Tudna nekem valaki ajánlani valami jóféle vevőnek való műveleti erősítőt? Lényeg hogy DIP14 tehát quad legyen TL0.. szériát már kipróbáltam eddig LF347 bizonyult a legjobbnak de szemezgetek még LF444 el is. Lényegében annyit kell hogy tudjon mint az NE5534 vagy OP07 es de ezekben csak egy darab opa van, sajnos helyhiány végett csak DIP14 tokos jöhet szóba, esetleg talán 2db NE5532-est bele tudok aplikálni a tokba.
Egyetlen DIP14 tokozásút találtam, ami tudja az 5534-et, SMD-ben van több is.
MAX414CPD 28 MHz 4.5V/us kis zajú. Az ára elég borsos, mint minden MAX IC-nek.
Sajna egyik ic-t sem tudom beszerezni itt nálunk, az árukról nem is beszélve. De talán tudok szerezni MC33079-et, az ára sem túl borsos, az adatlapja alapján jónak igérkezik. Üdv
A PI keresők kör alakú tekercsét meg lehet csinálni összehajthatóra? Pl egy pneumatika csőbe fűzöm bele. És akkor a 80 centis tekercset háromba hajtva egyből 27 centis lesz és könnyebben hurcolható. Persze valami sokszálas huzalból megtekerve.
Csináltam ilyent, csak másfél méteresben. HEP2O csőből, és a szerelvényeiből. Összehajtva nagyon pici tud lenni az is.
|
Bejelentkezés
Hirdetés |















