Fórum témák
» Több friss téma |
staci123, Chipmunk1960 !
A fet ami most van benne 2SK2698, ez elvileg 500V 15A-es, csak 3 db.-ot azért nem cserélnék, mert nem tudom, hogy a zárlat mennyire viselte meg az épen maradottakat, és kidobott pénz lenne, ha ezek után mégis 12 db.ot kellene cserélni. Elvileg lehet is találni ilyet, de mivel kizárt, hogy ugyan az a gyártási sorozat lenne, nem szívesen próbálkoznék, válogatáshoz meg többet kellene venni. Viszont az IGBT, amit tudnék szerezni, egy 60A-es tipus lenne, és nem sokkal többért megkaphatnám, mint 1db. fetet. Az viszont igaz, hogy a kikapcsolási ideje lényegesen hosszabb, és a gate töltése is nagyobb mint 3db fetnek. Amúgy azt még nem néztem meg, hogy milyen frekvencián megy, de az oszcillátor alkatrészei alapján, akár 80-100kHz is lehet
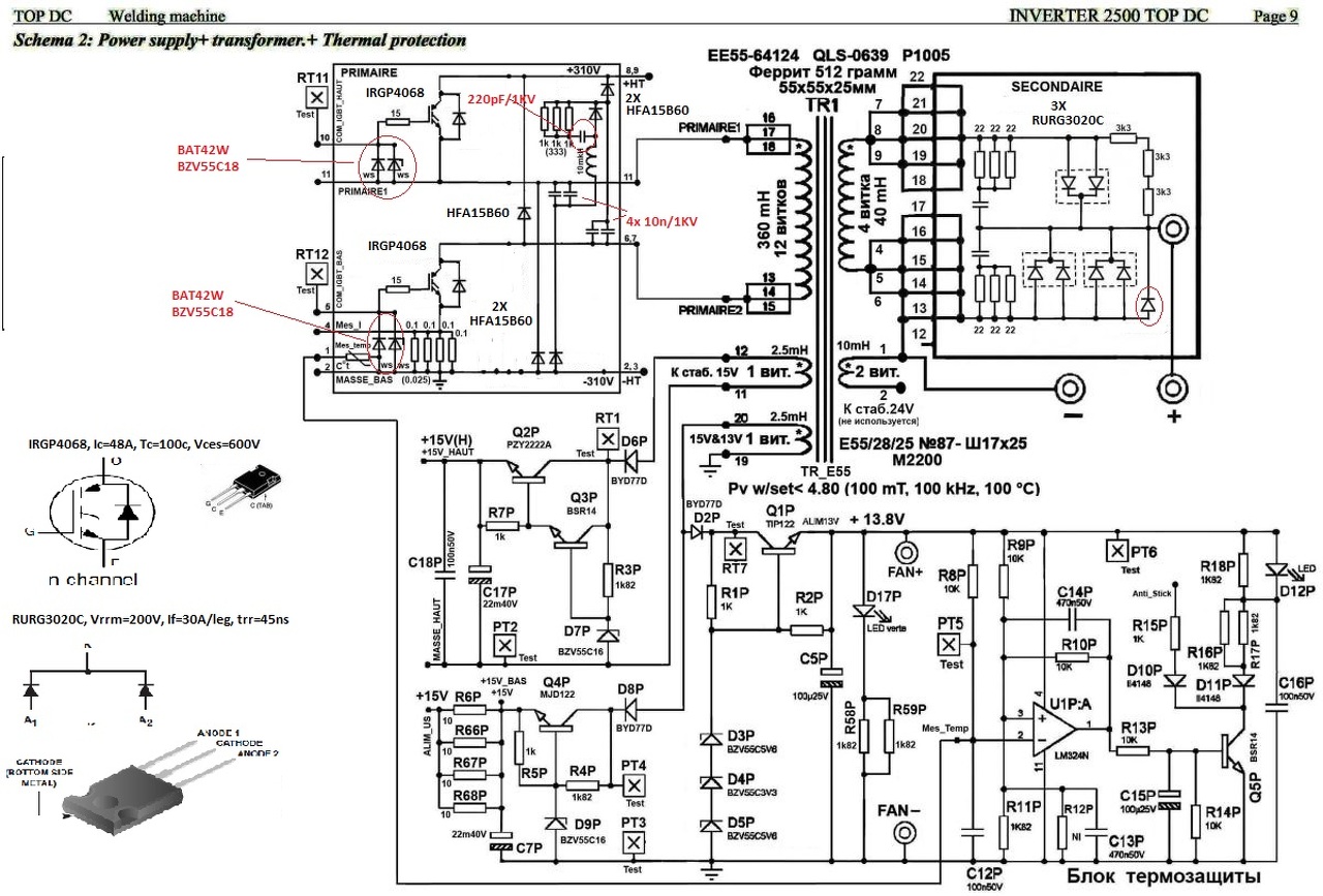
Szia, 'Elméletileg" megtaláltam az ARC-160 rajzot. Itt tettem fel egy rajzot a 2 IGBT -s inverterről.
Egyébként tévedtem az előző hozzászólásomban, 4x3 db Fet van, és A-D ig a vez jelek. Sajnos, egyik rajzon sincsennek oszcillogrammok. De ha a kikapcsolási ideje hosszabb, szerintem nagy pukk lesz, ha rányit az ellen párja. Szierintem 'mpisti'-nek kérd ki a véleményét, Ő az egyik nagy szakember itt, és ezeket javítja sorozatban. De az ARC-on tudok néhány mérést csinálni, ha szükséges. Üdv: Mike
Ha majd eljutok odáig, és szükségem lesz néhány jelalakra szólok, addig is kösz. Remélem mpisti előbb-utóbb benéz ide, én is kiváncsi lennék a véleményére.
Más: szintén heg. inverter, kellene valami műterhelés, ha nem is maximális, de legalább 50-70%. Valami egyszerű lenne jó, mert nekem ritkán kell, eseleg egy folyadék ellenállásra gondoltam. Gondolom forrna rendesen, meg bontaná a vizet. Tapasztalat valakinek? üdv.: aramos
Szia! Itt vagyok.
Az eredeti IGBT /FET csere akkor jöhet számításba, ha biz6tosítani tudod az eredetivel egyező huzalvezetést, ha a félvezetők kapcsolási paraméterei egyezőek vagy jobbak mint az eredeti volt különös tekintettel a rétegtöltési és ürítési időkre. Persze egy lassú frekvenciával működő gépnél ez nem annyira kardinális kérdés, de ha 40-60kHz vagy e feletti frekvencián megy akkor már nem biztos hogy nyerő lesz az olcsóbb megoldás. A műterhelésnek megfelel egy megfelelő hosszúságú betonvas darab is, ami 5-6 mm átmérőjű. Az ellenállása 0,2 ohm körül legyen, A hosszát számítással a fajlagos ellenállás és átmérő ismeretében könnyen kiszámíthatod . A két végét összefogod, és feltekered bifilárisan így az induktivitása elenyésző lesz, de szigetelő távtartót a menetek közé tegyél ,mert a mágneses erő furcsa dolgokra képes. Ha akarod, akár vízbe merítve hűtheted is. A tisztán folyadék ellenállás készítését nem ajánlom, mert egyrészt erősen hőfokfüggő, másrészt a keletkező gázok veszélyesek lehetnek, ugyanis csak valamilyen sós oldat jöhet számításba. A műterhelés használatának idejére a letapadásvédelmet a gépben ki kell iktatni, mert egyébként nem tudsz mérni semmit.
Akkor sajnos marad a gyári megoldás, mert az IGBT kiürítési ideje adatlap szerint jóval hosszabb mint a feteké.
Kösz a tanácsot! üdv.: aramos
Szia, Kb így gondoltam én is. Ennyit, még talán tudok segíteni. A FET-ekben. Üdv: Mike
Kösz!
üdv.:aramos
Kedves fórumtársak,
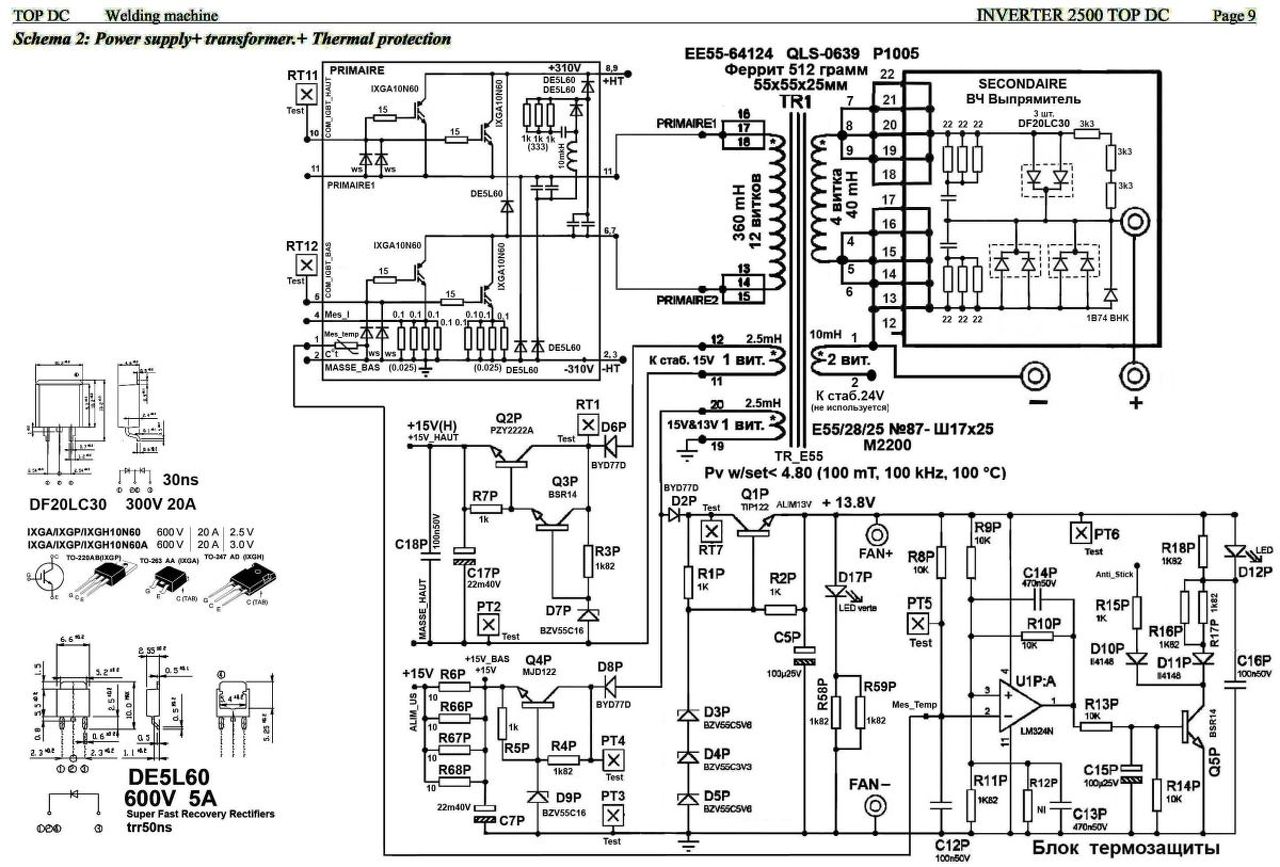
Ugyan nem vagyok aktív tagja a fórumnak, viszont naponta olvasom az itt megjelenő hozzászólásokat és most kérnék egykis segítséget. Nemrégiben hozzámkerült egy Einhell BT-IW 1000/1 készülék. A teljesítménymodul (SMI) primer oldalán két kondenzátor ill. egy dióda elfüstölt (a vezetősávval együtt). Nektek és a google-nak köszönhetően sikerült rajzot találnom hozzá. A meghibásodott panelt nem áll szándékomban megjavítani, inkább készítenék hozzá egy másikat. A "helyettesítő" panelt THT IGBT-kel és diódákkal szeretném megvalósítani. Mivel a panel és a hűtőborda méretei adottak, kissé módosítanom kell az eredeti kapcsolást. Az elgondolásom a következő lenne: a primer oldalon a 2-2db 20A-es IGBT helyett 1-1db 48A-es és a szekunder oldali 20A-es diódák helyett 30A-es. Csatoltam az eredeti és a módosított rajzot is. Szeretném megkérdezni mi erről a véleményetek? Előre is köszönöm a válaszokat! Üdv: Imi
Szia, Mivel nem írtad, hogy mely kondi, illetve diódák váltak köddé, csak annyit tudok javasolni megint, amit Pisti is megerősített 4-el feljebb, hogy a Q értékek legalább olyanok legyenek, mint az eredeti IGBT-k ben, a freki miatt, akkor elméletileg lehetséges. Ha jól látom, az eredeti IXGH10N60, annak a Qg=50nC, mígy a 48A-esé: Qg=95, és a Qge is duplája az eredetinek. A vezérlés időzítési oszcillogramjai-nak ismerete nélkül nem merem javasolni a módosítást. A 2. rajzon, az 1Kv-os kondik helyett 2Kv-osak beépítését ajánlom. Üdv: Mike
Szia Mike,
Köszi a választ, megnéztem az adtlapokat, valóban így van, kerestem másik típust, IRG4PC30UPbF. Ha jól néztem akkor megfelelő lehet, viszont ez kb. 20A-t bír, így mindenképpen 2-2db IGBT-t kell ráterveznem, ami úgytűnik nagyjából sikerül is. Csatoltam egy előzetes layout-ot az elgondolásomról, még hiányos és nem végleges verzió, de nagyjából ilyesmi lenne a konstrukció. Ui.: az eredeti rajzon a TR1 6,7-es lábára csatlakozó paralell kondik és a hozzájuk kapcsolódó DE5L60-as dióda vált füsthiányossá.... Üdv: Imi
Szia Jimmi, Akkor az történt, amire gondoltam, azért javasoltam kicserélni azokat a kondikat 2KV-os jó minőségűre. Mikor a tranzisztor lezár, mivel tekercs is van a körben, igen nagy tranziens-tüske indukálódik a körben. Ez hivatott megvédeni a Tr-ort. A kondi átütött, az pedig leverte a tranyót. Azt javasolnám, hogy legalább 3 mm-es vezető- és kb. ugyanannyi szigetelő-sávot hagyjál a C-E hozzávezetésnek, és az sem baj, ha feltöltöd kis ónnal. Javítás után mindig lelakkozom a panelt. Itt a lábak közét érdemes gumis sziloplaszt-tal kitölteni, hogy a ventilátor miatt nehogy fémszemcse kerüljön oda. A fenti IGBT-nek a Qg=50nC, de a 60A-é már 189nC!
Az elmélet levezetését itt megtalálod. Üdv: Mike
Sziasztok. Segítségre lenne szükségem, kaptam egy Silverline Art 105 tipusu invertert hibásan.
Akitől kaptam aztmondta hogy a főtrafó zárlatos benne( szekunder átütött a primerbe) és folyamatos tiltásban van. A gépen előző javítás nyomai láthatók, egy fet cserélve volt átlett forrasztva az egyenirányító lába a nagy elkók előtt és egy elkó is mintha cserélve lett volna, valamint a töltő ellenállás is cserlve látszik. A főtrafót megtekertem, beforrasztottam a panelbe, soros izzóval áram alá helyeztem. Az izzó felvillan majd lassan elhalványul ahogy feltöltenek az elkók, a vezérlés a relét is átkapcsolja de innentől kezdve folyamatos tiltásban van. Áramtalanítás után átmértem szekunder oldali diódákat ezek mind jók, majd mikor a feteket kezdtem mérni (IRF 460 2x4db) azt tapasztaltam hogy kettő teljesen zárlatos, kettő mérve jó, a többi pedig szivárog. Az lenne a kérdésem mi mehetett még tönkre ezek alapján, hol kezdjek körülnézni? Szkópom az sajnos nincs. Válaszaitokat köszönöm.
Szia, Próbáltam kiguglizni, de semmit nem talált. Ha tudnál pár képet küldeni a vezérlésről, milyen IC-k vannak benne, valamint a G köri meghajtásról. Elgondolásom szerint a 4x 2db FET párhuzamosan kötve szituáció lehet.
Igen a Fet-ek igy vannak kötve, silverline találtam egy oldalt ahol szintén erről az inverterről van szó itt vannak csatolva fényképek egyenlőre remélem megteszi holnap teszek fel képeket.
A hozzászólás módosítva: Júl 17, 2014
"Teccik" a cégnév a panelen: 'Jiali Industray Group'
De a lényeg, hogy a tipikus 3525 a vezérlő, ahogy látom a képen. A 4. képen látszik még egy 8 lábú, az a CA 3140. A rajzát, itt találhatod, ami szerintem hasonlít rá. A képen, az 51 Ohm forrasztási oldalán tisztán látszik az áthúzási nyom a fólia felé. A hozzászólás módosítva: Júl 18, 2014
Köszönöm a rajzot, a linken található oldalon lévő képek nem az én gépemé, csak gyorsan ezt találtam hogy lássátok miről is van szó. Az én gépemen semilyen áthuzási nyom nem látható.
Nos ugynéz ki célba értem, az utobbi méréseimmel csunyán átvertem magam miközben a feteket vizsgáltam. Az új eredmény a nyolc fetből egy darab volt zárlatos az amelyik a cseréltnek látszó párja. Miután ezt kiforrasztottam további zárlatra vagy egyéb hibára utaló okot nem tapasztaltam. Így ismét soros izzóval elinditottam a gépet, az elkók feltöltése után visszahalványult az izzó de nem teljesen, a relé meghuzása után nem jelentkezett a tiltás és feszültséget tudtam mérni a kimeneten, csak egy mezei műszerem van tudom ez nem korrekt mérés de stabil fesz van a kimeneten arányban a soros izzóval márcsak a fetet kell potolnom és izzó nélkül is tesztelem.
A hozzászólás módosítva: Júl 18, 2014
Szia, Olvassál vissza kicsit, mert már kifejtettem ezen FET-ek ről a tapasztalataimat, méréseimet. Nem akarom még egyszer u.azokat leírni, de fontosak. Akkor talán megúszhatod, hogy az első vagy komolyabb igénybevételnél mindet cserélni keljen. Egyet ki kellene venni, / de az még jobb, ha mindet/ és összemérni , párba válogatni őket, meg az újakat. Erősen javaslok 2 egyformát betenni, s nemcsak 1-et cserélni.
Köszönöm hogy felhívtad erre a figyelmem, gondolkozok hogy kicserélem mindet újakra és egy száriából származóra.
Fentebb már belinkeltem, hogy szerintem hol a legolcsóbb, én is abból újítottam fel a sajátomat. Kölcsönkérte egy hegesztő ismerős AWI-hoz, azt mondta sokkal jobb lett, mint amit bent a cégnél használnak. Sok sikert a javításhoz! Valahol meg kell hogy találd, a képen lévő meghajtó részt. Mérd át a nagyfesz-kondikat, ellenállásokat! A kondit legjobb cserélni, mert kisfeszültségen teljesen máshogy viselkedhet, mint mikor megkapja a KV-ot.
A meghajtó részt már előzőleg átmértem ott minden rendben, a teljesítmény ellenállások is rendben voltak, viszont a nagyfeszkondikat nem mértem át. Köszönöm a segítséged.
Sziasztok!
Szükségem lenne egy kis segítségre... Adott egy Silverline 633822 típusszámú inverteres hegesztőgép Vezérlőpanelről nem jön meghajtás se a lágy indító relének se az IGBT-knek... Gyanús,hogy valamelyik IC ment tönkre, de le van csiszolva a típus... Itt kellene a segítség, aki esetleg találkozott már ezzel a típussal és meg tudja nekem mondani,h melyik IC micsoda az óriási segítség lenne... Előre is köszönöm!
Űdv mindenkinek !
Segítség kellene ha van valakinek tapasztalata háromfázisú inverter javításával kapcsolatban. FRONIUS TP 200- asról lenne szó. 5 méter hosszú a 4eres bekötőkábel amelynek egyik ere megszakadt. Van-e a készüléknek fázisfigyelője ? Arra gondolok hogy esetleg az tiltja le , de még benne is van egy kábel ami gyanúsan nagy ellenállást mutat és pont ugyan azon fázison de a főkapcsoló után. Három zavarszűrő kondibol (0,1µF/275v x2) kijött a füst! AZ egyenírányítója háromfázisú kocka jónak mutatkozik ómikus méréssel, sehol másutt nincsenek gyanús jelek de úgy össze van pakolva hogy még a tranzisztorokhoz hozzá sem tudtam férni. Szerintem rajzot keresni felejtős mivel több mint húsz éves de mindig vannak véletlenek is.
Szia, Rákerestem, de nem találtam semmit, a komoly szakik, meg lehet nyaralnak, akiknek nagyobb gépismerete van. Én is elfelejtettem utánna írni neked, csak most láttam megint. Próbálj mega táp-oldalról elindulni, hogy mindegyik megvan-e? A jobb oldalon a 4 db tranzisztor, már biztosan a meghajtók. Melyik IC-re mennek a bázisok? A
z alsó sarokban a 8lábú lehet, hoyg CA3845? Akkor a 6. lábán kell tovább menjen a jel.... Páróbáld meg visszarajzolni valamelyest, hátha akkor ráismerünk, hogy mire hasonlít! A fehér 6 lábú micsoda, opto, cross-zero????
Szia, Ha a 3 kondi bibis, vedd ki, mert ohmikusan lehet hogy nem, de 240V nál, már lehet kopp zárlat, lehet az égette el az öreg bemenő kábelt, cseréld le újra. Ha a rectifier után tudsz DC-t mérni, akkor jöhet a következő lépcső.
Szerintem kösd fel a bugyit. Rajzot ne keress nem fogsz találni. A gépben fázis figyelés nincs, de minden más van, úgy mint alacsony feszültség, túlfeszültség, stb figyelés. Ha a zavarszűrés elszállt, az generátoros üzemet sejtet, akkor felesleges tovább próbálkozni, a gép kuka, mivel a végfoktranyókat nyitófeszültségre párba válogatva lehet csak cserélni.
Szia Pisti! Anno a '80-as években volt a suliban szkópra ilyen feltét. A Quad 405-höz azzal vélogattam össze a 3055-ösöket-
Húúú, de rég volt!
Sziasztok! Apex 1400-as hegesztő inverterhez keresek kapcsolási rajzot. A helyzet az, hogy a dz11 jelölésű zener elfüstölt benne annyira, hogy nem tudom leolvasni az értékeit. Ha valakinek van ilyen hegesztője, azt is nagyon megköszönnèm, ha az értéket elküldené.
Üdv mindenkinek!
Szia, Úgy látom, hogy más sem talált hozzá rajzot. Méricskélni kellene a környéken, mert ha így elpukkant annak oka van, ha beteszel egy másikat az is így jár, nagy valószínűséggel. A nagy kék ellenálláson sem látom a 3. karikát, hogy milyen színű? Valószínű, annak is melege volt.
|
Bejelentkezés
Hirdetés |




Szierintem 'mpisti'-nek kérd ki a véleményét, Ő az egyik nagy szakember itt, és ezeket javítja sorozatban. De az ARC-on tudok néhány mérést csinálni, ha szükséges. Üdv: Mike
Az eredeti IGBT /FET csere akkor jöhet számításba, ha biz6tosítani tudod az eredetivel egyező huzalvezetést, ha a félvezetők kapcsolási paraméterei egyezőek vagy jobbak mint az eredeti volt különös tekintettel a rétegtöltési és ürítési időkre. Persze egy lassú frekvenciával működő gépnél ez nem annyira kardinális kérdés, de ha 40-60kHz vagy e feletti frekvencián megy akkor már nem biztos hogy nyerő lesz az olcsóbb megoldás. A műterhelésnek megfelel egy megfelelő hosszúságú betonvas darab is, ami 5-6 mm átmérőjű. Az ellenállása 0,2 ohm körül legyen, A hosszát számítással a fajlagos ellenállás és átmérő ismeretében könnyen kiszámíthatod . A két végét összefogod, és feltekered bifilárisan így az induktivitása elenyésző lesz, de szigetelő távtartót a menetek közé tegyél ,mert a mágneses erő furcsa dolgokra képes. Ha akarod, akár vízbe merítve hűtheted is. A tisztán folyadék ellenállás készítését nem ajánlom, mert egyrészt erősen hőfokfüggő, másrészt a keletkező gázok veszélyesek lehetnek, ugyanis csak valamilyen sós oldat jöhet számításba. A műterhelés használatának idejére a letapadásvédelmet a gépben ki kell iktatni, mert egyébként nem tudsz mérni semmit. 

De a lényeg, hogy a tipikus 3525 a vezérlő, ahogy látom a képen. A 4. képen látszik még egy 8 lábú, az a CA 3140. A rajzát, 

Húúú, de rég volt! 

