Fórum témák
» Több friss téma |
Fentebb írtad, hogy megy a ventillátorod, alaposabban átnéztem a belinkelt kapcsolást, ha jó a tiédhez, akkor a teljesítménytrafó megy mert , ha nem menne nem volna a ventillátornak tápfeszültsége. Viszont ha megy akkor a vezérléssel és az IGBT-el nem lehet gond, valami védelem tilthat csak be, a kapcsolási rajz szerint kellene lennie benne egy LM324 IC-nek ott, vagy azzal kapcsolatban kellene véleményem szerint a hibát keresni, javítsatok, ha nem jó a gondolatmenetem.
Szia Imi!
Egy barátom is ilyen gondal küzd, sikerült megtalálni mivel volt a gond, ha még emlékszel esetleg?
Köszi a választ.
A ventilátor a megszokott nagy fordulaton forog. Nem látok LM324 IC-t. Talán mégsem jó a rajz a domtool 4-hez. Tavaj csinált olyant az inverter, hogy hullámzott a ventilátor fordulatszáma. Levettem a burkolatot kifújtam a port. Visszaállt a fordulat a normál üzemmódba. A melegedést mutató led nem világított. Más furcsaság nem történt.
Igen lehet hogy nem jó hozzá, de az is lehet, hogy a hütőborda takarja el.
A panelon látok egy kisebb trafót, lehet az biztosítja a feszültséget a ventinek.
Igen ebben már megtalálható az a 18 lábu ic mikro-kontrollel, ami a képen látható a potméternél. Ebben már a ventillátor tápfeszültségét sem a főtrafó adja, hanem külön segédtrafó, így a fentebb írt gondolatmenet már nem állja meg a helyét.
Mielőtt leszereled a SMI panelt előtte alaposan mérjél párszor mert szereléskor sérülni szoktak a panelra csatlakozó csavaros kötések. Lásd a mellékelt képen.
Majd készítek közeli fényképet a SMI panelról (amely nincs szilikonnal leöntve) és arról már több mérési pontot be tudsz azonosítani.
Reménykedjen, hogy nem ezzel a résszel lesz a gond, mert ezeket leszedi, és visszarakni nagyon macerás, plusz a 8 távtartót visszaforrasztani központba, hogy illeszkedjen a főpanelra az se lesz semmi.
Pedig gyakran a szekunder oldali diódák adják meg magukat de előfordul a hálózati egyenirányító dióda hibája is. Amúgy óvatosan le lehet venni az SMI-t úgy is, hogy nem tekered le a rézfóliával együtt a forrasztott távtartó anyát csak kis vékony kulccsal rá kell tartani mikor meglazítod a csavart. Dehát ezek hibáit könnyű kimérni még a szétszedés előtt.
Nekem egy forrasztott távtartó sem jött le egy hasonló modul levételekor, viszont az IGBT- cseréjénél már a hőtől igen, nehéz volt pontosan a helyére visszailleszteni, hogy pontosan illeszkedjen a főpanelra. Nekem az IGBT-k szálltak el 6db -ból 5db, és a hozzá tartozó védődióda. Igaz ez volt az első ilyen jellegü javítás, nem szeretném mégegyszer cserélni őket.Talán egy picit túl melegitettem a panelt, gyakorlat teszi a mestert, de ha lehet inkább kihagynám.
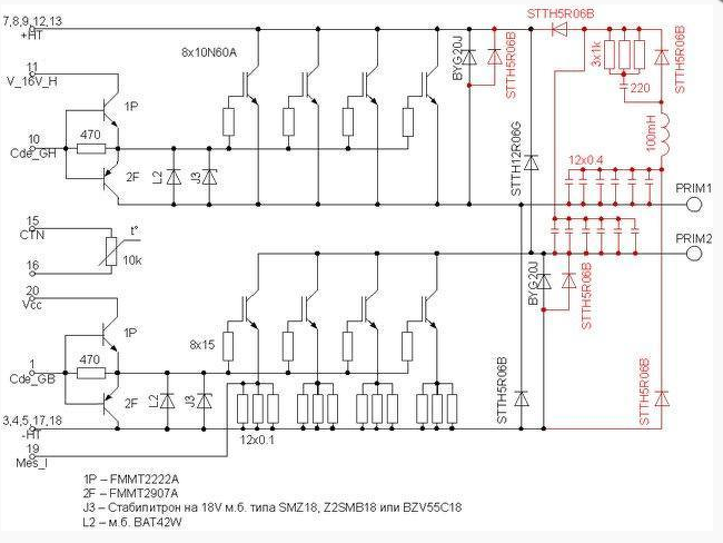
Talán még ez a rajz is használható az SMI "megértéséhez".
Az első gyári sorozat nekem is elszállt benne, cseréltem, párba-válogattam, ez még FET -es, azóta vígan viszi a 200A-t. Ha jó minőséget raktál bele, nem lesz gondod tovább vele.
Igen itt vettem, egy fórum tagtól vagy 20-30 db-ot és erősebbet G10N60 helyett G15N60 ment bele. Azóta rendben megy nem volt vele gond.
Van egy Gismi 131 Inverter rajzom, de az szerint a lágyindító rész minden mástól független és 2 tranzisztor működteti. Amit hoztak, az kicsit bővebb, lóg a tranyókon egy ICce, ami kirobbanó sikert ért el. Ami még látható a felső sor jeleiből, "7...TE05M6". Alatta a gyártás dátuma, 9107.
Emiatt aztán nem indul, se lágyan, se keményen. ![]() Találat akad ezrével, csak még nem jöttem rá, mit művel. 7FLITE05.. Nem találok egyező adatlapot.
Vissza kéne rajzolni az IC körüli rész kapcsolási rajzát. Nem irtad hány lábu , ha 6-8 akkor akár lehet egy dupla FET is vagy bármi.
Szia, Ha egy égővel előtöltöd a kondikat, majd direktbe a lágy-indítót, azért indul a masina?
Szerintem egyszerűbb, ha összedobsz 555-ből egy 2 sec-es időzítőt, mint fejtegetni. A hozzászólás módosítva: Okt 18, 2019
Közben megtaláltam az Alibabán a 7FLITE05-ös IC-t. Mikrovezérlő (MCU), azaz felejtős, kivéve ha valaki tud adni felprogramozottat.
![]() Ha már van benne egy mikrovezérlő, akkor az nem csak a lágyindítót fogja kapcsolgatni, hanem egyéb dolgokat is. Hiába is fejteném vissza a rajzot.
Szia, Pont ezért kérdeztem, hogy különben működik-e? Az Alie..n vannak komplett panelek nézz körül, hátha találsz belevalót. Pont ez a bajom a futópadokkal is, ha repül a chip, az egész panel kuka, vagy donor, mert sehol nincs felprogramozott. Ott ráadásul 2 dolgozik master/slave módban, 2 vonalas soros porton kommunikálnak. Esélyem sincsen, hogy a kódot visszafejtsem Itt nézzél szét.
A hozzászólás módosítva: Okt 20, 2019
GYSmi 131 javitás, tönkrement az inverterem, kimeneti részen - 0,3 V jött ki, haverommal kicsit konyítunk csak az inverteres dolgokhoz, a fórumok alapján ki cseréltük a bsr 14-16 párosokat L6386 ic-t, majd a SMI panelon 3 IGBT cseréltünk és 1 egyenirányítót, műszer szerint az smi panel hibátlan, összeszerelés után ki mentek több bsr 14 és 2 ellenállás is.
mivel már meg haladja a képességeinket a hiba elhárítása és multiméteren kívül semmi műszerünk nincsen ezért, kérném jelezze akinek van ideje és kedve a javításhoz, meg fizetném, postázom is ha kell. rengeteg plusz alkatrészem van és teljes dokumentációm hozzá. Sajnálnám ennyibe hagyni. Köszönettel K Imre.
Pontosan ez a fajta gép van nálam is. A piros keretben lévő IC közepén van egy kisebb lyuk.
![]() Chipmunk: Nem hinném, hogy ehhez olcsóbban lehetne panelt kapni, mint egy új gépet. Ugyanis ennél egyetlen panelen van minden, a doboz, ventilátor meg a csatlakozók már nem összeg. A hozzászólás módosítva: Okt 20, 2019
Sziasztok!
Van egy Güde 130 GC inverteres hegesztőm. Ami azt a jelenséget produkálja, hogy kattogó hangot ad ki, és akkora ívet húz mint egy öngyújtó. Valakinek volt esetleg hasonló problémája? Merre induljak el hibakeresésben? Válaszotokat előre is köszönöm!
Szia, Zárlat van benne valahol, a táp nem tud "felállni" ezért, csak próbálkozik, annak a hangját hallod.
Kattogó hangot ad,és akkora ívet húz mint egy öngyujtó.Nem a főtrafó vasa tört el véletlenül?
Szia, Nincs ötletem rá. Kérdezd meg az építő csoportban, ők tárgyalták, tesztelték a vasmagokat.
Üdv!
Elakadtam egy Würth mini max130 típusú inverter javításában. Ehhez szeretnék segítséget kérni. A vezérlőpanel kapcsoló üzemű tápegysége rossz volt. Ezt megjavítottam. Most azt a jelenséget produkálja, hogy rövid impulzusokat ad ki a kimeneten, körülbelül másodpercenként kettőt. Ez terhelésre sem változik. Nincs zárlat a kimeneten, az összes dióda és FET jó. Valakinek van ötlete mi lehet a probléma vagy találkozott már ilyennel? Köszönöm!
Szia!
Én találkoztam már hasonló jelenséggel. Nálam a relé érintkezője oxidálódott el és esett rajta a feszültség. Kattogott és nem lehetett vele ívet fogni, csak szikrázott
Köszi az ötletek, holnap ránézek ezekere.
Csupán érdekességképpen.:
A korábban csatolt Gysmi131-hez hasonló, csak valamivel kisebb a Domtool Welder inverter 2.5-ös. Mindkettő lengyel összeszerelésű francia gép. Egy döglött gép helyett hozattam a képeken szereplő kínai apróságot. 1,6 kg, a mérete "tenyérbemászó". Adatlapon 100% Bi 140 A, 60% Bi 200 A. Egyelőre tudja. 3,25-ös pálcával 8-as lemezt simán átlyukasztja. Nagyon simán duruzsol, nem fröcsög. Szép a belseje, nagyon sűrű szerelésű. A trafó a toroid. Fojtója nincs. A készletben kábeleket nem küldtek, csak csatlakozó dugókat. Nem csodálom, egy készlet kábel fogókkal ~10000.-. A hálózati kábele ~1 m 2*1,5-ös dugó nélkül. Cserével kell kezdeni. A hozzászólás módosítva: Okt 30, 2019
Igen jól néz ki a kérdés, hogy meddig bírja majd 1 puffer kondival és azzal a pici trafóval. Egy komolyabban 4db ilyen kondi van, meg a főtrafó súlya több mint 1,6 kg.
|
Bejelentkezés
Hirdetés |




























